Error information
Error message word RET_VAL is not used.

Input parameter description
| Parameter
| Data type
| Range
| Default
| Description
| | COM_RST
| BOOL
| | FALSE
| COMPLETE RESTART The block is provided with an initialization routine that is executed when input COM_RST is set.
| | MAN_ON
| BOOL
| | TRUE
| MANUAL VALUE ON / enable manual operation. The feedback control system is interrupted when the input " manual operation on" is set. The manipulated value is preset to a manual value.
| | PVPFC_ON
| BOOL
| | FALSE
| PROCESS VARIABLE PFCIPHFCY ON / Actual value - switch on periphery. To read the actual value from the periphery, connect input PV_PFC to the periphery and set the input " Actual value - switch on periphery".
| | P_SEL
| BOOL
| | TRUE
| PROPORTIONAL ACTION ON / P-Component enabled. The different actions of the PID-algorithm can be enabled or disabled individually. The P-Component is enabled when the input " Select P-Component" is set.
| | I_SEL
| BOOL
| | TRUE
| INTEGRAL ACTION ON / I-Component enabled. The different actions of the PID-algorithm can be enabled or disabled individually. The I-Component is enabled when the input " Select I-Component" is set.
| | INT_HOLD
| BOOL
| | FALSE
| INTEGRAL ACTION HOLD / hold I-Component. You can freeze the output value of the integrator by setting the input " Hold I-Component".
| | I_ITL_ON
| BOOL
| | FALSE
| INITIALIZATION OF THE INTEGRAL ACTION / set I-Component. It is possible to set the output of the integrator to input value I_ITLVAL. Set the input " set I-Component " for this purpose.
| | D_SEL
| BOOL
| | FALSE
| DFCIVATIVE ACTION ON / D-Component enabled. The different actions of the PID-algorithm can be enabled or disabled individually. The D-Component is enabled when the input " Select D-Component" is set.
| | CYCLE
| TIME
| > = 1ms
| T#1s
| SAMPLE TIME. the sample time between calls to blocks must be constant. Input " Cycle" specifies the time between the different calls to the block.
| | SP_INT
| REAL
| -100.0...100.0 (%) or phys. value 1)
| 0.0
| INTFCNAL SETPOINT / Internal set point. The " Internal set point" input defines a set point value.
| | PV_IN
| REAL
| -100.0...100.0 (%) or phys. value 1)
| 0.0
| PROCESS VARIABLE IN / actual value input. The " process variable in" input can be used to configure an implementation value or an to connect an external floating point process variable.
| | PV_PFC
| WORD
| | W#16#0000
| PROCESS VARIABLE PFCIPHFCY / actual peripheral value. The process variable in peripheral format is connected to the controller via input " actual peripheral value".
| | MAN
| REAL
| -100.0...100.0 (%) or phys. value 2)
| 0.0
| MANUAL VALUE. Input " manual value" is used to specify a manual input value via the operating and monitoring function.
| | GAIN
| REAL
| | 2.0
| PROPORTIONAL GAIN / proportional coefficient. Input " proportional gain" defines the gain of the controller.
| | TI
| TIME
| > = CYCLE
| T#20s
| RESET TIME / Integration time. Input " Integration time" determines the time response of the integrator.
| | TD
| TIME
| > = CYCLE
| T#10s
| DFCIVATIVE TIME / Differentiation time. Input " Differentiation time" determines the time response of the differentiator.
| | TM_LAG
| TIME
| > = CYCLE/2
| T#2s
| TIME LAG OF THE DFCIVATIVE ACTION / time lag of the D-Component. The algorithm for the D-Component contains a time lag that can be configured via the input " time lag of the D-Component".
| | DEADB_W
| REAL
| > = 0.0 (%) or phys. value 1)
| 0.0
| DEAD BAND WIDTH. The error signal (difference) is routed via a dead band. The " Dead Band Width" Input determines the magnitude of the dead band.
| | LMN_HLM
| REAL
| LMN_LLM...100.0 (%) or phys. value 2)
| 100.0
| MANIPULATED VALUE HIGH LIMIT. The manipulated value is always limited to an upper and a lower value. Input " Manipulated Value High Limit" defines the upper limit.
| | LMN_LLM
| REAL
| -100.0... LMN_HLM (%) or phys. value 2)
| 0.0
| MANIPULATED VALUE LOW LIMIT The manipulated value is always limited to an upper and a lower value. Input " Manipulated Value Low Limit" defines the lower limit.
| | PV_FAC
| REAL
| | 1.0
| PROCESS VARIABLE FACTOR. The value applied to input " Process Variable Factor" is multiplied by the process variable. This input is used to adjust the range of the process variable.
| | PV_OFF
| REAL
| | 0.0
| PROCESS VARIABLE OFFSET. The value applied to input " Process Variable Factor" is added to the process variable. This input is used to adjust the range of the process variable.
| | LMN_FAC
| REAL
| | 1.0
| MANIPULATED VALUE FACTOR. The value applied to input " Manipulated Value Factor" is multiplied by the manipulated value. This input is used to adjust the range of the process variable.
| | LMN_OFF
| REAL
| | 0.0
| MANIPULATED VALUE OFFSET. The value of the input " Manipulated Value Offset" is added to the manipulated value. This input is used to adjust the range of the process variable.
| | I_ITLVAL
| REAL
| -100.0...100.0 (%) or phys. value 2)
| 0.0
| INITIALIZATION VALUE OF THE INTEGRAL ACTION. The output of the integrator can be preset via input I_ITL_ON. The initialization value is applied to input " Initialization Value of the I-Component".
| | DISV
| REAL
| -100.0...100.0 (%) or phys. value 2)
| 0.0
| DISTURBANCE VARIABLE. A disturbance quantity can be added by introducing the respective value via input " Disturbance Value".
| 1) Units of the parameter in the set-point and process variable branch must be identical. 2) Units of the parameter in manipulated value branch must be identical.
Description of the output parameters
| Parameter
| Data type
| Range
| Default
| Description
| | LMN
| REAL
| | 0.0
| MANIPULATED VALUE. The effective manipulated value is available in floating point form at the output " Manipulated Value".
| | LMN_PFC
| WORD
| | W#16#0000
| MANIPULATED VALUE PFCIPHFCY / Manipulated Value Periphery. The manipulated value in peripheral format is available at output " Manipulated Value Periphery" and connected to the controller.
| | QLMN_HLM
| BOOL
| | FALSE
| HIGH LIMIT OF MANIPULATED VALUE REACHED. The manipulated value is always limited to an upper and a lower value. Output " High Limit of Manipulated Value Reached" signals that the upper limit value has been exceeded.
| | QLMN_LLM
| BOOL
| | FALSE
| LOW LIMIT OF MANIPULATED VALUE REACHED. The manipulated value is always limited to an upper and a lower value. Output " Low Limit of Manipulated Value Reached" signals that the lower limit value has been exceeded.
| | LMN_P
| REAL
| | 0.0
| PROPORTIONALITY COMPONENT / P-Component. Output " P-Component" contains the proportional component of the manipulated value.
| | LMN_I
| REAL
| | 0.0
| INTEGRAL COMPONENT / I-Component. Output " I-Component" contains the integral component of the manipulated value.
| | LMN_D
| REAL
| | 0.0
| DFCIVATIVE COMPONENT / D-Component. Output " D-Component" contains the differential component of the manipulated value.
| | PV
| REAL
| | 0.0
| PROCESS VARIABLE. The effective value of the " Process Variable" is available at this output.
| | FC
| REAL
| | 0.0
| FCROR SIGNAL / Error Signal. The effective error signal or difference is available at output " Error Signal".
|
Непрерывный контроль с использованием SFB 41 " CONT_C"
Внимание
Эти SFB это существует только в нескольких процессоров. Пожалуйста, обратитесь к руководству для вашего конкретного процессора, чтобы определить, является ли SFB требуется для интегрированных средств управления осуществляется вашего процессора.
Введение
SFB 41 используется для контроля технологических процессов автоматизации систем с непрерывным входных и выходных величин. Индивидуальные функции ПИД-регулятора может быть включена или отключается с помощью параметров для настройки контроллера к требованиям процесса управления.
Приложение
Контроллер может быть использован в качестве PID уставки контроллера, как самостоятельная единица управления или в нескольких конфигурациях цикла управления, как каскадные, комбинированной или пропорциональный регулятор. Его работа основана на алгоритме ПИД-контроля выборки регулятора с аналоговым выходным сигналам. Это может быть продлен на формирователь импульсов для генерации широтно-импульсной модуляции выходных сигналов, которые необходимы для включения-выключения контроля или три режима управления пропорциональных приводов.
Описание
В дополнение к функции для заданного и фактического значения филиалов, SFB 41 также включает в себя полный ПИД-регулятор с аналоговым выходом контрольно-переменных, а также ручные настройки для регулировки управляющей переменной.
В следующем описании содержится объяснение различных функций:
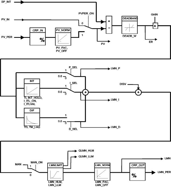
Set-точка ветвления
Уставки определяется как число с плавающей точкой отформатированные значения на входе SP_INT.
Фактическое значение филиал
Фактические значения могут быть поставлены в периферические или в формате с плавающей точкой.
Периферийные PV_PFC значение преобразуется в число с плавающей точкой от -100.... +100% К функции CRP_IN в соответствии со следующей формулой:
Выход CRP_IN = PV_PFC *
Функция PV_NORM может нормализовать выход CRP_IN в соответствии со следующей формулой:
Выход PV_NORM = (выход CRP_IN) * PV_FAC + PV_OFF
где PV_FAC предустановлен на 1 и PV_OFF 0.
Расчет разницы (ошибки) значения
Ошибка результате разницы между заданным значением и фактическим значением. Вполне возможно, что небольшое количество колебаний происходит за счет квантования контрольный переменных (например, PULSEGEN, когда широтно-импульсная модуляция используется). Для подавления этого колебания разницы значения проходят через зоны нечувствительности (гистерезис). Мертвая зона отключается при DEADB_W входной параметр установлен в 0.
PID-алгоритма
ПИД-алгоритм работает в качестве регулятора положения алгоритма, где пропорциональная, интегральная (INT) и дифференциальный часть (DIF) параллельны и могут быть включены или исключены индивидуально. Это может быть использовано для реализации P, PI, PD и ПИД-регуляторов, а также чистого Я контроллеров.
Ручное управление
Вы можете выбрать ручной или автоматический режим. В ручном режиме управления переменной отслеживается вручную значение.
Внутренне интегратор (INT) установлен в LMN - LMN_P - DISV и отличием (DIF) устанавливается в 0. Затем эти данные синхронизированы внутренне для обеспечения плавного перехода в автоматический режим.
Управление обработкой значения
LMNLIMIT функция ограничивает манипулировать значениями в диапазоне значений, которые могут быть установлены. Сообщение бита обеспечивают индикацию входных значений за допустимые пределы.
Выход LMNLIMIT можно нормировать функцию LMN_NORM в соответствии со следующей формулой:
LMN = (выход LMNLIMIT) * LMN_FAC + LMN_OFF
Были LMN_FAC предустановлен на 1 и LMN_OFF 0.
Так как управляющее значение также доступна в периферической формате с плавающей запятой LMN превращается в периферийный значение при помощи CRP_OUT функции:
LMN_PFC = LMN *
Добавление количество нарушений
Можно добавить количество нарушений или стоимости через вход DISV.
Инициализация
SFB 41 снабжен процедуру инициализации, которая выполняется при COM_RST входной параметр установлен в 1.
Инициализации устанавливает интегратор внутренне для инициализации значения, содержащиеся в I_ITVAL. Когда другой вызов интегратора выдается это продолжается на уровне циклического прерывания.
Все остальные выходы устанавливаются в их значения по умолчанию.
Информация об ошибках
Сообщение об ошибке словом RET_VAL не используется.

Input parameter description
| Parameter
| Data type
| Range
| Default
| Description
| | COM_RST
| BOOL
| | FALSE
| полный перезапуск
Блок снабжен процедуру инициализации, которая выполняется при входе COM_RST установлен.
| | MAN_ON
| BOOL
| | TRUE
| Вручную значение ON / включить ручное управление.Система управления с обратной связью прерывается при входе " ручного управления на" установлен.Управляющее значение задается в ручную значение.
| | PVPFC_ON
| BOOL
| | FALSE
| Процесс VARIABLE PFCIPHFCY ON / фактическое значение - переключатель на периферии. Чтобы узнать текущее значение с периферии, подключить вход PV_PFC к периферии и установить вход " фактическое значение - переключатель на периферии».
| | P_SEL
| BOOL
| | TRUE
| Пропорциональное действие ON / P-компонент включен.Различные действия ПИД-алгоритм может быть включена или отключена по отдельности.P-компонент включен, когда вход " Select P-компонента" установлен.
| | I_SEL
| BOOL
| | TRUE
| Интегральное действие ON / I-компонент включен.Различные действия ПИД-алгоритм может быть включена или отключена по отдельности.I-компонент включен, когда вход " Select I-компонента" установлен.
| | INT_HOLD
| BOOL
| | FALSE
| Интегральное действие HOLD / удерживать I-компонента. Вы можете заморозить выходное значение интегратора, установив вход " Hold I-компонентов".
| | I_ITL_ON
| BOOL
| | FALSE
| ИНИЦИАЛИЗАЦИЯ интегрального действия / установить I-компонента. Можно установить выходе интегратора для ввода I_ITLVAL значение. Установите вход " установлен I-компонент" для этой цели.
| | D_SEL
| BOOL
| | FALSE
| DFCIVATIVE ACTION ON / D-компонент включен.Различные действия ПИД-алгоритм может быть включена или отключена по отдельности.D-компонент включен, когда вход " Select D-Компонент" установлен.
| | CYCLE
| TIME
| > = 1ms
| T#1s
| Время выборки.Время выборки между вызовами блока должно быть постоянным. Input " Цикл" определяет время между различными вызовами блока.
| | SP_INT
| REAL
| -100.0...100.0 (%) or phys. value 1)
| 0.0
| INTFCNAL SETPOINT / Внутренние точки." Внутренняя уставка" вход определяет значение уставки.
| | PV_IN
| REAL
| -100.0...100.0 (%) or phys. value 1)
| 0.0
| Переменной процесса в / вход фактического значения." Переменной процесса в" вход может быть использован для настройки значение реализации или для подключения внешнего переменной с плавающей точкой процесса.
| | PV_PFC
| WORD
| | W#16#0000
| ПРОЦЕСС PFCIPHFCY VARIABLE / фактический периферической значение. Переменная процесса в периферических формате подключен к контроллеру через вход " фактически периферической значение".
| | MAN
| REAL
| -100.0...100.0 (%) or phys. value 2)
| 0.0
| Вручную значение. Input " Руководство значение" используется для определения значения ручного ввода через операционную и функции контроля.
| | GAIN
| REAL
| | 2.0
| Пропорционального усиления / пропорциональный коэффициент. Input " пропорционального усиления" определяет коэффициент усиления контроллера.
| | TI
| TIME
| > = CYCLE
| T#20s
| Сброс времени / Integration времени. Вход " Время интегрирования" определяет время отклика интегратора.
| | TD
| TIME
| > = CYCLE
| T#10s
| DFCIVATIVE TIME / Дифференциация времени. Input " Дифференциация время" определяет время отклика отличием.
| | TM_LAG
| TIME
| > = CYCLE/2
| T#2s
| Временным лагом в DFCIVATIVE АКЦИИ / времени задержки D-компонентов.Алгоритм D-компонент содержит временной лаг, который можно настроить через вход " временным лагом в D-компонентов".
| | DEADB_W
| REAL
| > = 0.0 (%) or phys. value 1)
| 0.0
| DEAD ширина полосы.Сигнал ошибки (разности) направляется через мертвую зону." Мертвые Ширина полосы" Input определяет величину мертвой зоны.
| | LMN_HLM
| REAL
| LMN_LLM...100.0 (%) or phys. value 2)
| 100.0
| Управляющее значение верхнего предела.Манипулировали значение всегда ограничена верхним и нижним значением. Input " управляющее значение верхнего предела" определяет верхний предел.
| | LMN_LLM
| REAL
| -100.0... LMN_HLM (%) or phys. value 2)
| 0.0
| Управляющее значение LOW LIMIT управляющей переменной всегда ограничена верхним и нижним значением. Input " управляющее значение Low Limit" определяет нижний предел.
| | PV_FAC
| REAL
| | 1.0
| Переменной процесса FACTOR.Значение подается на вход «Фактор переменной процесса" умножается на переменную процесса. Этот вход используется для регулировки диапазона процесса variable.es нижнего предела.
| | PV_OFF
| REAL
| | 0.0
| Процесс VARIABLE OFFSET.Значение подается на вход «Фактор переменная процесса" добавляется к переменной процесса. Этот вход используется для настройки диапазона переменной процесса.
| | LMN_FAC
| REAL
| | 1.0
| Манипулировали значение коэффициента.Значение подается на вход " управляющее значение фактора", умножается на управляющее значение. Этот вход используется для настройки диапазона переменной процесса.
| | LMN_OFF
| REAL
| | 0.0
| Управляющей переменной OFFSET.Значение входного " управляющее значение Offset" добавляется к управляющей переменной. Этот вход используется для настройки диапазона переменной процесса.
| | I_ITLVAL
| REAL
| -100.0...100.0 (%) or phys. value 2)
| 0.0
| Начального значения интегрального действия.Выход интегратора может быть установлено через вход I_ITL_ON.Инициализации значение подается на вход " Инициализация Значение I-компонентов".
| | DISV
| REAL
| -100.0...100.0 (%) or phys. value 2)
| 0.0
| Начального значения интегрального действия.Выход интегратора может быть установлено через вход I_ITL_ON.Инициализации значение подается на вход " Инициализация Значение I-компонентов".
| 1) Units of the parameter in the set-point and process variable branch must be identical. 2) Units of the parameter in manipulated value branch must be identical.
Description of the output parameters
| Parameter
| Data type
| Range
| Default
| Description
| | LMN
| REAL
| | 0.0
| Управляющее значение.Эффективное управляющее значение доступно в форме плавающая точка на выходе " управляющее значение".
| | LMN_PFC
| WORD
| | W#16#0000
| Манипулировали PFCIPHFCY VALUE / управляющее значение Периферии.Управляющее значение в периферической формате доступна на выход " управляющее значение Периферия" и подключен к контроллеру.
| | QLMN_HLM
| BOOL
| | FALSE
| Верхний предел управляющее значение достигнуто.Манипулировали значение всегда ограничена верхним и нижним значением. Выход " верхний предел управляющее значение достигнуто" сигналы о том, что верхний предел был превышен.
| | QLMN_LLM
| BOOL
| | FALSE
| Нижний предел управляющее значение достигнуто.Манипулировали значение всегда ограничена верхним и нижним значением. Выход " нижнего предела управляющее значение достигнуто" сигналы о том, что нижний предел был превышен.
| | LMN_P
| REAL
| | 0.0
| Пропорциональности COMPONENT / P-компонента. Выход " P-компонента" содержит пропорциональный компонент управляющей переменной.
| | LMN_I
| REAL
| | 0.0
| Неотъемлемого компонента / I-компонента. Выход " I-компонента" содержит составной частью управляющей переменной.
| | LMN_D
| REAL
| | 0.0
| DFCIVATIVE COMPONENT / D-компонентов. Выход " D-Компонент" содержит дифференциальный компонент управляющей переменной.
| | PV
| REAL
| | 0.0
| Переменной процесса.Эффективное значение " переменной процесса" можно ознакомиться на этот выход.
| | FC
| REAL
| | 0.0
| FCROR SIGNAL / сигнал ошибки.Полезного сигнала ошибки или разницы можно получить на выходе " сигнал ошибки".
|
|