Студопедия

Главная страница Случайная страница

КАТЕГОРИИ:

АвтомобилиАстрономияБиологияГеографияДом и садДругие языкиДругоеИнформатикаИсторияКультураЛитератураЛогикаМатематикаМедицинаМеталлургияМеханикаОбразованиеОхрана трудаПедагогикаПолитикаПравоПсихологияРелигияРиторикаСоциологияСпортСтроительствоТехнологияТуризмФизикаФилософияФинансыХимияЧерчениеЭкологияЭкономикаЭлектроника






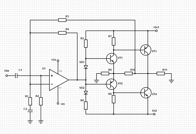
Разработка и описание принципиальной схемы устройства






 
 


Входной каскад функциональной схемы должен обеспечивать требую­щееся по ТЗ входное сопротивление и подачу сигнала отрицательной обрат­ной связи. Это можно осуществить, подавая входной сигнал на неинверти- рующий вход операционного усилителя (входное сопротивление операцион­ных усилителей составляет не менее 1 МОм), а сигнал обратной связи - на ин­вертирующий вход, где он будет автоматически вычитаться из входного сигнала, то есть окажется сигналом отрицательной обратной связи. В качестве каскада промежуточного усиления поставим операционный усилитель общего применения средней точности. Такие усилители дёшевы и имеют широкую полосу усиливаемых частот при достаточно большом коэф­фициенте усиления. Операционный усилитель следует включить по типовой схеме с питанием от двух разнополярных источников напряжения.

 

 

В качестве выходного каскада используем двухтактный каскад с транзи­сторами разной проводимости, включёнными по схеме с общим эмиттером, имеющий коэффициент усиления больше единицы. Такой каскад с питанием от двух разнополярных источников с повышенным напряжением обеспечит требуемую амплитуду напряжения и тока в нагрузке.

 

С учётом изложенного принципиальная схема усилителя мощности представлена на рис.2.

 

 

 

Рис.2. Принципиальная схема усилителя мощности.

 

 

Выходной двухтактный каскад состоит из двух симметричных плеч:

Плечо, состоящее из элементов VD , R , VT , R И VT усиливает поло­жительную полуволну напряжения сигнала, поступающего с выхода опера­ционного усилителя.

 
 

 


Второе плечо из элементов VD , R , VT , R и VT уси­ливает отрицательную полуволну. Диоды VD и VD2 обеспечивают режим усиления класса АВ и одновременно компенсируют температурный дрейф напряжений между эмиттером и базой транзисторов VT и VT . Резисторы R и R обеспечивают прямой ток диодов VD и VD2, примерно равный эмиттерному току транзисторов VT и VT2, чтобы компенсация температурного дрейфа была наиболее эффективной. Резисторы R и R являются коллектор­ной нагрузкой транзисторов VT и VT2, на которой выделяются усиленные напряжения. Резисторы R и R составляют цепь местной отрицательной об­ратной связи, стабилизирующей режим работы транзисторов выходного каскада. Резистор Rн- есть заданное сопротивление нагрузки.

 

 

Каскад промежуточного усиления состоит из операционного усилителя U и элементов С , С2- и R -R . Конденсатор С отсекает постоянную со­ставляющую входного сигнала. Кроме того оба конденсатора ограничивают полосу пропускания всего усилителя снизу. Резисторы R и R составляют цепь общей отрицательной образной связи всего усилителя. Резистор R состоит в цепи местной обратной связи операционною усилителя. Резистор R ус­тановлен для создания необходимого входного сопротивления схемы.

 

 
 


3.Расчёт элементов и параметров принципиальной схемы

 

3.1 Расчёт элементов и параметров выходного каскада

 

 

Напряжение питания должно быть не менее

, где n- число транзисторов в выходном каскаде.

Выбираем

Максимальная мощность, которую будет отбирать выходной каскад от источника питания , равна

 

 

Следовательно, максимальная мощность рассеяния каждого транзистора VT и VT должна быть равна:

Р

 

 

По найденным параметрам выбираем мощные транзисторы типа КТ817Б и КТ816Б[1] с параметрами, помещенными в табл. 1:

 

Наименование параметра КТ816Б КТ817Б Значение в схеме  
Максимальный ток коллектора     > 1, 27
Максимальное допустимое напряжение между коллектором и эмиттером     > 24
Максимальная мощность, рассеиваемая на коллекторе     > 4, 8
Статический коэффициент передачи тока в схеме с общим эмиттером     > 2…2, 5
Минимальное напряжение между коллектором и эмиттером     < 2, 5
Граничная частота в схеме с общим эмиттером     > 20*2
Емкость коллектора      

 

 
 


Вычисляем предельное значение тока коллектора:

 

Все ограничительные условия для выбранных транзисторов осуществляются.

 

Определяем максимальную величину тока базы выходного транзистора:

 

 

Рассчитываем максимальное падение напряжения на переходе база-эмиттер выходного транзистора при типовых значениях =0, 75 и =0, 2 по формуле:

 

Ток через коллекторный резистор транзистора промежуточного каскада усиления выбираем равным удвоенному значению тока оконечного транзистора:

 

 

 
 


Тогда сопротивления коллекторных резисторов этих транзисторов будут равны: .

 

Выбираем из справочника 2 резистор типа С2-33 5% R₇ =R₈ =6, 8Ом

Мощность, которую должен рассеивать транзистор промежуточного каскада, равна:

По этому значению выбираем транзисторы промежуточного каскада типа КТ503А (n-p-n) и КТ502А (p-n-p) 1, имеющие одинаковые параметры, помещенные в табл. 2:

 

Наименование параметра КТ502А, КТ503А Значение в схеме
Максимальный ток коллектора Iк    
Максимальное допустимое напряжение между коллекторами и эмиттером    
Максимальная мощность, рассеиваемая на Коллекторе    
Статистический коэффициент передачи тока в схеме с общим эмиттером 40…120 2..2, 5
Минимальное напряжение между коллектором и эмиттером   2, 5
Граничная чистота в схеме с ОЭ   20*2
Ёмкость коллектора, пФ    

 

 

Подсчитываем величину максимально возможного коэффициента усиления по напряжению:

 

Задаем величиной коэффициента усиления по напряжению каскада усиления мощности с обратной связью

Тогда величина напряжения сигнала, поступающего на вход промежуточного каскада, будет равна:

 

и

Входное сопротивление транзистора промежуточного каскада равно:

 

Из полученных данных определяем величины резисторов в цепи эмиттера и обратной связи оконченного каскада усилителя мощности

и

Выбираем из справочника [2] R₉ =R₁ ₀ =68Ом

Максимальный базовый ток транзистора VT₁ равен:

Задаемся током делителя из резисторов R₅ и R₆, равным утроенному значению тока …. И рассчитываем значения R₅ и R₆, полагая падение напряжения на диоде

Выбираем из справочника [2] R₅ и R₆ =6, 2кОм

По полученным данным выбираем [1] диод типа КД521Г c параметрами:

 

- прямой ток максимальный, мА……………..50

- обратное напряжение максимальное, В……30

- время восстановления, нс…………………….4

 

3.2Расчет элементов и параметров каскада промежуточного усиления

 

 

Каскад промежуточного усиления должен обеспечивать размах выходного напряжения на нагрузке сопротивлением

 

в полосе частот (20-20)10 при входном сигнале 30 мВ и входном сопротивлении 110кОм.

Если учесть, что параметры усилителя могут изменяться при изменении температуры окружающей среды, то необходимо иметь коэффициент усиления по напряжению в несколько раз больше минимального значения:

Предъявленным условиям должен удовлетворять быстродействующий широкополосный операционный усилитель типа К154УД4[1], имеющий следующие параметры:

 

Таблица 3

Наименование параметра К154УД4
Напряжение питания
Напряжение смещения 6
Входной ток  
Выходное напряжение 11
Коэффициент усиления  
Коэффициент подавления синфазного сигнала  
Входное сопротивление  
Потребляемая мощность  
Частота единичного усиления  

 

 

Коэффициент усиления ОУ на постоянном токе составляет или .Так как крутизна спада АЧХ ОУ составляет 20 дБ/дек, то это означает, что при увеличении частоты сигнала в 10 раз коэффициент усиления (начиная с некоторой частоты) будет падать ровно в 10 раз и на частоте f₁ =20МГц достигнет значения

Таким образом, на частоте f₁ =20МГц - ; на f₂ =2МГц- ; на f₃ =200МГц- ; на f₄ =2МГц- и так далее до достижения частоты, на которой будет достигнут максимальный коэффициент усиления .Процесс изменения коэффициента усиления наглядно отражается на его АЧХ, построенной в логарифмическом масштабе на рис. 3

 
 

 


 

 

Рис.3.АЧХ операционного усилителя типа К154УД4

 

Из АЧХ выбранного ОУ следует, что на верхней частоте усиливаемого сигнала fв= 20кГц коэффициент усиления напряжения ОУ равен приблизи­тельно 750, то есть имеется запас по этому параметру, минимальное значение

которого равно .

Значение сопротивления резистора R₂ выбираем исходя из заданного в ТЗ значения входного сопротивления:

откуда

 

Выбираем из справочника [2] R 2 = 120 кОм.

Для того чтобы уменьшить влияние входных токов ОУ, следует выбрать сопротивление резисторов (если их несколько, то их параллельное соедине­ние), подключённых к каждому входу, приблизительно одинаковыми. Исхо­дя из этого условия и полагая, что установка сопротивления местной обрат­ной связи R₄ не эффективна, так как запас по коэффициенту усиления неве­лик, выбираем значение сопротивления общей обратной связи R₃ =R₂ =120 кОм.

 

Формулакоэффициента усиления всего усилителя мощности, охвачен­ного общей отрицательной обратной связью, имеет следующий вид:

 

 

Из этой формулы находим значение R₁:

 

 

 

Выбираем из справочника [2] R1 = 270 Ом.

Сопротивление местной отрицательной обратной связи выбираем вдвое

большим сопротивления R₃ =R₄ = 240 кОм.

Полагая отклонение сопротивления резисторов равным 10%, подсчиты­ваем нестабильность коэффициента усиления:

 
 


Задаёмся отклонением сопротивлений 5%:

 

 

При использовании резисторов в цепи обратной связи с отклонениями 5% требования к стабильности усилителя соблюдаются.

 

3.3Расчёт и выбор номиналов резисторов и конденсаторов

 

Номинальные значения всех резисторов выбраны в предыдущих разде­лах. Осталось определить их по мощности, допуску и типу.

Полагаем, что допуски всех резисторов, кроме резисторов общей обрат­ной связи равны 5%, а допуск на резисторы общей обратной связи должен быть меньше - 2%.

Мощность рассеяния резистора определяется по формуле:

 

 

Все расчёты и данные резисторов сведены в табл. 4

Обозначение Номинал Допуск Тип
R₁ 270 Ом 30мВ 3, 3мкВт 0, 125Вт 1% С2-29
R₂ 120кОм 30мВ 75 мкВт 0, 125Вт 5% С2-33
R₃ 120кОм 13, 4В 1, 5мВт 0, 125Вт 1% С2-29
R₄ 240кОм 6, 7В 0, 187мВт 0, 125Вт 5% С2-33
R₅ 6, 2кОм 23, 4В 88 мВт 0, 125Вт 5% С2-33
R₆ 6, 2кОм 23, 4В 88мВт 0, 125Вт 5% С2-33
R₇ 6, 8Ом 100мА 6, 8мВт 0, 125Вт 5% С2-33
R₈ 6, 8Ом 100мА 6, 8мВт 0, 125Вт 5% С2-33
R₉ 68Ом 6, 7В 0, 66Вт 1Вт 5% С2-33
R₁ ₀ 68Ом 6, 7В 0, 66Вт 1Вт 5% С2-33

 

 

Значения емкостей разделительного и блокировочного конденсаторов С₁ и С2 рассчитываются исходя из допустимых частотных искажений на нижней

частоте входного сигнала.

Коэффициент влияния на частотные искажения в случае применения од­ного разделительного и одного блокировочного конденсаторов определяется исходя из заданного коэффициента искажений Мн = следующим обра­зом:

 

 

 

Ёмкость разделительного конденсатора определяется по формуле:

 

 

 

 
 


Ёмкость блокировочного конденсатора определяется по формуле:

 

 

 

Выбираем из справочника С₁ =220пФ, С₂ =62нФ типа К50-35-25В

 

 


Поделиться с друзьями:

mylektsii.su - Мои Лекции - 2015-2026 год. (2.807 сек.)Все материалы представленные на сайте исключительно с целью ознакомления читателями и не преследуют коммерческих целей или нарушение авторских прав Пожаловаться на материал