Студопедия

Главная страница Случайная страница

КАТЕГОРИИ:

АвтомобилиАстрономияБиологияГеографияДом и садДругие языкиДругоеИнформатикаИсторияКультураЛитератураЛогикаМатематикаМедицинаМеталлургияМеханикаОбразованиеОхрана трудаПедагогикаПолитикаПравоПсихологияРелигияРиторикаСоциологияСпортСтроительствоТехнологияТуризмФизикаФилософияФинансыХимияЧерчениеЭкологияЭкономикаЭлектроника






Методические указания. Передаточная функция системы W(s) – это отношение изображения по Лапласу сигнала на выходе к изображению по Лапласу сигнала на входе при нулевых начальных






Передаточная функция системы W (s) – это отношение изображения по Лапласу сигнала на выходе к изображению по Лапласу сигнала на входе при нулевых начальных условиях.

Чтобы перейти от передаточной функции к дифференциальному уравнению системы, нужно перейти из области изображений по Лапласу во временную область. Из (1) следует

;

.

Для перехода во временную область воспользуемся формальными правилами:

.

Тогда дифференциальное уравнение системы имеет вид:

. (2)

Характеристическое уравнение системы определяется знаменателем передаточной функции:

.

Корни данного многочлена (нелинейного уравнения) , , можно определить следующими методами:

- методом половинного деления;

- методом Ньютона;

- методом секущих;

- методом простых итераций.

Далее передаточная функция системы записывается в форме нулей и полюсов. Затем разлагаем передаточную функцию на сумму простых слагаемых, используем метод неопределенных коэффициентов.

Полученную СЛАУ решаем одним из следующих методов:

- методом Гаусса;

- методом простых итераций.

В итоге записываем передаточную функцию с учетом найденных коэффициентов.

Импульсная переходная характеристика w (t) – это процесс изменения сигнала на выходе при подаче на вход δ - функции. Ее можно найти в результате обратного преобразования Лапласа, примененного к каждому слагаемому передаточной функции.

В соответствии с таблицами соответствия . Проведем преобразование .

Переходная характеристика h (t) – это процесс изменения сигнала на выходе системы при подаче на вход единичного ступенчатого воздействия. Преобразование по Лапласу l(t) это , следовательно, .

Переходную характеристику можно также вычислить следующим образом:

.

Данный интеграл вычисляется одним из следующих методов:

- методом трапеций;

- методом Симпсона.

Построение асимптотических ЛАХ и ФЧХ.При определении частотных характеристик подразумевается, что на входе и выходе системы сигналы являются гармоническими.

Амплитудно-частотная характеристика (АЧХ) показывает, как изменяется отношение выходного сигнала к входному в зависимости от частоты. Фазочастотная характеристика (ФЧХ) показывает изменение сдвига фаз между входным и выходным сигналами в зависимости от частоты.

ЛАЧХ строится в двойных логарифмических шкалах. По одной логарифмической оси откладывается круговая частота w, по другой значение L (w) = 20lg K, выраженное в децибелах. Асимптотическая ЛАЧХ состоит из отрезков прямых линий с наклонами кратными 20 дБ/дек.

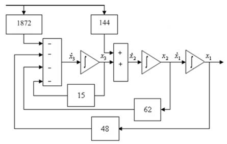
Кроме входных и выходных переменных при описании систем выделяют переменные x, связанные с внутренней структурой устройства, – переменные состояния. Тогда систему можно описать с помощью уравнений состояния.

Нормальная форма уравнений состояния имеет вид:

. (3)

Здесь А – квадратная матрица определенного вида, размер которой определяется порядком дифференциального уравнения. Элементы, стоящие над главной диагональю – единицы, элементы нижней строки – коэффициенты левой части дифференциального уравнения, взятые с противоположным знаком. Все остальные элементы – нули. Такая матрица называется матрицей Фробениуса:

.

Элементы матриц B и D вычисляются по рекуррентным соотношениям.

Подставив в (3) рассчитанные матрицы, получим систему дифференциальных уравнений 1-го порядка.

На основе полученной системы строим схему модели, например:

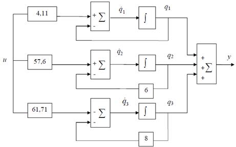
Запишем уравнения состояния в канонической форме. Для этого введем новую переменную состояния q, которая связана с переменной состояния x следующим образом: х = М q. М – это модальная матрица, которая имеет вид:

,

где - характеристические числа матрицы Фробениуса.

При подстановке q вместо x в нормальную форму уравнений состояния (3) получим уравнения состояния системы в канонической форме:

Здесь:

;

;

;

.

Подставив найденные значения матриц в (4), получим систему дифференциальных уравнений 1-го порядка относительно q.

На основе полученной системы строим схему модели, например:

Найдем решение y (t) для системы уравнений в нормальной форме, если заданы начальные условия.

Решение уравнения состояния складывается из двух составляющих x (t) = x 1(t) + x 2 (t) – свободной и вынужденной.

Свободная составляющая x1 (t) – это общее решение дифференциального уравнения системы с нулевой правой частью. Оно не зависит от внешнего воздействия и характеризует естественное поведение системы.

Вынужденная составляющая x 2(t) – это частное решение дифференциального уравнения с ненулевой правой частью. Оно зависит от сигнала u (t) и характеризует поведение системы под его воздействием.

Решение уравнения состояния имеет вид:

,

где - фундаментальная матрица или матрица перехода.

Она вычисляется по следующей формуле:

,

где - неизвестные коэффициенты.

Вычислить их можно, решая матричное уравнение:

.

Найдем решение уравнений состояния, представленных в канонической форме (4). Каждое из дифференциальных уравнений первого порядка зависит только от одной переменной, и его решение в общем виде имеет вид:

.

Проверяем решение нормальных и канонических уравнений.

Проверим, одинаково ли значение коэффициента усиления: по передаточной функции, переходной характеристике, моделям в пространстве состояний, аналитической записи импульсной переходной характеристики.

После проверки делаем соответствующие выводы.


Поделиться с друзьями:

mylektsii.su - Мои Лекции - 2015-2026 год. (0.736 сек.)Все материалы представленные на сайте исключительно с целью ознакомления читателями и не преследуют коммерческих целей или нарушение авторских прав Пожаловаться на материал