Студопедия

Главная страница Случайная страница

КАТЕГОРИИ:

АвтомобилиАстрономияБиологияГеографияДом и садДругие языкиДругоеИнформатикаИсторияКультураЛитератураЛогикаМатематикаМедицинаМеталлургияМеханикаОбразованиеОхрана трудаПедагогикаПолитикаПравоПсихологияРелигияРиторикаСоциологияСпортСтроительствоТехнологияТуризмФизикаФилософияФинансыХимияЧерчениеЭкологияЭкономикаЭлектроника






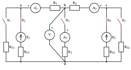
Исследование электрического состояния цепи с одним источником






Питания.

 

Таблица 1.1.

№ п/п Параметры схемы Результаты измерений Результаты вычислений
R1 R3 R'2 Uad Uab Ubd I1 I2 I3 RЭ P1 P3 P'2 P
Ом Ом Ом В В B A A A Ом Вт Вт Вт Вт
              0, 9 0, 75 0, 75 15, 71 8, 1 4, 5 11, 25 12, 725
        9, 5 3, 5   0, 4 0, 4 0, 75 15, 71 1, 6 4, 5 3, 2 2, 513
        0, 5 2, 5 0, 2 0, 3 -0, 1 0, 2 15, 71 0, 9 0, 32 0, 2 1, 413
      12, 5     4, 9 0, 4 -0, 4 0, 6 14, 87 1, 6 2, 88   2, 379
      12, 5         -0, 6 0, 4 14, 87   1, 28 4, 5 14, 87

Примечание:

 

 

; ; ; ;

 

Зависимости I 1, Ubd, Uab = f (Uad)

Зависимости I 1, I 3, Uab = f (I 2)

Выводы: ___________________________________________________________

________________________________________________________________________________________________________________________________________________________________________________________________________________________________________________________________________________________________________________________________________________________________________________________________________________________________________________

Экспериментальная проверка принципа наложения.

Схема для строки №1 таблицы 1.2 Схема для строки №2 таблицы 1.2

 

 

Схема для строки №3 таблицы 1.2

Таблица 1.2.

Режим I1 I2 I3 Uad Uab Ubd Uсd U φ a φ b φ c φ d
Подключены A A A B B B B B B B B B
  Е1, Е2                        
  Е1                        
  Е2                        

Вывод: __________________________________________________________________________________________________________________________________________________________________________________________________________________________________________________________________________________________________________________________________________________________________

Экспериментальное исследование выделения максимальной

Мощности в сопротивлении нагрузки активного двухполюсника.

 

 

 

Рис. 1

 

 

Таблица 1.4

I 3, А   0.1 0.2 0.3 0.4 0.5 0.6 0.7 0.8 0.9 1.0 1.1 1.2 1.3 1.4 1.5 1.6 1.7 1.8 1.9 2.0
Ubd, В                                          
R 3, Ом                                          
P 3, Вт                                          

 

 

Вывод: __________________________________________________________________________________________________________________________________________________________________________________________________________________________________________________________________________________________

Экспериментальная проверка метода эквивалентного генератора.

;

 

 

Измерено Вычислено
Ubd I3 R3 Uxx IK3 RBX I3
B A Ом В А Ом А
             

Результаты

сравнения: ______________________________________________________________________________________________________________________________________________________________________________________________________________________________________________________________________________________


Поделиться с друзьями:

mylektsii.su - Мои Лекции - 2015-2026 год. (2.042 сек.)Все материалы представленные на сайте исключительно с целью ознакомления читателями и не преследуют коммерческих целей или нарушение авторских прав Пожаловаться на материал