Студопедия

Главная страница Случайная страница

КАТЕГОРИИ:

АвтомобилиАстрономияБиологияГеографияДом и садДругие языкиДругоеИнформатикаИсторияКультураЛитератураЛогикаМатематикаМедицинаМеталлургияМеханикаОбразованиеОхрана трудаПедагогикаПолитикаПравоПсихологияРелигияРиторикаСоциологияСпортСтроительствоТехнологияТуризмФизикаФилософияФинансыХимияЧерчениеЭкологияЭкономикаЭлектроника






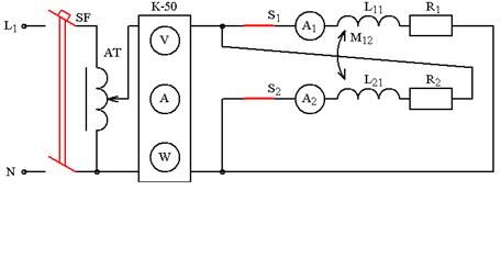
Индуктивности.






 

 

 

Таблица 4.2.

Измерено Вычислено
U1 I1 P1 U2 I2 P2 Xсогл. Xвстр. XM M KCB
В A Вт В А Вт Ом Ом Ом - Ом
                     

 

 

 

Параллельное соединение двух магнитосвязанных катушек

Индуктивности

 

 

Таблица 4.3.

Измерено Вычислено Примечание
U I I1 I2 P P1 P2 R UK UR
В А А А Вт Вт Вт Ом В В
                      Соединение по рис. 4.1
                     
                     
                     
                     
                      Соединение по рис. 4.1
                     
                     
                     
                     

 

 

Лабораторная работа № 5

Исследование трёхфазной цепи при соединении

Однофазных электрических нагрузок звездой

Цель работы

1. Изучение закономерностей изменения токов, напряжений и мощностей

в трёхфазной цепи, соединённой “звездой” с нейтральным проводом и

без него.

2. Определение роли нейтрального провода.

3. Исследование характеристик параметрического источника тока.

 

1. Исследование основных свойств трёхфазной цепи при соединении


Поделиться с друзьями:

mylektsii.su - Мои Лекции - 2015-2026 год. (1.204 сек.)Все материалы представленные на сайте исключительно с целью ознакомления читателями и не преследуют коммерческих целей или нарушение авторских прав Пожаловаться на материал