Студопедия

Главная страница Случайная страница

КАТЕГОРИИ:

АвтомобилиАстрономияБиологияГеографияДом и садДругие языкиДругоеИнформатикаИсторияКультураЛитератураЛогикаМатематикаМедицинаМеталлургияМеханикаОбразованиеОхрана трудаПедагогикаПолитикаПравоПсихологияРелигияРиторикаСоциологияСпортСтроительствоТехнологияТуризмФизикаФилософияФинансыХимияЧерчениеЭкологияЭкономикаЭлектроника






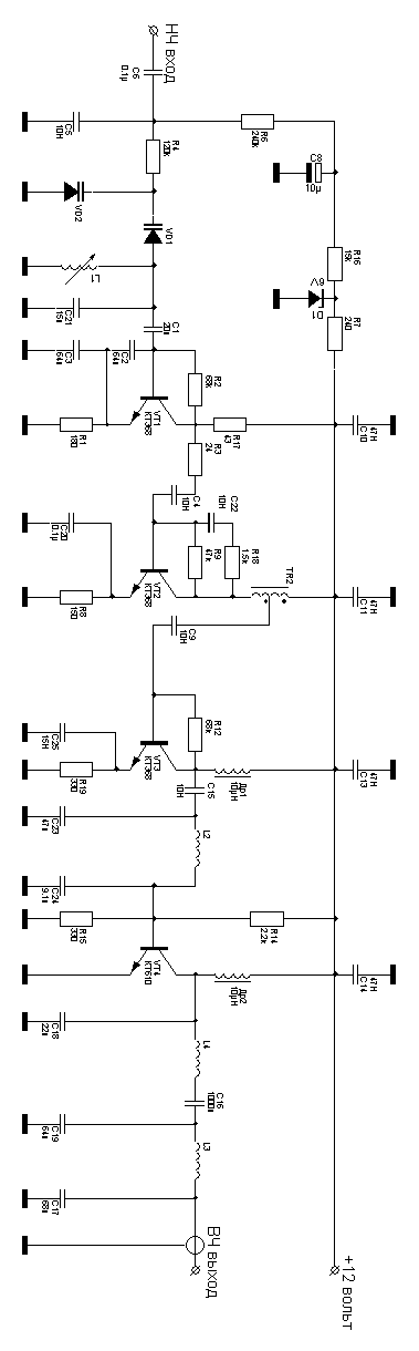
Скачать схему с хорошим разрешением






ПРИМЕНЯЕМЫЕ ДЕТАЛИ И МОТОЧНЫЕ УЗЛЫ.

В устройстве применяются резисторы МЛТ-0.125, конденсаторы керамические - миниатюрные, варикапы на ВЧ диапазон (неплохо применить варикапную матрицу из УКВ приемника). Дроссели наматывают проволокой диаметром 1 мм на сердечнике из феррита, количество витков около 7...8. Трансформатор TR2 мотается тонким МГТФ проводом, на ферритовом ВЧ кольце (к примеру от коллективных ТВ антенн). Берём два провода слегка скручиваем и наматываем 3...5 витков на кольцо. В результате имеем четыре свободных конца, по два на каждый провод. Соединяем конец одного провода с началом другого, при этом получаем центральный отвод с которого в дальнейшем снимаем ВЧ сигнал на последующий каскад, два других конца подключаем к питанию и коллектору (какой вывод подключать к питанию, а какой к коллектору - безразлично). Катушка L1 в колебательном контуре генератора наматывается в 4...6 витков на каркасе от приемника(типа радиостанции Мещера или Электроника) диаметр каркаса 3...4 мм, провод диаметром 0.6...0.8мм,. Катушку L1 и конденсатор C21 необходимо поместить в металлический экран. Катушка L2 мотается без каркаса проводом диаметра 0.6...08мм, диаметр намотки 3...5 мм, количество витков 6...9. Катушка L4 и L5 имеет 7 витков, катушки без каркаса, диаметр катушки 3...5 мм, диаметр провода 0.6...0.8 мм.

ПРОЦЕСС СБОРКИ И НАЛАДКА КАСКАДОВ

Сборку задающего генератора начинаем со схемы стабилизации питания напряжения смещения варикапов, собранную на стабилитроне D1. Затем собираем сам задающий генератор на транзисторе VT1 и элементах его обвески, так же впаиваем колебательный контур. Далее включаем питание и начинаем смотреть ВЧ вольтметром на коллекторе присутствие ВЧ колебаний. Если колебания присутствуют, то начинаем настраивать колебательный контур, на нужную нам частоту. В случае отсутствия колебаний на коллекторе придется подобрать номиналы C1, C2, C3, R1, R2, R17. Возможно в причине отсутствия генерации виновата варикапная матрица, у нее может быть слишком большая емкость, в этом случае включите в разрыв между контуром и варикапами конденсатор на 10...30 пФ, и в точке соединения варикапов и конденсатора подключите резистор на 30 кОм другой конец резистора подсоедините к земле. После того как получили генерацию постарайтесь подобрать емкость C1, таким образом чтобы ее емкости хватало для надежного запуска генератора, и в то же время она не была слишком большой (обычно достаточно 5...15 пФ). Каскад усиления на VT2 как правило при правильной сборке предыдущего и этого каскада, в настройке не нуждается. Доказательством работы каскада служит наличие более высокого напряжения на выводе трансформатора, чем на выходе задающего генератора. Резисторами R9, R8 нужно выставить на базе половину напряжения питания, это для наличия на выходе более симметричного напряжения и как следствие уменьшения гармоник. Резистор R3 подбирают из условия оптимальности усиления на выводе трансформатора и влияния на стабильность частоты при изменении нагрузке каскада на VT2. Далее собираем каскад на VT3 и смотрим наличие усиления ВЧ вольтметром на коллекторе. Следом впаиваем транзистор VT4 и запаиваем все оставшиеся контура фильтров L2, L3, L4, C15, C16, C17, C18, C19, C23, C24, и всю обвеску для этих транзисторов. На выход (точка соединения C17 с L3) подключаем ВЧ нагрузку 50 Ом и параллельно ей ВЧ вольтметр, потом начинаем настраивать контура по максимум напряжения на выходе. Контура во время настройки удобно настраивать ферритовым и латунным сердечником, всовывая их по очереди смотрим на вольтметр и например если при всовывании феррита напряжение возросло то в дальнейшем сжимаем этот контур, а если при всовывании латунного сердечника напряжение возросло, то контур растягиваем. Если пределов растягивания и сжатия не хватает, то придется увеличить или уменьшить емкости входящие в этот колебательный контур. В конце попробуйте подобрать оптимальную рабочую точку путем подбора резисторов идущих на базы двух последних транзисторов, в оптимальном режиме мощность на выходе будет максимальна. В процессе настройки может возникнуть возбуждение каскадов, попробуйте повесить RC цепочку с коллектора на базу, подобную как в VT2 (C22, R18). Возбуждение можно контролировать по наличию паразитных колебаний вне частоты колебания задающего генератора. Так же в случае возникновения возбуда попробуйте повесить блокировочные конденсаторы по питанию и применить экранировку каскадов, контуров и т.п.

Далее приведу несколько фотографий задающего генератора со снятой задней и передней крышкой.

 

Задающий генератор - вид со стороны расположения радиоэлементов.

 

Передатчик на 3 Ватта


Поделиться с друзьями:

mylektsii.su - Мои Лекции - 2015-2026 год. (2.294 сек.)Все материалы представленные на сайте исключительно с целью ознакомления читателями и не преследуют коммерческих целей или нарушение авторских прав Пожаловаться на материал