Студопедия

Главная страница Случайная страница

КАТЕГОРИИ:

АвтомобилиАстрономияБиологияГеографияДом и садДругие языкиДругоеИнформатикаИсторияКультураЛитератураЛогикаМатематикаМедицинаМеталлургияМеханикаОбразованиеОхрана трудаПедагогикаПолитикаПравоПсихологияРелигияРиторикаСоциологияСпортСтроительствоТехнологияТуризмФизикаФилософияФинансыХимияЧерчениеЭкологияЭкономикаЭлектроника






Порядок виконання роботи. 1). Ознайомитися з робочим місцем.






1). Ознайомитися з робочим місцем.

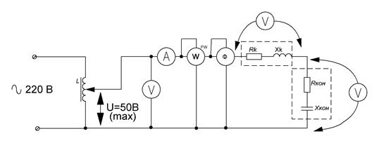
2). Зібрати схему згідно рис. 2.3.6. Оскільки напруга на окремих ділянках кола в режимі резонансу перевищує напругу мережі, остання при проведенні досліду повинна бути обмежена за допомогою автотрансформатора до 50 В.

3). Змінюючи ємність конденсаторів домогтися настання режиму резонансу. Режим резонансу можна визначати за показами фазометра () або амперметра (І=Імакс якщо активний опір контуру постійний).

4). Підтримуючи автотрансформатором напругу на вході кола незмінним, виміряти величини, вказані в таблиці 1(5-7 вимірювань, у т.ч. 2-3 в індуктивному режимі, 2-3 у режимі ємності і 1 - в режимі резонансу).

 
 

 


Рис. 2.3.6. Досліджувана схема

 

Дані вимірювань внести до таблиці 2.3.1.

 

Таблиця 2.3.1

Виміряно Обчислено
№ п/п U U U I P L C IR U cos
1.                      
2.                      
3.                      
4.                      
5.                      
6.                      
7.                      

Обробка результатів дослідів.

1). За даними приладів обчислити коефіцієнт потужності кола і порівняти його з дослідними значеннями.

2). Обчислити тільки для умови резонансу резонансну частоту і порівняти її з фактичною 314 .

3). Обчислити для умов резонансу хвильовий опір ρ і добротність контуру Q.

4). Обчислити реактивну складову напруги на котушці UL і порівняти її з Uкон (в режимі резонансу UL ≈ Uкон).

5). Побудувати в масштабі векторні діаграми струму і напруг у колі при індуктивному характері навантаження, характері ємності і резонансі.

6). Побудувати графіки .

 


Поделиться с друзьями:

mylektsii.su - Мои Лекции - 2015-2026 год. (0.882 сек.)Все материалы представленные на сайте исключительно с целью ознакомления читателями и не преследуют коммерческих целей или нарушение авторских прав Пожаловаться на материал