Студопедия

Главная страница Случайная страница

КАТЕГОРИИ:

АвтомобилиАстрономияБиологияГеографияДом и садДругие языкиДругоеИнформатикаИсторияКультураЛитератураЛогикаМатематикаМедицинаМеталлургияМеханикаОбразованиеОхрана трудаПедагогикаПолитикаПравоПсихологияРелигияРиторикаСоциологияСпортСтроительствоТехнологияТуризмФизикаФилософияФинансыХимияЧерчениеЭкологияЭкономикаЭлектроника






Порядок виконання роботи. 1). Ознайомитися з робочим місцем і характеристиками використовуваних приладів і апаратів.






1). Ознайомитися з робочим місцем і характеристиками використовуваних приладів і апаратів.

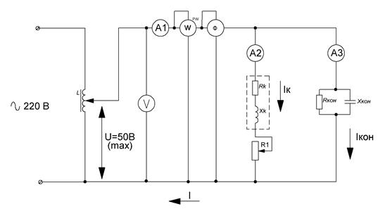
2). Зібрати схему згідно рис. 2.4.5. Для зміни Rк при постійному Хк послідовно з котушкою, ввімкнений реостат R1. Тоді Rк = Rк +R1

 

 

Рис. 2.4.5. Досліджувана схема

 

3). Змінювати ємність конденсаторів до настання резонансу при виведеному реостаті R і напрузі 50 В. Режим резонансу можна визначити за показами фазометра або амперметра.

4). Виконати вимірювання величин, вказаних в таблиці 1 (5-7 вимірювань, у тому числі 2-3 в індуктивному режимі і 2-3 в режимі ємності). Дані вимірювань внести до табл. 2.4.1.

5). У режимі резонансу, вводячи опір реостата, переконатися, що активний опір гілки з котушкою впливає на стан резонансу струмів (зробити 2 вимірювання при різних положеннях повзунка і занести в табл. 1, вписуючи в колонку Rк величину Rк+R1).

 

Таблиця 2.4.1

Виміряно Обчислено
  U I I I P L C R I
№ п/п В А А А Вт Г мкФ Ом - - - А
1.                        
2.                        
3.                        
4.                        
5.                        
6.                        
7.                        
8.                        
9.                        

 

 

Обробка результатів дослідів.

1). За показаннями приладів обчислити для кожного досліду коефіцієнт потужності кола . У режимі резонансу повинна виконуватися умова . Результати внести в табл. 2.4.1.

2). Обчислити реактивний струм в котушці Iр.к (табл. 2.4.1), котрий при резонансі повинен бути рівний (з точністю до декількох відсотків) реактивному (повному) струму в конденсаторі Iр.к = Ір.кон = Ікон.

Переконатися, що струми в гілках в режимі резонансу значно перевищують вхідний струм.

3). Обчислити для умови резонансу резонансну кутову частоту за формулою (2.4.3) і порівняти її з фактичною частотою.

4). Перевірити, що резонанс струмів одержаний, коли

5). Побудувати у масштабі три векторні діаграми струмів і напруг для досліду із змінною ємністю при індуктивному, ємнісному характері навантаження і резонансі. Для цього відкласти U і Ікон. Із кінців вектора Ікон зробити зарубки радіусом Ік і І та побудувати ці вектори.


Поделиться с друзьями:

mylektsii.su - Мои Лекции - 2015-2026 год. (2.926 сек.)Все материалы представленные на сайте исключительно с целью ознакомления читателями и не преследуют коммерческих целей или нарушение авторских прав Пожаловаться на материал