Студопедия

Главная страница Случайная страница

КАТЕГОРИИ:

АвтомобилиАстрономияБиологияГеографияДом и садДругие языкиДругоеИнформатикаИсторияКультураЛитератураЛогикаМатематикаМедицинаМеталлургияМеханикаОбразованиеОхрана трудаПедагогикаПолитикаПравоПсихологияРелигияРиторикаСоциологияСпортСтроительствоТехнологияТуризмФизикаФилософияФинансыХимияЧерчениеЭкологияЭкономикаЭлектроника






Порядок виконання роботи.






1). Ознайомитися з робочим місцем. Вивчити характеристики використовуваних приладів

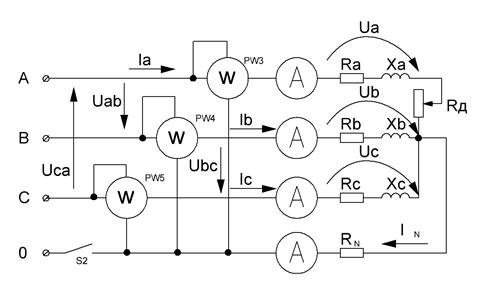
2). Зібрати схему з’єднання навантаження зіркою (рис. 2.6.3) при
симетричному режимі. Як навантаження взяти однакові котушки індуктивності.

3). Подати напругу 38 В і записати свідчення амперметрів, ватметрів і виміряти напруги відповідно до табл. 2.6.1.

4). Приєднати нейтральний дріт і переконатися, що струм в ньому близький до нуля. Записати значення струму.

5). Зібрати схему з’єднання приймачів зіркою з нейтральним дротом при неоднакових комплексних опорах фаз (рис. 2.6.4) (включити у фазу А додатковий резистор, зберігши котушки індуктивності колишніми, перемкнути ватметри, додавши третій у фазу С).

6). Виміряти струми, напруги і потужності відповідно до таблиці 2.6.2.

7). Від’єднати нейтральний дріт від і повторити вимірювання згідно табл. 2.6.2.

 

 

Рис. 2.6.3. Схема для дослідження симетричного режиму

 

 

 
 

 


Рис. 2.6.4. Схема для дослідження несиметричного режиму

 

Обробка результатів дослідів.

1). За даними табл. 2.6.1 обчислити необхідні величини і побудувати в масштабі векторну діаграму струмів і напруг. Потужність навантаження рахують по струму, напрузі і .

2). Перевірити співвідношення між лінійними і фазними напругами і струмами при симетричному режимі.

3). Перевірити точність вимірювання потужності (активної і реактивної) методом двох ватметрів.

4). За даними табл. 2.6.2 обчислити необхідні величини і побудувати векторну діаграму струмів і напруг для кола з нейтральним дротом.

5). Поясніть роль нейтрального дроту при несиметричному навантаженні.

 

Обчислено Qн вар  
Pн Вт  
cosФ -  
tgФ -  
Виміряно IN А  
P2 Вт  
P1 Вт  
IC А  
IB А  
IA А  
Uc В  
Ub В  
Ua В  
UCA В  
UBC В  
UAB В  
Режим Симетричний
Обчислено Фс гр    
cosФс      
Фв гр    
cosФв      
Фа гр    
cosФа      
Робщ Вт    
Виміряно P3 Вт    
P2 Вт    
P1 Вт    
IC А    
IB А    
IA А    
Uc В    
Ub В    
Ua В    
UCA В    
UBC В    
UAB В    
Режим Симетричний Несиметричний
           

 

       
 
   
 

 

 


Поделиться с друзьями:

mylektsii.su - Мои Лекции - 2015-2026 год. (6.053 сек.)Все материалы представленные на сайте исключительно с целью ознакомления читателями и не преследуют коммерческих целей или нарушение авторских прав Пожаловаться на материал