Студопедия

Главная страница Случайная страница

КАТЕГОРИИ:

АвтомобилиАстрономияБиологияГеографияДом и садДругие языкиДругоеИнформатикаИсторияКультураЛитератураЛогикаМатематикаМедицинаМеталлургияМеханикаОбразованиеОхрана трудаПедагогикаПолитикаПравоПсихологияРелигияРиторикаСоциологияСпортСтроительствоТехнологияТуризмФизикаФилософияФинансыХимияЧерчениеЭкологияЭкономикаЭлектроника






Лабораторна робота №10






Дослідження магнітних кіл.

 

Мета|ціль| роботи.

Зняти дослідним|дослідний| шляхом|колія, дорога| вебер-амперну| характеристику ділянки магнітного кола|цеп, ланцюг|; дослідити залежність основного|основний| магнітного потоку і потоку розсіяння від розміру повітряного зазору в магнітопроводі.

 

Основні|основний| теоретичні положення.|становище|

Досліджуване магнітне коло|цеп| складається з П-подібного нерухомого осердя|осердя| і рухомого|жвавий, рухливий| якоря, повітряний зазор між якими можна регулювати за допомогою спеціального гвинта і прокладок|прокладення| (рис. 2.10.1). Осердя|осердя| і якір зібрані|повизбирувані| з|із| листової електротехнічної сталі.

 
 

 

 


Рис. 2.10.1. Досліджуване магнітне коло

 

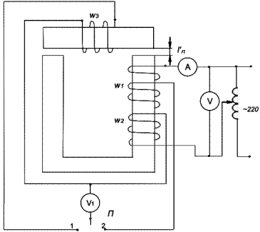
На осерді|осердя| розташовані|схильний| намагнічуюча обмотка w1| з|із| числом витків 720 і вимірювальна обмотка w2| (18 витків). Остання розташована|схильний| під обмоткою w1|. На якорі (рис. 2.10.2) є|наявний| вимірювальна обмотка W3| (18 витків).

При протіканні по намагнічуючій обмотці струму|тік| I в магнітопроводі збуджується магнітний потік Ф. Основна|основний| частина|частка| цього потоку замикається через магнітопровід і називається основним|основний| потоком Фо (рис. 2.10.1). Інша частина|частка| потоку замикається через повітря (штрихові лінії на рис. 2.10.1), її називають потоком розсіяння Фб.

У розрахунках магнітних кіл|цеп, ланцюг| без повітряних зазорів потоком розсіяння часто нехтують, оскільки|тому що| він складає декілька відсотків|процент| від основного|основний|. Але|та| в колах|цеп, ланцюг| з|із| повітряним зазором, що мають великий магнітний опір магнітному колу|цеп, ланцюг| Rм|, потоком розсіяння нехтувати не можна. Наприклад, в електричних машинах він складає до 25% основного|основний| потоку.

Оскільки|тому що| потік розсіяння Фб залежить від магнітного опору кола|цеп, ланцюг|, він, як і основний потік Фо при заданих розмірах і матеріалі магнітопровода є|з'являтися, являтися| функцією намагнічуючого струму|тік| і повітряного зазору lв|.

У даній роботі магнітні потоки Фо і Фб вимірюються при змінному|змінний| струмі|тік| промислової частоти. При протіканні у намагнічуючій котушці синусоїдального струму|тік| в осерді|осердя| збуджується синусоїдальний магнітний потік, який індукує у вимірювальних обмотках| синусоїдальну ЕРС|. Значення ЕРС| визначається за формулою, В:

 
 

 

 


Рис. 2.10.2. Намагнічуюча обмотка w1| і вимірювальна обмотка w2

 

, (2.10.1)

де f - частота мережі|сіть| (50 Гц); W - число витків; Фm| - амплітудне значення магнітного потоку, Вб.

Для вимірювання|вимір| у вимірювальних обмотках| ЕРС| застосовуються вольтметри, що мають великий внутрішній опір і практично не споживають струм|тік| з|із| кола|цеп, ланцюг|. Тоді можна вважати|лічити|, що напруга|напруження|, вимірювана вольтметром, рівна ЕРС|, що наводиться в обмотці, оскільки|тому що| падіння напруги|напруження| в обмотці близьке|поблизу| до нуля|нуль-індикатор, нуль-множина, нуль-последовність, нуль-елемент|.

Слід підкреслити, що метод визначення магнітного потоку за формулою (2.10.1) наближений, оскільки|тому що| він припускає|передбачати| наявність в магнітопроводі синусоїдального магнітного потоку, а в намагнічуючій обмотці - синусоїдального струму|тік|.

Насправді внаслідок|внаслідок| нелінійності ВАХ| котушки|катушка| з|із| феромагнітним|феромагнітний| осердям|осердя| струм|тік| у колі|цеп, ланцюг| несинусоїдальний. У даній роботі несинусоїдальністью| струму|тік| і магнітного потоку можна знехтувати.

Вирішивши|рішивши, розв'язавши| рівняння (2.10.1) відносно Фт, по зміряній|виміряній| ЕРС| можна визначити амплітудне значення магнітного потоку (див. рис. 1.10.2), наприклад

Діюче значення потоку, Вб:

Для вимірювання|вимір| потоку розсіяння Фб необхідно із|із| значення повного|цілковитий| потоку, вимірюваного в центрі розташування намагнічуючої котушки|катушка| за допомогою вимірювальної обмотки w2| (див. рис. 2.10.2), відняти значення основного|основний| потоку:

.

Зазвичай|звично| потік розсіяння визначається у відсотках|процент| до основного|основний| потоку:

.

Магніторушійна сила (МРС|) котушки|катушка| визначається за формулою, А;

.

Магнітна індукція у кожній ділянці магнітного кола|цеп, ланцюг|, Тл:

,

де Ф- магнітний потік, Вб; S - площа|майдан| перетину осердя|осердя|, м2|. (Досліджуваний магнітопровід має однакову площу|майдан| перетину по всій довжині, вказану на стенді).

У магнітопроводі напруженість магнітного поля визначається за кривою намагнічування даної марки сталі (рис. 2.10.3), в зазорі - за формулою, А/м:

.

 
 

 

 


Рис. 2.10.3. Кривою намагнічування

 

Падіння магнітної напруги|напруження| на ділянці кола|цеп, ланцюг|, А:

.

Довжина середньої лінії осердяа lср=54 зм.|осердя|

Зразкова вебер-амперна| характеристика ділянки магнітного кола|цеп, ланцюг| зображена|змальована| на рис. 2.10.4.

 

 
 

 


Рис. 2.10.4. Вебер-амперна| характеристика ділянки магнітного кола|цеп, ланцюг|

Порядок|лад| виконання роботи.

1). Ознайомитися з робочим місцем. Вивчити характеристики використовуваних приладів і апаратів.

2). Зібрати|повизбирувати| схему згідно з рис. 2.10.2. Якір закріпити гвинтом. Перемикач П встановити в положення|становище| 1. Зазор lв| = 0. На рис. 2.10.2 прийняті наступні|слідуючий| позначення: w1| - намагнічуюча обмотка з|із| числом витків 720; w2| і w3| - вимірювальні обмотки| з|із| однаковим числом витків - 18; обмотка W2| служить для вимірювання|вимір| магнітного потоку| в осерді|осердя| (у центрі намагнічуючої обмотки), а обмотка w3| - в якорі (основний потік); А і V - відповідно амперметр і вольтметр електромагнітної системи; V1| - високоомний вольтметр.

3). Подати напругу|напруження| 220 В. За допомогою ЛАТРа змінювати|зраджувати| намагнічуючий струм|тік| в обмотці w1| в межах 0...1 А (7 - 8 вимірювань|вимір|) і, встановлюючи перемикач П в положення|становище| 1 і 2, вимірювати|виміряти| при кожному значенні струму ЕРС|тік| | у вимірювальних обмотках| w2| і w1|. Результати дослідів занести в табл. 2.10.1.

4). Виконати розрахунки і побудувати|спорудити| графік за трьома точками|точка, точка-тире| згідно п.1 і 2.

5). Створити повітряний зазор в магнітопроводі за допомогою двох неферомагнітних|феромагнітний| прокладок|прокладення| lв = 2lв| Підтримуючи намагнічуючий струм|тік| рівним 0, 5 А і змінюючи|зраджуючи| сумарний зазор в межах 0..1, 8 мм, провести|виробити, справити| вимірювання|вимір| згідно з табл. 2.10.2 (7-8 вимірювань|вимір|).

6). Виконати розрахунки і побудувати|спорудити| графіки за трьома точками|точка, точка-тире| згідно п.4-6.

 

Таблиця 2.10.1

Виміряно Обчислено
U I E2 E3 F Фm Ф Ф0m Ф0 Фδ Bc Hc Umc
. . .                        

 

 

Таблиця 2.10.2

Виміряно Обчислено
U E2 E3 Фm Ф Ф0m Ф0 Фс Bc Hc Umc Umв
. . .                            

 

Обробка результатів дослідів.

1). За даними дослідів обчислити|обчисляти, вичисляти| значення МРС| F, амплітудне значення повного|цілковитий| і основного|основний| магнітних потоків Фт і Фот, діючі значення потоків Ф і Фо, потоку розсіяння Фб, магнітну індукцію в осерді|осердя| Bc|, напруженість магнітного поля в осерді|осердя| Нс і падіння магнітної напруги|напруження| в осерді|осердя| Uмс|. Спотворенням кривої струму|тік| і магнітного потоку знехтувати (Фо = Фот / ). Результати занести в табл. 2.10.1.

2). За даними табл. 2.10.1 побудувати|спорудити| вебер-амперну| характеристику
осердя.|осердя|. Слід мати на увазі, що насправді магнітний потік, а отже, і магнітна індукція і напруженість магнітного поля по всій довжині осердя|осердя| неоднакові внаслідок|внаслідок| наявності потоку розсіяння. Проте|однак| в розрахунках вебер-амперних| характеристик П-подібних осердь|осердя| цим нехтують, вважаючи|гадаючи|, що потік розсіяння замикається через повітря паралельно якорю (див. рис. 2.10.1). Це пояснюється тим, що між осердям|осердя| і якорем П-подібних магнітопроводів (контактори, реле і ін.) завжди є|наявний| повітряний зазор.

3). За даними табл. 2.10.2 обчислити|обчисляти, вичислити|, магнітну індукцію в повітряному зазорі Bв| = Фо/S, а також напруженість магнітного поля і падіння магнітної напруги|напруження| в осерді|осердя| і в зазорі. Звернути увагу на ступінь|міра| насичення сталі при максимальному значенні магнітної індукції в осерді|осердя| (по кривій намагнічування).

4). За даними табл. 2.10.2 побудувати|спорудити| залежність основного|основний| магнітного потоку Фо від зазору . Пояснити причини зниження магнітного потоку із|із| збільшенням зазору при постійній МРС|.

5). За даними табл. 2.10.2 побудувати|спорудити| залежність потоку розсіяння від розміру зазору Пояснити причини підвищення потоку розсіяння із|із| збільшенням зазору.

6). За даними табл. 2.10.2 порівняти падіння магнітної напруги|напруження| в осерді|осердя| і повітряному зазорі і пояснити причини їх різкої відмінності|відзнака|.

 

Контрольні питання.

1). Дайте визначення величинам і вкажіть їх одиниці.

2). Для чого в магнітному колі|цеп, ланцюг| допускають мінімальні повітряні зазори?

3). Поясните роль феромагнітних|феромагнітний| матеріалів в магнітному колі|цеп, ланцюг|.

4). Що є і як будується крива намагнічування?

5). Як експериментально зняти вебер-амперну| характеристику?

6). Яке значення в магнітних колах|цеп, ланцюг| має коефіцієнт розсіяння і як він залежить від повітряного зазору? Як його визначити?

7). Як виміряти|виміряти| магнітний потік, магнітну індукцію?

8). Що являє собою магнітопровід, осердя|осердя|, якір?

9). Чому метод вимірювання|вимір| магнітного потоку за допомогою котушки|катушка| і вольтметра є|з'являтися, являтися| неточним|неточний|?

10). Чому при вимірюванні|вимір| потоку застосовується високоомний вольтметр?

 

ЛІТЕРАТУРА

1. Бессонов Л.А. Теоретические основы электротехники: Электрические цепи. Учеб. для студентов электротехнических, энергетических и приборостроительных специальностей вузов. -7-е изд., перераб. и доп. -М.: Высш. шк., 1978. - 528с.

2. Основы теории цепей: Учеб. для вузов /Г.В.Зевеке, П.А.Ионкин, А.В.Нетушил, С.В.Страхов. -5-е изд., перераб. -М.: Энергоатомиздат, 1989. -528с.

3. Теоретические основы электротехники. Учеб. для вузов. В трех т. Под общ. ред. К.М.Поливанова. Т.1. К.М.Поливанов. Линейные электрические цепи с сосредоточенными постоянными. М.: Энергия, 1972. -240с.

4. Теоретические основы электротехники. Учеб. для вузов. В трех т. Под общ. ред. К.М.Поливанова. Т.2. Жуховицкий Б.Я., Негневицкий И.Б. Линейные электрические цепи (продолжение). Нелинейные цепи. -М.: Энергия- 1972. - 200с.

5. Матханов П.Н. Основы анализа электрических цепей. Линейные цепи: Учеб. для электротехн. и радиотехн. спец. вузов. -3-е изд., перераб. и доп. -М.: Высш. шк., 1990. - 400 с.

6. Матханов П.Н. Основы анализа электрических цепей. Нелинейные цепи: Учеб. для электротехн. спец. вузов. -2-е изд., перераб. и доп. -М.: Высш. шк., 1986. - 352 с.

7. Каплянский А.Е. и др. Теоретические основы электротехники. Изд. 2-е. Учеб. пособие для электротехнических и энергетических специальностей вузов. -М.: Высш. шк., 1972. - 448 с.

8. Теоретические основы электротехники. Т. 1. Основы теории линейных цепей. Под ред. П.А. Ионкина. Учебник для электротехн. вузов. Изд. 2-е, перераб. и доп. - М.: Высш. шк., 1976. -544 с.

9. Теоретические основы электротехники. Т. 2. Нелинейные цепи и основы теории электромагнитного поля. Под ред. П.А. Ионкина. Учебник для электротехн. вузов. Изд. 2-е, перераб. и доп. -М.: Высш. шк., 1976. - 383 с.

10. Сборник задач и упражнений по теоретическим основам электротехники: Учеб. пособие для вузов/ Под. ред. проф. П.А. Ионкина. -М.: Энергоиздат, 1982. - 768 с.

11. Сборник задач и упражнений по теоретическим основам электротехники: Учеб. пособие для вузов/ Под. ред. проф. П.А. Ионкина. -М.: Энергоиздат, 1982. - 768 с.

12. Сборник задач и упражнений по теоретическим основам электротехники: Учеб. пособие/ Бессонов Л.А., Демидова И.Г., Заруди М.Е. и др.; Под ред. Бессонова Л.А. - 2-е изд., перераб. и доп. -М.: Высш. шк., 1980. -472 с.

 

Методичні вказівки для лабораторних робіт з дисципліни “Теоретичні основи електротехніки” для студентів денної форми навчання спеціальності 7.05070108 “Енергетичний менеджмент”

 

Укладач: Качура Олексій Вікторович, канд. техн. наук, доцент

 

 

51918, м. Дніпродзержинськ, вул. Дніпробудівська, 2

Підписано до друку

Формат 80/34 1/16. Обсяг д.а.

Тираж екз. Замовлення_______________


Поделиться с друзьями:

mylektsii.su - Мои Лекции - 2015-2026 год. (7.377 сек.)Все материалы представленные на сайте исключительно с целью ознакомления читателями и не преследуют коммерческих целей или нарушение авторских прав Пожаловаться на материал