Студопедия

Главная страница Случайная страница

КАТЕГОРИИ:

АвтомобилиАстрономияБиологияГеографияДом и садДругие языкиДругоеИнформатикаИсторияКультураЛитератураЛогикаМатематикаМедицинаМеталлургияМеханикаОбразованиеОхрана трудаПедагогикаПолитикаПравоПсихологияРелигияРиторикаСоциологияСпортСтроительствоТехнологияТуризмФизикаФилософияФинансыХимияЧерчениеЭкологияЭкономикаЭлектроника






Расчет элементов ДК по предельным состояниям. Центрально-растянутые элементы. Центрально-сжатые элементы. Центрально-растянутые и центрально-сжатые элементы






4.1. Расчет центрально-растянутых элементов следует производить по формуле

 

 

где N- расчетная продольная сила;  
  Rp- расчетное сопротивление древесины растяжению вдоль волокон;  
  Fнт- площадь поперечного сечения элемента нетто.  

При определении Fнт ослабления, расположенные на участке длиной до 200 мм, следует принимать совмещенными в одном сечении.

 

4.2. Расчет центрально-сжатых элементов постоянного цельного сечения следует производить по формулам:

 

а) на прочность

 

где Rc расчетное сопротивление древесины сжатию вдоль волокон;
φ коэффициент продольного изгиба, определяемый согласно п.4.3:    
Fнт площадь нетто поперечного сечения элемента;    
Fрас расчетная площадь поперечного сечения элемента, принимаемая равной:    
         

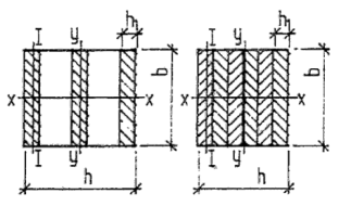
при отсутствии ослаблений или ослаблениях в опасных сечениях, не выходящих на кромки (рис. 1, а), если площадь ослаблений не превышает 25% Fбр Fрас= Fбр где Fбр площадь сечения брутто;

 

при ослаблениях, не выходящих на кромки, если площадь ослабления превышает 25% Fбр Fрас=4/3 Fнт

 

при симметричных ослаблениях, выходящих на кромки (рис.1, б), Fрас= Fнт

 

где коэффициент а =0, 8 для древесины и а=1 для фанеры,

 

коэффициент А=3000 для древесины и А=2500 для фанеры.

 

4.4. Гибкость элементов цельного сечения определяют по формуле

 

 

где l0 - расчетная длина элемента;  
r- радиус инерции сечения элемента с максимальными размерами брутто соответственно осей Х или Y

.5. Расчетную длину элементов l0 следует определять умножением их свободной длины на коэффициент μ 0

 

l0= l μ 0 (10)

согласно пп.4.21 и 6.25.

4.6. Составные элементы на податливых соединениях, опертые всем сечением, следует рассчитывать на прочность и устойчивость по формулам (5) и (6), при этом Fнт и Fрас определять как суммарные площади всех ветвей. Гибкость составных элементов λ следует определять с учетом податливости соединений по формуле

 

     
 
l0 расчетная длина элемента, м;  
nc расчетное количество срезов связей в одном шве на 1 м элемента (при нескольких швах с различным количеством срезов следует принимать среднее для всех швов количество срезов);  
kc коэффициент податливости соединений, который следует определять по формулам табл.12.  
       

При определении kc диаметр гвоздей следует принимать не более 0, 1 толщины соединяемых элементов. Если размер защемленных концов гвоздей менее 4d, то срезы в примыкающих к ним швах в расчете не учитывают. Значение kc соединений на стальных цилиндрических нагелях следует определять по толщине a более тонкого из соединяемых элементов.

 


Рис. 2. Составные элементы

а - с прокладками; б - без прокладок

При определении kc диаметр дубовых цилиндрических нагелей следует принимать не более 0, 25 толщины более тонкого из соединяемых элементов.

Связи в швах следует расставлять равномерно по длине элемента. В шарнирно-опертых прямолинейных элементах допускается в средних четвертях длины ставить связи в половинном количестве, вводя в расчет по формуле (12) величину, принятую для крайних четвертей длины элемента.

Гибкость составного элемента, вычисленного по формуле (11), следует принимать не более гибкости λ отдельных ветвей, определяемой по формуле

 

     
   
   
       

Гибкость составного элемента относительно оси, проходящей через центры тяжести сечений всех ветвей (ось Х на рис.2), следует определить как для цельного элемента, т.е. без учета податливости связей, если ветви нагружены равномерно. В случае неравномерно нагруженных ветвей следует руководствоваться п.4.7.

Если ветви составного элемента имеют различное сечение, то расчетную гибкость λ I ветви в формуле (11) следует принимать равной:

 

 

определение lI приведено на рис.2.

4.7. Составные элементы на податливых соединениях, часть ветвей которых не оперта по концам, допускается рассчитывать на прочность и устойчивость по формулам (5), (6) при соблюдении следующих условий:

а) площади поперечного сечения элемента Fнт и Fрас следует определять по сечению опертых ветвей;

б) гибкость элемента относительно оси Y (см.рис.2) определяется по формуле (11); при этом момент инерции принимается с учетом всех ветвей, а площадь - только опертых;

 

в) при определении гибкости относительно оси X (см.рис.2) момент инерции следует определять по формуле

 

 

I=I0+0, 5Iн.о (15)

 

где I0 и Iн.о моменты инерции поперечных сечений соответственно опертых и неопертых ветвей.  

4.8. Расчет на устойчивость центрально-сжатых элементов переменного по высоте сечения следует выполнять по формуле

 

 


Поделиться с друзьями:

mylektsii.su - Мои Лекции - 2015-2026 год. (0.958 сек.)Все материалы представленные на сайте исключительно с целью ознакомления читателями и не преследуют коммерческих целей или нарушение авторских прав Пожаловаться на материал