Студопедия

Главная страница Случайная страница

КАТЕГОРИИ:

АвтомобилиАстрономияБиологияГеографияДом и садДругие языкиДругоеИнформатикаИсторияКультураЛитератураЛогикаМатематикаМедицинаМеталлургияМеханикаОбразованиеОхрана трудаПедагогикаПолитикаПравоПсихологияРелигияРиторикаСоциологияСпортСтроительствоТехнологияТуризмФизикаФилософияФинансыХимияЧерчениеЭкологияЭкономикаЭлектроника






Расчет элементов ДК по предельным состояниям. Расчет на смятие. Расчет на скалывание.






5.1. Действующее на соединение (связь) усилие не должно превышать расчетной несущей способности соединения (связи) Т.

5.2. Расчетную несущую способность соединений, работающих на смятие и скалывание, следует определять по формулам:

а) из условия смятия древесины

Т = R смa F см; (52)

б) из условия скалывания древесины

, (53)

где F см - расчетная площадь смятия;

F см - расчетная площадь скалывания;

R смa - расчетное сопротивление древесины смятию под углом к направлению волокон;

- расчетное среднее по площадке скалывания сопротивление древесины скалыванию вдоль волокон, определяемое п. 5.3.

5.3. Среднее по площадке скалывания расчетное сопротивление древесины скалыванию следует определять по формуле

, (54)

где R ск - расчетное сопротивление древесины скалыванию вдоль волокон (при расчете по максимальному напряжению);

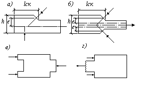
l ск - расчетная длина плоскости скалывания, принимаемая не более 10 глубин врезки в элемент;

е - плечо сил скалывания, принимаемое равным 0, 5 h при расчете элементов с несимметричной врезкой в соединениях без зазора между элементами (рис. 5, а) и 0, 25 h при расчете симметрично загруженных элементов с симметричной врезкой (рис. 5, б);

(h - полная высота поперечного сечения элемента);

b - коэффициент, принимаемый равным 0, 25 при расчете соединений, работающих по схеме, показанной на рис. 5, г и b = 0, 125 при расчете соединений, работающих по схеме согласно рис. 5, в; если обеспечено обжатие по плоскостям скалывания.

Отношение l ск / е должно быть не менее 3.

Рис. 5. Врезки в элементах соединений

а - несимметричная; б - симметричная; в, г - схемы скалывания в соединениях

 

 

7. Расчет на изгиб (прочность, устойчивость, жесткость, косой изгиб). Как определить требуемое количество гвоздей в соединении. Изгибаемые элементы

4.9 Расчет изгибаемых элементов, обеспеченных от потери устойчивости плоской формы деформирования (см. пп. 4.14

и 4.15), на прочность по нормальным напряжениям следует производить по формуле

(или ≤ R ид.ш), (17)

где М - расчетный изгибающий момент;

R и - расчетное сопротивление изгибу;

R ид.ш - расчетное сопротивление изгибу древесины из однонаправленного шпона;

W д.шрасч - рсчетный момент сопротивления поперечного сечения элемента.

Для цельных элементов W расч= W нт; для изгибаемых составных элементов на податливых соединениях расчетный момент сопротивления следует принимать равным моменту сопротивления нетто W нт, умноженному на коэффициент kw; значения kw для элементов, составленных из одинаковых слоев, приведены в таблице 13. При определении W нтослабления сечений, расположенные на участке элемента длиной до 200 мм, принимают совмещенными в одном сечении.

Таблица 13*

Коэффициент Число слоев в элементе Значение коэффициента для расчета изгибаемых составных элементов при пролетах, м
      9 и более
    0, 7 0, 85 0, 9 0, 9
kw   0, 6 0, 8 0, 85 0, 9
    0, 4 0, 7 0, 8 0, 85
    0, 45 0, 65 0, 75 0, 8
k ж   0, 25 0, 5 0, 6 0, 7
    0, 07 0, 2 0, 3 0, 4
* Значения, приведенные в таблице, не распространяются на древесину из однонаправленного шпона. Примечания 1 Для промежуточных значений величины пролета и числа слоев коэффициенты определяются интерполяцией. 2 Для составных балок на наклонно вклеенных связях при числе слоев не более 4, независимо от пролета, следует принимать kw = 0, 95, k ж = 0, 9.

4.10 Расчет изгибаемых элементов на прочность по скалыванию следует выполнять по формуле

(или < R скд.ш), (18)

где Q - расчетная поперечная сила;

S ¢ бр - статический момент брутто сдвигаемой части поперечного сечения элемента относительно нейтральной оси;

I бр - момент инерции брутто поперечного сечения элемента относительно нейтральной оси;

b рас - расчетная ширина сечения элемента;

R ск- расчетное сопротивление скалыванию при изгибе;

Rскд.ш - расчетное сопротивление скалыванию при изгибе древесины из однонаправленного шпона.

4.11 Число срезов связей n с, равномерно расставленных в каждом шве составного элемента на участке с однозначной эпюрой поперечных сил, должно удовлетворять условию

, (19)

где Т - расчетная несущая способность связи в данном шве;

М А, М В - изгибающие моменты в начальном А и конечном В сечениях рассматриваемого участка.

Примечание - При наличии в шве связей разной несущей способности, но одинаковых по характеру работы (например, нагелей и гвоздей) несущие способности их следует суммировать.

4.12 Расчет элементов цельного сечения на прочность при косом изгибе следует производить по формуле

(или R ид.ш), (20)

где М хи М у- составляющие расчетного изгибающего момента для главных осей сечения х и у;

W xи W y- моменты сопротивлений поперечного сечения нетто относительно главных осей сечения х и у.

4.13 Клееные криволинейные элементы, изгибаемые моментом М, уменьшающим их кривизну, следует проверять на радиальные растягивающие напряжения по формуле

, (21)

где σ 0 - нормальное напряжение в крайнем волокне растянутой зоны;

σ i - нормальное напряжение в промежуточном волокне сечения, для которого определяют радиальные растягивающие напряжения;

hi - расстояние между крайним и рассматриваемым волокнами;

ri - радиус кривизны линии, проходящей через центр тяжести части эпюры нормальных растягивающих напряжений, заключенной между крайним и рассматриваемым волокнами;

R р90 - расчетное сопротивление древесины растяжению поперек волокон, принимаемое по поз. 7 таблицы 3.

4.14 Устойчивость плоской формы деформирования изгибаемых элементов прямоугольного постоянного сечения следует рассчитывать по формуле

(или ≤ Rид.ш), (22)

где М - максимальный изгибающий момент на рассматриваемом участке l р;

W бр - максимальный момент сопротивления брутто на рассматриваемом участке l р.

Коэффициент φ М для изгибаемых элементов прямоугольного постоянного поперечного сечения, шарнирно-закрепленных от смещения из плоскости изгиба и закрепленных от поворота вокруг продольной оси в опорных сечениях, следует определять по формуле

, (23)

где l р - расстояние между опорными сечениями элемента, а при закреплении сжатой кромки элемента в промежуточных точках от смещения из плоскости изгиба - расстояние между этими точками;

b - ширина поперечного сечения;

h - максимальная высота поперечного сечения на участке l р;

kф - коэффициент, зависящий от формы эпюры изгибающих моментов на участке l р, определяемый по таблице Г.2приложения Г настоящих норм.

При расчете изгибаемых элементов с линейно меняющейся по длине высотой и постоянной шириной поперечного сечения, не имеющих закреплений из плоскости по растянутой от момента М кромке, или при m < 4 коэффициент φ М по формуле (23) следует умножать на дополнительный коэффициент k жМ.Значения k жМприведены в таблице Г.2 приложения Г. При m ≥ 4 k жМ = 1.

При подкреплении из плоскости изгиба в промежуточных точках растянутой кромки элемента на участке l р коэффициент φ М, определенный по формуле (23), следует умножать на коэффициент k пМ:

(24)

где a р - центральный угол в радианах, определяющий участок l р элемента кругового очертания (для прямолинейных элементов a р = 0);

т - число подкрепленных (с одинаковым шагом) точек растянутой кромки на участке l р

(при т ≥ 4 величину следует принимать равной 1).

4.15 Проверку устойчивости плоской формы деформирования изгибаемых элементов постоянного двутаврового или коробчатого поперечного сечений следует производить в тех случаях, когда

, (25)

где b - ширина сжатого пояса поперечного сечения.

Расчет следует производить по формуле

(или ≤ R сд.ш), (26)

где φ - коэффициент продольного изгиба из плоскости изгиба сжатого пояса элемента, определяемый по п. 4.3;

R c - расчетное сопротивление сжатию;

R сд.ш - расчетное сопротивление сжатию древесины из однонаправленного шпона;

W бp - момент сопротивления брутто поперечного сечения; в случае фанерных стенок - приведенный момент сопротивления в плоскости изгиба элемента.

 

 


Поделиться с друзьями:

mylektsii.su - Мои Лекции - 2015-2026 год. (2.708 сек.)Все материалы представленные на сайте исключительно с целью ознакомления читателями и не преследуют коммерческих целей или нарушение авторских прав Пожаловаться на материал