Студопедия

Главная страница Случайная страница

КАТЕГОРИИ:

АвтомобилиАстрономияБиологияГеографияДом и садДругие языкиДругоеИнформатикаИсторияКультураЛитератураЛогикаМатематикаМедицинаМеталлургияМеханикаОбразованиеОхрана трудаПедагогикаПолитикаПравоПсихологияРелигияРиторикаСоциологияСпортСтроительствоТехнологияТуризмФизикаФилософияФинансыХимияЧерчениеЭкологияЭкономикаЭлектроника






Уменьшение пульсации напряжения






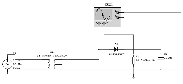
Для уменьшения пульсаций напряжения на выходе выпрямителя ставят сглаживающие фильтры. В простейшем случае – конденсатор. Схема однополупериодного выпрямителя, дополненного конденсатором С1, приведена на рис. 34, а напряжение на его входе и выходе – на рис. 35.

 

Рис. 34. Однополупериодный выпрямитель, дополненный конденсатором С1

Рис. 35. Напряжение на входе и выходе однополупериодного выпрямителя, дополненного
конденсатором С1

 

Коэффици­ент пульсации на выходе такого выпрямителя (для частоты питающей сети 50 Гц!) определяется по приближенной формуле:

, (3)

где сопротивление нагрузки считают в омах, а емкость конденсатора – в микрофарадах.

При увеличении частоты питающей сети коэффициент пульсации уменьшается в соответствующее количество раз.

 

 


Поделиться с друзьями:

mylektsii.su - Мои Лекции - 2015-2026 год. (0.969 сек.)Все материалы представленные на сайте исключительно с целью ознакомления читателями и не преследуют коммерческих целей или нарушение авторских прав Пожаловаться на материал