Студопедия

Главная страница Случайная страница

КАТЕГОРИИ:

АвтомобилиАстрономияБиологияГеографияДом и садДругие языкиДругоеИнформатикаИсторияКультураЛитератураЛогикаМатематикаМедицинаМеталлургияМеханикаОбразованиеОхрана трудаПедагогикаПолитикаПравоПсихологияРелигияРиторикаСоциологияСпортСтроительствоТехнологияТуризмФизикаФилософияФинансыХимияЧерчениеЭкологияЭкономикаЭлектроника






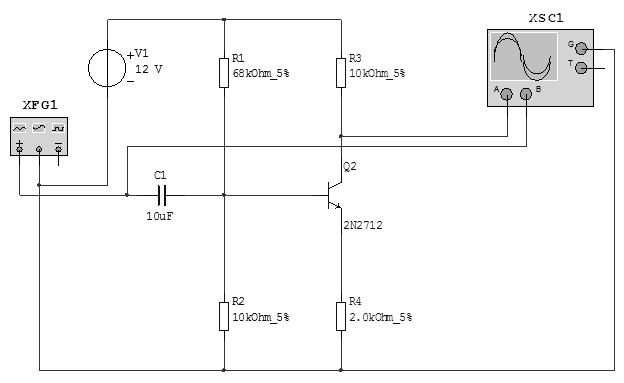
Задание на лабораторную работу. 1. Исследовать схему усиления каскада с ОЭ






1. Исследовать схему усиления каскада с ОЭ

1.1. Собрать схему (рис. 55). Транзистор берется тот же, что и в работе №5. Для транзисторов p-n-p типа изменить полярность источника напряжения. Амплитуда и частота входного сигнала берется из таблицы. Сохранить осциллограммы входных и выходных напряжений в документе Word.

1.2. Рассчитать теоретический и экспериментальный коэффициенты усиления по напряжению.

1.3. Добавить в схему амперметры для измерения входного и выходного тока. Определить экспериментальный коэффициент усиления по току.

1.4. Увеличивать амплитуду входного сигнала до появления искажений. Сохранить осциллограммы входных и выходных напряжений в документе Word. Объяснить полученный результат.

1.5. Вернуться к значениям амплитуды входного сигнала из таблицы. Сместить рабочую точку усилительного каскада, изменяя номинал резистора R2 (в сторону увеличения и уменьшения) до появления искажений. Сохранить осциллограммы входных и выходных напряжений в документе Word. Объяснить полученный результат.

1.6. Добавить на график ВАХ транзистора (л/р №5) нагрузочные прямые, соответствующие исходному варианту и экспериментам из 1.4. Отметить на них рабочие точки из экспериментов 1.5.

1.7. Установить параллельно R4 блокировочный конденсатор номиналом 1мкФ и проанализировать, к чему приводит соединение эмиттера по переменному току с " землей" через блокировочный конденсатор .

 

2. Исследовать схему усиления каскада с ОК

2.1. Изменить схему (рис. 55) так, чтобы получилась схема включения с ОК. Сохранить осциллограммы входных и выходных напряжений в документе Word. Объяснить полученный результат.

2.2. Определить экспериментальные коэффициенты усиления по напряжению и току.

 

Рис. 55. Усилительный каскад по схеме с ОЭ

 

Рис. 56. Осциллограммы входного и выходного напряжений в схеме с ОЭ

 

 

Таблица 6


Поделиться с друзьями:

mylektsii.su - Мои Лекции - 2015-2026 год. (2.098 сек.)Все материалы представленные на сайте исключительно с целью ознакомления читателями и не преследуют коммерческих целей или нарушение авторских прав Пожаловаться на материал