Студопедия

Главная страница Случайная страница

КАТЕГОРИИ:

АвтомобилиАстрономияБиологияГеографияДом и садДругие языкиДругоеИнформатикаИсторияКультураЛитератураЛогикаМатематикаМедицинаМеталлургияМеханикаОбразованиеОхрана трудаПедагогикаПолитикаПравоПсихологияРелигияРиторикаСоциологияСпортСтроительствоТехнологияТуризмФизикаФилософияФинансыХимияЧерчениеЭкологияЭкономикаЭлектроника






Оформление пояснительной записки






 

Результаты выполнения курсовой работы оформляются в виде пояснительной записки в строгом соответствии с требованиями стандарта предприятия ВГТУ по дипломному проектированию, освоение которого весьма полезно для дальнейшего обучения. Весь материал разбивается на стандартные

разделы и подразделы, например, как показано ниже.

Введение

1. Техническое задание

1.1. Схема цепи

1.2. Входной сигнал

1.3. Расчетное задание

2. Характеристики цепи

2.1.Коэффициент передачи

2.2.Частотные характеристики

2.3. Временные характеристики

и так далее.

Заключение

Материал оформляется на листах формата А4. Прежде, чем в описании появятся таблицы или рисунки, в тексте должны быть приведены ссылки на них, например, «на рисунке 3 показана амплитудно-частотная характеристика цепи, а в таблице 3 приведены ее численные значения».

 

Таблица 3

f, кГц          
K   0, 5 0, 7 0, 8 0, 85

 

 
 
Рисунок

 


Рисунок 3 – Название рисунка

 

Введение содержит общее описание задачи и методов ее решения. В заключении проводится обобщенный анализ полученных результатов. В тексте пояснительной записки проводится подробный анализ полученных результатов.

 

 


ПРИЛОЖЕНИЕ А

Варианты индивидуальных заданий

Группа 1 Группа 2 Группа 3 Группа 4
Вариант Вариант Вариант Вариант
возд. цепи возд. цепи возд. цепи возд. цепи
                 
                 
                 
                 
                 
                 
                 
                 
                 
                 
                 
                 
                 
                 
                 
                 
                 
                 
                 
                 
                 
                 
                 
                 
                 
                 
                 
                 
                 
                 
                 

ПРИЛОЖЕНИЕ Б

Варианты входного воздействия

 

Входное напряжение в вольтах, T=5 мс
 
 
 
 
 

 

ПРИЛОЖЕНИЕ В

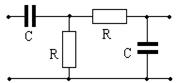
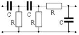
Варианты схем цепи при R=9, 1 кОм и C=0, 22 мкФ

Схема Схема
   
   
   
   
   
   
   

Продолжение приложения В

Схема Схема
   
   
   
   
   
     

 


Поделиться с друзьями:

mylektsii.su - Мои Лекции - 2015-2026 год. (1.638 сек.)Все материалы представленные на сайте исключительно с целью ознакомления читателями и не преследуют коммерческих целей или нарушение авторских прав Пожаловаться на материал