Студопедия

Главная страница Случайная страница

КАТЕГОРИИ:

АвтомобилиАстрономияБиологияГеографияДом и садДругие языкиДругоеИнформатикаИсторияКультураЛитератураЛогикаМатематикаМедицинаМеталлургияМеханикаОбразованиеОхрана трудаПедагогикаПолитикаПравоПсихологияРелигияРиторикаСоциологияСпортСтроительствоТехнологияТуризмФизикаФилософияФинансыХимияЧерчениеЭкологияЭкономикаЭлектроника






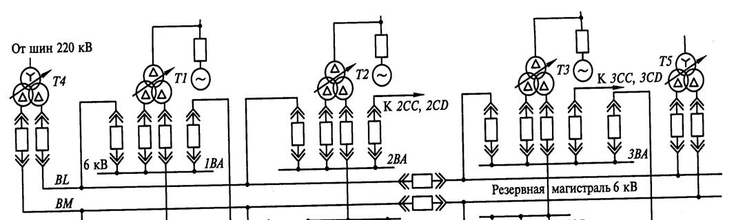
Схема СН ТЭЦ.






На ТЭЦ можно выделить блочную и неблочную часть. В блочной части питание СН выполняется как на ГРЭС. В неблочной части рабочие части секции СН 6 кВ запитываются с шин ГРУ. Причем с одной секции шин ГРУ можно запитать не более двух рабочих секций СН. Количество рабочих секций СН определяется в неблочной части числом котлов. Каждая рабочая секция в блочной и неблочной части через нормально отключенный выключатель подключается к резервной магистрали, которая выполняется одиночной несекционированной общей для блочной и неблочной части системой шин. На практике, учитывая опыт эксплуатации, резервную магистраль иногда секционируют между блочной и неблочной частью. Питание на резервную магистраль подается от одного резервного источника, если число рабочих, включая блочную и неблочную часть, до 6 включительно; и от двух, если число рабочих более 6.

Резервный источник может подключаться:

1) к секции ГРУ, если с нее нет рабочего питания и к ней подключен трансформатор связи;

2) к низкой стороне трансформатора связи до выключателя. В этом случае выделяется полусекция для удобства подключения РТСН и трансформатора связи;

3) к резервной системе шин, если на ГРУ принята схема с двумя системами шин, но при этом к ней должен быть подключен трансформатор связи и она должна быть под напряжением.

Если на ГРУ 6кВ, то в качестве источника используется реактор, подключенный к шинам через разъединитель; если 10 кВ – то трансформатор, подключенный к ГРУ через выключатель.

Выбор ТСН:

1) ; 2) ; 3)

Выбор реактора:

1) ; 2)

Мощность резервного ТСН принимается такой же, как мощность самого мощного рабочего.


 

Схема ЭСН ГРЭС


 


6.Привести схему «Две системы сборных шин с обходной, с раздельными обходными (ОВ) и шиносоединительными (ШСВ) выключателями», содержащую четыре ВЛ и два трансформатора. В указанной схеме привести порядок операций по выводу в ремонт первой системы сборных шин.

Вывод в ремонт выключателей присоединений при схеме с двумя рабочими и обходной системой шин с одним выключателем на цепь осуществляется заменой выключателя присоединения обходным выключателем; Основные операции при выводе в ремонт выключателя присоединения и замене его обходным выключателем: а) готовится схема обходного выключателя для опробования напряжением обходной системы шин от рабочей системы шин, на которую включено присоединение с выводимым в ремонт выключателем; б) включается обходной выключатель с уставками " опробования" на его защитах, с введенной защитой шин, включенной по оперативным цепям на отключение обходного выключателя, и включенным пуском УРОВ от защит; проверяется наличие напряжения на обходной системе шин; в) отключается обходной выключатель. Проверяется отключенное положение обходного выключателя и включается на обходную систему шин разъединитель присоединения, выключатель которого выводится в ремонт; г) вводятся с помощью испытательных блоков в схему защиты шин цепи трансформаторов тока обходного выключателя как выключателя присоединения; на защитах обходного выключателя выставляются уставки, соответствующие уставкам защит данного присоединения; отключаются быстродействующие защиты (ДФЗ, ДЗЛ и др.) со всех сторон защищаемого присоединения; д) включается обходной выключатель; проверяется ток нагрузки, отключается выводимый в ремонт выключатель присоединения; убеждаются в отсутствии тока нагрузки; е) отключается защита шин, выполняются необходимые переключения в ее цепях, защита проверяется током нагрузки и включается в работу; ж) переключаются токовые цепи быстродействующих защит присоединения на трансформаторы тока обходного выключателя и оперативные цепи с действием на обходной выключатель; проверяются защиты током нагрузки, включаются защиты в работу и опробуются на отключение обходного выключателя с включением его от АПВ; з) отключаются разъединители с обеих сторон выводимого в ремонт выключателя, проверяется отсутствие на нем напряжения и включаются заземляющие ножи в сторону выключателя.

 


 


Поделиться с друзьями:

mylektsii.su - Мои Лекции - 2015-2026 год. (3.698 сек.)Все материалы представленные на сайте исключительно с целью ознакомления читателями и не преследуют коммерческих целей или нарушение авторских прав Пожаловаться на материал