Студопедия

Главная страница Случайная страница

КАТЕГОРИИ:

АвтомобилиАстрономияБиологияГеографияДом и садДругие языкиДругоеИнформатикаИсторияКультураЛитератураЛогикаМатематикаМедицинаМеталлургияМеханикаОбразованиеОхрана трудаПедагогикаПолитикаПравоПсихологияРелигияРиторикаСоциологияСпортСтроительствоТехнологияТуризмФизикаФилософияФинансыХимияЧерчениеЭкологияЭкономикаЭлектроника






Требования и порядок переключений.






Распоряжение о переключениях отдается диспетчером непосредственно подчиненному персоналу обычно по телефону. Содержание и объем распоряжения определяются диспетчером. В распоряжении указывается цель переключения и последовательность выполнения операций. Лицо, получившее распоряжение, обязано повторить его и получить подтверждение

в том, чтораспоряжение понято им правильно.

Режимы работы оборудования должны, как правило, проверяться до начала переключений и в процессе их производства с тем, чтобы исключить возникновение утяжеленных режимов работы (перегрузок, отклонений напряжения от номинального значения и т.д.).

Полученное распоряжение в виде задания записывается в оперативный журнал подстанции, последовательность операций проверяется по оперативной схеме или схеме-макету. При необходимости составляется бланк переключений или применяется готовый типовой бланк.

С содержанием полученного задания и с разъяснением его по схеме соединений знакомится второе лицо, если привлечение его к переключениям является необходимым. Если оперативное распоряжение получено персоналом, то оно уже не может быть им изменено или отсрочено.

Переключения на подстанциях могут выполняться одним или двумя лицами. Это определяется местными условиями: видом оперативного обслуживания, сложностью схемы и т.д. При участии в переключениях двух лиц контролирующим назначается старшее в смене или специально назначенное и прибывшее на подстанцию лицо, на которое, помимо функций контроля за правильностью выполнения каждой операции, возлагается также наблюдение за переключениями в целом. Низшее по должности лицо обычно выполняет роль исполнителя. Однако ответственность за переключения лежит на обоих.

Переключения должны выполняться строго по бланку. Изменять установленную в нем последовательность операций не допускается.

После выполнения всех записанных в бланке операций отмечается время их окончания. В оперативном журнале делается запись о выполнении распоряжения диспетчера. О выполнении распоряжения сообщается диспетчеру, от которого оно было получено. Сообщение делается лицом, получившим распоряжение.

 

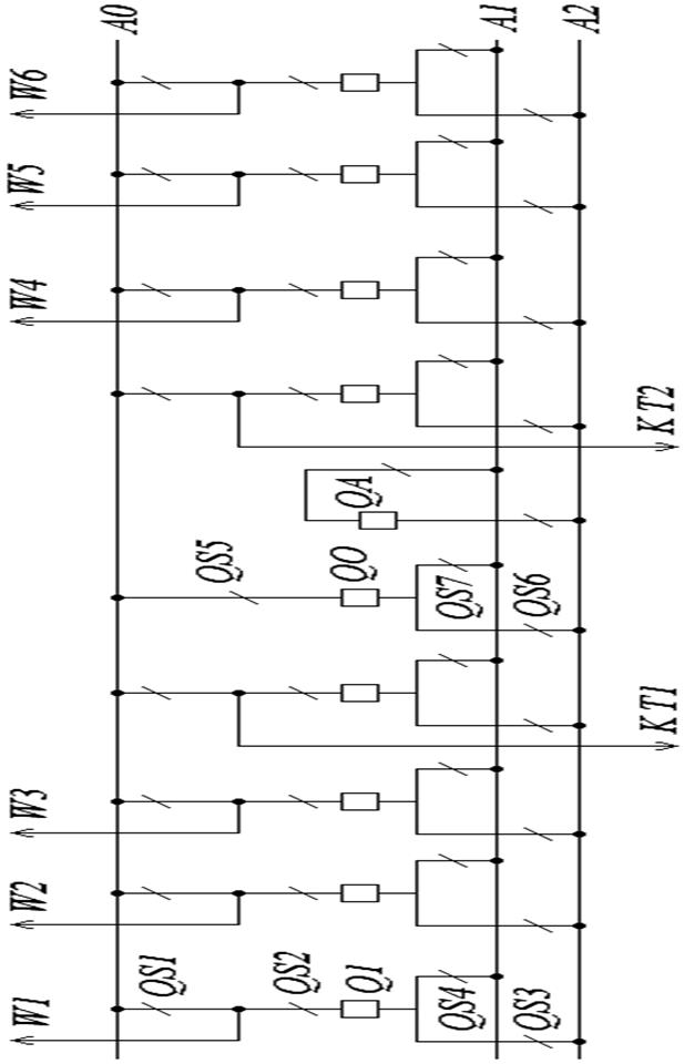
Последовательность действий при выводе в ремонт линейного выключателя Q1 (подключен к А1):

1) включить QS5 в цепи QO;

2) включить шинный разъединитель в цепи QO на ту систему шин, на которую включен выводимый в ремонт Q1, т.е. QS7;

3) с минимальными уставками релейной защиты включить QO, опробовать и если он автоматически не отключился отключить его с щита управления;

4) включить QS1;

5) с уставками Q1 включить QO. При этом образовались два параллельных пути тока.

6) отключить Q1.

7) отключить линейный QS2;

8) отключить шинный QS4;

9) заземлить выключатель.

Согласно НТП: до 12 присоединений – с/ш не секционируется; от 12 до 16 – 1 секционируется и при этом в схеме два совмещенных шиносоединительных ОВ; от 16 – обе с/ш секционированы и при этом ОВ и ШСВ работают раздельно.



Поделиться с друзьями:

mylektsii.su - Мои Лекции - 2015-2026 год. (1.015 сек.)Все материалы представленные на сайте исключительно с целью ознакомления читателями и не преследуют коммерческих целей или нарушение авторских прав Пожаловаться на материал