Студопедия

Главная страница Случайная страница

КАТЕГОРИИ:

АвтомобилиАстрономияБиологияГеографияДом и садДругие языкиДругоеИнформатикаИсторияКультураЛитератураЛогикаМатематикаМедицинаМеталлургияМеханикаОбразованиеОхрана трудаПедагогикаПолитикаПравоПсихологияРелигияРиторикаСоциологияСпортСтроительствоТехнологияТуризмФизикаФилософияФинансыХимияЧерчениеЭкологияЭкономикаЭлектроника






Тема 4. Етапне лікування хворих з гострою променевою хворобою. Атипові форми гострої променевої хвороби.






Принципи патогенетичного лікування гострої променевої хвороби з урахуванням провідних проявів захворювання. Обсяг медичної допомоги ураженим іонізуючим випромінюванням на етапах медичної евакуації.

Види атипових форм госитрї променевої хвороби. Особливості клініки гострої променевої хвороби при зовнішньому нерівномірному опромінюванні, при комбінованих радіаційних ураженнях, при внутрішньому опроміненні, при поєднаному опроміненні, нейтронних ураженнях, при тривалому опроміненні невеликими дозами.

Надання медичної допомоги на етапах евакуації при атипових формах гострої променевої хвороби.

 

 

Радіаційні ураження можуть виникати в особового складу військ при дії проникаючої радіації ядерного вибуху, бета- і гамма-випромінювання на сліду радіоактивної хмари, а також у осіб, які працюють із джерелом іонізуючих променів при порушенні правил техніки безпеки.
Клініка уражень має різні прояви і залежить від багатьох факторів (виду боєприпасу, поглинутої дози, короткочасності чи довготривалості, рівномірності чи нерівномірності опромінення, зовнішньої чи внутрішньої дії).
У бойовій обстановці радіаційні ураження можуть зустрічатись як у чистому вигляді, так і в комбінації з травмами й опіками (комбіновані радіаційні ураження). Вони будуть абсолютно переважати інші при ядерному вибусі надмалої потужності, особливо нейтронної зброї. Доза зовнішнього опромінення людини, яка перебуває на зараженій території, залежить від терміну перебування на ній, сили експозиційної дози гамма-випромінювання, коефіцієнта захисту укриття і сховищ.

У результаті уражаючої дії значних доз іонізуючого випромінювання розвивається променева хвороба. У бойових і екстремальних умовах найбільше значення має можливість виникнення гострої променевої хвороби. Внаслідок дії іонізуючого випромінювання в організмі виникають складні фізичні, фізико-хімічні й біологічні процеси, які можна умовно поділити на чотири етапи:

перший — фізичний процес поглинання енергії з іонізацією біомолекул і збудженням їх атомів;

другий — утворення високоактивних радикалів;

третій — фізіологічні зміни в організмі, які проявляються ушкодженням радіочутливих тканин (лімфоїдна, епітелій кишок);

четвертий — ураження органів кровотворення, що є провідним фактором у патогенезі променевої хвороби.

Внаслідок зменшення кількості лейкоцитів і тромбоцитів у крові спостерігається зниження реактивності організму ураженого, втрачається природний імунітет, тому навіть сапрофіти набувають властивостей патогенних мікроорганізмів, що призводить до розвитку інфекційно-запальних ускладнень.

Загальна інтоксикація і патологічна імпульсація уражених тканин та органів також сприяють порушенню функцій центральної нервової та ендокринної систем і подальшому поглибленню патологічного процесу. Для цього патологічного процесу характерними є:

— дистрофічні зміни в усіх органах;

— спустошення кісткового мозку;

— виникнення геморагічного синдрому;

— розвиток інфекційних ускладнень.

Радіаційні ураження класифікують:

— за видом іонізуючого випромінювання (альфа, бета, гамма, нейтронне, рентгенівське тощо), а також за його енергією та дозою;

— за локалізацією джерела (зовнішнє, внутрішнє, змішане);
— за розподілом дози в організмі (рівномірне, нерівномірне, місцеве);
— за тривалістю випромінювання (короткочасне, довготривале).
Біологічна дія іонізуючого випромінювання залежить від інтенсивності дози, його просторового розміщення на тілі, виду променів і реактивності організму.
Уражаюча дія радіації в основному визначається величиною енергії випромінювання, яке поглинуто тканинами. Масові радіаційні ураження можуть виникати внаслідок дії:

1) короткочасного рівномірного зовнішнього загального гамма- і нейтронного випромінювання — розвивається гостра променева хвороба;
2) пролонгованого і, можливо, повторного загального зовнішнього випромінювання — розвивається хронічна променева хвороба;
3) короткочасного нерівномірного зовнішнього гамма- і нейтронного випромінювання — утворюються радіаційні опіки;

4) поєднання радіаційної дії зовнішнього гамма-випромінювання, аплікацій радіоактивних речовин на шкіру і слизові оболонки та попадання їх всередину організму — виникають поєднані радіаційні ураження;

5) комбінації радіаційних уражень з травмами, опіками та іншими ураженнями — призводять до появи комбінованих радіаційних уражень.

Гостра променева хвороба (ГПХ)

Гостра променева хвороба розвивається при одноразовому, повторному або тривалому (від кількох годин до 1-3 діб) зовнішньому гамма- і нейтронному опроміненні всього тіла або більшої частини його в дозі, яка перевищує 1 грей (100 рад).

Це захворювання характеризується періодичністю перебігу і полісиндромністю клінічних проявів, серед яких головними є симптоми ураження системи кровотворення, кишечника, серцево-судинної і нервової систем.
Особливості клінічних проявів і ступінь тяжкості захворювання визначаються багатьма факторами: сумарною дозою опромінення, потужністю, видом випромінювання, рівномірністю опромінення тіла й індивідуальними особливостями організму.

Нерівномірність опромінення істотно позначається на характері захворювання. Опромінення різних частин тіла супроводжується різноманітними патофізіологічними ефектами і клінічними проявами, що пов’язано з різним ступенем ураження окремих органів і систем.
Найтяжчі форми ГПХ при нерівномірній дії радіації на організм виникають після опромінення органів черевної порожнини. Вплив відносно рівномірного радіаційного випромінювання високої потужності в основному визначається дозою опромінення, залежно від рівня якої в клінічній картині провідним стає симптомокомплекс ураження тієї чи іншої системи кровотворення — кістковомозкова форма, кишечника — кишкова форма, серцево-судинної і нервової систем — токсемічна форма і головного мозку — церебральна форма (табл. 10.1).

Таблиця 10.1 Клінічні форми і ступені тяжкості гострої променевої хвороби залежно від величини поглинутої дози
(за А.К. Гуськовою).

Доза опромінення Гр Клінічна форма Ступінь тяжкості Прогноз
1-2 кістковомозкова I (легкий) абсолютно сприятливий
2-4 кістковомозкова II (середньої тяжкості) відносно сприятливий
4-6 кістковомозкова III (тяжкий) сумнівний
6-10 кістковомозкова IV (дуже тяжкий) несприятливий
10-20 кишкова дуже тяжкий абсолютно несприятливий (летальність 100 %)
20–80 токсемічна дуже тяжкий абсолютно несприятливий (летальність 100 %)
понад 80 церебральна дуже тяжкий абсолютно несприятливий (летальність 100 %)

Доза опромінення в 1-10 грей спричиняє ураження кровотворних тканин, тому ця форма названа кістковомозковою. Доза опромінення до 20 грей, крім органів кровотворення, різко уражає кишечний епітелій, внаслідок чого зміни, які виникають у кишечнику, спричиняють смерть у найближчі кілька днів, ще до розвитку глибоких порушень в органах кровотоворення, відповідно, ця форма названа кишковою. Опромінення в дозі понад 20 грей призводить до виникнення токсемічної і церебральної форм радіаційного ураження, для яких характерне порушення функції центральної нервової системи в результаті первинної дії іонізуючого опромінення або впливу токсичних речовин, що циркулюють у крові. Смерть при виникненні цих форм настає в найближчі години.

Перебіг променевої хвороби значною мірою залежить від загального стану організму, наявності супровідних захворювань, переохолодження, недостатнього харчування та інших факторів.

Так звана типова або кістковомозкова форма ГПХ, при якій основним патогенетичним механізмом розвитку захворювання є ураження органів кровотворення, супроводжується виникненням провідного клінічного прояву — синдрому пангемоцитопенії і тісно пов’язаних з нею синдромів кровоточивості та інфекційних ускладнень.

Зміни в системі крові зумовлюються пригніченням і збоченням процесів тканинної регенерації, ушкодженнями клітин кісткового мозку, лімфатичних вузлів та крові; підвищенням проникності капілярів і крововтратою. Провідним фактором у порушенні кровотворення є пригнічення клітинної регенерації як в результаті прямої дії опромінення на кровотворні клітини, так і внаслідок зміни нервово-трофічної і ендокринної регуляції гемопоезу.
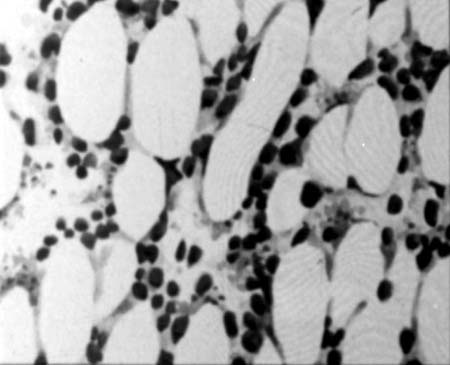
Гематологічні зміни характеризуються фазністю і відповідають ступеню радіаційного ураження. Фазність і послідовність змін складу елементів крові залежать від неоднакової радіочутливості, тривалості життя і термінів регенерації окремих кровотворних тканин. Найбільше уражаються лімфоцити й еритробласти. Відразу після опромінення у кістковомозковому кровотворенні спостерігають зниження мітотичної активності, зменшення молодих генерацій усіх клітин і відносне збільшення зрілих форм. Морфологічна картина кісткового мозку зазнає ряду фазових перетворень: спочатку переважають розпад і дегенерація елементів (рис.10.1), пізніше розвивається фаза гіпоплазії й аплазії, за нею — фаза інтенсивної регенерації.


Рис.1. Спустошення кісткового мозку.

У периферичній крові у перші дві доби після опромінення виявляють нейтрофільний лейкоцитоз зі зсувом вліво, відносну і абсолютну лімфопенію, нерідко — помірний ретикулоцитоз. Протягом першого тижня спостерігають зниження числа тромбоцитів і лейкоцитів, лімфоцитопенію і наростаючу ретикулоцитопенію, з’являються гігантські нейтрофіли з гіперсегментованим ядром. Із другого тижня перебігу хвороби прогресують нейтропенія і тромбоцитопенія, зберігається виражена лімфопенія, поступово наростає анемія, виявляють дегенеративні зміни в клітинах. На 4-5 тижні починається відновлення кровотворення, спочатку виявляють молоді гранулоцити, збільшується число моноцитів, виникають ретикулоцити. Нормалізація кровотворення відбувається через фазу розвитку гіперпластичної реакції кісткового мозку, але показники периферійної крові залишаються нестійкими.
Підвищена кровоточивість при променевій хворобі зумовлена зростанням проникності судинної стінки, порушенням систем згортання крові, фібринолітичної і кінінової, зниженням числа тромбоцитів. Головними причинами розвитку кровоточивості є тромбоцитопенія і якісна зміна властивостей кров’яних пластинок.

Клінічні прояви кровоточивості — кровоточивість ясен, крововиливи на слизових оболонках і шкірі, носові кровотечі, кровохаркання, маткові й кишкові кровотечі — зазвичай виникають на 3-4 тижні захворювання, а при надзвичайно тяжких випадках з’являються раніше (в кінці першого — на початку другого тижня) і мають чітку вираженість.

Інфекційні ускладнення є характерними для тяжких форм радіаційного ураження. Опромінення призводить до різкого зниження імунної опірності організму і супроводжується активізацією та генералізацією аутофлори із вторинним ендогенним інфікуванням організму. В результаті аутоінфікування в поєднанні з комплексом екзогенної інфекції виникають такі прояви променевої хвороби, як променевий сепсис, пневмонії, некротичні тонзиліти, ентероколіти. При променевій хворобі можуть активізуватися приховані вогнища інфекції, а також деякі інфекційні захворювання у бацилоносіїв.

У клінічному перебігу кістковомозкової форми ГПХ виділяють такі періоди:
І період
— первинна реакція;

ІІ період — прихований (латентний), або відносного клінічного благополуччя;
ІІІ період
— виражених клінічних проявів (розпалу);

ІV період — відновлення (завершення).

Вони чітко виражені при ураженнях середнього і тяжкого ступенів.
Клінічні прояви в період первинної реакції характеризуються переважанням нервово-регуляторних порушень рефлекторного характеру. До них належать диспептичний синдром, перерозподільні зрушення в картині крові й зміни діяльності різних аналізаторів. Поряд з цим, виявлялися деякі симптоми прямої уражаючої дії радіації на лімфоїдну тканину і кістковий мозок (початкова лімфопенія), епітелій кишечника, яєчок, ознаки порушення діяльності нервової системи у вигляді загальномозкових і, рідше, вогнищевих неврологічних симптомів.

При дослідженні крові спостерігають нейтрофільний лейкоцитоз із зсувом лейкоформули вліво, відносну й абсолютну лімфопенію, схильність до ретикулоцитозу.
Прояви первинної реакції ГПХ починаються незабаром після опромінення. При великих дозах радіації перші ознаки гострої променевої хвороби можуть з’явитись через кілька хвилин, а при менших — через кілька годин після опромінення. Спостерігають незначне збудження ураженого, яке незабаром змінюється пригніченням. Розвивається загальна слабість, з’являються головний біль, відраза до їжі, сильна спрага, нудота, блювання (інколи багаторазове), біль у животі, тахікардія, інколи підвищується температура тіла.
При тяжких ураженнях усі прояви первинної реакції виражені, при легких — можуть бути незначними або взагалі не проявлятись. У тяжких випадках перший період триває 2-3 дні, в легких — кілька годин. Надалі самопочуття потерпілого, при відсутності інших обтяжливих факторів, значно покращується і починається другий період ГПХ — прихований (латентний), або удаваного благополуччя, тому що в цей час відсутні очевидні ознаки радіаційного ураження.

Тривалість його залежить від дози опромінення і продовжується від 2 до 5 тижнів. Уражені майже не скаржаться на стан здоров’я і можуть (при легкому ступені ураження, а деколи і при ураженнях середньої тяжкості) вести бойові дії та виконувати різні роботи. Як правило, зменшується загальна слабість, зникають сонливість, головний біль, покращується апетит. Але можуть залишатись підвищена пітливість, значна лабільність пульсу й артеріального тиску. При тяжкій формі променевої хвороби прихований період короткий, у деяких випадках може бути відсутнім.
У латентному періоді стан кровотворної системи не стабілізується. Загибель молодих клітинних елементів при затримці процесів їх утворення і надходження зрілих елементів у кровоносне русло призводить до поступового спустошення кісткового мозку. Вираженість і швидкість цього процесу визначаються, в основному, дозою опромінення (тяжкістю захворювання). На 3-4 день від початку захворювання нейтрофільний лейкоцитоз змі-нюється лейкопенією, яка зумовлена помірним зменшенням числа нейтрофілів при наявності стійкої лімфоцитопенії. Стійка лімфоцитопенія в перші три доби, ступінь і термін початку нейтропенії і тромбоцитопенії мають суттєве значення при визначенні тяжкості ГПХ. В останні дні цього періоду починає випадати волосся (епіляція). Погіршання стану уражених свідчить про початок третього періоду гострої променевої хвороби — періоду виражених клінічних проявів (розпалу). Він характеризується глибоким ураженням системи кровотворення, пригніченням імунітету, розвитком інфекційних ускладнень, виразково-некротичними змінами в слизових оболонках, а також геморагічними проявами (рис.2). Погіршується самопочуття, наростає загальна слабість, підвищується температура тіла. Вираженість пропасниці залежить від тяжкості ураження і може проявлятись як короткочасним субфебрилітетом, так і тривалим підвищенням температури тіла в межах 39-40° С.


Рис.2. Період розпалу ГПХ (крововилив у шкіру і випадання волосся).

При тяжкій формі ураження на шкірі потерпілих з’являються групи петехіальних висипань або крововиливи великих розмірів. Ясна набрякають і кровоточать при найменшому пошкодженні. На слизовій оболонці язика, твердого і м’якого піднебіння виникають крововиливи, а на мигдаликах — ділянки некрозу. Крім геморагій, загрозу для життя потерпілих становлять інфекційні ускладнення, які найчастіше проявляються у вигляді своєрідних пневмоній. Різко погіршується апетит, значно зменшується маса тіла. Частішає пульс, артеріальний тиск може знижуватись. Перебіг хвороби в цей період часто нагадує септичний стан. З’являються неврологічні симптоми: виражена слабкість, головний біль, млявість, депресія, менінгеальні симптоми. Вираженість розладів кровотворення відповідає отриманій дозі радіації. У тяжких випадках виникає глибока пангемоцитопенія. Число лейкоцитів зменшується до 0, 2-0, 05 • 109 в 1 л, прогресує анемія, кістковий мозок — гіпо- або апластичний. На висоті захворювання спостерігають розлади гемокоагуляції в усіх фазах.

При бактеріальному дослідженні в період виражених клінічних проявів (активізації інфекції) із крові й кісткового мозку висівається різна флора, найчастіше кишкова паличка, стафілокок і стрептокок.

Період розпалу триває від 2 до 4 тижнів. Потім настає довгий період відновлення, який починається з ознак оновлення кровотворення. У периферичній крові з’являються поодинокі молоді форми клітин, в подальшому через декілька днів збільшується число лейкоцитів, тромбоцитів, ретикулоцитів. У кістковому мозку спостерігається картина бурхливої регенерації із великим числом бластних форм, мітозів, прогресуючим збільшенням загальної кількості мієлоцитів. Одночасно із початком регенерації кровотворення і збільшення числа нейтрофілів відбуваються критичне падіння температури тіла, покращання загального стану, зникають ознаки кровоточивості. Але повільно відновлюються порушені функції, протягом довгого часу наявні астенізація, вегетативно-судинна дистонія, лабільність гематологічних показників, розлади функціонального стану гіпофіз-адреналової системи, ряд трофічних і обмінних порушень.

Період відновлення у тяжких випадках триває від декількох місяців до 1 року, а інколи затягується на багато років, протягом яких виявляються залишкові явища або віддалені соматичні й генетичні наслідки. До віддалених наслідків належать астеновегетативний синдром, скорочення тривалості життя, розвиток катаракти, зниження здатності до зачаття, схильність до виникнення лейкозів і новоутворень. Генетичні наслідки переважно виявляються не у самого потерпілого, а у його нащадків і проявляються збільшенням вад розвитку, зростанням дитячої смертності, числа викиднів і мертвонароджених. Ступінь генетичних і соматичних наслідків зростає в міру збільшення дози радіаційного ураження. Вираженість симптомів у тому або іншому періоді та тривалість окремих періодів визначаються ступенем тяжкості променевої хвороби.
Розрізняють гостру променеву хворобу першого (легка), другого (середня), третього (тяжка) і четвертого (надзвичайно тяжка) ступенів.

Гостра променева хвороба І ступеня розвивається при опроміненні в дозі 1-2 грей (100-200 рад). Вона характеризується слабовираженими проявами у вигляді помірних ознак астенізації, вегетативних, судинних, гематологічних і обмінних змін. У деяких випадках захворювання не має чітко виражених періодів і проявів первинної реакції. Якщо первинна реакція виникає, то вона слабовиражена, обмежується помірною загальною слабістю, головним болем, нудотою, одноразовим блюванням. Усі ці явища не супроводжуються зниженням працездатності й припиняються в день опромінення. Настає клінічне “видужання” хворих, більшість із яких у цьому періоді не відчувають яких-небудь розладів і лише при спе-ціальних дослідженнях можна визначити у них ознаки астенізації, вегетативно-судинної дистонії, нестійких показників крові з тенденцією до лімфопенії, нейтропенії і тромбоцитопенії.
Прихований період триває до п’яти тижнів, при цьому дуже важливо визначити перехід захворювання в третій період, який при променевій хворобі І ступеня правильніше назвати не періодом розпалу, а періодом більш виражених клінічних проявів. У цьому періоді у хворих погіршується самопочуття, посилюються явища нейросудинної дистонії, втрачаються апетит і сон, кількість лейкоцитів зменшується до 3•109 в 1 л крові, тромбоцитів — до 60-80•109 в 1 л. Усі ці зміни зберігаються протягом 1-2 тижнів, з другого місяця після ураження спостерігається відновлення працездатності.
Гостра променева хвороба ІІ ступеня
виникає після опромінення в дозі 2-4 грей (200-400 рад) і характеризується наявністю чітко виражених періодів. Первинна реакція починається через 2 години і пізніше, може тривати до двох діб. Проявляється нудотою і повторним блюванням, загальною слабістю, головним болем, запамороченням, субфебрилітетом. Прихований період триває до трьох тижнів. У цей час у хворих спостерігають ознаки помірної астенізації і вегетативно-судинної дистонії, зниження кількості лейкоцитів і тромбоцитів. Період розпалу найчастіше починається з підвищення температури тіла, погіршання самопочуття, появи клінічних ознак, кровоточивості, інфекційних ускладнень. Прогресують порушення в системі крові, виникають виражена лейкопенія (1, 5-0, 5•109 в 1 л), тромбоцитопенія (20-50•109 в 1 л), помірна анемія, прискорення ШОЕ до 25-40 мм/год. Виявляється гіпоплазія кісткового мозку. Період розпалу триває від 2 до 3 тижнів.

Видужання настає повільно, починається з появи ознак відновлення процесу кровотворення, зниження температури тіла, покращання самопочуття. Хворі потребують лікування в умовах стаціонару протягом 1-1, 5 місяця, а після цього можуть бути виписані на амбулаторне лікування або направлені в санаторій. Орієнтовно можна вважати, що тільки у 50 % осіб, які перенесли ГПХ ІІ ступеня, через 2-3 місяці після ураження можуть відновитися боєздатність і працездатність.

Гостра променева хвороба ІІІ ступеня виникає при опроміненні в дозі 4-6 грей (400-600 рад). Незабаром після опромінення (через 30-60 хвилин) з’являється бурхлива первинна реакція, яка триває до 3 діб. На початку її у хворих можуть спостерігатися збудження, сильний головний біль, запаморочення, різка слабість і адинамія. Особливо характерні диспептичні прояви (нудота, багаторазове блювання). Також спостерігаються гіперемія шкіри, субфебрильна температура тіла. У периферичній крові відзначаються виражений нейтрофільний лейкоцитоз і глибока лімфопенія.
Прихований період скорочується до двох тижнів, протягом яких у хворих можна помітити ряд суб’єктивних розладів: підвищена втомлюваність, порушення сну, загальна слабість, зниження апетиту, періодичний головний боль. Спостерігають лабільність пульсу, зниження артеріального тиску, з кінця другого тижня починає випадати волосся. Зменшується кількість лейкоцитів, тромбоцитів, зникають ретикулоцити; в кінці прихованого періоду з’являються прояви анемії.

При переході захворювання в період розпалу різко погіршується загальний стан, виникає стійка висока пропасниця, яка супроводжується ознобами і рясною пітливістю. У крові висівають мікроби (кишкова палочка, стафілокок, пневмокок, стрептокок). Розвиваються геморагічні прояви — множинні крововиливи на шкірі, а також кровотечі — носові, шлункові, маткові й кишкові, продовжується випадання волосся, виникають виразково-некротичний стоматит, гінгівіт, тонзиліт, пневмонія, різко знижується маса тіла. Кількість лейкоцитів зменшується (до 0, 5-0, 1 • 109 в 1 л), спостерігають глибоку тромбоцитопенію (до 10•109 в 1 л), виражену анемію; продовжується час згортання крові, збільшується тривалість кровотечі за Дюке; порушується ретракція кров’яного згустка, ШОЕ прискорюється до 40-60 мм/год, характерна для цього періоду виражена диспротеїнемія. У кістковому мозку виникає картина спустошення, в його мазках зустрічаються атипові лімфоцити, поодинокі змінені сегментоядерні нейтрофіли, плазматичні й ретикулярні клітини. Період розпалу триває від 1, 5 до 2, 5 тижнів. Починаючи з третього тижня захворювання, частина хворих помирає. При сприятливому перебігу хвороби симптоми поступово стихають і захворювання переходить в період видужання, коли спостерігається різне за темпом і тривалістю відновлення функціонального стану окремих органів і систем. Особливо бурхливо і за короткий проміжок часу відновлюється кровотворення. Протягом декількох днів картина із спустошеної перетворюється в гіперплазовану, в периферичній крові розвивається лейкоцитоз із зсувом лейкоцитарної формули вліво за рахунок утворення юних форм. Після появи перших ознак відновлення хворі повинні 4-6 тижнів лікуватися в стаціонарних умовах. Надалі їх загальний стан покращується настільки, що вони можуть бути переведені на режим будинку відпочинку чи санаторію терміном на 1, 5-2 місяці.

Гостра променева хвороба IV ступеня виникає після опромінення в дозі понад 6 грей (600 рад). Майже відразу після опромінення (через 5-20 хвилин) розвивається різко виражена первинна реакція, яка проявляється безперервним блюванням, адинамією, колапсом, інколи — психомоторним збудженням, проносом. Хворого турбують сильний головний біль, запаморочення, спрага, іноді затьмарюється свідомість. Спостерігають виражену гіперемію шкіри і склер, температура тіла підвищується до 39° С. Ці симптоми первинної реакції, періодично посилюючись та затихаючи, тривають до чотирьох діб, і надалі, без чітко вираженого прихованого періоду (або через декілька днів після відносного покращання самопочуття) на них нашаровуються симптоми розпалу хвороби, що характеризуються ранніми і прогресуючими розладами кровотворення (спустошення кісткового мозку в перший тиждень і розвиток агранулоцитозу), раннім приєднанням інфекційних ускладнень і раннім виникненням кровоточивості. На другий тиждень захворювання на фоні високої гарячки, вираженої кровоточивості, вкрай незадовільного стану можуть виявлятися тяжкі кишкові розлади з розвитком зневоднення, прогресуючого порушення функціонального стану центральної нервової і серцево-судинної систем, нирок. Смерть більшості хворих настає в кінці другого тижня. Одужання можливе при застосуванні всіх засобів комплексної терапії, включаючи трансплантацію кісткового мозку.
Діагностика променевої хвороби має на меті вирішення двох тісно пов’язаних між собою завдань: встановлення дози опромінення і визначення ступеня тяжкості захворювання. У процесі встановлення діагнозу використовують анамнестичні, дозиметричні й клініко-лабораторні дані.
Дозиметричний контроль є важливим елементом у діагностиці гострої променевої хвороби, він дозволяє прогнозувати тяжкість перебігу і прогноз для життя. Дані про дозу опромінення встановлюють за допомогою фізичної дозиметрії (індивідуальні й групові дозиметри). При визначенні на основі показників дозиметра в рентгенах, поглинутої дози в радах беруть до уваги, що 1 рад приблизно відповідає 0, 6 рентгену при однобічному опроміненні й 0, 9 рентгену при багатобічному опроміненні, наприклад, на сліду радіоактивної хмари. Практично при використанні одного дозиметра, особливо при нерівномірному опроміненні, важко розраховувати на отримання достовірних даних про величину поглинутої дози. Через це в діагностиці променевої хвороби головне значення мають клінічні прояви в різні періоди захворювання, глибина і темп розвитку гематологічних розладів, а також деякі інші зміни в організмі, що характеризують тяжкість опромінення.


Поделиться с друзьями:

mylektsii.su - Мои Лекции - 2015-2026 год. (0.812 сек.)Все материалы представленные на сайте исключительно с целью ознакомления читателями и не преследуют коммерческих целей или нарушение авторских прав Пожаловаться на материал