Студопедия

Главная страница Случайная страница

КАТЕГОРИИ:

АвтомобилиАстрономияБиологияГеографияДом и садДругие языкиДругоеИнформатикаИсторияКультураЛитератураЛогикаМатематикаМедицинаМеталлургияМеханикаОбразованиеОхрана трудаПедагогикаПолитикаПравоПсихологияРелигияРиторикаСоциологияСпортСтроительствоТехнологияТуризмФизикаФилософияФинансыХимияЧерчениеЭкологияЭкономикаЭлектроника






Опис установки






 
 

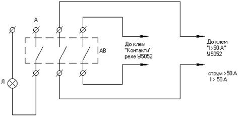
На рис. 3 показана схема підключення випробуваного автомату до пристрою У5052

Рис. 3. Схема лабораторної установки

Складати і розбирати схеми для дослідження слід за відсутності напруги на стенді. Перед початком роботи викладач перевіряє правильність складання схем, після чого дозволяє включення напруги на стенд. Якщо при виконанні роботи виникли неполадки, необхідно зняти напругу зі стенда і звернутися до викладача.

Порядок виконання роботи

1. Скласти схему дослідження автоматичного вимикача.

2. Зняти залежність часу спрацьовування захисту автомату від сили струму tcпp = f (I).

Кожен дослід проводиться в такій послідовності:

1) увімкнути установку У5052. Перед увімкненням вихідний стан ручок керування У5052: S 2 = Ä; S 3 = откл; S 4 = 5 A; S 5 = 450 B; S 6, S 7 = ~IТ; S 8 = возврат; S 9 = 115 B; Т 1 = мінімум; S 10 – откл; S 11 – откл; S 12 = 100; S 13 = откл; S 15 = 50 A; S 16, S 17 = 100 A; S 18 = AB; S 19 = 5 A; S 20 = прямо; S 21 = “0”. Установка вмикається S 10 = “ВКЛ”

2) подати струм у ланцюг досліджуваного автомата: S 8 = " срабат"; регулюючи ручкою Т 1 струм, домогтися необхідного значення струму, вимкнути S 8 = " Возврат";

3) виміряти час спрацьовування автомата при виставленому струмі. Для цього перемкнути S 2 у положення “Ср”, увімкнути S 8 = “срабат”, після зупинки електросекундоміра відключити S 8 = “Возврат”.

 

Змiст звiту

1. Схема дослiдження теплового та максимального захисту.

2. Таблицi результатiв вимiрювань.

3. Короткий опис способу регулювання уставок максимального нульового захисту автоматичних вимикачiв.

4. Графік залежності часу спрацювання захисту автомату від сили струму.

5. Висновки по роботi.

 

Контрольнi питання.

 

1. Якi функцiї виконують автоматичнi вимикачi?

2. Перерахуйте основнi рiзновиди автоматiв.

3. Дайте коротку характеристику основних вузлiв автомата.

4. Розкажiть про конструкцiю максимального реле автоматiв.

5. Розкажiть про конструкцiю нульового реле автоматiв.

6. Література

1. Чунихин А.А. Электрические аппараты. М. Энергия.

2. Иванов А.А. Электротехника. Киев, Высшая школ, 1982. - 342с.

 


Поделиться с друзьями:

mylektsii.su - Мои Лекции - 2015-2026 год. (1.629 сек.)Все материалы представленные на сайте исключительно с целью ознакомления читателями и не преследуют коммерческих целей или нарушение авторских прав Пожаловаться на материал