Студопедия

Главная страница Случайная страница

КАТЕГОРИИ:

АвтомобилиАстрономияБиологияГеографияДом и садДругие языкиДругоеИнформатикаИсторияКультураЛитератураЛогикаМатематикаМедицинаМеталлургияМеханикаОбразованиеОхрана трудаПедагогикаПолитикаПравоПсихологияРелигияРиторикаСоциологияСпортСтроительствоТехнологияТуризмФизикаФилософияФинансыХимияЧерчениеЭкологияЭкономикаЭлектроника






Зображення – види, розрізи, перетини






 

Правила зображень предметів (виробів, споруд та їхніх складових еле­ментів) встановлені ГОСТ 2.305–68 та ДСТУ ISO 128–(40, 44, 50): 2005.

Зображення на кресленні залежно від їхнього змісту поділяють на види, розрізи, перетини. Зображень (видів, розрізів, перетинів) має бути якнайменше, але щоб вони забезпечували повне уявлення про предмет.

Якщо будь–яка частина предмета не може бути показана ні на одному з видів без спотворення її форми і розмірів, необхідно застосувати до­даткові види.

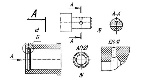
Додатковий вид має бути відзначений прописною літерою українсько­го алфавіту у порядку згадування, а на пов'язаний з додатковим видом елемент предмета повинна бути поставлена стрілка, що вказує направ­лення погляду

(рис. 3.1в). Для отримання більшої наочності внутрішніх окреслень і форм на кресленні виконують розрізи і перетини, позначені написом за типом «А–А» (завжди двома літерами через тире (рис. 3.1б). Положення січної площини вказують на кресленні розімкнутою лінією. На початковому і кінцевому штрихах ставлять стрілки, що вказують на­прям погляду (рис. 3.1а), стрілки повинні знаходитися на відстані 2–3мм від кінця штриха. Приклади наведені на рис. 3.1бв.

Розріз, або додатковий вид допускається повертати, при цьому до літерного позначення виду додають знак і, за необхідності, кут повернення,

наприклад А– А 90º також розвертати А– А

На розрізі зображають те, що одержано в січній площині і що розмі­щено за нею. Можна зображувати не все, що розміщено за січною пло­щиною, якщо це не потрібно для розуміння конструкції предмета. Якщо січна площина збігається з площиною симетрії предмета в цілому, а від­повідні зображення, розміщені на одному й тому ж аркуші в безпосеред­ньому проекційному зв'язку, положення січної площини і розріз позна­ченням не супроводжують. Для більш наглядного зображення застосову­ють ламаний і місцевий розрізи. На перетині відображають тільки те, що безпосередньо потрапляє в січну площину (рис. 3.1б).

Якщо січна площина проходить через вісь поверхні обертання, що об­межує отвір або заглиблення, то контур отвору чи заглиблення в перетині зображають повністю. Якщо січна площина проходить не через круглий отвір і перетин складається з окремих самостійних частин, то слід застосо­вувати розріз.

Рисунок 3.1– Правила позначення видів, розрізів та виносних елементів

Частину предмета, розрізаного січною площиною, на кресленні за­штриховують.

 


Поделиться с друзьями:

mylektsii.su - Мои Лекции - 2015-2026 год. (1.496 сек.)Все материалы представленные на сайте исключительно с целью ознакомления читателями и не преследуют коммерческих целей или нарушение авторских прав Пожаловаться на материал