Студопедия

Главная страница Случайная страница

КАТЕГОРИИ:

АвтомобилиАстрономияБиологияГеографияДом и садДругие языкиДругоеИнформатикаИсторияКультураЛитератураЛогикаМатематикаМедицинаМеталлургияМеханикаОбразованиеОхрана трудаПедагогикаПолитикаПравоПсихологияРелигияРиторикаСоциологияСпортСтроительствоТехнологияТуризмФизикаФилософияФинансыХимияЧерчениеЭкологияЭкономикаЭлектроника






Основные термины и обозначения

ЛЕКЦИЯ 1

 

«Вал» - термин для обозначения наружных поверхностей (охватываемых), рис.1.

Рис. 1

 

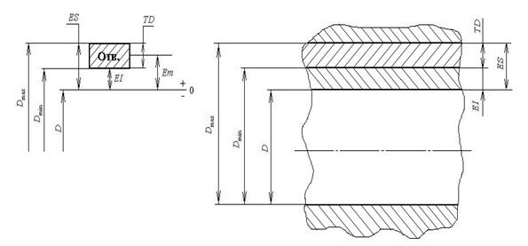
«Отверстие» - термин для обозначения внутренних поверхностей (охватывающих), рис.2.

Рис. 2

 

«Сопряженные поверхности» - поверхности, по которым происходит соединение деталей.

«Посадка» - характер соединения деталей, определяемый величиной получаемых в нем зазоров или натягов. Посадка характеризует свободу относительного перемещения деталей или сопротивление их взаимному смещению.

Поверхности деталей можно разделить на:

1. Охватывающие

2. Охватываемые

3. Свободные, т.е. не контактирующие с другими

«Номинальный размер» - начало отсчёта предельных отклонений, относительно которого определяются предельные размеры. Находится расчетным путем, исходя из конструкторских и технологических соотношений. Рекомендуется округлять в соответствии с ГОСТ 36.66-69(89). Технологические, межоперационные размеры могут не соответствовать ГОСТ 36.66-69(89). После округления выбирается из предпочтительных рядов чисел .

«Действительный размер» - получается в процессе изготовления детали с допускаемой погрешностью измерения.

«Предельные размеры» - это два допустимых размера, между которыми должен находиться действительный размер годной детали: наибольший и наименьший предельные размеры.

«Предельные отклонения» - это алгебраическая разность между предельными размерами и номинальным размером.

«Допуск»(IT, T) – это разность между наибольшим и наименьшим предельными значениями того или иного параметра. Всегда положительное значение. Определяет точность изготовления детали.

При увеличении допуска точность понижается, себестоимость изготовления деталей также уменьшается:

 

Условные обозначения:

ОТВЕРСТИЕ ВАЛ

«Поле допуска» - это графическое изображение допуска относительно нулевой линии, соответствующей номинальному размеру детали, рис 3.

 

 

 

Рис. 3. Схема расположения полей допусков отверстия

Отклонения:

· положительные откладываются от нулевой линии вверх;

· отрицательные откладываются от нулевой линии вниз;

 

Указания предельных отклонений на чертежах:

 

В единичном производстве, при малом допуске (контроль размеров производится универсальными средствами измерений) предельные отклонения указываются числовыми значениями в мм с обязательным указанием знака отклонения:

 

Ø 20 Ø 20 Ø 20 0.0065 Ø 20

 

Нулевые отклонения не указываются.

В массовом производстве (контроль производится предельными калибрами) поле допуска указывается буквой латинского алфавита и цифрой.

Ø 20h7 – малые буквы используют для обозначения вала.

Ø 20H7 - большие буквы используют для обозначения отверстия.

 

Буква соответствует «основному отклонению», цифра – квалитету (точности изготовления - допуску).

Когда неизвестен способ производства, а также при малой величине допуска используется комбинированный способ записи предельных отклонений:

 

Ø 35f7 или Ø 20H7()

 

 

Рис. 4. Примеры обозначения предельных отклонений на чертежах

 

Посадка обозначается дробью: Ø 20 , где

в числителе указывается поле допуска отверстия;

в знаменателе – поле допуска вала.

 

Или Ø 20 , Ø 20

Если различные участки детали изготавливаются с различной степенью точности, то на чертеже они разделяются тонкой линией, указывается длина нормируемых участков поверхностей (рис. 5).

 

Рис. 5

 

 

Исполнительный размер – размер, указываемый в технологическом процессе для рабочего (для исключения брака). Это размер, соответствующий максимуму материала с допуском в тело детали:

Для вала: dmax Например: Ø 40f7 , Ø 39.975

 

Для отверстия: Dmin Например: Ø 40F7 , Ø 40.025

 

«Проходные пределы изделий» соответствуют максимуму материала деталей: для вала - dmax, для отверстия - Dmin.

Для станков с ЧПУ настройка размера осуществляется на середину поля допуска, а отклонения задаются симметричными.

 

<== предыдущая лекция | следующая лекция ==>
Евристичні методи | Посадки
Поделиться с друзьями:

mylektsii.su - Мои Лекции - 2015-2026 год. (2.867 сек.)Все материалы представленные на сайте исключительно с целью ознакомления читателями и не преследуют коммерческих целей или нарушение авторских прав Пожаловаться на материал