Студопедия

Главная страница Случайная страница

КАТЕГОРИИ:

АвтомобилиАстрономияБиологияГеографияДом и садДругие языкиДругоеИнформатикаИсторияКультураЛитератураЛогикаМатематикаМедицинаМеталлургияМеханикаОбразованиеОхрана трудаПедагогикаПолитикаПравоПсихологияРелигияРиторикаСоциологияСпортСтроительствоТехнологияТуризмФизикаФилософияФинансыХимияЧерчениеЭкологияЭкономикаЭлектроника






Обозначения на чертежах






 

Допуски формы и расположения указываются в прямоугольных рамках; в первой части которой – условный знак, во второй – числовое значения в мм; для допусков расположения, в третьей части указывается база.

Направление стрелки – по нормали к поверхности. Длина замера указывается через знак дроби «/» . Если она не указана контроль осуществляется по всей поверхности.

Для допусков расположения, определяющих взаимные расположения поверхностей допускается базовую поверхность не указывать:

 

Допускается базовую поверхность, ось, указывать без обозначения буквой:

Перед числовым значением допуска следует указывать символ T, Æ, R, сфера,

если поле допуска дано в диаметральном выражении и радиусном, сферой Æ, R применятся для ; (оси отверстия); .

Если знак не указан – допуск задан в диаметральном выражении.

Для допуска симметричности используют знаки T (вместо Æ) или (вместо R).

Зависимый допуск, указывается знаком .

После значения допуска может быть указан символ , а на детали этим символом обозначают участок, относительно которого определяется отклонение.

 

Нормирование допусков формы и расположения из худших условий сборки.

 

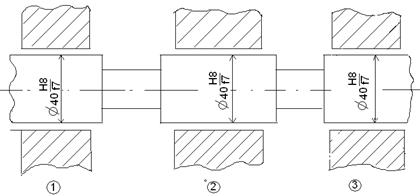
Пример 1.

Рассмотрим деталь, контактирующую одновременно по нескольким поверхностям - шток.

Рис. 1.

В том случае, если между осями всех трех поверхностей будет большая несоосность, сборка изделия будет затруднена. Возьмем худший для сборки вариант - минимальный зазор в соединении .

Примем за базовую ось- ось соединения .

Тогда смещение оси .

В диаметральном выражении это 0, 025мм.

 

Если базой является ось центровых отверстий, то исходя из аналогичных соображений.

 

Пример 2.

Рассмотрим ступенчатый вал, контактирующий по двум поверхностям, одна из которых рабочая , ко второй предъявляются только требования собираемости .

Для худших условий сборки деталей: и .

Предположим, что детали втулка и вал идеально соосны: При наличии зазоров и идеально соосных деталей зазоры распределяются равномерно по обе стороны и .

По рисунку видно, что детали соберутся даже, если оси ступеней будут смещены друг относительно друга на величину .

При и , т.е. допустимое смещение осей в радиусном выражении. = e = 0.625мм, или = 2е = 0, 125мм - в диаметральном выражении.

 

 

Пример 3.

Рассмотрим болтовое соединение деталей, когда образуются зазоры между каждой из соединяемых деталей и болтом (тип А), при этом зазоры расположены в противоположные стороны. Ось отверстия в 1 детали смещена от оси болта на влево, а ось детали 2 на вправо.

Отверстия под крепёжные детали выполняются с полями допусков Н12 или Н14 по ГОСТ 11284-75. Например, под М10 можно использовать отверстия (для точных соединений) и мм (для неответственных соединений). При линейный зазор Смещение осей в диаметральном выражении величина позиционного допуска = 0, 5мм, т.е. равна т.к. = .

 

Пример 4.

Рассмотрим винтовое соединение деталей, когда зазор образуется только между одной из деталей и винтом: (тип Б)

 

В практике вводят коэффициенты запаса точности: к

=

, где к = 0, 8…1, если сборка осуществляется без регулировки положения деталей;

к = 0, 6…0, 8 (для шпилек к=0, 4)- при регулировке.

 

Пример 5.

Контактируют две плоские прецизионные торцевые поверхности, S=0.005мм. Требуется пронормировать допуск плоскостности. При наличии торцевых зазоров вследствие неплоскостности (наклоны деталей выбраны с помощью пружин) возникают утечки рабочей жидкости или газа, что снижает объемный КПД машин.

Величину отклонения для каждой из деталей определяем как половину = . Можно округлить до целых величин =0, 003мм, т.к. вероятность худших сочетаний довольно незначительна.

 

 

Нормирование допусков расположения из расчета размерных цепей.

 

Пример 6.

Требуется пронормировать допуск соосности установочной оси 1 технологического приспособления, для которого задан допуск всего приспособления = 0, 01.

Примечание: допуск всего приспособления не должен превышать 0, 3…0, 5 допуска изделия.

Рассмотрим факторы, влияющие на соосность всего приспособления в целом:

- несоосность поверхностей детали 1;

- максимальный зазор в соединении деталей 1 и 2;

- несоосность отверстия во 2 детали и базовой (крепление в станок) поверхностью .

Т.к. цепь размеров малозвенная (3 звена) используется для расчёта метод полной взаимозаменяемости; по которому допуск замыкающего звена равняется сумме допусков составляющих звеньев.

Допуск соосности всего приспособления равняется

Для исключения влияния при соединении 1 и 2 деталей следует взять переходную посадку или с натягом.

Если принять , то

Величина достигается на операции тонкой шлифовки. Если приспособление имеет небольшие габариты, то можно обеспечить обработкой в сборе.

Пример 7.

Постановка размеров лесенкой и цепочкой для отверстий под крепежные детали.

Если размеры вытянуты под одну линию – выполнена простановка цепочкой.

Размечая центры отверстий последовательно к концу разметки, накапливается значительная погрешность размера , для её уменьшения следует зажимать допуски на размеры L1, L2, L3, L4.

, где n – число составляющих звеньев, включая - замыкающее звено. Если TL1 = TL2 = TL3 = TL4 = TLi, то .

Например, позиционный допуск на разметку центра одного отверстия TÅ =0, 5мм, на два отверстия TLD = 1мм (±0, 5мм)

 

 

Тогда TL1 = … = TL4 =

 

Пример 8.

Простановка размеров лесенкой (все размеры проставляются от одной базы)

После разметки L1 и L2 – замыкающее звено LD1; L2 и L3 - LD2, L3 и L4 - LD3.

TLD1 = TL1 + TL2

TLD2 = TL2 + TL3

TLD3 = TL3 + TL4, т.е.

На точность замыкающего звена всегда влияют только 2 звена.

Если TL1 = TL2 =

Для нашего примера TL1 = TL2 = 0, 5 (±0, 25мм)

Такая простановка позволяет увеличивать допуски составляющих звеньев, снижать трудоемкость обработки.

 

Пример 9.

Расчет величины зависимого допуска.

 

Если для примера 2 указаны , то это означает, что допуск соосности 0, 125мм, определенный для худших условий сборки может быть увеличен, если зазоры, образующиеся в соединении больше минимальных.

Например, при изготовлении детали получились размеры -39, 95мм; - 59, 85мм, возникают дополнительные зазоры Sдоп1 = d1max - d1изг = 39, 975 - 39, 95 = 0, 025мм, и Sдоп2 = d2max - d2изг = 59, 9 - 59, 85 = 0, 05мм, оси дополнительно могут быть смещены друг относительно друга на eдоп=e1доп+e2доп= (в диаметральном выражении на S1доп + S2доп = 0, 075мм).

Несоосность в диаметральном выражении с учетом дополнительных зазоров будет равняться: = 0, 125 + Sдоп1 + Sдоп2 = 0, 125 + 0, 075 = 0, 2мм.

Пример 10.

Требуется определить зависимый допуск соосности для детали втулки.

Условное обозначение: допуск соосности отверстия Æ 40H7 относительно базовой оси Æ 60p6, допуск зависимый только от размеров отверстия.

Примечание: зависимость указывается только на те поверхности, где образуются дополнительные зазоры в посадках, для поверхностей, соединяемых по посадкам с натягом или переходным – дополнительные уводы осей исключены.

При изготовлении получились размеры: Æ 40, 02 и Æ 60, 04

Тзав = 0, 025 + S1доп = 0, 025 + (Dизг1 – Dmin1) =0, 025 + (40, 02 - 40) = 0, 045мм (в диаметральном выражении)

 

Пример 11.

Определить величину межцентрового расстояния для детали, если размеры отверстий после изготовления равны: D1изг = 10, 55мм; D2изг = 10, 6мм.

Для первого отверстия

Тзав1 = 0, 5 + (D1изг – D1min) = 0, 5 + (10, 55 – 10, 5) = 0, 55мм или ±0, 275мм

Для второго отверстия

Тзав2 = 0, 5 + (D2изг – D2min) = 0, 5 + (10, 6 – 10, 5) = 0, 6мм или ±0, 3мм

Отклонения на межцентровом расстоянии:

L = 100 ± 0, 575



Поделиться с друзьями:

mylektsii.su - Мои Лекции - 2015-2026 год. (1.985 сек.)Все материалы представленные на сайте исключительно с целью ознакомления читателями и не преследуют коммерческих целей или нарушение авторских прав Пожаловаться на материал