Студопедия

Главная страница Случайная страница

КАТЕГОРИИ:

АвтомобилиАстрономияБиологияГеографияДом и садДругие языкиДругоеИнформатикаИсторияКультураЛитератураЛогикаМатематикаМедицинаМеталлургияМеханикаОбразованиеОхрана трудаПедагогикаПолитикаПравоПсихологияРелигияРиторикаСоциологияСпортСтроительствоТехнологияТуризмФизикаФилософияФинансыХимияЧерчениеЭкологияЭкономикаЭлектроника






Емкостные уровнемеры.






Применяют для измерения уровня жидкости с пере­менной плотностью.

Принцип действия емкостного датчика основан на измерении электрической емкости, которая меняется в зависимости от положения уровня контролируемой среды вдоль оси датчика. Емкостной датчик представляет собой электрод, погру­женный в измерительную среду. В зависимости от электрических характеристик жидкости, уровень которых измеряют емкостным методом, разделяют на неэлек­тропроводные и электропроводные.

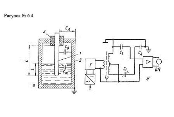
На рис. 6.4, а показано устройство емкостного преобразователя для изме­рения уровня неэлектропроводящей жидкости.

В среду, уровень которой нужно измерять, опущен электрод 1, вторым электродом является заземленный корпус сосуда 2. Электрод надежно изолирован втулкой 3 от корпуса сосуда. Таким образом, преобразователь состоит из двух параллельно соединенных конденсаторов: конденсатор сж образован частью электродов и диэлектриком-жидкостью, уровень которой измеряется, конденсатор св образован остальной частью электродов и диэлектриком-воздухом.

Емкость датчика сд выражается уравнением

сджв[lε +(L-l)ε 0]2π /[ln(R1/R2)] (6.1)

где L —полная длина электрода;

l — длина, на которую электрод заполнен жидкостью;

ε и ε 0 — диэлектрическая проницаемость жидкости и воздуха;

R1 и R2 — радиусы внешнего цилиндра и электрода.

Измерение электрической емкости датчика производится индуктивно-емко­стным мостом (рис, 6.4, б), состоящим из индуктивностей двух вторичных обмоток трансформатора Тр, конденсаторов с1, с2 и емкости датчика сд. Измерительный мост питается от генератора Г частотой 100 кГц. С изменением уровня измеряемой среды изменяется глубина погружения электрода, следовательно, меняется электрическая емкость датчика сд, что приводит к нарушению равновесия моста и появлению на его выходе сигнала дисбаланса, пропорционального уровню измеряемой среды. Сигнал разбаланса подается на вход усилителя, выходное напряжение которого измеряется вторичным прибором ВП (потенциометром или миллиамперметром).

Диапазон измерения зависит от типа датчика, его длины, характеристики измеряемой среды и монтажа датчика на резервуаре (от 1 до 20 м).

Установка указателя вторичного прибора на начальную отметку шкалы производится подстроечным конденсатором c1.

 

Емкостные измерители уровня для непрерывных измерений(рис.6.5)

Универсальный прибор для всех видов жидкостей, включая агрессивные, коррозионных сред или смесей.

Емкостные датчики используются для непрерывного измерения уровня любых жидкостей. Эти датчики обеспечивают максимальную степень безопасности благодаря наличию специальных экранов. Монтаж осуществляется при помощи резьбового соединения от ¾ ".

В комплект приборов входят современные электронные модули FEC 12 и FEC, использующие интеллектуальную технологию Smart.

Ограничения по температуре/ давлению

Температура до +450°C

Давление до 500 атм.

 

Рисунок 6.5


Поделиться с друзьями:

mylektsii.su - Мои Лекции - 2015-2026 год. (1.095 сек.)Все материалы представленные на сайте исключительно с целью ознакомления читателями и не преследуют коммерческих целей или нарушение авторских прав Пожаловаться на материал