Студопедия

Главная страница Случайная страница

КАТЕГОРИИ:

АвтомобилиАстрономияБиологияГеографияДом и садДругие языкиДругоеИнформатикаИсторияКультураЛитератураЛогикаМатематикаМедицинаМеталлургияМеханикаОбразованиеОхрана трудаПедагогикаПолитикаПравоПсихологияРелигияРиторикаСоциологияСпортСтроительствоТехнологияТуризмФизикаФилософияФинансыХимияЧерчениеЭкологияЭкономикаЭлектроника






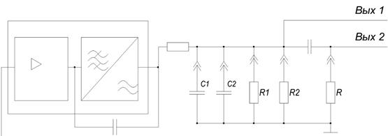
Описание лабораторной установки. Структурная схема установки, состоящей из 3-х блоков, приведена на рис






Структурная схема установки, состоящей из 3-х блоков, приведена на рис. 12.

Рис. 12. Структурная схема установки

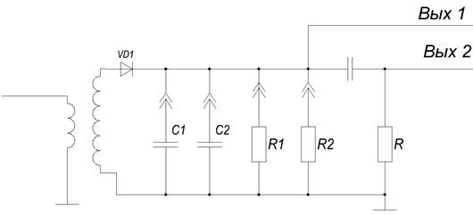
Блок 1 (рис. 13) служит для исследования характеристик амплитудного детектора на основе полупроводникового диода, к выходу которого (выход 1) подключены элементы нагрузки , , , . Через разделительный конденсатор , емкостью 1мкФ, подключен резистор, сопротивление которого эквивалентно входному сопротивлению УНЧ и равно 4, 7 К.

Рис. 13. Схема последовательного диодного детектора

Блок 2 (рис. 14) позволяет проводить исследования характеристик амплитудного детектора на транзисторах, выполненного на ИМС KI52XA2. Входной АМ сигнал поступает через усилитель на транзисторный детектор, к выходу которого (Вых. 1) подключены элементы нагрузки , , , . Через разделительный конденсатор ёмкостью 1 мкФ подключен резистор .

Рис. 14. Транзисторный детектор

Соединение лабораторной установки с контрольно-измерительной и вспомогательной аппаратурой приведено на рис.1. Источники питания ±12 В подключаются к разъему, расположенному на задней стенке корпуса установки. Потребление тока от каждого из источников питания составляет не более 50 мА. Один комплект контрольно-измерительной аппаратуры (генератор звуковых частот, генератор стандартных сигналов ГСС, милливольтметр переменного тока) подключен к входу «Вход сигнала». Второй комплект аппаратуры (вольтметр постоянного тока, двухлучевой. осциллограф и милливольтметр переменного тока) подключен к выходам установки «Вых. 1» и «Вых. 2». С помощью милливольтметра постоянного тока происходит измерение постоянной составляющей напряжения на нагрузке детектора. Выбор величины этой нагрузки при исследовании амплитудных детекторов на диодах (Блок I) и транзисторах (Блок II) осуществляется путем включения соответствующих значений , и , (рис. 12). При этом включение резисторов или , а также конденсаторов или происходит путем нажатия соответствующей кнопки. Допускается одновременное включение кнопок и а также и . Для измерения уровня модулирующего сигнала на выходе детектора используется милливольтметр переменного тока. Для визуального контроля формы выходного напряжения на «Вых. 1» и «Вых. 2» используется двухлучевой осциллограф.

Выбор одного из блоков для проведения экспериментальных исследований происходит с помощью кнопочного переключателя блоков I, II, III («Тип детектора» на рис. 12). При этом включение требуемого блока производится нажатием соответствующей кнопки при отжатых кнопках двух других блоков.


Поделиться с друзьями:

mylektsii.su - Мои Лекции - 2015-2026 год. (1.939 сек.)Все материалы представленные на сайте исключительно с целью ознакомления читателями и не преследуют коммерческих целей или нарушение авторских прав Пожаловаться на материал