Студопедия

Главная страница Случайная страница

КАТЕГОРИИ:

АвтомобилиАстрономияБиологияГеографияДом и садДругие языкиДругоеИнформатикаИсторияКультураЛитератураЛогикаМатематикаМедицинаМеталлургияМеханикаОбразованиеОхрана трудаПедагогикаПолитикаПравоПсихологияРелигияРиторикаСоциологияСпортСтроительствоТехнологияТуризмФизикаФилософияФинансыХимияЧерчениеЭкологияЭкономикаЭлектроника






Расчет токов короткого замыкания.






Расчет токов КЗ ведется в следующем порядке:

 

1. Принимаются базисные условия (мощность и напряжение).

За базисную мощность рекомендуется принимать мощность энергосистемы или суммарную мощность генераторов:

Sб=Sн.с.(МВА) или Sб = Sн.г.(МВА).

За базисное напряжение принимается среднее значение напряжения расчетной точки КЗ:

Расчетная точка КЗ определяется таким образом, чтобы ток КЗ протекал через выбираемое оборудование и имел бы максимальное значение (для шин и аппаратов расчетная точка намечается в месте их установки, для линий – в начале).

Uб=Uср. кз. (кВ)

 

Uн (кВ)        
Uср (кВ) 6, 3 10, 5    

 

На основании принятых базисных условий определяется базисный ток:

IБ=

2. Составляется схема замещений.

В неё включаются элементы, обладающие большим индуктивным сопротивлением, расположенные до точки КЗ.

3. Определяются сопротивления элементов, вошедших в схему замещения в относительных базисных единицах, определяемые по формулам:

Эл. установка Исходные параметры Сопротивление в базисных (относительных) единицах
     
Генератор Х·г; Sн.г. Х.бг=Х.г
Эн. система Х·с; Sн.с. Х.бс=Х.с
Реактор Хр%; Iн.р. Х.бр.=
Трансформатор Uк%; Sнт Х.бр.=
ЛЭП Хо; I(км) Х.бл.= Хо.*

Примечание:

 

1. Для определения сопротивления трансформатора величина его мощности подставляется в формулу, в МВА.

2. Хо (Ом/км) – сопротивление 1 км линии

Хо = 0, 1 Ом/км для КЛ

Хо = 0, 4 Ом/км для ВЛ

 

3. Uср.л – среднее значение напряжения рассчитываемой линии.

4. Определяется величина базисного результирующего сопротивления Х·брез.

5. В зависимости от величины Х·брез, используются два метода определения величины токов КЗ.

а. Х·брез. 3 – применяется аналитический метод

Inn = I = (кА); iу = 2, 55 * Iпо (кА)

 

b. Х·брез 3 – применяется метод расчетных кривых.

 

Первоначально по кривым определяется значение токов в относительных единицах:

Iпо = Iпо· * Iб (кА)

I = I · * Iб (кА)

iу = 2, 55* I (кА)

 

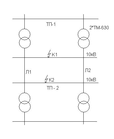
Пример 4. Определить значение токов КЗ для точек К1 и К2.

Sнг1 = 100 МВА Sнг2 = 200 МВА

Х·г1 = 0, 1 Х·г2 = 0, 3

 

1. Sб = SHГ1, 2 = 100+200=300мВА;

1 = Uсрк1 = 6, 3 кВ

1 =

 

2 = Uсрк2 = 10, 5 кВ

2 =

 

2. Составляем схему замещения и определяем результирующее сопротивление Таким образом, расчет токов КЗ для К1 необходимо вести по расчетным кривым, для К2 – аналитическим методом.

 

 

Х1= Х.г1 = 0, 1

Х2= Х.г2 = 0, 3

 

Х3= Хo* l =

Х4= Хo* l =

 

Х5=

 

ХБ рез К1 = + = + = 1, 38 3

ХБ резК2 Б рез К15 = 1, 38+7=8, 38 3

 

Таким образом, расчет токов КЗ для К1 необходимо вести по расчетным кривым, а для К2 – аналитическим методом.

 

3. Определяем значения токов КЗ.

а) для т.К1

По расчетным кривым находим, что

Iпок1· = 0, 76

I к1· = 0, 82

Iпок1 = Iб1* Iпок1· = 27, 5*0, 76*20, 9 кА

I к1= Iб1* I к1· = 27, 5*0, 82=22, 6 кА

iу = 2, 55* Iпок1 = 2, 55*20, 9=53, 3 кА

 

б) для т.К2

Iпок2 = I к2 = кА

iуК2 = 2, 55* IпoК2 =2, 55 *1, 93 = 4, 93 кА

 

4. Выбор и проверка на действие токов КЗ токоведущих частей и аппаратов.

Условия выбора и проверки.

Выбор Проверка
1. Шины Iдоп. Iр.м. SВЫБ Smin= (мм) σ доп σ расч. (МПа)
2. Кабель Uн Uн.эл.уст. Iдоп. Iр.м. (мм)
3. Опорные изоляторы Uн Uн.эл.уст. Fразр.*0, 6 Fрасч (Н)
4. Проходные изоляторы Uн Uн.эл.уст. Iн Iр.м. Fразр. *0, 6 Fрасч. /2 (Н)
5. В/в выключатели Uн Uн.эл.уст. Iн Iр.м. іу2 (кА) І2і * t от І2 *t (кА2 с) Іотк Іпо (кА)
6.Разъединители Uн Uн.эл.уст. Iн Iр.м. іу2 (кА) І2і * t от І2 *t (кА2 с)  
7. Трансформаторы тока Uн Uн.эл.уст. Iн Iр.м. іу2 (кА) или *Ін1 *Кд іу (кА) І2і * t от І2 *t (кА2 с) или (Кт* Ін1)2 * І2 *t (кА2 с)
8. Трансформаторы напряжения Uн1 Uн. эл.уст.   -------

Ірм - рабочий максимальный ток – это величина тока в наиболее тяжелом эксплуатационном режиме, например, выход из строя или отключение одного из трансформаторов или линии.

Величина Ірм определяется исходя из мощности, нагрузки, подключенной к данному объекту.

Iрм =

Для определения Iрм шин ТП, в качестве нагрузки можно принимать мощность трансформаторов, питающих эти шины.

 

Iр.м = для 2-х трансформаторной ТП

Iр.м = - для 1 трансформаторной ТП

 

Пример 5.

 

Составляем схему замещения и определение результирующее сопротивление

 

Выбрать и проверить на действие токов

- опорные шины и изоляторы РУ – 10кВ ТП – 1 1000 (l = 1м, а = 0, 25м tот = 1с)

- кабель для линии Л1

- аппараты и трансформаторы тока для линии Л1

- т. К1 (Іпо1 = 8кА I 1 iу1 = 19 кА)

- т. К2 (Іпо2 = 8кА I 2 iу2 = 19 кА)

 

2*ТМ – 630

 

1. Выбор и проверка сборных шин и изоляторов:

 

Iр.м1 = =

а) Намечаем медные шины 14× 3 с Iдоп = 210А, Iрм = 80, 9А

проверяем шины на термическую устойчивость

 

SВЫБ

  Ст Кабели Шины
Al Cu Al Cu Сталь
         

 

, то есть шины термически неустойчивы. Поэтому принимаем шины (Ст) большего сечения 30× 4.

Проверка выбранных шин на динамическую стойкость

F=0, 176* iу2

М=

W=

σ расч =

σ доп (МПа) Al Cu Сталь
     

 

σ доп = 140МПа σ pасч = 42, 7 МПа

таким образом шины термически и динамически устойчивы.

 

б) Выбираем и проверяем изоляторы.

 

Намечаем опорный изолятор ОФ – 10 – 375

UH=10кВ, Fразр = 375кг*с 3750 Н

Fразр*0, 6 = 3750*0, 6 = 2250Н Fрасч = 254Н

Намечаем проходной изолятор П – 10/400 – 750

UH=10кВ, IH = 400А, Fразр = 750 кг*с 7500 Н

Fразр *0, 6 = 7500*0, 6 = 4500Н

Fрасч/2 = 254/2 = 127Н

4500Н 127Н

Изоляторы динамически устойчивы

 

 

2. Выбор кабеля

Iр.м1 =

Принимаем кабель АСБ – 10 - 3× 16 с ІДОП = 75А 57, 9А и проверяем его:

Smin= = мм2

Sвыб = 16мм Smin =100мм2, т.е. кабель термически неустойчив, поэтому принимаем кабель АСБ – 10 - 3× 120, Sвыб = 120мм Smin =100мм2

 


Поделиться с друзьями:

mylektsii.su - Мои Лекции - 2015-2026 год. (2.651 сек.)Все материалы представленные на сайте исключительно с целью ознакомления читателями и не преследуют коммерческих целей или нарушение авторских прав Пожаловаться на материал