Студопедия

Главная страница Случайная страница

КАТЕГОРИИ:

АвтомобилиАстрономияБиологияГеографияДом и садДругие языкиДругоеИнформатикаИсторияКультураЛитератураЛогикаМатематикаМедицинаМеталлургияМеханикаОбразованиеОхрана трудаПедагогикаПолитикаПравоПсихологияРелигияРиторикаСоциологияСпортСтроительствоТехнологияТуризмФизикаФилософияФинансыХимияЧерчениеЭкологияЭкономикаЭлектроника






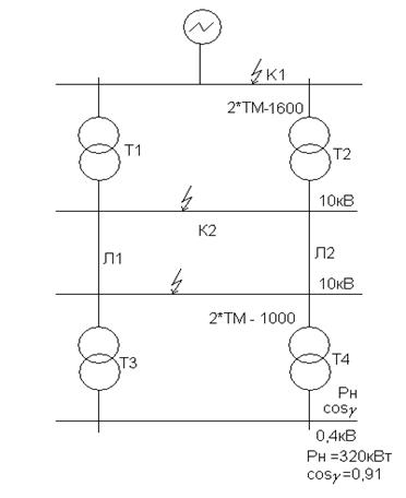
Выбор и проверка коммутационных аппаратов и трансформаторов тока.






Через все аппараты протекает Ірм = 57, 9А

QS1, Q1, TA, QS2, – проверяются на действие токов КЗ в т.К1, а QS3 – в т.К2.

 

Намечаем аппараты:

ВМГ – 10 – 630– 20; UH=10кВ; IH = 630А

РВ – 10 – 400; UH=10кВ; IH = 400А

ТПЛ – 10 – 75 /5; UH=10кВ; IH= 75А

 

а) Проверяем QS1 и QS2 (РВ – 10 – 400) по токам в т.К1:

iд = 50 кА iу = 19 кА

Іt2t = 162× 4 І2 *tOT = 92*1(кА2 *с)

Аппараты выбраны правильно.

 

б) Проверяем ВМГ – 10 – 630 – 20 по токам КЗ в т.К1

iд =50 кА iу = 19 кА

Іt2t = 202× 4 І2 *tOT = 92*1(кА2 *с)

 

в) Проверяем ТПЛ – 75/3 по токам КЗ в т.К1

Кд = 250; Кт = 90; Ін = 75А=0, 075кА

* Ін*Кд = 1, 41*0, 075*250=26, 4кА iу=19кА

(Кт* Ін)28t = (90*0, 075)2*1=45, 6кА2

І2 *tOT = 92*1(кА2*с)=81 кА2

45, 6 кА2 81кА2 *с, т.е. трансформатор тока термически не устойчив намечаем другой трансформатор ТПЛУ – 10 – 100/5

Кд = 250; Кт = 120; Ін = 100А=0, 1кА

* Ін*Кд = 1, 41*0, 1*250=35, 25кА iу=19кА

(Кт* Ін)28t = (120*0, 1)2*1=144кА2

І2 *tOT = 92*1(кА2*с)=81 кА2

144 кА2 81кА2 *с, т.е. трансформатор тока устойчив к действию токов КЗ

 

г) Проверяем QS3 (РВ – 10 – 400) по токам в т.К2

iд = 50кА iу = 10 кА

Іt2t = 162× 4 І2 *tOT = 10 (кА2 *с)

Аппарат устойчив к действию токов КЗ.

 

5.Расчет релейной защиты.

Расчет релейной защиты осуществляется в следующем порядке:

- составляется схема защиты;

- составляется карта селективности;

- рассчитываются уставки реле и осуществляется их выбор;

- осуществляется проверка защиты на чувствительность.

 

Пример 6. Разработать релейную защиту линии Л1 и трансформатора Т1.

 

I3по1 = 12кА

I3по2 = 4кА

I3по3 = 1, 5кА

35кВ

 

Для защиты линии и трансформатора намечаем два вида защиты; МТЗ и токовую.

 

 

Расчет защиты линии Л1.

а) Составляем схему защиты. Так как линия работает в режиме с изолированной нейтралью (U=10кВ), намечаем схему соединения трансформаторов токов и реле «неполная звезда», реагирующую на межфазные замыкание.

0, 4кВ

Рн=320кВт

cos =0, 91

 

КА1, КА3 – реле тока МТЗ

КА2, КА4 – реле тока отсечки.

 

 

 

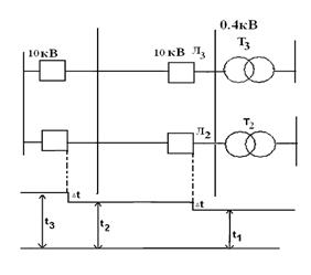
б) Составляем карту селективности

 

Время действия наиболее удаленной от источника питания защиты принимается 0, 2 – 0, 3с,

t – ступень селективности. Для защиты с применением реле РТ – 40.

t=0, 5c;

t1= 0, 2с

t2 = t1+ t=0, 5+0, 2=0, 7с;

t3=t2+t =0, 7+0, 5=1, 2c.

 

в) Осуществляем выбор реле тока:

МТЗ

 

Ісрм=

Кн=1, 1 – 1, 25 – коэффициент надежности

Ксз = 3-4 - коэффициент самозапуска двигателя

Ксх = 1- коэффициент схемы для неполной звезды

Ірм=

Намечаем трансформатор тока ТПЛ – 100/5

Определяем коэффициент трансформации трансформатора тока:

КТТ=

Ісрм=(1, 1*3*1)/(0, 8*20)*101=20, 8А

Кв=0, 8 для РТ – 40(коэффициент возврата реле)

Выбираем реле РТ – 40 -50 с диапазоном тока срабатывания 12, 5 – 25А – при последовательном соединении катушек и 25 – 50А – при параллельном соединении катушек.

Катушки соединяем параллельно и выставляем уставку Ісрм = 20, 8А

 

- отсечка Ісрм=

Ік – значение периодической составляющей 3-х фазного тока КЗ для момента времени t=0, в конце защищаемой линии

Ік= І3по3, Кн =1, 2 -1, 3 для РТ – 40

 

Ісро=

Выбираем РТ – 40/100 с диапазоном уставок:

20 -25А (при последовательном соединении катушек реле)

50-100А (параллельном соединении катушек реле)

На шкале устанавливаем 45А, а катушки соединяем параллельно.

 

г) Выбираем реле времени

Из карты селективности находим, что время действия защиты линии Л1,

t =0, 7с.

Выбираем реле постоянного тока ЭВ – 112 с диапазоном уставок 0, 1 – 1, 3с и

напряжением питания 220В.

 

д) Выбор промежуточного реле

Принимаем РП – 23 с напряжением 220В.

 

 

е) Выбор указательного реле

Іср т.к Rкн RYAT принимаем Rкн = 0

Ісркн

Принимаем Rкн = 0

Выбираем реле RУ – 21/2 с Icp=2A 2, 5A

 

 

ж) Осуществляем проверку защиты на чувствительность.

Определяем значение тока КЗ в защищаемой линии

К4 =

Ikmin – минимальное значение КЗ в защищаемой линии

Iсз = Ктт *Iср – ток срабатывания защиты

 

Для МТЗ

 

К4 1, 5, Ikmin = I2по – начальное значение периодической составляющей 2-х фазного тока КЗ в конце защищаемой линии.

I(2) по3= 0, 87* I(3)по3;

К4 =

1.15 - т.е. МТЗ удовлетворяет условию чувствительности.

 

Для отсечки К2 2 Ikmin = I(2)по – начальное значение периодической составляющей 2 – х фазного тока КЗ в начале защищаемой линии.

К4 =

2. Расчет защиты трансформатора Т1.

Принимаем два вида защиты:

МТЗ – для защиты трансформатора от сверхтоков при внешних КЗ.

Отсечка - для защиты в/в выводов и части в/в обмотки. Построение схем защиты аналогично защите для линии Л1.

а) Выбор реле тока.

МТЗ:

Ісрм=

Кн = 1, 1-2, 2; Кв =0, 8; Ксз = 3-4/

Определяем рабочий максимальный ток, с учетом возможностей перегрузки Т1 при отключении Т2.

 

Ірм=

Принимаем трансформатор тока ТФН – 35 – 50 /5

Ін1 = 50А, Ін2 = 5А, Ктт=Ін1/Ін2 = 50/5=10

Ісрм=

Выбираем реле РТ - 40 -20 с диапазоном уставок 5 -10Апри последовательном соединении катушек и 10-20А при параллельном.

Отсечка: Ісро =

I(3)к – начальное значение периодической составляющей 3-ч фазного тока КЗ на шинах НН понижающего трансформатора.

I(3)к = Iпо2 = 4кА

Кн = 1, 3-1, 4 – для РТ- 40

Кн = 1, 6 – для РТ – 80

Ісро =

На такой ток реле не выпускаются, чтобы снизить величину Іср, принимаем трансформатор тока с повышенным коэффициентом трансформации ТФН = 35-150/5 Ктт =30, Ісро = (1, 3*1/30)*4000=173А

Выбираем РТ – 40/200 с Іср = 50-200А

Пересчитываем МТЗ на ТФН – 35-150/5

Ісрм= (1, 1*3*1)/(0, 8*30)*37=5, 1А

Выбираем РТ – 40/10 с диапазоном уставок 2, 5-10А

 

б) Выбор реле времени

Из карты селективности находим, что время действия защиты трансформатора Т1, t1 = 1, 2 с.

Выбираем реле времени ЭВ=112 с диапазоном уставок 0, 1-1, 3с и напряжением 220В.

 

в) Выбор промежуточного реле.

Выбираем реле РП – 23 с напряжением 220В.

 

г) Выбор указательного реле.

ІсркН = Uсх/RYAT = 311Ом (привод ВМП – 35)

ІсркН = 220/311=0, 7А

Принимаем РУ – 3/0, 5 с Іср =0, 5А 0, 7А

 

д) Проверяем защиту на чувствительность

 

МТЗ:

К4 =

Ikmin – минимальное значение тока КЗ на выводах НН трансформатора

Ikmin = I(2)по – начальное значение периодической составляющей 2-х фазного тока КЗ.

I(2) по2= 0, 87* I(3)по2 = 0, 87*4000=3480А

Iсз = Ктт* Icрм = 30*5.1=153A

К4 = 1.5

 

Отсечка К4 2 К4=Ikmin / Iсз

Ikmin- ток 2-х фазного КЗ на выводах обмотки ВН трансформатора.

Ikmin = I(2)по1 = 0, 87 I(3)по2 = 0, 87*12000=10440А

Iсз = Ктт* Iсро = 30173=5190А

К4 = 10440/5190=2, 01 2


Поделиться с друзьями:

mylektsii.su - Мои Лекции - 2015-2026 год. (0.941 сек.)Все материалы представленные на сайте исключительно с целью ознакомления читателями и не преследуют коммерческих целей или нарушение авторских прав Пожаловаться на материал