Студопедия

Главная страница Случайная страница

КАТЕГОРИИ:

АвтомобилиАстрономияБиологияГеографияДом и садДругие языкиДругоеИнформатикаИсторияКультураЛитератураЛогикаМатематикаМедицинаМеталлургияМеханикаОбразованиеОхрана трудаПедагогикаПолитикаПравоПсихологияРелигияРиторикаСоциологияСпортСтроительствоТехнологияТуризмФизикаФилософияФинансыХимияЧерчениеЭкологияЭкономикаЭлектроника






Источник ЭДС и источник тока в электрических цепях






При расчете и анализе электрических цепей реальный источник электрической энергии с конечным значением величины внутреннего сопротивления r0 заменяют расчетным эквивалентным источником ЭДС или источником тока.


Рис. 1.14

Источник ЭДС (рис. 1.14) имеет внутреннее сопротивление r0, равное внутреннему сопротивлению реального источника. Стрелка в кружке указывает направление возрастания потенциала внутри источника ЭДС.

Для данной цепи запишем соотношение по второму закону Кирхгофа

(1.10)

E=U+Ir0 или E=U− Ir0.

Эта зависимость напряжения U на зажимах реального источника от тока I определяется его вольт-амперной или внешней характеристикой (рис. 1.15). Уменьшение напряжения источника U при увеличении тока нагрузки I объясняется падением напряжения на его внутреннем сопротивлении r0.

Рис. 1.15 Рис. 1.16

У идеального источника ЭДС внутреннее сопротивление r 0< < R н (приближенно r 0≈ 0). В этом случае его вольт-амперная характеристика представляет собой прямую линию (рис. 1.16), следовательно, напряжение U на его зажимах постоянно (U = E) и не зависит от величины сопротивления нагрузки R н.


Рис. 1.17

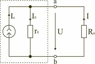
Источник тока, заменяющий реальный источник электрической энергии, характеризуется неизменным по величине током I к, равным току короткого замыкания источника ЭДС , и внутренним сопротивление r 0, включенным параллельно (рис. 1.17).

Стрелка в кружке указывает положительное направление тока источника. Для данной цепи запишем соотношение по первому закону Кирхгофа

I к= I 0+ I; .

В этом случае вольт-амперная (внешняя) характеристика I (U) источника тока определится соотношением

(1.11)

I = I кI 0= I кU / r 0

и представлена на рис. 1.18.

Рис. 1.18 Рис. 1.19

Уменьшение тока нагрузки I при увеличении напряжения U на зажимах ab источника тока, объясняется увеличением тока I0, замыкающегося в цепи источника тока.

В идеальном источнике тока r0> > Rн. В этом случае можно считать, что при изменении сопротивления нагрузки Rн потребителя I0≈ 0, а I≈ Iк. Тогда из выражения (1.11) следует, что вольт-амперная характеристика I(U) идеального источника тока представляет прямую линию, проведенную параллельно оси абсцисс на уровне I=Iк=E/r0 (рис. 1.19).

При сравнении внешних характеристик источника ЭДС (рис. 1.15) и источника тока (рис. 1.18) следует, что они одинаково реагируют на изменение величины сопротивления нагрузки. Покажем, что в обоих случаях ток I в нагрузке определяется одинаковым соотношением.

Ток в нагрузке Rн для схем источника ЭДС (рис. 1.14) и источника тока (рис. 1.17) одинаков и равен .

Для схемы (рис. 1.14) это следует из закона Ома, т.к. при последователь-ном соединении сопротивления r0 и Rн складываются. В схеме (рис. 1.17) ток распределяется обратно пропорционально сопротивлениям r0 и Rн двух параллельных ветвей. Ток в нагрузке Rн

,

т.е. совпадает по величине с током при подключении нагрузки к источнику ЭДС. Следовательно, схема источника тока (рис. 1.17) эквивалентна схеме источника ЭДС (рис. 1.14) в отношении энергии, выделяющейся в сопротивлении нагрузки Rн, но не эквивалентна ей в отношении энергии, выделяющейся во внутреннем сопротивлении источника питания.

Каким из двух эквивалентных источников питания пользоваться, не играет существенной роли. Однако на практике, особенно при расчете электротехнических устройств, чаще используется в качестве источника питания источник ЭДС с внутренним сопротивлением r0 и величиной электродвижущей силы E.

В тех случаях, когда номинальное напряжение или номинальный ток и мощность источника электрической энергии оказываются недостаточными для питания потребителей, вместо одного используют несколько источников. Существуют два основных способа соединения источников питания: последовательное и параллельное.

Последовательное включение источников питания (источников ЭДС) применяется тогда, когда требуется создать напряжение требуемой величины, а рабочий ток в цепи меньше или равен номинальному току одного источника ЭДС (рис. 1.20).

Рис. 1.20

Для этой цепи на основании второго закона Кирхгофа можно записать

E 1+ E 2+ E 3= I (r 01+ r 02+ r 03+ R н),

откуда

.

Таким образом, электрическая цепь на рис. 1.20 может быть заменена цепью с эквивалентным источником питания (рис. 1.21), имеющим ЭДС E э и внутреннее сопротивление r э.

Рис. 1.21 Рис. 1.22

При параллельном соединении источников (рис. 1.22) соединяются между собой положительные выводы всех источников, а также их отрицательные выводы. Характерным для параллельного соединения является одно и то же напряжение U на выводах всех источников. Для электрической цепи на рис. 1.22 можно записать следующие уравнения:

I = I 1+ I 2+ I 3; P = P 1+ P 2+ P 3= UI 1+ UI 2+ UI 3= UI.

Как видно, при параллельном соединении источников ток и мощность внешней цепи равны соответственно сумме токов и мощностей источников. Параллельное соединение источников применяется в первую очередь тогда, когда номинальные ток и мощность одного источника недостаточны для питания потребителей. На параллельную работу включают обычно источники с одинаковыми ЭДС, мощностями и внутренними сопротивлениями.


Поделиться с друзьями:

mylektsii.su - Мои Лекции - 2015-2026 год. (2.301 сек.)Все материалы представленные на сайте исключительно с целью ознакомления читателями и не преследуют коммерческих целей или нарушение авторских прав Пожаловаться на материал