Студопедия

Главная страница Случайная страница

КАТЕГОРИИ:

АвтомобилиАстрономияБиологияГеографияДом и садДругие языкиДругоеИнформатикаИсторияКультураЛитератураЛогикаМатематикаМедицинаМеталлургияМеханикаОбразованиеОхрана трудаПедагогикаПолитикаПравоПсихологияРелигияРиторикаСоциологияСпортСтроительствоТехнологияТуризмФизикаФилософияФинансыХимияЧерчениеЭкологияЭкономикаЭлектроника






Режимы работы электрической цепи






При подключении к источнику питания различного количества потребителей или изменения их параметров будут изменяться величины напряжений, токов и мощностей в электрической цепи, от значений которых зависит режим работы цепи и ее элементов.

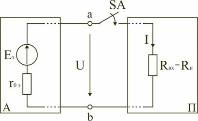
Реальная электрическая цепь может быть представлена в виде активного и пассивного двухполюсников (рис. 1.23).

Рис. 1.23

Двухполюсником называют цепь, которая соединяется с внешней относительно нее частью цепи через два вывода а и b – полюса.

Активный двухполюсник содержит источники электрической энергии, а пассивный двухполюсник их не содержит. Для расчета цепей с двухполюсниками реальные активные и пассивные элементы цепи представляются схемами замещения. Схема замещения пассивного двухполюсника П представляется в виде его входного сопротивления

.

Схема замещения активного двухполюсника А представляется эквивалентным источником с ЭДС Eэ и внутренним сопротивлением r0э, нагрузкой для которого является входное сопротивление пассивного двухполюсника Rвх=Rн.

Режим работы электрической цепи (рис. 1.23) определяется изменениями параметров пассивного двухполюсника, в общем случае величиной сопротивления нагрузки Rн. При анализе электрической цепи рассматривают следующие режимы работы: холостого хода, номинальный, короткого замыкания и согласованный.

Работа активного двухполюсника под нагрузкой Rн определяется его вольт-амперной (внешней) характеристикой, уравнение которой (1.10) для данной цепи запишется в виде

(1.12)

U=Eэ− Ir0э.

Эта вольт-амперная характеристика строится по двум точкам 1 и 2 (рис. 1.24), соответствующим режимам холостого хода и короткого замыкания.


Поделиться с друзьями:

mylektsii.su - Мои Лекции - 2015-2026 год. (0.863 сек.)Все материалы представленные на сайте исключительно с целью ознакомления читателями и не преследуют коммерческих целей или нарушение авторских прав Пожаловаться на материал