Студопедия

Главная страница Случайная страница

КАТЕГОРИИ:

АвтомобилиАстрономияБиологияГеографияДом и садДругие языкиДругоеИнформатикаИсторияКультураЛитератураЛогикаМатематикаМедицинаМеталлургияМеханикаОбразованиеОхрана трудаПедагогикаПолитикаПравоПсихологияРелигияРиторикаСоциологияСпортСтроительствоТехнологияТуризмФизикаФилософияФинансыХимияЧерчениеЭкологияЭкономикаЭлектроника






Задание. В работе требуется определить входное сопротивление (проводимость) задан- ной пассивной двухполюсника (ДП) с потерями и построить его амплитудно-частотные и






Лабораторная работа ИССЛЕДОВАНИЕ ЧАСТОТНЫХ ХАРАКТЕРИСТИК ПАССИВНЫХ ДВУХПОЛЮСНИКОВ С ПОТЕРЯМИ

Цель работы

В работе требуется определить входное сопротивление (проводимость) задан- ной пассивной двухполюсника (ДП) с потерями и построить его амплитудно-частотные и фазочастотные характеристики.

Краткие теоретические сведения

При исследовании процессов, происходящих в сложных электрических це- пях, часто интересуются током, напряжением и мощностью только одной ветви. В этом случае выделяют ветвь, присоединенную к сложной цепи в двух точках (дву- мя зажимами). Согласно ГОСТ Р 52002-2003 - " Термины и определения основных понятий" двухполюсник — это " часть электрической цепи с двумя выделенными выводами".

Вывод (электрической цепи) точка электрической цепи, предназначен- ная для выполнения соединений с другой электрической цепью. Выводы также на- зывают зажимами или полюсами. К ним можно подключать источники, приемники, другие ДП или участки цепи.

Таким образом, электрическая энергия передается только через два вывода ДП, и втекающий ток равен вытекающему. Магнитная связь и емкостная связь ДП с внешней цепью отсутствует (независимый ДП).

ДП, содержащие источники энергии, называются активными, а не содер- жащие источников энергии – пассивными. Всякий пассивный ДП, содержащий ре- зисторы, рассеивает электрическую энергию (потери), является потребителем и характеризуется входным сопротивлением или входной проводимостью. Эти ком- плексные величины, рассматриваемые в диапазоне частот, обобщенно называют входными функциями.

Вид входных функций пассивного ДП позволяет определить или обеспе- чить заданную связь между напряжением и током на одном из входов цепи, т. е. решить важные задачи анализа и синтеза линейных электрических цепей систем автоматики, телемеханики и связи.


Задание

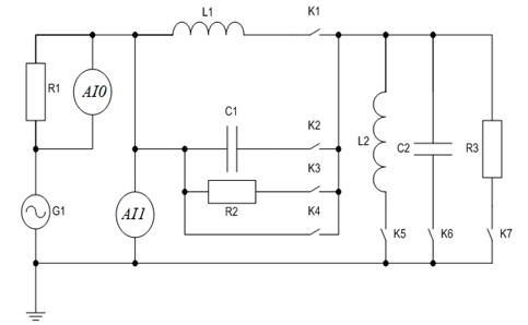
1 Исследуемый в данной работе пассивный ДП подключен к генера- тору гармонического напряжения G1 через измерительный резистор R1 (рисунок 1.1).

Рисунок 1.1

 

Принципиальная схема, используемая в данной лабораторной работе, приведена на рисунке 1.2. С помощью ключей K1K7 выбирается вариант ДП.

Рисунок 1.2

 

В качестве G1 используется функциональный генератор FGEN из ос- новного комплекта приборов.

AI0 и AI1 представляют собой аналоговые измерительные входы ра- бочей станции. На AI0 подается сигнал u r с резистора R1, пропорциональный току ДП. На AI1 подается входное напряжение u вх на зажимах ДП. Сигналы,


поступающие на измерительные входы, могут быть отображены с помощью двухканального осциллографа SCOPE.

 

Рисунок 1.3

 

Исследуемая цепь собрана на макетной плате (рисунок 1.3). Схема задается преподавателем (рисунки 1.4-1.9). Система коммутации ключей приведена в таблице 1.1 параметры компонентов схемы - в таблице 1.2.

Рисунок 1.4 Рисунок 1.5 Рисунок 1.6

 

Схема Рисунок K1 K2 K3 K4 K5 K6 K7
  Рис. 1.4 - - + - + - -
  Рис. 1.5 - - + - - + -
  Рис. 1.6 - - + - + + -
  Рис. 1.7 + - - - - + +
  Рис. 1.8 - + - - + - +
  Рис. 1.9 - - - + + + +

 

Рисунок 1.7 Рисунок 1.8 Рисунок 1.9 Таблица 1.1- Коммутация ключей (" + " —замкнут; " - " — разомкнут)


Таблица 1.2 - Номиналы компонентов

R1 R2 R3 L1 L2 C1 C2 UГm
200 Ом 200 Ом 200 Ом 150 мГн 150 мГн 2.2 мкФ 2.2 мкФ 5 В

 

2 Запустить программу Multisim, и открыть файл ТЛЭЦ/Лаб1/lab1_varN_tlec.ms10, где N — номер заданной схемы. Прове- рить коммутацию ключей в загруженной схеме, открыть панели функцио- нального генератора XFG1, осциллографа XSC1, измерителя частотных ха- рактеристик (ИЧХ) XBP1 и запустить моделирование (включить " выключа- тель").

Изначально генератор установлен на синусоидальное напряжение u Г ам- плитудой 5 В и частотой 20 Гц. На осциллографе отображаются сигналы входного напряжения ДП u вх (кривая голубого цвета) и напряжения u r на из- мерительном резисторе R1 (кривая зеленого цвета), которое пропорционально току.


На экране ИЧХ отображается АЧХ входного сопротивления,


Z вх()


(при


 


нажатой кнопке Magnitude) или ФЧХ входного сопротивления


()


(при на-


 

жатой кнопке Phase). C помощью подвижной вертикальной визирной линии следует выбрать на оси частот 15—20 точек, исходя из необходимости адек- ватного представления АЧХ. Частота в герцах и сопротивление в омах ото- бражаются в поле ниже экрана. Если АЧХ " сжата" в области нижних частот, то следует переключиться на логарифмический масштаб по оси частот (кнопка Log в поле Horizontal). Полученные результаты занести в таблицу 1.3. После этого для тех же частот измерить ФЧХ и занести в табли- цу 1.3. Частота в герцах и сдвиг фаз в градусах отображаются в поле ниже экрана.

Таблица 1.3 - Результаты компьютерного моделирования

f, Гц                                      
Zвх, Ом                                      
, °                                      

Установить несколько частот на генераторе и пронаблюдать осцилло- граммы тока и напряжения. Сравнить фазовые сдвиги с показаниями ИЧХ.

3 Установить макетную плату на станцию ELVIS II и замкнуть ключи со- гласно таблице 1.1. Внимательно проверить коммутацию (!) и пригласить преподавателя для контроля.

4 Включить станцию. Запустить панель основного комплекта приборов NI ELVIS, затем генератор FGEN и осциллограф SCOPE.

На генераторе установить синусоидальное напряжение с размахом Vpp=10 В (поле Amplitude), частотой 20 Гц (поле Frequency).

Каналы осциллографа Channel0 и Channel1 настроить на измеритель- ные входы станции AI0 (u r—сигнал на измерительном резисторе R1) и AI1 (напряжение u вх) соответственно. Ниже поля Source канала Channel1 включить опцию Enable.

Активизировать SCOPE и FGEN, нажав кнопки RUN. Настроить ос- циллограф на отображение нескольких периодов сигнала (поле Timebase).

С помощью осциллографа при значениях частот генератора, соответст- вующих таблице 1.3, измерить:

· размах напряжения u r на резисторе R1 пропорционального току ДП (2Umr) — величина Vp-p в зеленой строке CH0 Meas ниже экрана (см. рисунок 1.10);

· размах напряжения u вх на входе ДП (2Umвх) — величина Vp-p в голубой строке CH1 Meas;


· временно́ й сдвиг D t


мгновенных значений тока и напряжения ДП:


D t > 0 при активно-индуктивном характере и


D t < 0


при активно-


емкостном характере входной функции —величина dT при включен- ных (Cursors On) и правильно установленных визирных линиях


Результаты занести в таблицу 1.4.

 

Рисунок 1.10

5 Вычислить действующие значения: падения напряжения на сопротивле- нии R1 (Ur), напряжения на входе пассивной цепи (Uвх), тока в цепи, модули входного сопротивления и проводимости пассивной цепи при f=var. Резуль- таты расчетов занести в таблицу 1.4.

Таблица 1.4- Результаты экспериментов и вычислений

измерено f, Гц   ... ... ... ... ... ... ... ... ...
2 U mr, B                    
2 Um вх, В                    
D t, c                    
вычислено Ur, В                    
Uвх, В                    
I, A                    
Zвх, Ом                    
Yвх, См                    
, °                    

 


Поделиться с друзьями:

mylektsii.su - Мои Лекции - 2015-2026 год. (0.795 сек.)Все материалы представленные на сайте исключительно с целью ознакомления читателями и не преследуют коммерческих целей или нарушение авторских прав Пожаловаться на материал