Студопедия

Главная страница Случайная страница

КАТЕГОРИИ:

АвтомобилиАстрономияБиологияГеографияДом и садДругие языкиДругоеИнформатикаИсторияКультураЛитератураЛогикаМатематикаМедицинаМеталлургияМеханикаОбразованиеОхрана трудаПедагогикаПолитикаПравоПсихологияРелигияРиторикаСоциологияСпортСтроительствоТехнологияТуризмФизикаФилософияФинансыХимияЧерчениеЭкологияЭкономикаЭлектроника






Лінія подачі палива високого тиску






Для забезпечення гарного розпилення палива, що впорскується в середовище щільно стиснутого повітря, необхідно подавати його під високим тиском. З цією метою дизельні двигуни мають насос високого тиску, що разом з форсунками і трубопроводами утворить лінію високого тиску.

У циліндри двигуна під дією насоса високого тиску через форсунки закритого типу в строго визначених дозах (у залежності від навантаження двигуна і режиму його роботи)упорскується паливо.

Рис. 5. Схема роботи паливоподаючого насоса:

а - рух поршня вниз - паливо подається до насоса високого тиску; б - рух поршня нагору - паливо заповнює порожнину Б; 1 - нагнітальний і 2 - впускний клапани; 3 - поршень; 4 - шток; 5 - ролик; 6 - кулачок вала приводу; 7 і 8 - пружини; А і Б - порожнини

Таким чином, паливний насос високого тиску насампередвідміряє визначені дози палива, подавані в кожен циліндр за один робочий хід. Тому що ці дози повинні бути дуже незначними й однаковими для кожного циліндра.Насоси високого тиску виконують з великим ступенем точності.

Паливо подають паливним насосом високого тиску в строго визначений момент, за дуже короткий проміжок часу, з можливістю зміни моменту випередження упорскування стосовнопроходу поршня через в.м.т. наприкінціходу стиску. Паливний насос обслуговує всі циліндри двигуна.

Паливні насоси високого тиску, застосовувані в сучасних автомобільних дизельних двигунах, відносяться до плунжерного типу з окремою секцією на кожен циліндр двигуна. Усі секції об'єднані в одному корпусі і приводяться в дію від загального кулачкового вала, що одержує обертання через шестерний привід від розподільного вала двигуна.

У більшості насосів високого тиску всі плунжерні секції розташовані в один ряд, у деяких насосів, наприклад установлюваних на двигунах ЯМЗ-740, плунжерні секції розташовуються в два ряди під кутом 75° одна до іншої.

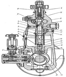
Пристрій насоса високого тиску показане на мал. 6. Він складається з корпуса 7 насоса, плунжерних секцій, кулачкового вала 1, регулятора частоти обертання і муфти випередження упорскування. Кожна секція насоса являє собою гільзу 11 ізплунжером, що рухається усередині неї, 12.

Гільзи встановлені в розточеннях корпуса насоса і фіксуються в ньому стопорними гвинтами 6. Верхній отвір у гільзі впускний, вінсполучається з каналом Б підведення палива в корпусі насоса. Нижній (пропускний) отвір у гільзі з'єднано з каналом А відводу палива. На зовнішній поверхні верхньої частини плунжера мається кругова проточка. Вище її розташований фасонний паз, що починається знизу гвинтовою канавкою і закінчується прямолінійною вертикальною канавкою. Цей паз з'єднує простір над плунжером з кільцевою порожниною, утвореною круговим виточенням на плунжері. Зверху до гільзи прилягає сідло нагнітального клапана 10, що притискається до торцевої поверхні гільзи штуцером 8, укрученим у корпус насоса. До штуцера приєднаний нагнітальний трубопровід високого тиску.

Плунжери всіх секцій приводяться в рух від загального кулачкового вала 1, розташованого в нижній частині корпуса і встановленого на конічних роликових підшипниках. Кулачок діє на плунжер 12 через роликовий штовхальник 18, що постійно притискається до кулачка пружиною 15. Під дією цієї пружини, що спирається на тарілку 2, плунжер рухається вниз. Провертанню штовхальника перешкоджає вісь 19 ролика, що має виступи, що входять у пази на розточеннях корпуса. Ролик 21 штовхальника встановлений навтулці, що плаває, 20. Для регулювання моменту початку подачі палива в штовхальник 18 укручений регулювальний гвинт 16, що фіксується у визначеному положенні контргайкою 17.

Рис. 6. Поперечний розріз насоса високого тиску:

1 - кулачковый вал; 2 - нижня тарілка; 3 - поворотна втулка; 4 - верхня тарілка; 5 - зубцюватий сектор; 6 - стопорний гвинт; 7 - корпус; 8 - штуцер; 9 - пружина нагнітального клапана; 10 - нагнітальний клапан; 11 - гільза; 12 - плунжер; 13 - гвинт обмеження ходу рейки; 14 - пальці ведучої напівмуфти; 15 - пружина; 16 - регулювальний БИНТ; 17 - контргайка; 18 - штовхальник; 19 - вісь ролика; 20 -втулка, що плаває; 21 - ролик; А і Б - канали відводу і підведення палива

 

Розглянемо роботу насоса високого тиску. Коли плунжер 2 (мал. 7) опускається (положення І), простір над ним заповнюється паливом, що надходить через отвір Д в гільзі 1 і канал Б (див. мал. 6) підведення палива. При русі плунжера нагору (мал. 7, положення ІІ) цей отвір перекривається торцевою крайкою плунжера і тиск у просторі над плунжером підвищується. Зі збільшенням тиску до 1, 2-1, 8 МПа відкривається нагнітальний клапан 10 (див. мал. 6) і паливо через штуцер каналу А відводу палива і трубопровід високого тиску надходить до форсунки. Плунжер продовжує підніматися і відповідно підвищує тиск.

 

Рис. 7. Плунжер форсунки:

а - схема роботи; б - нагнітальний клапан; 1 - гільза; 2 - плунжер; 3 - робоча гвинтова канавка плунжера; 4 - корпус нагнітального клапана; 5 - нагнітальний клапан; А и Б - пропускні отвори плунжера і гільзи; В и Е - паливні канали в корпусі насоса; Г - розвантажувальний пасок клапана; Д - вхідний отвір; Ж - горизонтальний отвір плунжера; 3 - неробоча гвинтова канавка плунжера; І - заповнення гільзи паливом; ІІ й ІІІ - положення плунжера на початку і кінці середньої подачі; ІV і V - положення плунжера при повній і нульовій подачах,

 

Коли його величина досягає 15 МПа, піднімається голка форсунки і доза палива, подана насосом, впорскується в циліндр двигуна. При підході плунжера до в.м.т. (мал. 7, положення ///) його крайка відкриває пропускний отвір Б гільзи, що з'єднує порожнину гільзи зканалом, що відводить, у результаті чого тиск над плунжером і в трубопроводі, що веде до форсунки, падає. Нагнітальний клапан закривається, і надходження палива в циліндр припиняється. Для більш кращого процесу згоряння необхідно, щоб подача палива завершувалася чітким відсіченням. Для цього на нагнітальному клапані 5 роблять розвантажувальний пасок Г, що збільшує обсяг у паливопроводі між форсункою і клапаном.

Величина дозипалива, що впорскується, залежить від тривалості подачі, тобтовід моменту відкриття крайкою гвинтової канавки і плунжера пропускного отвору Б. Чим пізніше відкривається пропускний отвір, тим більша кількість палива впорскується в циліндр. Більш раннє відкриття пропускного отвору зменшує кількістьпалива, що впорскується.

Для зміни тривалості упорскування плунжер повертають так, щоб крайка гвинтоподібної канавкираніш чи пізніше відкрила пропускний отвір.

Для повороту плунжера в гільзі кожної секції мається втулка. У верхній частині ця втулка несе на собі зубцюватий вінець, утримуваний стяжним гвинтом, а в нижній частині виконані два вертикальних пази, у котрі входять повідці плунжера. Завдяки великій довжині пазів повідці можуть переміщатися в них на всю довжину ходу плунжера.

З зубцюватими вінцями всіх секцій знаходиться в зачепленні зубцювата рейка, встановлена в корпусі насоса високого тиску, і приводи системою тяг від відцентрового регулятора, що керує подачею палива.

Подовжнє переміщення рейки викликає поворот утулок на гільзах і відповідне зміна положення плунжерів. Усуваючи рейку в корпус насоса, збільшують подачу палива, а висуваючи - зменшують.

Момент подачі палива в циліндр повинний бути зв'язаний з положенням його поршня. Надходження палива в циліндр повинне завершуватися до приходу поршня у в.м.т. Зі збільшенням частоти обертання вала двигуна зменшується час кожного ходу поршня. Відповідно повинний змінюватися і момент подачі палива, щоб уся порція вприснутого палива встигла запалитися і згоріти в той час, коли поршень знаходиться біля в.м.т.

Кут випередження подачі палива змінюється поворотом кулачкового вала насоса. При повороті кулачкового вала по напрямку його обертання кут випередження подачі палива збільшується, проти - зменшується. Змінюється кут випередження автоматично під дією відцентрової муфти, установленої на передньому кінці кулачкового вала насоса.

Між моментом початку подачі палива насосом, обумовленим відкриттям нагнітального клапана, і моментом упорскування палива форсункою мається невелика різниця в часі. Цепояснюєтьсядеякоюдеформацією паливопровода високого тиску і стискальністю палива.

Форсунки, застосовувані на сучасних дизельних двигунах, закритого типу з гідравлічним підйомом голки, тобтопрохідний перетин розпилювача перекривається голкою, що піднімається тиском палива в момент упорскування.

На мал. 8 показаний пристрій форсунки закритого типу. Вона складається зі сталевого корпуса 4, до якого гайкою 3 приєднаний корпус 2 розпилювача. У корпусі розпилювача встановлена голка І, що складає разом з корпусом розподільника прецизійну пару. У нижній частині розпилювача маються чотири соплових отвори для упорскування палива.

Рис. 8.Форсунказакритоготипу:

1– голка розпилювача; 2 - корпус розпилювача; 3 - гайка розпилювача; 4 - корпус; 5 - штанга; 6 - пружина; 7 - регулювальний гвинт; 8 - гайка пружини; 9 - штуцер; 10 - фільтр; А - кільцеве виточення; Б - порожнина під конічним сідлом голки

 

Корпус розпилювача фіксується щодо корпуса форсунки двома штифтами. У хвостовик голки упирається кінець штанги 5, верхня частина якої служить опорою для поворотної пружини 6. Ця пружина повертає голку у вихідне положення після закінчення упорскування палива.

Пружина 6 розташована у внутрішній порожнині фасонної гайки 8, що укручена своєю нижньою частиною в корпус форсунки. Попередній натяг пружини 6 може бути відрегульований підкручуванням гвинта 7, у заплечик якого упирається верхня частина пружини.

Паливо підводиться до форсунки по трубопроводу високого тиску, з'єднаному зі штуцером 9, усередині якого встановлений сітчастий фільтр 10. Пройшовши фільтр, паливо попадає у внутрішні канали корпуса форсунки і корпуси розпилювача і проходить у кільцеву порожнину навколо голки.

Упорскування відбувається, коли тиск палива, створюваний насосом, зросте і перевищить тиск пружини 6, у результаті чого голка підніметься і відкриє прохід для палива до соплових отворів розпилювача.

Після припинення подачі палива насосом тиск у кільцевій порожнині упаде, і під дією пружини 6 голка опуститься і закриє доступ паливу до соплових отворів розпилювача. Цей момент відповідає закінченню упорскування палива.

Паливо, що просочилось через зазор між голкою і корпусом форсунки, просувається по вертикальному каналі в зливальний трубопровід, що направляє його в бак. При установці форсунки в головку циліндрів повинна бути забезпечена висока герметичність. З цією метою торець гайки 3 розпилювачі ущільнений від прориву газів мідною гофрованою і сталевою шайбами й ущільнювальними кільцями.


Поделиться с друзьями:

mylektsii.su - Мои Лекции - 2015-2026 год. (1.159 сек.)Все материалы представленные на сайте исключительно с целью ознакомления читателями и не преследуют коммерческих целей или нарушение авторских прав Пожаловаться на материал