Студопедия

Главная страница Случайная страница

КАТЕГОРИИ:

АвтомобилиАстрономияБиологияГеографияДом и садДругие языкиДругоеИнформатикаИсторияКультураЛитератураЛогикаМатематикаМедицинаМеталлургияМеханикаОбразованиеОхрана трудаПедагогикаПолитикаПравоПсихологияРелигияРиторикаСоциологияСпортСтроительствоТехнологияТуризмФизикаФилософияФинансыХимияЧерчениеЭкологияЭкономикаЭлектроника






Основні елементи системи живлення карбюраторних двигунів






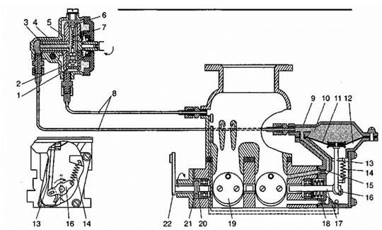
Обмежувач максимальної частоти обертання колінчастого вала, що встановлюється на двигуні вантажного автомобіля, запобігає підвищеному спрацьовуванню деталей двигуна.

Такий обмежувач відцентрово-вакуумного типу (рис. 2.40) складається з відцентрового датчика та виконавчого діафрагмового механізму. Датчик кріпиться до кришки розподільних шестерень і складається з ротора 5, в якому встановлено сідло 1 та клапан 2 на пружині 7. Натяг останньої регулюється гвинтом 6. Ротор 5 датчика приводиться в обертання від розподільного вала двигуна. Трубопроводами 8 датчик сполучено з виконавчим механізмом та вхідним патрубком карбюратора.

Виконавчий діафрагмовий механізм кріпиться до карбюратора, діє на його дросельні заслінки 19 і складається з діафрагми П зі штоком 7 та двоплечого важеля 16, установленого на одному кінці валика 77. До одного кінця важеля приєднано пружину 14, яка постійно намагається повернути важіль і валик у бік відкривання дросельних заслінок, а до іншого кінця — шток 13 діафрагми 11.

Рис. 5 Схема відцентрово-вакуумного обмежувача максимальної частоти обертання колінчастого вала:

1 — сідло клапана датчика; 2 — клапан датчика; 3 — отвір; 4 — корпус датчика; 5 — ротор; 6 — регулювальний гвинт; 7, 14 — пружини; 8 — трубопроводи; 9 — корпус обмежувача; 10, 12 — порожнини; 11 — діафрагма; 13 — шток; 75, 18 — повітряні жиклери; 16 — двоплечій важіль; 17 — валик дросельних заслінок; 19 — дросельні заслінки; 20 — пластинчастий важіль; 21 — вилка; 22 — важіль керування дросельними заслінками

 

До іншого кінця валика 17 прикріплено пластинчастий важіль 20, який входить у вилку 21 валика важеля 22 привода дросельних заслінок. Зазор між важелем 20 та кінцями вилки 21 дає змогу повернути валик 17 відносно важеля 22 на певний кут.

Коли двигун не працює, клапан відтягується пружиною 7 і вхідна порожнина патрубка карбюратора сполучається з верхньою порожниною виконавчого механізму.

Якщо частота обертання колінчастого вала двигуна досягне 3100 хв-1, то клапан 2, переміщуючись унаслідок збільшення відцентрової сили, перекриє отвір сідла 7 і тим самим припинить доступ повітря у верхню порожнину виконавчого механізму. Ця порожнина через канали й жиклери 18, 15 сполучиться зі змішувальною камерою карбюратора, тому в ній створиться велике розрідження, що діятиме на діафрагму 77, шток 13, валик 77 дросельної заслінки 19, переборить зусилля пружини 14 і дасть змогу дросельним заслінкам 19 карбюратора закритися незалежно від положення важеля 22, зв'язаного з педаллю керування дросельними заслінками.

Паливний бак має заливальну горловину, а також внутрішні пере, городки для запобігання різким переміщенням палива й датчик покажчика рівня палива. В заливальній горловині є сітчастий фільтр, а в її пробці (ГАЗ-53А, ЗИЛ-130, ГАЗ-24 «Волга») — паровий і повітряний клапани, дія яких аналогічна дії клапанів пробки радіатора системи охолодження. Місткість паливних баків автомобілів ГАЗ-24 «Волга» — 55 л, ГАЗ-53А — 90 л і ЗИЛ-130 - 170 л.

Сітчасті фільтри встановлюють у кришці корпусу паливного насоса й у штуцері поплавцевої камери карбюратора.

Фільтри-відстійники застосовуються для грубого й тонкого очищення палива.

Паливний фільтр грубої очистки встановлюють біля паливного бака. Його фільтрувальний елемент складається з тонких пластин З (рис. 2.41, а), що мають виштампувані виступи заввишки 0, 05 мм. Паливо очищається, проходячи крізь щілини між пластинами.

Фільтр тонкої очистки палива має керамічний фільтрувальний елемент 5 (рис. 2.41, б) або густу сітку, згорнуту в рулон. Установлюють його перед карбюратором.

Рис. 6 Паливні фільтри:

а — грубої очистки; б — тонкої очистки; 1 — відстійник; 2 — зливальна пробка; 3 — пластини фільтрувального елемента; 4 — отвори для палива; 5 — керамічний фільтрувальний елемент; 6 — гайка; 7 — скоба кріплення відстійника

 

Паливопідкачувальний насос призначається для подавання палива з бака в поплавцеву камеру карбюратора. Найбільш поширені паливопідкачувальні насоси діафрагмового типу (рис. 2.42). Після того, як ексцентрик розподільного вала двигуна натиснув на зовнішній кінець важеля 1 насоса, діафрагма 5 штоком 3 відтягується вниз. У порожнині над діафрагмою створюється розрідження, під дією якого відкриваються впускні клапани 6. Паливо з бака, пройшовши крізь сітчастий фільтр 7, заповнює порожнину над діафрагмою.

Коли виступ ексцентрика сходить із важеля 7, пружина 10 повертає останній у вихідне положення. Водночас діафрагма 5 під дією пружини 4 прогинається вгору. Під тиском палива, що надійшло в порожнину над діафрагмою, закриваються впускні клапани й відкривається випускний 9. Паливо з насоса надходить у поплавцеву камеру карбюратора. Під час заповнювання поплавцевої камери паливом діафрагма насоса залишається в нижньому положенні, а важіль 7 переміщується по штоку 3 вхолосту. Паливо до карбюратора в цьому разі не надходить.

Щоб заповнити поплавцеву камеру карбюратора, коли двигун не працює, треба натиснути на важіль 2 ручного підкачування, зв'язаний із діафрагмою насоса.

Рис. 7 Паливопідкачувальний насос діафрагмового типу:

1 — важіль привода; 2 — важіль ручного підкачування; 3 — шток; 4 — пружина; 5 — діафрагма; 6, 9 — відповідно впускний і випускний клапани; 7 — фільтр; 8 — кришка насоса; 10 — пружина важеля

Діафрагму 5 виготовляють із лакотканини або прогумованої тканини, клапани — з бензооливостійкої гуми, а їхні пружини — з бронзового дроту.

 

Паливопідкачувальний насос Б-10, що встановлюється на двигунах ЗИЛ-130, має три впускних і три випускних клапани. Зусилля від ексцентрика розподільного вала двигуна до важеля привода паливного насоса передається штангою.

Рис. 8 Повітряні фільтри:

а — інерційно-оливний; б — із сухим фільтрувальним елементом; 1 — ванна для оливи; 2 — фільтрувальний елемент; 3 — кришка; 4 — гайка-баранець; 5 — стяжний гвинт; 6 — патрубок відбирання повітря до компресора; 7 — відбивач оливи; 8, 11 — повітрозабірні патрубки; 9 — сухий фільтрувальний елемент; 10 — корпус фільтра; 12, 13 — патрубки вентиляції картера

 

Повітряний фільтр установлюється на карбюраторі й очищає повітря, що надходить у нього, від пилу.

В інерційно-оливному фільтрі (рис. 2.43, а) повітря зазнає подвійного очищення: розрідженням потік повітря спрямовується вниз, вдаряється об поверхню оливи (частинки пилу залишаються в оливі) й різко змінивши напрям, надходить крізь фільтрувальний елемент вхідний патрубок карбюратора. Фільтрувальний елемент виготовляють із металевої сітки або капронової набивки.

У повітряному фільтрі з сухим фільтрувальним елементом автомобілів «Жигули» також відбувається подвійне очищення. Зовнішній шар елемента 9 (рис. 2.43, б) виконано із синтетичних нетканих волокон (первинна очистка), а всередині міститься гофрований картон (вторинна очистка).

Патрубок 77, повернутий до радіатора, призначається для забирання повітря з підкапотного простору. Патрубок 8 забирає повітря з простору над випускним трубопроводом, що потрібно взимку. Із зимового положення в літнє фільтр переставляють за кольоровими мітками, нанесеними на його кришці.

Впускний трубопровід сполучає карбюратор із циліндрами двигуна. Трубопроводи відливають з чавуну або алюмінієвого сплаву. Алюмінієві впускні трубопроводи V-подібних двигунів ЗМЗ-53 і ЗИЛ-130 кріпляться до головок правого й лівого циліндрів. Трубопровід підігрівається теплотою охолодної рідини, що забезпечує повне випаровування бензину.

Випускний трубопровід призначається для відведення відпрацьованих газів із циліндрів. У V-подібних двигунів ЗМЗ-53 і ЗИЛ-130 є по два випускних трубопроводи, розташованих з обох боків двигуна. Приймальні труби від кожного випускного трубопровода йдуть до одного глушника 8 (див. рис. 2.36), розташованого під рамою автомобіля.

Глушник, що його встановлюють під двигуном, зменшує шум під час випускання відпрацьованих газів. Він має вигляд резервуара, всередині якого розміщено трубу з багатьма отворами й кількома поперечними перегородками. Відпрацьовані гази, потрапляючи в порожнину глушника, розширюються й, проходячи крізь отвори в трубі та перегородках, різко знижують швидкість, що й сприяє зниженню шуму.

 


Поделиться с друзьями:

mylektsii.su - Мои Лекции - 2015-2026 год. (2.227 сек.)Все материалы представленные на сайте исключительно с целью ознакомления читателями и не преследуют коммерческих целей или нарушение авторских прав Пожаловаться на материал