Студопедия

Главная страница Случайная страница

КАТЕГОРИИ:

АвтомобилиАстрономияБиологияГеографияДом и садДругие языкиДругоеИнформатикаИсторияКультураЛитератураЛогикаМатематикаМедицинаМеталлургияМеханикаОбразованиеОхрана трудаПедагогикаПолитикаПравоПсихологияРелигияРиторикаСоциологияСпортСтроительствоТехнологияТуризмФизикаФилософияФинансыХимияЧерчениеЭкологияЭкономикаЭлектроника






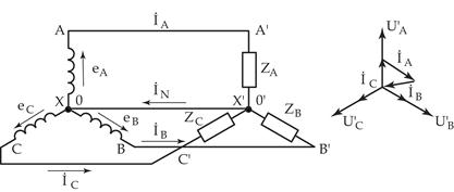
Соединение приемников электроэнергии звездой






Приемник энергии, т.к. и обмотки генераторов могут соединяться звездой, при этом получается четырехпроводная или трехпроводная система.

Линейный и фазный ток это один и тот же ток, поэтому .

Если нагрузка симметричная, т.е. токи в фазах равны, то ток в нейтральном проводе равен нулю.

Для точки О’ мгновенное значение

, т.е. необходимость в нейтральном проводе отпадает.

Если же нагрузка не симметричная, т.е. сопротивление фаз, а следовательно – и токи, различны, то в нейтральном проводе появляется ток.

Ток в нейтральном проводе согласно первому закону Кирхгофа. Следовательно, между нулевыми точками генератора и потребителя возникает напряжение, которое называется смещением нейтрали. Это напряжение можно определить методом узлового напряжения.

Напряжение на отдельных фазах приемника можно определить

В результате, если , то при несимметричной нагрузке напряжение на отдельных потребителях будет неодинаковым.

Для выравнивания напряжений стремятся уменьшить до нуля, а это можно сделать двумя способами: 1. выровнять нагрузки отдельных фаз, тогда 2. нейтральный провод выполнить с очень малым сопротивлением, т.е.

Обычно ток в нейтральном проводе в 2-3 раза меньше, чем в линейных проводах, поэтому его можно выполнить с меньшим сечением. Обрыв нейтрального провода при несимметричной нагрузке вызывает изменение фазных токов и напряжения, поэтому предохранители в нейтральном проводе не устанавливаются.

 


Поделиться с друзьями:

mylektsii.su - Мои Лекции - 2015-2026 год. (1.468 сек.)Все материалы представленные на сайте исключительно с целью ознакомления читателями и не преследуют коммерческих целей или нарушение авторских прав Пожаловаться на материал