Студопедия

Главная страница Случайная страница

КАТЕГОРИИ:

АвтомобилиАстрономияБиологияГеографияДом и садДругие языкиДругоеИнформатикаИсторияКультураЛитератураЛогикаМатематикаМедицинаМеталлургияМеханикаОбразованиеОхрана трудаПедагогикаПолитикаПравоПсихологияРелигияРиторикаСоциологияСпортСтроительствоТехнологияТуризмФизикаФилософияФинансыХимияЧерчениеЭкологияЭкономикаЭлектроника






Определение передаточных чисел коробки перемены передач






 

Далее необходимо определить передаточное отношение первой передачи по формуле:

, (2.5)

где - полная масса автомобиля, , -собственная масса автомобиля, кг (таблица 2.1), - грузоподъёмность автомобиля, кг (таблица 2.1);

- ускорение свободного падения, =9, 81 м/с2;

- радиус качения колеса, м (принимаем радиус качения колеса равным статическому радиусу шины);

- максимальное значение коэффициента сопротивления дороги. Принимают в зависимости от типа автомобиля: = 0, 35…0, 5 - для легковых автомобилей; =0, 25…0, 35 - автобусов и грузовых автомобилей, предназначенных для междугородних сообщений; =0, 35…0, 45 - для грузовых автомобилей общего назначения; =0, 45…0, 55 - для автомобилей повышенной проходимости; = 0, 18...0, 4 - для автопоездов;

- максимальное значение крутящего момента по внешней скоростной характеристике двигателя (таблица 2.3), Н∙ м;

-передаточное отношение главной передачи (таблица 2.1);

–механический КПД трансмиссии;

- максимальное передаточное число дополнительной коробки передач или демультипликатора (таблица 2.1). Если дополнительная коробка передач отсутствует =1, 0.

После того как определили передаточное число первой передачи необходимо определить передаточные числа остальных передач.

Передаточные числа в большинстве случаев рассчитываются по геометрическому ряду, что обеспечивает возможность работы двигателя при разгоне автомобиля в одинаковом режиме на всех передачах. В общем виде передаточное число промежуточной передачи:

 

, (2.6)

 

где - передаточное число низшей (первой) передачи;

- диапазон коробки перемены передач;

- номер передачи;

- число передач.

Диапазон коробки перемены передач:

 

, (2.7)

 

где - передаточное число высшей передачи.

Если основная коробка перемены передач двухвальная (легковые переднеприводные автомобили, см. рисунок 2.1), то передаточное число высшей передачи берем такое же, как у автомобиля прототипа.

 

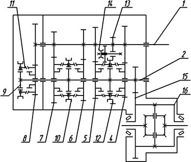
Рисунок 2.1 - Кинематическая схема двухвальной коробки перемены передач

1 – первичный вал, 2 – вторичный вал, 4, 5, 6, 7, 8 – ведомые шестерни 1-й, 2-й, 3-й, 4-й, 5-й передач соответственно, 9 – ступица муфты, 10 – муфта, 11 – синхронизатор, 12 – ведомая шестерня ЗХ, 13 – ведущая шестерня ЗХ, 14 – промежуточная шестерня ЗХ, 15 – главная передача, 16 – дифференциал.

 

Если основная коробка перемены передач трехвальная (рисунок 2.2) с наивысшей прямой передачей, то принимают .

 

 

Рисунок 2.2 - Кинематическая схема трехвальной коробки перемены передач

1 – первичный вал, 2 – вторичный вал, 3 – промежуточный вал (блок шестерен), 4, 5, 6, 8 – ведомые шестерни 1-й, 2-й, 3-й, 5-й передач соответственно, 9 – ступица муфты, 10 – муфта, 11 – синхронизатор, 12 – ведомая шестерня ЗХ, 13 – ведущая шестерня ЗХ, 14 – промежуточная шестерня ЗХ.

 

Если на автомобиле используется трехвальная коробка перемены передач с последней повышенной передачей, то передаточные числа для всех передач, кроме последней, определяем по формуле:

 

. (2.8)

 

Передаточное число повышенной передачи берем такое же, как у автомобиля прототипа.

Результаты вычислений сводим в таблицу 2.5.

 


Поделиться с друзьями:

mylektsii.su - Мои Лекции - 2015-2026 год. (1.344 сек.)Все материалы представленные на сайте исключительно с целью ознакомления читателями и не преследуют коммерческих целей или нарушение авторских прав Пожаловаться на материал