Студопедия

Главная страница Случайная страница

КАТЕГОРИИ:

АвтомобилиАстрономияБиологияГеографияДом и садДругие языкиДругоеИнформатикаИсторияКультураЛитератураЛогикаМатематикаМедицинаМеталлургияМеханикаОбразованиеОхрана трудаПедагогикаПолитикаПравоПсихологияРелигияРиторикаСоциологияСпортСтроительствоТехнологияТуризмФизикаФилософияФинансыХимияЧерчениеЭкологияЭкономикаЭлектроника






Ячейка КРУ с выкатным силовым выключателем






Комплектное распределительное устройство (КРУ) — распределительное устройство, собранное из типовых унифицированных блоков (т. н. ячеек) высокой степени готовности, собранных в заводских условиях. На напряжении до 35 кВ ячейки изготовляют в виде шкафов, соединяемых боковыми стенками в общий ряд. В таких шкафах элементы с напряжением до 1 кВ выполняют проводами в твердой изоляции, а элементы от 1 до 35 кВ — проводниками с воздушной изоляцией.

Комплектные распределительные устройства могут использоваться как для внутренней, так и для наружной установки (в этом случае их называют КРУН). КРУ широко применяются в тех случаях, где необходимо компактное размещение распределительного устройства. В частности, КРУ применяют на электрических станциях, городских подстанциях, для питания объектов нефтяной промышленности (нефтепроводы, буровые установки), в схемах энергопотребления судов. Среди шкафов КРУ, отдельно выделяют камеры сборные одностороннего обслуживания (КСО). Одностороннее обслуживание позволяет ставить КСО непосредственно к стене или задними стенками друг к другу, что позволяет экономить место (важно в условиях высокой плотности городской застройки).

Высоковольтные выключатели считаются аппаратами защиты от коротких замыканий на высокой стороне, так как в конструктивное исполнение этих аппаратов входит дугогасительная камера, которая сразу же сработает при разрыве цепи под нагрузкой. Дугогасительная камера располагается на главных контактах. Под воздействием высокой температуры дуги внутренние стенки камеры выделяют газы, способствующие быстрому гашению дуги. Токи короткого замыкания отключаются в результате сгорания плавкой вставки предохранителя.

Автоматический выключатель предназначен для автоматического отключения защищаемой цепи при коротких замыканиях или перегрузках, также для оперативных нечастых отключений. В отличие от высоковольтных выключателей, конструкция которых содержит контактные, дугогасительные и приводные системы и не содержит устройства измерений и контроля защищаемой цепи, автоматические выключатели содержат узлы конструкций и устройства измерений, и контроля заданных параметров защищаемой цепи.В последнее время автоматические выключатели служат для замены рубильников и предохранителей. Для выполнения защитных функций их снабжают либо тепловыми расцепителями, либо электромагнитными расцепителями, либо комбинированными расцепителями. Наиболее распространены комбинированные расцепители, так как они защищают цепь от тока перегрузки и от тока короткого замыкания. Расцепляющее устройство представляет собой систему шарнирно-связанных рычагов, соединяющий привод включения с системой подвижных контактов, которые соединены с отключающей пружиной.

Трансформатор тока служит для измерения тока и питания схем защиты, а также для изолирования цепей измерения и защиты от высокого напряжения. Он имеет 2 обмотки. Первичная обмотка включается последовательно в измеряемую цепь. Ток этой обмотки – измеряемый ток. Вторичная обмотка должна быть обязательно замкнута на измерительный прибор или цепь защиты, сопротивление которой не должно превышать определённого значения. Разомкнутое состояние вторичной обмотки предусматривает аварийный режим. Так как ток на первичной обмотки не изменяется при разрыве цепи вторичной обмотки, то на вторичной обмотки появляется очень большое напряжение, которое может привести к пробою изоляции. Для безопасности работы вторичная обмотка должна быть обязательно заземлена. Трансформатор тока состоит из замкнутого магнитопровода с соответствующими обмотками корпуса. Магнитопровод может быть прямоугольным, шихтованным или тороидальный, навитый из ленты. При напряжении до 35 кВ магнитопровод может служить опорой трансформатора. Обмотки могут выполняться из изолированного или голого медного провода. Литой изоляционный корпус защищает обмотки от возможных механических повреждений и проникновения влаги. Первичная обмотка трансформатора изготавливается на токи от 10 до 1000 А. Номинальный ток вторичной обмотки 1 или 5 А. Трансформатор тока имеет марки: ТПЛ, ТПОЛ, ТШЛ, ТШЛО. У всех таких трансформаторов проверяют правильность маркировки вывода, состояние изоляционных обмоток, исправность сердечника. Закрепляют трансформаторы на опорные конструкции [2]


2.8 Выбор схемы релейной защиты трансформатора и питающей линии

В процессе эксплуатации электрических установок могут возникать перегрузки отдельных участков сети, короткие замыкания, резкие понижения напряжения и другие ненормальные режимы работы электросетей. Сверхтоки перегрузки и коротких замыканий приводят к опасным перегревам проводников и аппаратов, к их повреждению, возникновению электрической дуги. Резкое снижение напряжения в сети может привести к нарушению устойчивости работы электрической системы или её узлов. Чем дольше не отключён неисправный элемент сети, тем серьёзней и в большем объёме могут быть повреждения оборудования. Отсюда следует, что в каждой электрической установке необходимо обеспечить быстрое автоматическое отключение повреждённого участка (и только его!), сохранив в работе все остальные части системы.

Для этой цепи предназначена релейная защита, представляющая собой комплект специальных устройств, обеспечивающих автоматическое отключение повреждённой части электрической сети или установки. Если повреждение не представляет для установки непосредственной опасности, то релейная защита должна обеспечить сигнализацию о неисправности. Специальные аппараты, обеспечивающие автоматическое воздействие на устройства отключения или сигнализации при нарушении нормального режима работы электроустановки, называются реле.

Реле могут контролировать напряжение, ток, мощность, сопротивление и другие параметры электрической сети. При отклонении контролируемого параметра от заданного значения реле срабатывает и замыкает цепь соответствующих выключателей, которые отключают повреждённый элемент или участок сети.

Релейная защита должна обеспечить быстроту и избирательность действия, надёжность работы и чувствительность. Кроме того, стоимость релейной защиты должна быть по возможности небольшой.

Быстрота действия релейной защиты предотвращает расстройство функционирования системы и нарушение нормальной работы приёмников при коротком замыкании и значительных понижениях напряжения. По времени действия релейные защиты можно разделить на быстродействующие (полное время отключения составляет примерно 0, 06…0, 2с, что соответствует 2…10 периодам изменения тока) и с выдержкой времени (специально создаётся замедление действия).

Избирательность действия релейной защиты в выявлении повреждённого участка и его отключении; при этом неповреждённая часть электроустановки остаётся в работе.

Надёжность работы релейной защиты заключается в её правильном и безотказном действии во всех предусмотренных случаях. Она обеспечивается применением высококачественных реле и современных схем защиты, тщательным выполнением монтажа и квалифицированными эксплуатацией и обслуживанием защитных устройств.

Чувствительностью релейной защиты называют её способность реагировать на самые малые изменения контролируемого параметра. Благодаря этому уменьшаются разрушения повреждённого элемента и быстро восстанавливаются нормальные условия работы неповреждённой части электроустановки. Чувствительность всех видов защиты оценивают коэффициентом чувствительности, значение которого нормируется ПУЭ.

Рассчитать реле защиты (РЗ) – это значит:

- выбрать вид и схему;

- выбрать токовые трансформаторы и токовые реле;

- определить чувствительность защиты.

Ток срабатывания реле (Iср) - наименьший ток, при котором реле срабатывает.

Напряжение срабатывания реле (Uср) – наименьшее напряжение, при котором реле срабатывает.

Ток возврата реле (Iв.р) - наибольший ток, при котором реле возвращается

 

в исходное состояние.

Напряжение возврата реле (Uв.р) – наибольшее напряжение, при котором реле возвращается в исходное положение.

Коэффициент возврата в) – это отношение тока или напряжения возврата к току или напряжению срабатывания, соответственно:

Ток срабатывания защиты (Iс.з) - наименьший первичный ток, при котором срабатывает защита.

Токовая отсечка (ТО) – МТЗ с ограниченной зоной действия и током реле мгновенного действия (без реле времени).

Ток срабатывания ТО (Iс.то ) - наименьший ток мгновенного срабатывания защиты в первичной цепи.

2.8.1 Ток срабатывания пусковых токовых реле выбирают так, чтобы обеспечить выполнение следующих условий:

1. Защита не должна приходить в действие при прохождении по защищаемому элементу максимального тока нагрузки. Для выполнения этого условия ток срабатывания максимально токовой защиты должен составлять

 

Ic=(1, 4·1·217)/2=151.9

где Кнад – коэффициент надёжности = 1, 1 ÷ 1, 25;

Ксз – коэффициент самозапуска учитывает увеличение тока нагрузки при самозапуске двигателя = 2 ÷ 3;

Квозв – коэффициент возврата = 0, 8 ÷ 0, 85;

Iср.защ – ток срабатывания реле, А;

Iн.мах – максимальный ток нагрузки, А.

2. Защита должна надёжно действовать при коротких замыканиях, произошедших на защищаемом участке, а коэффициент чувствительности в конце этого участка должен быть не менее 1, 5;

3. Защита должна надёжно действовать при коротких замыканиях, произошедших на резервированном участке, а коэффициент чувствительности в конце этого участка должен быть не менее 1, 2.

Коэффициент чувствительности – отношение минимального тока короткого замыкания к току срабатывания защиты

Кч1=920/2·151, 9=3, 028

Условие надежности выполнено.

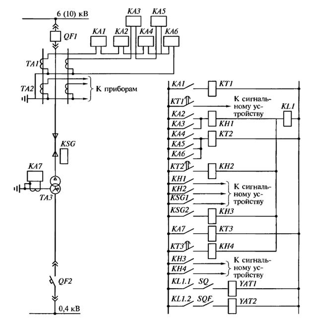
Рисунок 3- Схема зашиты цехового трансформатора напряжением 6 (10)/0, 4кВ

 

 

На рисунке 3 изображена схема защиты цехового трансформатора, питающегося от радиально кабельной линии с глухим присоединением трансформатора на стороне первичного напряжения. На головном участке кабельной линии имеется выкатной выключатель QF1, на стороне вторичного напряжения 0, 4 кВ –автоматический выключатель QF2.

Реле KA1, KA2 обеспечивают однофазную максимальную токовую защиту трансформатора от перегрузки, вызывающую подачу предупреждающего сигнала; реле КА2. КАЗ — двухфазную двухре­лейную защиту со стороны питания (токовую отсечку без выдер­жки времени) от междуфазных коротких замыканий в трансфор­маторе, вызывающую его отключение; реле КА4, КА5, КА6 — двух­фазную трех релейную максимальную токовую защиту трансфор­матора со стороны питания от внешних коротких замыканий (реле КА4, КА5 включены на фазные токи, реле КА6 — на сумму фазных токов для повышения надежности срабатывания защиты); реле КА7 — максимальную токовую защиту нулевой последовательно­сти в нейтрали трансформатора от однофазных коротких замыка­ний в цепи напряжением 0, 4 кВ; реле KSG — газовую защиту трансформатора, реагирующую на витковые замыкания, пробои.



Поделиться с друзьями:

mylektsii.su - Мои Лекции - 2015-2026 год. (4.342 сек.)Все материалы представленные на сайте исключительно с целью ознакомления читателями и не преследуют коммерческих целей или нарушение авторских прав Пожаловаться на материал