Студопедия

Главная страница Случайная страница

КАТЕГОРИИ:

АвтомобилиАстрономияБиологияГеографияДом и садДругие языкиДругоеИнформатикаИсторияКультураЛитератураЛогикаМатематикаМедицинаМеталлургияМеханикаОбразованиеОхрана трудаПедагогикаПолитикаПравоПсихологияРелигияРиторикаСоциологияСпортСтроительствоТехнологияТуризмФизикаФилософияФинансыХимияЧерчениеЭкологияЭкономикаЭлектроника






Уатты өңдіру және тұтыну графиктерін тұрғызу






 

Жеке тұ тынушылардың электрлік жү ктемелері, сондай-ақ олардың энергетикалық жү йеде электрлік станцияның жұ мыс режимін анық тайтын жү ктеме ү здіксіз ө згеріп отырады. Бұ л фактті график арқ ылы кө рсетеді, яғ ни электр қ ондырғ ысының қ уатының уақ ыт бойынша ө згеру диаграммасы арқ ылы кө рсетіледі [4].

 

Р Р

100 100

 

30 20

 

20 10

 

 

 

t, сағ t, сағ

0 4 8 12 16 20 24 0 4 8 12 16 20 24

 

қ ыс, жаз қ ыс жаз

1-сурет

ЖЭО генераторларының қ уат 35-кВ-тық кернеудегі жү ктеменің

ө ндіру графигі графигі

 

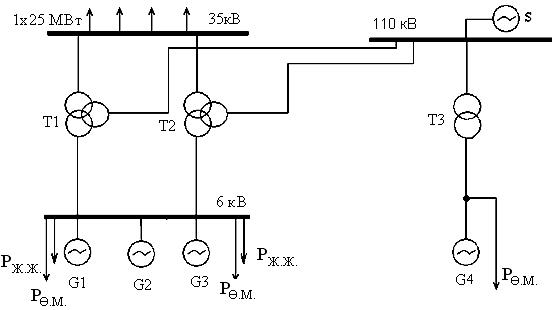
Рылымдық сұ лбаның нұ сқ аларын таң дау

Жобалаудың бұ л сатысында сурет 2.1 жә не 2.2-де кө рсетілген станцияның қ ұ рылымдық сұ лбасының екі нұ сқ асын салыстырамыз. Нұ сқ алар жергілікті жү ктемені жә не ө зіндік мұ қ тажының жү ктемесін электрмен жабдық тау тә сілімен ерекшеленеді.

 

Сурет 2.1 – ТЭЦ-тың қ ұ рылымдық сұ лбасының I нұ сқ асы

 

Сурет 2.2 – ТЭЦ-тың қ ұ рылымдық сұ лбасының II нұ сқ асы

 

 


Поделиться с друзьями:

mylektsii.su - Мои Лекции - 2015-2026 год. (1.069 сек.)Все материалы представленные на сайте исключительно с целью ознакомления читателями и не преследуют коммерческих целей или нарушение авторских прав Пожаловаться на материал