Студопедия

Главная страница Случайная страница

КАТЕГОРИИ:

АвтомобилиАстрономияБиологияГеографияДом и садДругие языкиДругоеИнформатикаИсторияКультураЛитератураЛогикаМатематикаМедицинаМеталлургияМеханикаОбразованиеОхрана трудаПедагогикаПолитикаПравоПсихологияРелигияРиторикаСоциологияСпортСтроительствоТехнологияТуризмФизикаФилософияФинансыХимияЧерчениеЭкологияЭкономикаЭлектроника






Нұсқаларды техника-экономикалық салыстыру






Нұ сқ аларды техника-экономикалық салыстыру минималды келтірілген шығ ындар ә дісімен жү ргізіледі.

Толық келтірілген шығ ындар мына формуламен анық талады:

 

 

мұ нда – нұ сқ алары;

– ө ндірістің жылдық ұ сталымы, мың ш.б.;

– кү рделі салымы эффективтілігінің нормативті коэффициенті, (1/жыл), электрэнергетикада есептеу ү шін ;

– зардап, мың ш.б./жыл;

– жалпы кү рделі салымы, мың ш.б.

 

Жылдық эксплуатациалық ұ станыстар келесі тең деумен анық талады

мұ ндағ ы – амортизацияғ а кеткен шығ ын;

– сә йкес жіберілімдер, .

 

 

бір жылда жобаланатын электр энергияның шығ ындарының ұ сталымдары [6]:

 

 

мұ ндағ ы кВт . сағ, бағ асы 1кВт . сағ электроэнергияның шығ ыны,

ш.б./кВт . сағ:

– сұ лбаның элементтеріндегі шығ ын, кВт . сағ.

Кү рделі шығ ындар

Кү рделі шығ ындарды есептеудің нә тижелері 2.11 кестеге енгізілген ө ндірістің бір жылдық ұ сталымдары.

Есептеуді жең ілдету ү шін екі нұ сқ ада бірдей кездесетін электр қ ондырғ ыларды 2.11 кестеге ең гізбейміз. Оларғ а тарату қ ұ рылғ ыларын жә не Ө М трансформаторларын жатқ ызуғ а болады.

9- кесте. Кү рделі шығ ындар

Қ ондырғ ының атауы Бағ асы, мың тең ге I нұ сқ а II нұ сқ а
Саны Есептік бағ асы мың тең ге Саны Есептік бағ асы мың тең ге
  Трансформатор ТРДНС-25000/35      
  Трансформатор ТДТН-80000/110      
  Трансформатор ТДТН-40000/110      
  Трансформатор ТДЦ-80000/110 568, 5   852, 75
  Итого:          

 

Мұ ндағ ы кернеуі 35 кВ трансформатор ү шін қ уаты > 16 МВА a=1, 6, ал кернеуі 110кВ трансформатор ү шін қ уаты > 32 МВА a=1, 5.

 

10. кесте Энергия шығ ындарының бағ алары.

Шығ ындар I нұ сқ а II нұ сқ а
Есептік кү рделі салымдары, К, мың тең ге.    
Амортизациялық аударылымдар, Ua+Uo, мың тең ге
Энергия шығ ындарының бағ асы, Uшығ, мың тең ге
Келтірілген минималды шығ ындар, З, мың тең ге

 

I нұ сқ а

 

 

II нұ сқ а

 

Екі нұ сқ а арасындағ ы айырмашылығ ы келесіні қ ұ рады:

 

 

Осы екі нұ сқ алардың айырмашылығ ы 5%-дан аспайды. Сол себептен электрмен жабдық тау сенімділігі тиімді нұ сқ аны таң даймыз. Ол – I нұ сқ а.

 

Таң дап алынғ ан нұ сқ аның 6 кВ тарату қ ұ рылғ ысында қ ысқ а тұ йық талу тоғ ының мө лшерін анық тау.

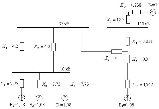
Сурет -3. Алмастыру сұ лбасы

 

Алмастыру сұ лбасының элементтерінің кедергілерін анық таймыз

Базалық қ уаты 1000 МВА –ге тең деп аламыз:

 

Есеп салыстырмалы бірлік бойынша шығ арылады.

 

 

Т1 мен Т2 трансформаторларының кедергілерін анық тау

Ү ш орамды трансформатордың кедергісін анық тау:

 

 

 

Электр жү йенің желімен байланысқ ан кедергісін анық тау:

Бұ л есептеуде желінің ұ зындығ ы 125 км, ал желінің меншікті кедергісі 0, 4 Ом/км деп аламыз:

 

Энергетикалық жү йенің кедергісін анық таймыз:

 

Г1, Г2, Г3 генераторлардың кедергісін анық тау:

 

Г3 генераторының кедергісі:

 

 

 

 

 

 

 

 

 

 

Сурет-4. К-1 нү ктесіне жинақ тау сұ лбасы

 

G1 жә не G2 генераторларынан ағ атын қ ысқ а тұ йық талу тогы:

 

 

Энергетикалық жү йеден ағ атын қ ысқ а тұ йық талу тогы:

 

К-3 нү ктесіндегі қ ысқ а тұ йық талу тогы:

13. 10 кВ кернеуге коммутациялық аппаратарды таң дау, К-3 нү ктесі (G1 жә не G2 генераторларынан кейін)

Номинал ток:

Аппаттан кейінгі немесе жө ндеу режіміндегі ең ү лкен ток:

 

Осы мә ндерге қ арап МГУ-20-90 , , типті аз майлы ажыратқ ыштарын таң даймыз.

Есептелу уақ ыты .

 

G1 жә не G2 генераторларынан ағ атын токтың периодикалық қ ұ раушысын сурет 3.26 [8] арқ ылық табамыз. Бұ л ү шін генераторлардың номинал тогын анық таймыз:

К-3 нү ктесіндегі G1 жә не G2 генераторларынан ағ атын токтың периодикалық қ ұ раушысы мен номинал ток қ атынасы:

 

 

Осы қ атынас жә не уақ ыт арқ ылы сурет 3.26 [8] бойынша мына қ атынасты аламыз:

 

Осы бойынша, G1 жә не G2 генераторларынан ағ атын токтың периодикалық қ ұ раушысы уақ ытында:

 

 

G1 жә не G2 генераторларынан ағ атын токтың апериодикалық қ ұ раушысы уақ ытында:

 

мұ нда кесте 3.8 [8] бойынша.

Энергетикалық жү йеден жә не оғ ан қ осылғ ан G3 генераторынан ағ атын периодикалық қ ұ раушысы кедергісі тұ рақ ты кернеу шиналарынан ағ ады деп есептедік, сондық тан:

 

Эквивалентті жү йеден ағ атын токтың апериодикалық қ ұ раушысы уақ ытында:

 

мұ нда кесте 3.8 [8] бойынша.

 

Қ ысқ а тұ йық талу токтың толық периодикалық қ ұ раушысы уақ ытында:

 

 

Қ ысқ а тұ йық талу токтың толық апериодикалық қ ұ раушысы уақ ытында:

 

К-3 нү ктесіндегі сақ қ ылық тогын есептеу

 

G1 жә не G2 генераторлар тармағ ы:

 

мұ нда кесте 3.8 [8] бойынша.

Эквивалентті жү йе тармағ ы:

 

мұ нда кесте 3.8 [8] бойынша.

 

К-3 нү ктесіндегі толық соқ қ ылық тогы:

Қ ысқ а тұ йық талу тогының толық квадраттық импульсі:

 

 

мұ нда кесте 2.13 [8] бойынша.

11-кесте. Ажыратқ ыш жә не айырғ ыш каталогтық жә не есептік берілгендерін салыстыру

 

Есептік берілгендер Каталогтық берілгендер
Ажыратқ ыш МГГ-20-90 Айырғ ыш РВЗ-20-6300
                                         

 

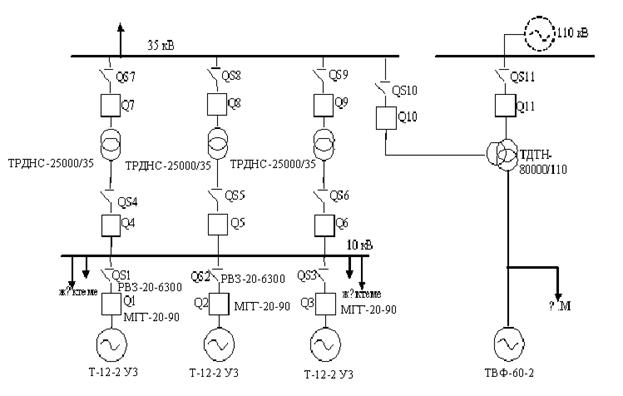
Сурет-5. ЖЭО-ның принципиалды сұ лбасы

 

Қ орытынды

Бұ л курстық жұ мыста ЖЭО-ның қ ұ рылым сұ лбасының 2 нұ сқ асын қ ұ рып, олар ү шін қ уаттар ағ ынын есептедім. Кү штік трансформаторларды таң дап, кү рделі шығ ынын анық тадым. Технико-экономикалық сараптама жү ргізіп, тиімді нұ сқ аны таң дадым. Генераторлық кернеудегі тарату қ ұ рылғ ысындағ ы қ ысқ а тұ йық талу тогының мә нін анық тадым. Сонымен қ атар ажыратқ ыштар мен айырғ ыштар таң дадым.

 

 

Пайдаланылғ ан ә дебиеттер:

1. Неклепаев Б.Н. Электрическая часть электростанции и подстанции: Учебник для вузов.-2изд., -М: Энергоатомиздат, 1986.-640с.

2. Неклепаев Б.Н., Крючков И.П. Электрическая часть электростанции и подстанций: Справочные материалы для курсового и дипломного проектирования: Учебное пособие для вузов.-2изд-М.: Энергоатомиздат, 1989.-608с.

3. Рожкова Л.Д., Козулин В.С. Электрооборудования электростанции и подстанций: Учебник для ехникомув.-3изд.-М:, Энергоатомиздат, 1987.-648с.

4. Нормы технологического проектирования тепловых электрических станций.-2изд.-М.: Минэнерго СССР, 1981-122с.

5.Двоскин Л.И.: Схемы и конструкции распределительных устройств.-3изд.-М.: Энергоатомиздат, 1985.-220с.

6. Электрическая часть станции и подстанций/под. Ред. А.Л.Васильева/Учебник для вузов.-2изд.-М.: Энергоатомиздат, 1990.-575с.

7. Хожин Г.Х.. Электрическая часть электростанции: Учебное пособие.-Алматы АИЭС, 1996, 75с.

8. Соколов С.Е., Кузембаева Р.М. Тепловые электрические станции: Пособие для курсового и дипломного проектирования по электрической части тепловых станций.-Алматы: Мектеп, 1980.-216с.

9. Электротехничсекий справочник/под. ред. И.Н.Орлова/М.: Энергоатомиздат, 1988.

10. Г.Хожин. Электр станциялары мен қ осалқ ы станциялар, оқ улық – Алматы: «Ғ ылым», 2002.-312б.


Поделиться с друзьями:

mylektsii.su - Мои Лекции - 2015-2026 год. (0.373 сек.)Все материалы представленные на сайте исключительно с целью ознакомления читателями и не преследуют коммерческих целей или нарушение авторских прав Пожаловаться на материал