Студопедия

Главная страница Случайная страница

КАТЕГОРИИ:

АвтомобилиАстрономияБиологияГеографияДом и садДругие языкиДругоеИнформатикаИсторияКультураЛитератураЛогикаМатематикаМедицинаМеталлургияМеханикаОбразованиеОхрана трудаПедагогикаПолитикаПравоПсихологияРелигияРиторикаСоциологияСпортСтроительствоТехнологияТуризмФизикаФилософияФинансыХимияЧерчениеЭкологияЭкономикаЭлектроника






Преобразователь дополнительного кода в прямой код






Если на вход схемы преобразователя четырехразрядного прямого кода в дополнительный код (см. рис. 6.15) подать дополнительный код, то на выходе получим прямой код.

 

Преобразователь прямого кода в обратный код

Правило кодирования чисел:

Например, число А=0.10000 в обратном коде [A]обр=1.01111

В десятичной системе счисления обратный код образуется путём преобразования каждой цифры числа в дополнение до 9. В таблице 2 приведены для десятичных цифр прямые коды и соответствующие им обратные коды.

Таблица 6.2

Десятичная цифра Прямой код Обратный код
Х(8) Х(4) Х(2) Х1 У(8) У(4) У(2) У(1)
                 
                 
                 
                 
                 
                 
                 
                 
                 
                 

Из сопоставления приведённых в таблице значений не трудно заключить, что:

Получаем схему, формирующую обратный код.

Рис. 6.20 Четырех разрядный преобразователь прямого кода в обратный код. Временные диаграммы

Рис. 6.21 Внутренняя структура элемента «Convert» (преобразователь прямого кода в обратный)

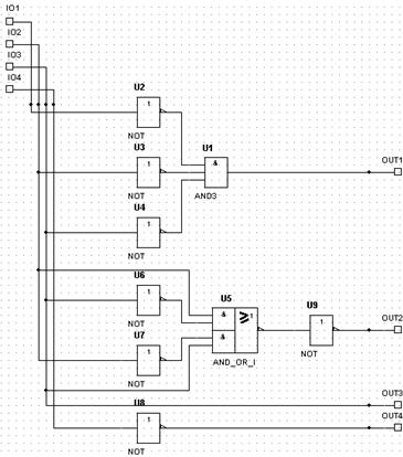
Рис. 6.22 Преобразователь прямого кода в обратный код в пакете MAX+Plus II

Рис. 6.23 Временные диаграммы преобразователя прямого кода в обратный

Рис. 6.24 Матрица временных задержек

 


Поделиться с друзьями:

mylektsii.su - Мои Лекции - 2015-2026 год. (1.317 сек.)Все материалы представленные на сайте исключительно с целью ознакомления читателями и не преследуют коммерческих целей или нарушение авторских прав Пожаловаться на материал