Студопедия

Главная страница Случайная страница

КАТЕГОРИИ:

АвтомобилиАстрономияБиологияГеографияДом и садДругие языкиДругоеИнформатикаИсторияКультураЛитератураЛогикаМатематикаМедицинаМеталлургияМеханикаОбразованиеОхрана трудаПедагогикаПолитикаПравоПсихологияРелигияРиторикаСоциологияСпортСтроительствоТехнологияТуризмФизикаФилософияФинансыХимияЧерчениеЭкологияЭкономикаЭлектроника






Построение преобразователя двоично-десятичного кода в двоичный код






Двоичные числа, содержащие 4 или менее разрядов, преобразуются непосредственно, как 1 тетрада. Двоичные числа, имеющие длину более 4-х разрядов, можно преобразовать в двоично-десятичную форму с помощью сдвигающих регистров. Для этого двоичное число надо сдвигать справа налево старшими разрядами вперёд, записывая («вдвигая») его в регистр последовательно, разряд за разрядом, начиная с младшего разряда регистра. Сдвиги надо повторять до тех пор, пока младший разряд двоичного числа не запишется в младший разряд регистра, который можно рассматривать как двоично-десятичную разрядную сетку. Когда единица пересекает границу между двоично-десятичными разрядами, то возникает ошибка, так как при сдвиге значение этой единицы увеличивается с 8 до 16, тогда как для двоично-десятичного числа оно должно возрасти с 8 до 10. Следовательно, для коррекции тетрады необходимо добавлять цифру 6, так как двоично-десятичное число уменьшается на 6.

 

Таблица 6.4 Таблица истинности преобразователя

двоично-десятичного кода в двоичный

i X4 Хз X2 Xl Y4 Y3 Y2 Y1
                 
                 
                 
                 
                 
                 
                 
                 
                 
                 

Таблица 6.5 Данные по коррекции сдвига двоично-десятичных чисел

ДЧ         MP
Вес 103 102 101    
ДЦЧ          
с          
к          
ДДЧ          
ДЧ          

 

В таблице 6.5 приведены: ДЧ - десятичное число, ДЦЧ - двоично-десятичное число, С - сдвиг, К - коррекция, МР - младший разряд.

Если в старший разряд тетрады, имеющей множитель 10j, поступает единица, то она приобретает вес 8*10j. До сдвига эта единица имела вес 10i+1, поэтому для получения при сдвиге деления на два ей следует приписать вес 2-1*10j+1. Из этого следует, что необходимо произвести коррекцию на число 8*10j - 2-1*10j+1, т.е. вычесть число 3*10j. Если в старший разряд какой-либо тетрады поступает нуль, то коррекцию производить не нужно. Из таблицы видно, что после сдвига числа 9653 и соответствующей коррекции действительно получается число 4826, отличающееся от 9653*2-1 на единицу, которая является младшим разрядом младшей тетрады двоично-десятичного кода и младшим разрядом двоичного кода.

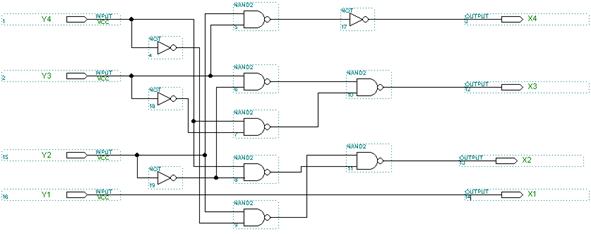
Если вы строите преобразователя двоично-десятичного кода в двоичный код на элементах И-НЕ, то рассуждения как и для предыдущего преобразователя. Получим схему:

Рис. 6.32 Схема преобразователя двоично-десятичного кода в двоичный код

Рис. 6.33 Блок преобразователя двоично-десятичного кода в двоичный код

 

Рис. 6.34 Заданная последовательность входных сигналов

для схемы (рис. 6.18)

 

Рис. 6.35 Временные диаграммы для преобразователя двоично-десятичного кода в двоичный код

Рис. 6.36 Преобразователь двоично-десятичного кода в двоичный код

Рис. 6.36 Временные диаграммы

Рис. 6.37 Матрица временных задержек

Программа:

SUBDESIGN preobraz_dvoichno_desayt_v_dvoich

(X[3..0]: INPUT;

Y[3..0]: OUTPUT;)

BEGIN

IF X[3..0] < = B" 0100"

THEN Y[3..0] = X[3..0];

ELSE

Y[0]=X[0];

TABLE

X[3..1] => Y[3..1]

B" 101" => B" 010";

B" 110" => B" 011";

B" 111" => B" 100";

END TABLE;

ENDIF;

END;


Поделиться с друзьями:

mylektsii.su - Мои Лекции - 2015-2026 год. (2.049 сек.)Все материалы представленные на сайте исключительно с целью ознакомления читателями и не преследуют коммерческих целей или нарушение авторских прав Пожаловаться на материал