Студопедия

Главная страница Случайная страница

КАТЕГОРИИ:

АвтомобилиАстрономияБиологияГеографияДом и садДругие языкиДругоеИнформатикаИсторияКультураЛитератураЛогикаМатематикаМедицинаМеталлургияМеханикаОбразованиеОхрана трудаПедагогикаПолитикаПравоПсихологияРелигияРиторикаСоциологияСпортСтроительствоТехнологияТуризмФизикаФилософияФинансыХимияЧерчениеЭкологияЭкономикаЭлектроника






Передаточные отношения сложных зубчатых механизмов с неподвижными осями






Ряды зубчатых колес - сложные зубчатые механизмы с неподвижными осями.

Последовательный (ступенчатый) ряд зубчатых колес.

Данный ряд служит для получения значительных передаточных отношений. На крайних валах закреплено по 1 зубчатому колесу, на промежуточных - по 2. Определим передаточное отношение.

, т.о. для получения общего передаточное отношения следует перемножить передаточное отношения отдельных ступеней.

42. Структура и кинематика планетарной передачи

 

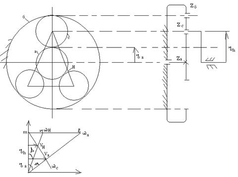
Планетарные передачи с внутренним и внешним зацеплением (Ряд Джеймса)

а – центральное зубчатое колесо, с – сателлит, б – неподвижное, Н – водило.

43. Основное уравнение кинематики планетарного ряда

Соотношение между угловыми скоростями и звеньями дифференциального механизма дает формула Виллиса. Для ее вывода используется метод инверсии, который заключается в том, что всем звеньям механизма сообщается дополнительное вращение , равное по абсолютной величине угловой скорости водилы, но противоположное по направлению. В результате суммарного движения получаем механизм с остановленным водилой и неподвижными осями зубчатых колес.

- основное уравнение кинематики дифференциального механизма.

Планетарные зубчатые механизмы

Планетарными называются передачи, в которых имеются зубчатые колёса, называемые сателлит с подвижными осями (одновременно вращающиеся вокруг двух осей - собственной и центральной).

Различают два типа планетарных механизмов:

1. Эпициклические механизмы, в которых наряду с зубчатыми колёсами с подвижными осями, имеются хотя бы одно колесо жёстко связанное со стойкой (степень подвижности меньше 1)

2. Дифференциальные механизмы, в которых все звенья подвижны (имеют степень подвижности больше 1). Дифференциальные механизмы служат для сложения или вычитания угловых скоростей звеньев.

Преимущества планетарных механизмов:

1) Большое передаточное отношение И=1-1012 (пример: дорожный каток)

2) Малый вес и габарит

3) Высокий КПД

4) Лёгкость разветвлений передаваемых мощностей и силовых потоков

5) Возможность автоматизации управления.

Недостаток: трудность, сложность сборки

Примечание: дифференциалы главных передач автомобилей, колёсные передачи. Используется в тягачах, в дорожных машинах, в авиационной технике.


Поделиться с друзьями:

mylektsii.su - Мои Лекции - 2015-2026 год. (1.446 сек.)Все материалы представленные на сайте исключительно с целью ознакомления читателями и не преследуют коммерческих целей или нарушение авторских прав Пожаловаться на материал