Студопедия

Главная страница Случайная страница

КАТЕГОРИИ:

АвтомобилиАстрономияБиологияГеографияДом и садДругие языкиДругоеИнформатикаИсторияКультураЛитератураЛогикаМатематикаМедицинаМеталлургияМеханикаОбразованиеОхрана трудаПедагогикаПолитикаПравоПсихологияРелигияРиторикаСоциологияСпортСтроительствоТехнологияТуризмФизикаФилософияФинансыХимияЧерчениеЭкологияЭкономикаЭлектроника






Зміст звіту






Багаєв Р.А.

 

 

ТЕОРІЯ ЕЛЕКТРИЧНИХ І ЕЛЕКТРОННИХ КІЛ, ч. I

 

Методичні вказівки до виконання лабораторного практикуму

Для студентів ЗДІА спеціальності 6.90804 «Фізична та

Біомедична електроніка» денної та заочної форм навчання

 

Запоріжжя

Міністерство освіти і науки України

Запорізька державна інженерна академія

 

ТЕОРІЯ ЕЛЕКТРИЧНИХ І ЕЛЕКТРОННИХ КІЛ, ч. I

 

Методичні вказівки до виконання лабораторного практикуму

Для студентів ЗДІА спеціальності 6.90804 «Фізична та

Біомедична електроніка» денної та заочної форм навчання

 

 

Рекомендовано до видання

на засіданні кафедри ФБМЕ,

протокол № 15 від 01.06.06

 

 

Теорія електричних і електронних кіл, ч. I. Методичні вказівки до виконання лабораторного практикуму для студентів ЗДІА спеціальності 6.090804 «Фізична та біомедична електроніка»..денної та заочної форм навчання / Укл. Турба М.М., Юдачов А.В., Багаєв Р.А. – Запоріжжя, 2006 - 62 с

 

Методичні вказівки призначені для студентів спеціальності «Фізична та біомедична електроніка».для керівництва при виконанні лабораторного практикуму. Вказівки містять теоретичні відомості та перелік контрольних запитань.

 

 

Укладачі: М.М.Турба, професор

А.В. Юдачов, ст. викладач

Р.А. Багаєв, асистент

 

Відповідальний за випуск: зав. кафедрою ФБМЕ

Професор Є.Я. Швець

 


ЗМІСТ

Вступ

1. Лабораторна робота № 1 - Перевірка законів Кірхгофа та принципу накладення для електричних кіл постійного струму…..........................................3

2. Лабораторна робота № 2 - Дослідження лінії передачі постійного струму. 3

3. Лабораторна робота № 3 - Дослідження ланцюгів, що містять реактивні елементи 3

4. Лабораторна робота № 4 - Дослідження ланцюгів змінного струму (резонанс напруг) 3

5. Лабораторна робота № 5 - Дослідження ланцюгів змінного струму (резонанс струмів) 3

6. Лабораторна робота № 6 - Дослідження ланцюгів постійного та змінного струму за допомогою теорії чотириполюсника. 3

7. Лабораторна робота № 7 - Дослідження трифазних ланцюгів змінного струму, з'єднаних за схемою „зірка-зірка”. 3

8. Лабораторна робота № 8 - Дослідження трифазних ланцюгів змінного струму, з'єднаних за схемою „трикутник-трикутник”. 3

 


ВСТУП

Згідно вимог освітньо-професійної програми за напрямком «Комп’ютерні науки» та робочої програми курсу “Теорія електричних і електронних кіл, ч. I» студенти напрямку 0908 «Електроніка» спеціальності 6.90804 «Фізична та біомедична електроніка» після вивчення зазначеної дисципліни повинні вміти провести аналіз і розрахунок електричних кіл постійного, змінного та трифазного струмів та опанувати навиками проведення вимірювань електричних величин, побудови і аналізу функціональних залежностей останніх.

З цією метою студентам пропонуються для самостійного виконання лабораторні роботи, поставлені на спеціальних стендах та змодельовані за допомогою навчальної програми Electronics Workbench на персональних комп’ютерах в комп’ютерному класі кафедри ФБМЕ.

Завдання лабораторного практикуму студенти виконують згідно варіантів, які визначаються відповідно до порядкового номеру в академічному журналі обліку успішності та відвідувань занять студентами групи.

Студент допускається до виконання чергової роботи практикуму після підтвердження (у формі комп’ютерного тестування) наявності необхідних знань теоретичного матеріалу та порядку виконання роботи.

Для зарахування виконаної лабораторної роботи студент повинен пред’явити викладачу і захистити індивідуальний звіт з виконаної роботи, обґрунтувавши отримані результати та побудовані функціональні залежності.

Згідно модульно-рейтингової системи організації навчального процесу у робочій навчальній програмі приведено розподіл максимальних балів рейтингу за усіма видами навчальної роботи з даної дисципліни. Лектор конкретизує (в залежності від запланованої кількості лабораторних робіт, виду індивідуальних завдань та ін.) розподіл рейтингових балів на поточний семестр, про що студентів інформують на початку семестру.

Звіти з лабораторного практикуму виконуються згідно з загальними правилами оформлення науково-технічних звітів і відповідно до вимог держстандартів і міжнародної системи одиниць СІ. Для написання чи віддрукування роботи використовуються аркуші паперу формату А4, діаграми та графіки розміщують на міліметровому або спеціально розлінованому папері. Зараховані роботи зберігаються на кафедрі упродовж навчального року.


Лабораторна робота № 1
ПЕРЕВІРКА ЗАКОНІВ КІРХГОФА ТА ПРИНЦИПУ НАКЛАДЕННЯ ДЛЯ ЕЛЕКТРИЧНИХ КІЛ ПОСТІЙНОГО СТРУМУ

1.1 Мета роботи: засвоєння законів основного методу аналізу електричних кіл постійного струму, оволодіння навичками роботи з електровимірювальними приладами.

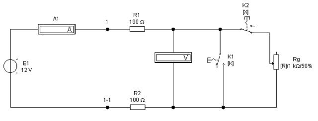
1.2 Зміст роботи: для заданого електричного кола (рис.1.1):

- встановити задані (за варіантами) параметри джерел живлення електричного кола;

- провести необхідні вимірювання величин струмів та напруги (табл. 1.2);

- оцінити похибки вимірювань та зробити висновки щодо підтвердження.. законів Кірхгофа та принципу накладення. При оцінці похибок вимірювань вважати межею вимірювань Iмах = 1А (для амперметрів), Vмах = 50 В (для вольтметрів), а за клас точності прийняти для всіх приладів δ = 0, 1.

 

Рисунок 1.1 – Принципова електрична схема кола лінійного струму

 

1.3 Теоретичні відомості: аналіз електричного кола постійного струму за методом рівнянь Кірхгофа:

Метод рівнянь Кірхгофа, який застосовують для аналізу електричних кіл, є найбільш універсальним і зрозумілим з фізичної точки зору методом; щоправда, і найбільш громіздким, особливо кіл з великою кількістю гілок та контурів. На рівняннях Кірхгофа засновані всі інші методи аналізу кіл, більш практичні у випадках кіл, наприклад, з відносно невеликою кількістю вузлів (чи контурів) і т.п.

Відповідно до першого закону Кірхгофа (що витікає із закону збереження заряду) алгебраїчна сума струмів гілок, що підходять до даного вузла, дорівнює нулю:

.

Як умовно позитивний при цьому вибирається будь-який напрям струму, водночас, для узгодження з методом вузлових потенціалів, доцільніше позитивним вважати струм, що підходить до вузла.

Кількість рівнянь стану електричного кола, які можна записати згідно з першим законом Кірхгофа, дорівнює кількості лінійно незалежних вузлів NН.В., тобто загальній кількості вузлів схеми NВ., крім одного:

N(I) = NН.В. = NВ. – 1.

Сенс приведеного рівняння у тому, що фізичний зміст має тільки різниця потенціалів (напруга), так що потенціал будь-якого одного з вузлів схеми можна взяти за відправний і умовно вважати відомим (як правило, рівним потенціалу земної поверхні, тобто нулю). Вузол, фактично чи умовно з’єднаний із земної поверхнею, називається «заземленим»

Згідно з другим законом Кірхгофа (що витікає із закону збереження енергії), алгебраїчна сума падінь напруги на елементах даного замкненого контура повинна дорівнювати алгебраїчній сумі діючих в контурі ЕРС:

.

Кількість рівнянь, які можна і необхідно скласти для аналізу електричного кола на основі другого закону Кірхгофа, розраховується як різниця між загальним числом необхідних рівнянь (рівним числу невідомих струмів в NГ гілках кола) і кількістю рівнянь N(I), складених на основі 1-го закону Кірхгофа

N(IІ) = NГ. – N(I) = NГ – (NB. – 1) = NГ. – NB. + 1.

Для аналізу електричних кіл постійного струму (як лінійних кіл), часто застосовують, особливо при необхідності знаходження струму лише однієї гілки, принцип накладення (суперпозиції).

Згідно принципу суперпозиції, струм (Ik) k -ої гілки кола з декількома джерелами (електрорушійної сили, стуму) можна знайти як алгебраїчну суму так званих часткових струмів Ik’’, Ik’’, Ik’’’ , які розраховуються чи вимірюються за умови урахування, відповідно, тільки 1-го джерела, тільки 2-го, тільки 3-го і т.д.

Ik = Ik’ + Ik’’ + Ik’’’ .

1.4 Порядок виконання роботи:

1. Зібрати (на екрані монітору ПК) у програмі Electronics Workbench за допомогою стандартизованих елементів схему заданого електричного кола відповідно до варіанту (табл. 1.1),.

2. Задати початкові значення напруги джерел живлення згідно таблиці 1.1.

3. Включити зібрану схему за допомогою перемикача , або натиснувши на клавіатурі ПК кнопки Ctrl+G.

4. Після стабілізації показів вимірювальних приладів зробити передбачені заміри цих показів і занести дані до таблиці 1.2.

5. Вимкнути схему за допомогою того ж перемикача , або натиснувши на клавіатурі ПК Ctrl+Т.

При проведенні вимірювань необхідно пам'ятати, що потовщена клема вимірювальних приладів відповідає негативному полюсу.

Таблиця 1.1 – Початкові значення напруги джерел живлення за варіантами

№. варіанта Е01, В Е02, В Е03, В Е04, В  
         
         
         
         
         
         
         
         
         
         
         
         

6. Для перевірки 1-го закону Кірхгофа необхідно співставити алгебраїчні величини струмів (табл. 1.2) гілок, які підходять, відповідно, до вузлів «а», «б» схеми з урахуванням похибок, наведених у паспортних даних електровимірювальних приладів. на підставі цих зіставлень робиться висновок про підтвердження правильності 1-го закону Кірхгофа.

Таблиця 1.2 – Числові дані характеристик електричного кола для перевірки 1-го закону Кірхгофа

  Вузол «а» Вузол «б»
Величина I1 I2 I3 ∑ Ik ±Δ I I1 I2 I3 ∑ Ik ±Δ I
Приклад: 0.52 ± 0.10 1.34 ± 0.10 -1.82 ± 0.10 0.03 ± 0.10 0.52 ± 0.10 1.34 ± 0.10 -1.82 ± 0.10 0.03 ± 0.10
Дані замірів:                

 

7. Для перевірки методу накладення (суперпозиції) необхідно встановити величини напруги джерел живлення (батарей) рівним нулю окрім одного джерела (наприклад Е1). Для того, щоб змінити величину (номінал) будь-якого елементу схеми слід навести курсор на даний елемент натиснути праву клавішу миші і у вікні, що з'явилося, вибрати «Component Properties», після чого у вікні, що з'явилося, на вкладці «Value» в полі номінала вказаного компоненту вказати необхідну величину і розмірність. За допомогою кнопки «ОК» закінчити введення даних. На електричній схемі будуть відбиті нові параметри елементу. Провести дії згідно п.3, і записати величини струмів в різних гілках схеми до таблиці 1.3. Провести аналогічні дії з іншими джерелами.

8. Для перевірки методу суперпозиції необхідно співставити алгебраїчні величини токов (табл. 1.3) з урахуванням похибок, наведених у паспортних даних електровимірювальних приладів. на підставі цих зіставлень робиться висновок про підтвердження правильності методу суперпозиції.

Таблиця 1.3 - Числові дані характеристик електричного кола для перевірки методу суперпозиції

Напруга джерел живлення Струми в гілках схеми
Е1=Еном; Е2= 0; Е3=0; I11= I21= I31=
Е1= 0; Е2= Еном; Е3= 0; I12= I22= I32=
Е1= 0; Е2= 0; Е3= Еном; I13= I23= I33=
Е1= Еном; Е2=Еном; Е3= Еном; I1= ∑ I1k ±Δ I = = I2= ∑ I2k ±Δ I= = I3= ∑ I3k ±Δ I= =

 

9. для отримання результатів, на підставі яких є можливість перевірити правильність 2-го закону Кірхгофа, необхідно вибрати контур, на елементах якого вимірюватимуться падіння напруг і вибрати напрямок обходу контуру (повинно бути показано на схемі в звіті). По черзі підключаючи вольтметр до всіх елементів контуру, провести вимірювання напруги на кожному елементі контура згідно вказаної методики.

Заміри показів вольтметрів занести до таблиці 1.4.

Таблиця 1.4 - Числові дані характеристик електричного кола для перевірки 2-го закону Кірхгофа

Найменування елементу контуру Величина падіння напруги на елементі контуру Ui, В Найменування елементу контуру Величина падіння напруги на елементі контуру Ui, В
Е1   R3  
Е2   R4  
Е3   R5  
R1   R6  
R2      

Для перевірки 2-го закону Кірхгофа необхідно співставити алгебраїчні величини падіння напруг (табл. 1.4) гілок, які входять до складу вибраного контуру з урахуванням похибок, наведених у паспортних даних електровимірювальних приладів. на підставі цих зіставлень робиться висновок про підтвердження правильності 2-го закону Кірхгофа.

1.5 Зміст звіту

До звіту заносять:

- тему і мету роботи;

- принципову схему електричного кола, яке аналізується;

- результати вимірювання струмів та напруг на окремих ділянках досліджуваного кола;

- результати розрахунку суми струмів для вузлів електричного ланцюга та суми падінь напруг для замкнених контурів електричного кола;

- результати розрахунку струмів гілок за методом накладення (суперпозиції);

- висновки по роботі.

1.6 Контрольні питання

1. Фізичне поняття електричного струму.

2. Види електричного струму.

3. Чим відрізняються джерело струму від джерела напруги.

?

4. Як підтвердити справедливість першого закону Кірхгофа?

5. Вимірювання параметрів яких величин необхідно провести для перевірки другого закону Кірхгофа?

6. Які методи застосовуються для розрахунків величин струмів в окремих гілках розгалуженого кола?

7. У чому полягає метод накладення?

8. Як обчислити похибку приладу за його класом точності?


Лабораторна робота №2
ДОСЛІДЖЕННЯ ЛІНІЇ ПЕРЕДАЧІ ПОСТІЙНОГО СТРУМУ

2.1 Мета роботи: Дослідження параметрів і режимів роботи лінії передачі постійного струму при зміні опору навантаження приймача.

2.2 Зміст роботи:

Для заданого електричного кола (рис.2.1):

- встановити задані параметри джерела живлення електричного кола;

- провести необхідні вимірювання величин струмів та напруги;

- розрахувати параметри роботи лінії постійного струму;

- оцінити похибки вимірювань та зробити висновки щодо режимів роботи лінії. При оцінці похибок вимірювань вважати межею вимірювань Iмах = 0.1А (для амперметрів), Vмах = 15 В (для вольтметрів), а за клас точності прийняти для всіх приладів δ = 0, 1.

Рисунок 2.1– Принципова електрична схема кола для дослідження режимів роботи лінії передачі постійного струму

2.3 Теоретичні відомості:

1. Режим роботи електричного ланцюга, тобто її електричний стан, визначається величинами струмів, напруг і потужністю джерел і окремих елементів.

2. Найбільш характерні режими електричних ланцюгів розглянемо на прикладі простого ланцюга із змінним опором приймача електричної енергії (рис. 2.2).

Рисунок 2.2 – Електрична схема кола з змінним опором приймача

Номінальний режим

Джерела і приймачі електричної енергії, дроти, а також допоміжні прилади характеризуються номінальними величинами струму IН, напруги UH, потужності РН, на які ці пристрої розраховані для нормальної роботи. Номінальні величини вказуються у паспорті приладу.

Режим роботи, при якому дійсні струми, напруги, потужності елементів електричного ланцюга відповідають їх номінальним величинам, називається номінальним (нормальним).

Відхилення від номінального режиму небажані, а перевищення номінальних величин в більшості випадків неприпустимо, оскільки при цьому не можуть бути гарантовані розрахункові тривалість і економічність роботи електричних приладів і установок.

Для забезпечення нормальних умов роботи приймачів електричної енергії необхідно дотримуватися відповідності напруг: дійсна напруга на затискачах приладу повинна бути рівна його номінальній напрузі.

Робочий режим

Режими електричного ланцюга з різних причин можуть відрізнятися від номінального режиму.

Якщо в електричному ланцюзі дійсні характеристики режиму відрізняються від номінальних величин її елементів, але відхилення знаходяться в допустимих межах, то режим називається робочим. На схемі (рис. 2.2) опір сполучних дротів віднесений до приймача. Згідно закону збереження енергії складемо для цього ланцюга рівняння енергетичного балансу за деякий час:

WД=WВ – WП,

де WД = E× I× t – енергія джерела;

WП = P× R× t – енергія приймача;

WВ = енергія втрат в джерелі.

За аналогією з енергією приймача енергію втрат виразимо у вигляді WВ = P× r× t, де r – внутрішній опір джерела. У цьому випадку енергетичний баланс має вигляд:

E× I= I2× r + I2× R,

Або, у вигляді рівняння балансу напруг:

Е = I× r + I× R = Uo + U,

де U0 – внутрішнє падіння напруги в джерелі;

U – напруга на зовнішніх затисках джерела.

Струм у простому замкненому ланцюзі згідно закону Ома:

.

Напруга U на зовнішніх затисках джерела дорівнює в цьому випадку напрузі на приймачі і менше джерела Е.Р.С. на величину внутрішнього падіння напруги:

U = I× R =Е – I× r.

Відношення потужності РП приймача до потужності РД джерела називається коефіцієнтом корисної дії джерела (К.К.Д):

.

Режим холостого ходу

При R = ∞ струму в ланцюзі не буде. Цей випадок відповідає розмиканню ланцюга. Режим електричного ланцюга або окремих джерел, при якому струм у них рівний нулю, називається режимом холостого ходу. При холостому ході напруга на зовнішніх затисках джерела рівна його Е.Р.С.:

U = Е.

Режим короткого замикання.

При R=0, I=Е/r =Iк, а напруга на затисках приймача і джерела U=0.

Режим електричного ланцюга, при якому накоротко замкнуто ділянку з одним або декількома елементами, у зв'язку з чим напруга на цій ділянці рівна нулю, називається режимом короткого замикання. Відповідно, струм Iк у ланцюзі називається струмом короткого замикання.

Короткі замикання в електричних установках небажані, оскільки струми короткого замикання, як правило, у декілька разів перевищують номінальні величини, що веде до різкого збільшення виділення тепла в токоведучих частинах і, отже, до псування електричних установок.

Напруга на затисках джерела зменшується від U=Е до U=0, і струм навантаження збільшується від нуля до струму короткого замикання .

2.4 Порядок виконання роботи

1. Зібрати у програмі Electronics Workbench схему для дослідження режимів роботи лінії передачі постійного струму (відповідно до рис. 2.1). Резистори R1 та R2 імітують лінію передачі постійного струму, ключі К1 і К2 дають можливість забезпечити режими холостого ходу і короткого замикання.

2. Для реалізації режиму холостого ходу на виході лінії передачі постійного струму ключі К1 та К2 необхідно розімкнути (зміна положення здійснюється натисненням клавіші К таклавіші Х на клавіатурі.

3. Включити схему, за допомогою перемикача , або натиснувши на клавіатурі Ctrl+G. Дочекатися стабільних показань вимірювальних приладів і записати показання вимірювальних приладів у таблицю 2.1. Вимкнути схему, натиснувши на клавіатурі Ctrl+Т.

4. Встановити ключ К1 у замкнуте положення, забезпечивши режим короткого замикання на виході лінії передачі постійного струму.

5. Включити схему і записати відповідні показання вимірювальних приладів в таблицю 2.1.

6. Для дослідження впливу опору навантаження на роботу лінії, необхідно перевести лінію передачі постійного струму у режим роботи з навантаженням, для чого переведіть ключ К2 в замкнуте положення, а ключ К1 в розімкнене положення.

7. Встановити величину опору резистора навантаження Rg рівною 10 відсотків від номінального значення. Для зменшення величини опору резистора Rg

 

 

Таблиця 2.1 – Результати досліджень режимів «холостого ходу» і «короткого замикання»

  Режим роботи лінії Напруга на опорі навантаження Uн, В Сила струму в лінії Iл, мА Опір навантаження лінії Rg, Ом Потужність навантаження Рн, Вт   К.К.Д.,   h
Режим „холо-стого ходу”          
Режим „короткого замикання”          

потрібно натиснути на клавіатурі комп'ютера клавішу R, для збільшення величини опору резистора Rg натиснути на клавіатурі комп'ютера клавіші Shift+R.

8. Включити схему і записати показання вимірювальних приладів в таблицю 2.2.

9. Послідовно збільшувати величину опору резистора Rg на 10 відсотків (до досягнення 90 відсотків номінального значення); записати до табл. 2.2 відповідні покази вимірювальних приладів.

Таблиця 2.2 – Результати досліджень робочого режиму

Rg, % Rg, Ом Едж, B Uн, В Pдж, Вт Pн, Вт h Iл, мА
               
               
               
               
               
               
               
               
               
               

 

10. Визначити, при якому значенні опору навантаження Rg забезпечується максимальне значення потужності Рн.

11. Побудувати графіки залежності h(Rg) Uн(Rg), Pн(Rg).

2.5 Зміст звіту

До звіту заносять:

- тему та мету роботи;

- принципову схему електричного кола, яке аналізується;

- результати вимірювання струмів та напруг на окремих ділянках досліджуваного кола;

- результати розрахунку (з урахуваням похибок) потужності навантаження і К.К.Д. лінії в різних режимах роботи;

- графіки залежності h(Rg) Uн(Rg), Pн(Rg):

- висновки по роботі.

2.6 Контрольні питання

1. Основна характеристика режиму холостого ходу лінії передачі електричного струму.

2. Основна характеристика режиму короткого замикання лінії передачі електричного струму.

3. Основна характеристика робочого режиму лінії передачі електричного струму.

4. За яких умов досягається максимальний К.К.Д. лінії передачі?

5. При яких значеннях величини опору навантаження потужність на опорі навантаження максимальна?

6. який з режимів роботи ліннії вважається аварійним і чому?


Лабораторна робота №3
ДОСЛІДЖЕННЯ ЛАНЦЮГІВ, ЩО МІСТЯТЬ РЕАКТИВНІ ЕЛЕМЕНТИ

3.1. Мета роботи: Дослідження ланцюгів, що містять реактивні елементи, у колах з синусоїдальними та імпульсними сигналами.

3.2 Зміст роботи:

Для даного електричного ланцюга (рис.3.1):

- встановити необхідні параметри ланцюга;

- провести дослідження характеристик електричного ланцюга, що містить реактивні елементи, відповідно до порядку виконання роботи;

- побудувати необхідні осцилограми струмів і напруг, провести розрахунок вказаних величин;

- зробити висновки за результатами роботи.

3.3 Теоретичні відомості

Ланцюг з реальною котушкою індуктивності

Реальна котушка індуктивності відрізняється від ідеальної тим, що змінний струм у ній супроводжується не тільки зміною енергії в магнітному полі, але і перетворенням електричної енергії в інший вигляд. Зокрема, у дроті котушки електрична енергія перетвориться в теплову у відповідності із законом Ленца-Джоуля.

У ланцюзі змінного струму процес перетворення електричної енергії в інший вигляд характеризується активною потужністю ланцюга Р, а зміна енергії в магнітному полі – реактивною потужністю Q; отже, у реальній котушці активна і реактивна потужності відмінні від нуля. Тому в схемі заміщення реальна котушка повинна бути представлена активним і реактивним елементами.

Виділення у реальній котушці двох елементів є штучним, оскільки конструктивно обидва елементи нероздільні; проте такою ж схемою заміщення можна представити реальний ланцюг із двох конструктивно не суміщених елементів, один з яких характеризується тільки активною потужністю P (при Q=0), а інший – реактивною (індуктивною) потужністю Q (при P=0).

Схема заміщення котушки з послідовним з'єднанням елементів

У схемі з послідовним з'єднанням елементів реальна котушка характеризується активним опором R і індуктивністю L.

Активний опір визначається величиною потужності втрат

R=Р/I2,

а індуктивність – конструкцією котушки.

Припустимо, що струм в котушці (рис.3.1, а) виражається рівнянням i = Imsin wt.

При проходженні змінного струмі у котушці виникає Е.Р.С. самоіндукції еL, тому струм залежить від дії прикладеної напруги і еL. Рівняння електричної рівноваги ланцюга, складене за другим законом Кірхгофа, має вигляд

u + eL = iR,

або .

а) б)

Рисунок 3.1 – Схема заміщення реальної котушки індуктивності (ланцюг R, L)

 

Прикладена до котушки напруга складається з двох доданків, один з яких (uR) - падіння напруги у активному опорі, а інший () врівноважує Е.Р.С. самоіндукції. Відповідно до цього котушку в схемі заміщення можна представити активним і індуктивним опорами, сполученими послідовно (рис.3.1, б).

Додатково відмітимо, що обидва доданки у правій частині рівності (3.1) є синусоїдальними функціями часу: uR співпадає по фазі із струмом, а uL випереджає струм на 90°. Тому

.

Векторна діаграма напруг

Вектор загальної напруги для ланцюга, приведеного на рис. 3.1б:

U = UR + UL.

Для побудови векторної діаграми (рис.3.2, а) заздалегідь вибираємо масштаби струму Mi і напруги Мu.

За початковий вектор діаграми приймаємо вектор струму I. Напрям цього вектора співпадає з позитивним напрямом осі, від якої відлічуються фазові кути (початкова фаза заданого струму ). Вектор UR по напряму співпадає з вектором струму I, а вектор UL направлений перпендикулярно вектору I з позитивним кутом.

 

а) б) в)

Рисунок 3.2 – Векторна діаграма ланцюга, трикутники опорів і потужностей

З діаграми видно, що вектор загальної напруги за величиною дорівнює гіпотенузі прямокутного трикутника, катетами якого є вектори падінь напруги в активному і індуктивному опорах UR і UL

,

а за напрямком U випереджає вектор струму I на кут j, причому 90° > j > 0,

Проекція вектора напруги U на напрям вектора струму називається активною складовою вектора напруги і позначається Ua; для даної схеми Ua = UR.

Проекція вектора напруги U на напрям, перпендикулярний вектору струму, називається реактивною складовою вектора напруги і позначається Up. для даної схеми Up = UL.

Аналогічно діаграмі напруг, можна зобразити трикутник опорів (рис.3.2, б), одним з катетів якого є активний опір R=UR/I, другим - індуктивний опір XL = UL/I, а гіпотенузою - величина повного опору Z=U/I (як відношення діючої напруги до діючого струму ланцюга. З трикутника опорів виходить

.

Величина повного опору Z входить як коефіцієнт до співвідношення між діючими величинами напруги і струму (за законом Ома):

,

звідки визначаються співвідношення для кута j між сторонами трикутника:

cos j = UR/U = R/Z,.. sinj = UL/U = XL/Z,.tg j = UL/U = XL/R.

Потужність котушки

Миттєва потужність котушки

p = ui = Umsin(wt + j)Imsin wt.

Із графіка миттєвої потужності (рис.3.3) видно, що протягом періоду потужність чотири рази зміняє знак; отже, змінюється і напрям потоку енергії.

 

Рисунок 3.3 – Графік миттєвої потужності ланцюга

При позитивному значенні потужності енергія переходить від джерела в приймач, а при негативному – навпаки; кількість енергії, що поступила в приймач (позитивна площа) при цьому більше поверненої назад (негативна площа).

Отже, в ланцюзі з активним опором і індуктивністю частина енергії, що поступає від генератора, необоротно перетворюється на інший вид енергії. Швидкість необоротного процесу перетворення енергії оцінюється середньою (активною) потужністю Р, швидкість обмінного процесу характеризується реактивною потужністю Q.

Для активного опору Р = UR× I; Q = 0; для індуктивного - Р = 0; Q = UL× I.

Співвідношення між повною потужністю та її складовими аналогічні таким для опорів (рис.3.2, в):

S=UI=I2Z; , P=UIcos j; Q=UIsin j.

Відношення активної потужності ланцюга до її повної потужності називають коефіцієнтом потужності cos j = P/S.

Як правило, коливання енергії в ланцюзі не тільки даремні, але і шкідливі, оскільки при цьому в приймачі не здійснюється повного перетворення електричної енергії в роботу або тепло, а усполучних дротах вона втрачається.

Ланцюг з реальним конденсатором

При змінній напрузі на реальному конденсаторі окрім струму зсуву є невеликі струми провідності через товщу діелектрика (об'ємний струм) і уздовж поверхні (поверхневий струм), які супроводжуються втратами енергії. Разом із зміною енергії електричного поля, що характеризується реактивною потужністю Q йде необоротний процес перетворення електричної енергії в теплову, швидкість якого виражається активною потужністю Р.

Тому в схемі заміщення реальний конденсатор повинен бути представлений активним і реактивним елементами; останнє - це розрахунковий прийом, оскільки конструктивно елементи виділити не можна.

Схема заміщення конденсатора з паралельним з'єднанням елементів

Реальний конденсатор (із втратами) можна представити еквівалентною схемою паралельного з'єднання активної G і ємнісної Вс провідності (рис.3.4), причому активна провідність визначається потужністю втрат в конденсаторі , а ємність – конструкцією конденсатора.

Рисунок 3.4 – Схема заміщення реального конденсатора

При такому зєднанні гілок, згідно першого закону Кірхгофа, загальний струм i рівний сумі струмів у гілках з активною і ємнісною провідностями:

i = iG + iC.

Враховуючи, що струм iG співпадає по фазі з напругою, а струм iC випереджає напругу на чверть періоду, рівняння загального струму можна записати в наступному вигляді:

i = IGm sinwt + ICm sin(wt+p/2),

де IGm = GUm, a ICm = BCUm

Векторна діаграма струмів

Діючі величини загального струму I та його складових визначаються методом векторного складання за рівняннями I = IG + IC; IG = GU; IC = BCU.

Першим на векторній діаграмі зображається вектор напруги U (рис.3.5, а), напрям якого вибирають співпадаючим з позитивним напрямом осі абсцис, від якої відлічуються фазові кути (початкова фаза напруги ju = 0). Вектор IG співпадає по напряму з вектором U, а вектор IC направлений перпендикулярно вектору U з позитивним кутом.

З векторної діаграми видно, що вектор загальної напруги відстає від вектора загального струму на кут j, причому 90° > j > 0.

Вектор I є гіпотенузою прямокутного трикутника, катети якого – складові вектори IG і IC:

IG = I cos j; IC = Isin j;

 

а) б) в)

Рисунок 3.5 – Трикутники струмів, провідностей, потужностей

 

Рисунок 3.6 – Графік миттєвої потужності ланцюга

 

Трикутник провідностей

Аналогічно діаграмі струмів, можна зобразити трикутник провідностів (рис.3.5, б), одним з катетів якого є активна провідність G = IG/U, другим - індуктивна провідність Вс = IC/U, а гіпотенузою – повна провідність ланцюга Y = I/U:

Зв'язок між діючими величинами напруги і струму та коефіцієнтом потужності виражається співвідношеннями:

; U = I/Y;

Потужність

Вираз миттєвої потужності реального конденсатора

співпадає з виразом миттєвої потужності котушки; аналогічними формулами визначаються і величини активної, реактивної і повної потужностей.

Схема заміщення конденсатора з послідовним з'єднанням елементів

Реальний конденсатор, так само як і котушка, на розрахунковій схемі може бути представлений послідовним з'єднанням двох ділянок: з активним (R) і ємнісним (Х)с опорами.

 

Рисунок 3.7 – Варіанти схеми заміщення реального конденсатора

 

На рис.3.7, а така схема показана порівняно з схемою паралельного з'єднання активної і ємнісної провідностей (рис.3.7, 6). Всі висновки і формули, одержані для прикладу схеми із котушкою індуктивності, будуть справедливими і для прикладу конденсатора (за умови заміни індуктивного опору ємнісним опором).

Конденсатори, вживані на практиці, мають відносно малі втрати енергії; тому в схемах заміщення вони представлені найчастіше тільки реактивною частиною, тобто ємністю .

Перехідні процеси

Перехідні процеси виникають унаслідок зміни Е.Р.С. в ланцюзі чи напруги, прикладеної до ланцюга, або у зв'язку зі зміною параметрів ланцюга. Безпосередніми причинами виникнення перехідних процесів можуть бути комутаційні зміни режимів (включення або виключення) джерел живлення і приймачів енергії, короткі замикання на ділянках електричних ланцюгів, зміни механічного навантаження електродвигунів і т. ін.

Електромагнітні процеси, що відбуваються в електричних ланцюгах при переході від одного сталого режиму до іншого, називають перехідними процесами, а струми (напруги) в ланцюзі під час перехідного процесу – відповідно, перехідними струмами (напругами).

Тривалість перехідних процесів в електричних ланцюгах найчастіше складає десяті і соті долі секунди. Проте знання характеру їх дуже важливо, оскільки і за такий малий час можливі різкі збільшення струмів і напруг, які можуть виявитися небезпечними для електричних установок.

Співвідношення тривалості сталих і перехідних режимів може бути самим різним і залежить від умов експлуатації і призначення електричних ланцюгів. Одні з них практично весь час працюють в сталому режимі (двигуни з тривалим незмінним навантаженням, лампи електричного освітлення), інші, навпаки, безперервно знаходяться у перехідному режимі (двигуни з повторно-короткочасним навантаженням, лінії зв'язку під час передачі інформації, імпульсні пристрої автоматики, рахунково-вирішальні машини в період роботи).

Перший закон комутації застосовується до ланцюгів, що містять котушку індуктивності: i (t = - 0) = i (t = + 0),

тобто, струм в котушці індуктивності не може змінитися стрибком; миттєвий струм в гілці з індуктивністю в перший момент перехідного періоду (при t= + 0) залишається таким же, яким він був в останню мить попереднього сталого режиму (при t = - 0).

Так, електричний стан ланцюга що містить котушку індуктивності (рис.3.8) у будь-який момент перехідного періоду характеризується рівнянням

U = U R + U L = iR + L(di/dt),

яке виражає баланс напруг в ланцюзі; звідси:

.

Дане диференційне рівняння характеризує закон зміни струму в котушці після замикання рубильника у схемі рис.3.8. Так, при підключення котушки індуктивності до джерела постійної напруги струм у ланцюзі збільшується, але не миттєво; відповідний графік перехідного струму приведено на рис. 3.9.

 

 

Рисунок 3.8 – До першого закону комутації

 

Рисунок 3.9 – Графік перехідного струму після включення ланцюга на постійну напругу

 

Якщо припустити, що за наявності в ланцюзі опору R струм змінювався б по лінійному закону з найбільшою швидкістю (пряма iL), то сталої величини I він досяг би за найменший час t = τ. Цей проміжок часу є важливою характеристикою і називається постійною часу електричного ланцюга.

Постійну часу можна визначити графічно (рис.3.10), якщо провести дотичну Оа до кривої струму на початку координат і крапку а перетину дотичної з асимптотою спроектувати на вісь часу. Відрізок Оа' в масштабі часу і виразить постійну часу. Таку ж довжину має відрізок а'b', який можна одержати, якщо провести дотичну до кривої струму в будь-якій точці а1, знайти точку b перетину дотичної з асимптотою і спроектувати точки а1 і b на вісь часу.

Аналітичний вираз постійної часу:

τ = L/R,

тобто постійна часу визначається лише параметрами R і L даного ланцюга.

Вимушена і вільна складові перехідного струму

Перехідний струм можна розглядати як алгебраїчну суму двох складових:

.

Перша складова є струмом, сталим в ланцюзі після закінчення перехідного процесу (пряма i пр на рис.3.10). Цей струм визначається безперервною дією постійної напруги U в перехідному і сталому режимах. Його називають вимушеним струмом.

Друга складова виникає на початку перехідного процесу і поступово затухає до нуля, після чого перехідний процес вважається закінченим (крива iCB на рис.3.10). Ця складова перехідного струму називається вільним струмом.

Із рівняння для вільної складової перехідного струму

і в = Ie-t

виходить, що постійна часу електричного ланцюга рівна інтервалу часу, протягом якого вільний струм в цьому ланцюзі убуває в е раз.

Вплив величини напруги і параметрів ланцюга на перехідний процес

Перехідний процес при включенні ланцюга з R і L на постійну напругу U характеризують три показники: сталий струм, початкова швидкість зміни струму і постійна часу ланцюга; при цьому сталий струм і початкова швидкість зміни струму залежать від напруги, а постійна часу ланцюга, що характеризує тривалість перехідного процесу, від напруги не залежить (рис.3.11).

 

а) б) в)

 

Рисунок 3.11 – Графіки перехідного струму при різних напругах на затисках ланцюга (а), різних опорах (б) і індуктивностях (в) ланцюга

 

Відключення котушки індуктивності від джерела постійної напруги

Відключення приймачів електричної енергії від джерела або від мережі здійснюється розривом ланцюга в одній або декількох крапках. Зустрічаються випадки, коли елементи ланцюга, що мають велику індуктивність, при розриві ланцюга одночасно замикаються накоротко або на розрядний опір.

При розмиканні електричного ланцюга з котушкою індуктивності (рис.3.14, а) у момент розриву ланцюга напруга між контактами вимикача В, що розходяться, різко збільшується від нуля до U+ U L. Швидкість зміни струму у момент розриву ланцюга , тому величина може бути досить великою. Повітряний проміжок між контактами пробивається і утворюється іскра, за рахунок чого струм в ланцюзі зберігається якийсь час після початку розриву контактів.

При великій потужності джерела іскровий розряд може перейти у дуговий; для гасіння електричної дуги вимикаючі апарати, як правило, забезпечуються дугогасильними пристосуваннями.

 

Рисунок 3.14 – Схеми розмикання ланцюга з індуктивністю

В деяких випадках (наприклад, при виключенні обмоток збудження електричних машин) напруга може досягати величин, небезпечних для ізоляції. Значного підвищення напруги можна уникнути, якщо одночасно з відключенням індуктивної котушки від джерела замкнути її на розрядний опір (рис.3.14, б).

Перехідний процес в замкнутому контурі «котушка–розрядний опір» відрізняється від процесу в ланцюзі рис.3.14, а тим, що швидкість зміни струму залежить від параметрів ланцюга R і L.

Після відключення ланцюга від джерела енергії (рис.3.14, б) в короткозамкнутому контурі, що утворився, струм не може зменшитися миттєво до нуля, а підтримується протягом перехідного періоду, поки енергія магнітного поля котушки не зменшиться до нуля (в активному опорі ланцюга R при цьому здійснюється необоротний процес перетворення електричної енергії у теплову).

Зміна опору в ланцюзі з індуктивністю

При включенні котушки індуктивності, що має параметри R і L, опір ланцюга зменшується стрибком від до R, а при виключенні воно збільшується від R до . Відповідно до таких змін опору струм в ланцюзі за час перехідного періоду збільшується від 0 до I або зменшується від I до 0.

При стрибкоподібній зміні опору ланцюга в кінцевих межах теж виникає перехідний процес, який у загальних рисах подібний вже розглянутим процесам.

Другий закон комутації застосовується до ланцюгів, що містять ємність:

u (t = - 0) =u (t = + 0),

тобто, напруга на ємності не може змінитися стрибком; напруга на ємності в перший момент перехідного періоду (при t= + 0) залишається такою, яким вона була в останню мить попереднього сталого режиму(при t = - 0).

Електричний стан ланцюга (рис.3.11) у будь-який момент перехідного періоду характеризується рівнянням, складеним за другим законом Кірхгофа:

U = U с + U R = uc + iR = U с + i C(duc/dt).

 

Рисунок 3.11 – До другого закону комутації

Зарядка конденсатора

Аналіз процесу зарядки конденсатора від джерела постійної напруги багато в чому співпадає з аналізом перехідного процесу після включення котушки на постійну напругу, оскільки рівняння електричного стану є аналогічними.

Графіки залежності напруги на конденсаторі uC і зарядного струму iз від часу зображені на рис.3.12.

 

Рисунок 3.12 – Графіки перехідних струмів і напруг при зарядці конденсатора

 

Постійна часу ланцюга (τ = RC) є показником тривалості перехідного процесу і залежить від параметрів ланцюга R і С.

Конденсатор знаходиться під дією вимушеної і вільної складових напруги

uС = uС пр + uС cв = U + ,

а зарядний струм складається тільки з вільної складової

,

оскільки а вимушена складова відсутня: iпр = iу = 0.

Вплив величини напруги джерела і параметрів ланцюга

Перехідний процес при зарядці конденсатора від джерела постійної напруги характеризують три показники: стала напруга на конденсаторі, початкова швидкість зміни напруги, постійна часу; при зміні напруги джерела змінюються стала напруга на конденсаторі і початкова швидкість зміни напруги, а постійна часу ланцюга від напруги не залежить. На рис.3.13 приведені (відповідно двом різним напругам джерела U1 і U2 ) графіки зміни напруги на конденсаторі.

 

Рисунок 3.13 – Графіки перехідної напруги на конденсаторі при різних напругах джерела

 

Зміна ємності впливає на тривалість перехідного процесу так само, як зміна опору (рис.3.14).

 

Рисунок 3.14 – Графіки перехідних напруг і струму конденсатора при різних величинах ємності

Перехідний процес при розрядці конденсатора

Перехідний процес при розрядці конденсатора ілюструється схемою рис.3.15.

 

Рисунок 3.15 – Схема розрядки конденсатора

Після перемикання перемикача конденсатор не може розрядитися миттєво, тобто напруга uC не може зменшитися стрибком до нуля, а підтримується протягом перехідного періоду за рахунок енергії, накопиченої в електричному полі конденсатора; при цьому в активному опорі R здійснюється необоротний процес перетворення електричної енергії в теплову..

Напруга на конденсаторі при розрядці виражається рівнянням

,

де.. τ = RC – постійна часу ланцюга.

Тривалість перехідного процесу, як і при зарядці, теоретично рівна нескінченності, а практично розрядка вважається закінченою при t = (4÷ 5) τ.

3.4 Порядок виконання роботи

1. Запустити на комп'ютері програму Electronics Workbench.

2. Зібрати в програмі Electronics Workbench схему відповідно до рис.3.16.

 

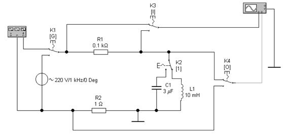
Рисунок 3.16 – Схема для дослідження ланцюгів з реактивними елементами

 

Об’єктом дослідження є ланцюг, який утворюються із джерела напруги U, конденсатора С1, котушки індуктивності L1 та резисторів R1, R2. Перемикачі (ключі) К1, К2, К3 і К4 забезпечують комутацію схеми на той чи інший досліджуваний реактивний двополюсник і дають можливість організувати спостереження осцилограм і вимірювання струмів та напруг на різних ділянках ланцюга.

3. Підключити до досліджуваного ланцюга за допомогою ключа К1 генератор прямокутних імпульсів (зміна положення ключа здійснюється натисненням клавіші «G» на клавіатурі).

4. Для дослідження RC -ланцюга за допомогою ключа К2 (натисненням клавіші 1 на клавіатурі) під’єднується конденсатор С1. Ключ К3 встановлюється (натисненням клавіші I на клавіатурі) у положення, що забезпечує режим спостереження і вимірювання параметрів вхідного сигналу, який подається на ланцюг. Ключ К4 встановлюється у нижнє (за схемою) положення для забезпечення режимів спостереження і вимірювання параметрів струму ланцюга. Зміна положення ключа К4 здійснюється натисненням клавіші «О» на клавіатурі.

Включити схему за допомогою перемикача , або, натиснувши на клавіатурі Ctrl+G. Дочекатися появи зображення на екрані віртуального осцилографа і замалювати осцилограми вхідної напруги і струму конденсатора. Вимкнути схему, натиснувши на клавіатурі Ctrl+Т.

Визначити параметри змальованих сигналів (амплітуду, тривалість, період). За осцилограмами визначити тривалість перехідного процесу у досліджуваному ланцюзі і розрахувати постійну часу досліджуваного ланцюга. Приклад осцилограми (на екрані віртуального осцилографа) приведено на рис. 3.17.

 

Рис. 3.17 - Приклад осцилограми RC -ланцюга

5. Перевести ключ К4 у верхнє (за схемою) положення, що дає можливість спостерігати осцилограми напруги на конденсаторі С1 досліджуваного ланцюга.

Включити схему і, дочекавшись появи зображення на екрані віртуального осцилографа, замалювати осцилограми вхідної напруги і напруги на конденсаторі С1.

Визначити параметри змальованих сигналів (амплітуду, тривалість, період). За осцилограмами визначити тривалість перехідного процесу у досліджуваному ланцюзі і розрахувати постійну часу досліджуваного ланцюга. Приклад осцилограми приведено на рис. 3.18.

 

 

Рис. 3.18 - Приклад осцилограми напруги на конденсаторі С1

6. Для дослідження RL -ланцюга встановити ключ К2 у положення, що забезпечує це дослідження, а ключ К4 - у нижнє (за схемою) положення, яке забезпечує вимір струмів схеми.

Включити схему і, дочекавшись появи зображення на екрані віртуального осцилографа, замалювати осцилограми вхідної напруги і струму котушки.

Визначити параметри змальованих сигналів (амплітуду, тривалість, період). За осцилограмами визначити тривалість перехідного процесу у досліджуваному ланцюзі і розрахувати постійну часу досліджуваного ланцюга. Приклад осцилограми приведено на рис. 3.19.

 

Рис. 3.19 - Приклад осцилограми RL -ланцюга

7. Перевести ключ К4 у верхнє по схемі положення, що дає можливість спостерігати осцилограми напруги на котушці індуктивності L1 досліджуваного ланцюга.

Включити схему і, дочекавшись появи зображення на екрані віртуального осцилографа, замалювати осцилограми вхідної напруги і напруги котушки досліджуваного ланцюга. За осцилограмами визначити тривалість перехідного процесу у досліджуваному ланцюзі і розрахувати постійну часу досліджуваного ланцюга. Приклад осцилограми приведено на рис. 3.20.

Рис. 3.20 - Приклад осцилограми напруги на котушці індуктивності L1

8. Підключити джерело Е1 до досліджуваного ланцюга за допомогою ключа К1, для чого натиснути на клавіатурі клавішу «G». Це дає можливість досліджувати роботу реактивного двополюсника при дії на нього змінної напруги синусоїдальної форми. Перевести ключ К3 у верхнє (за схемою) положення, а ключ К4 – у нижнє положення.

Включити схему і, дочекавшись появи зображення на екрані віртуального осцилографа, замалювати осцилограми вхід


Поделиться с друзьями:

mylektsii.su - Мои Лекции - 2015-2026 год. (1.058 сек.)Все материалы представленные на сайте исключительно с целью ознакомления читателями и не преследуют коммерческих целей или нарушение авторских прав Пожаловаться на материал