Студопедия

Главная страница Случайная страница

КАТЕГОРИИ:

АвтомобилиАстрономияБиологияГеографияДом и садДругие языкиДругоеИнформатикаИсторияКультураЛитератураЛогикаМатематикаМедицинаМеталлургияМеханикаОбразованиеОхрана трудаПедагогикаПолитикаПравоПсихологияРелигияРиторикаСоциологияСпортСтроительствоТехнологияТуризмФизикаФилософияФинансыХимияЧерчениеЭкологияЭкономикаЭлектроника






Зміст звіту. - принципову схему електричного кола, яке аналізується;






До звіту заносять:

- тему та мету роботи;

- принципову схему електричного кола, яке аналізується;

- результати вимірювання струмів на окремих ділянках кола досліджуваної схеми;

- розрахунки параметрів (добротність, коливальний опір) паралельного коливального контуру;

- векторні діаграми струмів гілок паралельного коливального контуру;

- висновки.

5.6 Контрольні питання

1. У якому контурі можливий резонанс струму?

2. Умови виникнення резонансу струму.

3. Як залежать реактивні провідності елементів контуру від частоти?

4. Фізичний зміст поняття добротності контуру?

5. Від яких параметрів залежить добротність контуру?


Лабораторна робота № 6
ДОСЛІДЖЕННЯ КІЛ З ДВОМА СТОРОНАМИ ЗА ДОПОМОГОЮ ТЕОРІЇ ЧОТИРИПОЛЮСНИКА

6.1 Мета роботи: Дослідження кіл з двома сторонами за допомогою теорії чотириполюсника. Визначення параметрів чотириполюсника у режимах короткого замикання, холостого ходу та при зміні опору навантаження.

6.2 Зміст роботи:

Для заданого електричного кола (рис. 6.1):

- встановити задані параметри джерела живлення електричного кола;

- провести необхідні вимірювання величин струмів та напруги;

- обчислити коефіцієнти чотириполюсника при різних режимах роботи з урахуванням похибок; при оцінці похибок електровимірювальних приладів взяти в якості межі вимірювань Iмах= 0, 25 А (для амперметрів А1, А2) та Uмах = 15 В (для вольтметрів V1, V2), за клас точності вважати δ = 0, 1 для всіх приладів.

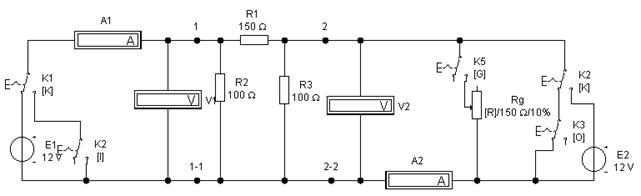
Рисунок 6.1 – Електричне коло для дослідження чотириполюсника

6.3 Теоретичні відомості

За допомогою поняття про чотириполюсник полегшується аналіз режиму роботи однієї сторони (гілки) складного електричного кола при зміні електричних характеристик в іншій стороні (гілці). Такий метод застосовується при дослідженні ліній електропередачі, трансформаторів, електричних машин, підсилювачів та ін.

Рівняння чотириполюсника

Кожна з двох будь-яких гілок електричного кола, які передбачається розглянути у взаємозв'язку, приєднана до решти частини ланцюга двома затискачами (полюсами) (рис. 6.2).

Рисунок 6.2 – Принципова схема підключення чотириполюсника

Частина електричного ланцюга, що має дві пари затискачів (полюсів), одна з яких є вхідною, а інша - вихідною, називається чотириполюсником. Внутрішні схеми чотириполюсників можуть бути різноманітні.

Режим роботи чотириполюсника щодо гілок, які приєднуються до цих пар полюсів, цілком визначений, якщо відомі напруги і струми на вході і виході: U1, U2, I1, I2.

У режимі чотириполюсника нічого не зміниться, якщо замість приймача Z2 до вторинних затискачів приєднати джерело Е.Р.С. Е2 = - U2 (рис. 6.3).

Рисунок 6.3 – До визначення рівнянь чотириполюсника

Після такої заміни можна застосувати метод накладення для знаходження залежності між вхідними і вихідними напругами і струмами.

При короткому замиканні полюсів 2-2 струми в схемі викликає лише Е.Р.С. Е1 і величини струмів пропорційні напрузі U1:

; .

Аналогічно, при короткому замиканні полюсів 1-1 струми в схемі викликає лише Е.Р.С. Е2 і величини струмів пропорційні напрузі U2:

; .

Коефіцієнти пропорційності мають розмірність провідності: Y11 та Y22 – вхідні провідності; Y21, Y12 – взаємні провідності (останні співпадають між собою відповідно до принципу взаємності).

За принципом накладення струмів

; ,

або, у кінцевому варіанті, виходить система рівнянь чотириполюсника у т. зв. «система

,

.

З цієї системи можна одержати інші рівняння; наприклад, у яких заданими можна вважати напругу і струм на виході чотириполюсника, а шуканими – напругу і струм на вході (система рівнянь у «система А»)

U1 = AU1 + BI2,

I1 = CU2 + DI2.

В цій системі комплекси А, В, С, D називаються первинними коефіцієнтами чотириполюсника; за умови лінійності елементів чотириполюсника справедливим є співвідношення коефіцієнтів:

AD – BC = 1.

Між коефіцієнтами чотириполюсника в обох системах існує однозначний зв'язок:

, , , .

Якщо поміняти місцями вхідні і вихідні затискачі, то рівняння «системи А» можна записати, помінявши місцями індекси при всіх величинах

,

,

звідки отримати рівняння «системи В» (відносно U2 та I2):

U2 = DU1 + BI2,

I2 = CU1 + AI1 .

Зіставлення рівнянь «системи А» і «системи В» показує, що при зміні місцями вхідних і вихідних затискачів у рівняннях чотириполюсника змінюються місцями коефіцієнти А і D, тобто, при рівності цих коефіцієнтів чотириполюсник є симетричним (має однаковий ланцюг зі сторони однієї і другої пари затискачів).

Режими роботи чотириполюсника

У режимі холостого ходу при розімкнутих полюсах «2-2» (рис. 6.4а) напруга на виході чотириполюсника U2=U2хх, а струм відсутній (I2=0);

при короткому замиканні вторинних затискачів (рис. 6.4б) через них проходить т.зв. струм короткого замикання I2=I2кз. напруга на навантаженні є нульовою U2 = 0.

Рисунок 6.4 – Режими холостого ходу і короткого замикання чотириполюсника

З рівнянь чотириполюсника «системи А» виходить:

U1хх = AU2хх; I1хх = CU2хх;

U1кз = BI2кз; I1кз = DI2кз,

звідки коефіцієнти чотириполюсника:

А = U1хх / U2хх; B = U1кз / I2кз;

C = I1хх; D = I1кз / I2кз.

З досліду холостого ходу можна також знайти вхідний опір при розімкнених вторинних затискачах:

U1хх / I1хх = Z1хх = A / C,

а з досліду короткого замикання - вхідний опір при замкнутих накоротко вторинних затискачах:

U1кз / I1кз = Z1кз = B / D.

Якщо відомі внутрішня схема і опори всіх гілок пасивного чотириполюсника, то параметри його можна розрахувати, застосовуючи відомі методи перетворення схем. Спочатку визначають вхідні опори Z1хх і Z1кз і додатково – вхідний опір з боку вторинних затисків при розімкнених первинних затисках при

I1 = 0:

Z2хх = U2хх / I2хх = D / C.

Вхідний опір з боку вторинних затисків при короткому замиканні на первинній стороні при U1 = 0:

U2КЗ / I2КЗ = Z2КЗ = B / A.

Напруга і струм на вході чотириполюсника у робочому режимі (режимі навантаження) с кладаються з двох доданків:

U1 = AU2 + BI2 = U1хх + U1кз,

I1 = CU2 + DI2 = I1хх + I1кз..

Робочий режим чотириполюсника можна характеризувати також вхідним опором з боку первинних затисків Z1вх, якщо взяти відношення рівнянь останньої системи (і врахувати, що U2 = I2Z2):

= ,

де Z2 – опір навантаження на виході чотириполюсника.

Аналогічно можна отримати вираз для вхідного опору з боку вторинних затискачів.. Z2вх.. (враховуючи,..що.. U1..=..I1Z1): ,

де Z1 – опір «навантаження» на вході чотириполюсника.

6.4 Порядок виконання роботи

1. Зібрати у програмі Electronics Workbench електричне коло відповідно до рис. 6.1.

2. Резистори R1, R2, R3 утворюють чотириполюсник, перемикачі К1, К2 К3 і К4 дають можливість забезпечити режими холостого ходу і короткого замикання з обох боків чотириполюсника.

3. Підключити до чотириполюсника джерело напруги Е1 за допомогою ключа К1 (зміна положення ключа здійснюється натисненням клавіші (латинської) «К» на клавіатурі).

Для забезпечення режиму холостого ходу на виході ключі К5 і К3 повинні бути розімкнені (зміна положення ключа К5 здійснюється натисненням клавіші «G» на клавіатурі, ключа К3, відповідно, натисненням клавіші «О»).

4. Включити схему за допомогою перемикача , або, натиснувши на клавіатурі Ctrl+G і, дочекавшись стабільних показань вимірювальних приладів, записати їх у таблицю 6.1.

5. Для забезпечення режиму короткого замикання на виході встановити ключ К3 у замкнуте положення; включити схему і, дочекавшись стабільних показань вимірювальних приладів, записати їх у таблицю 6.1.

Таблиця 6.1 – Результати досліджень режимів «х.х.» та «к з

№ з/п Режим чотириполюсника: Е1, В Е2, В I1, мА I2, мА U2, B U 1, В
  холостого ходу на виході            
  короткого замикання на виході            
  холостого ходу на вході            
  короткого замикання на вході            

6. Підключити джерело Е2 до вихідних клем чотириполюсника натисненням на клавіатурі клавіші «К». Для забезпечення режиму холостого ходу на вході чотириполюсника встановити ключ К2 у розімкнене положення (натисненням на клавіатурі клавіші «I»).

Включити схему і, дочекавшись стабільних показань вимірювальних приладів, записати їх у таблицю 6.1.

7. Для забезпечення режиму «короткого замикання на вході» чотириполюсника встановити ключ К2 у замкнуте положення.

Включити схему і, дочекавшись стабільних показань вимірювальних приладів, записати їх у таблицю 6.1.

8. За заданою схемою і у відповідності до знайдених характеристик розрахувати значення опорів Z11x, Z11K, Z21x, Z22K та характеристичний опір Zс.

9. Для дослідження впливу опору навантаження на вхідні і вихідні струми чотириполюсника підключити джерело Е1 до вхідних клем чотириполюсника (за допомогою ключа К1). Підключити також до вихідних клем опір навантаження Rg (ключ К3 розімкнути, ключ К5 замкнути).

Встановити величину опору Rg на рівні 10відсотків номіналу. Включити схему і, дочекавшись стабільних показань вимірювальних приладів, записати їх показання у таблицю 6.2.

10. Довести послідовно величину опору Rg до номінального значення (з кроком 10%) і записати показання вимірювальних приладів у таблицю 6.2. Для зміни величини опору резистора Rg натиснути на клавіатурі комп'ютера клавіші Shift+R (збільшення) або клавішу R (зменшення). Виключити схему.

Таблиця 6.2 – Результати досліджень режиму навантаження

Rg, % Rg, Ом I1, мА I2, мА U2, B P1, Вт P2, Вт h
               
               
               
               
               
               
               
               
               
               
               

11. Визначити, при якому значенні опору навантаження Rg забезпечується максимальне значення коефіцієнта корисної дії передачі h.

12. Побудувати графіки залежностей h(Rg) та P2(Rg).

6.5 Зміст звіту

До звіту заносять:

- тему і мету роботи;

- результати вимірювання струму і напруги на окремих ділянках ланцюгів для різних режимів роботи чотириполюсника;

- графіки побудованих залежностей;

- висновки.

6.6 Контрольні питання

1. Який пристрій називають чотириполюсником?

2. Який чотириполюсник вважається активним?

3. Який чотириполюсник вважається пасивним?

4. Якими параметрами визначаються коефіцієнти чотириполюсника?

5. Методи визначення коефіцієнтів чотириполюсника.

6. Як залежить коефіцієнт передачі чотириполюсника і його К.К.Д. від опору навантаження?


Лабораторна робота № 7
ДОСЛІДЖЕННЯ ТРИФАЗНИХ КІЛ ЗМІННОГО СТРУМУ, З'ЄДНАНИХ ЗА СХЕМОЮ «ЗІРКА-ЗІРКА»

7.1 Мета роботи: Дослідження особливостей роботи і властивостей трифазних кіл при сполученні зіркою фаз джерела і приймача.

7.2 Зміст роботи:

Для заданого електричного кола (рис.7.1):

- встановити задані параметри джерел живлення;

- дослідити роботу трифазного кола, з'єднаного за схемою «зірка-зірка», у різних режимах;

- провести необхідні вимірювання величин напруг і струмів. при оцінці похибок електровимірювальних приладів взяти в якості межі вимірювань Iмах= 250А (для амперметрів) та V мах=500 В (для вольтметрів), а за клас точності прийняти δ = 0, 1 для всіх приладів;

- побудувати векторні діаграми струмів і напруг при різних режимах роботи схеми.

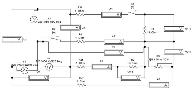
Рисунок 7.1 - Електрична схема для дослідження режимів роботи трифазного кола, з'єднаного за схемою «зірка-зірка»

7.3 Теоретичні відомості

Трифазна система Е.Р.С.

У трифазному генераторі із трьома самостійними обмотками, які мають просторовий зсув одна до одної величиною 120°, утворюється трифазна симетрична система Е.Р.С. початкові фази яких, відповідно, мають такий же зсув (120°) одна до одної. На рис. 7.2 обмотки зображені при t = 0.

Рівняння для Е.Р.С., які виникають при обертанні ротора, мають вигляд:

Цим рівнянням відповідають графіки Е.Р.С. і діаграма, зображені на рис. 7.3.

Рисунок 7.2 – Схема трифазного генератора

Комплекси діючих величин цих Е.Р.С.:

.

Вектори Е.Р.С. обертаються проти годинникової стрілки, і мимо нерухомої осі +j вони проходитимуть в наступному порядку: (т. зв. пряма послідовність фаз).

Рисунок 7.3 – Графіки і векторна діаграма симетричної системи е.р.с.

Незв'язана та зв'язана трифазні системи електричних кіл

Якщо кожну обмотку трифазного генератора з'єднати з своїм приймачем, утворюються три незалежні кола (три фази) (рис. 7.4, а). Якщо у трифазному колі діє симетрична система Е.Р.С, то, при однакових комплексних опорах фаз струми у фазах також утворюють симетричну систему (будуть рівними за величиною і зсунуті по фазі на кут 120°, рис.7.4, б).

У незв'язаній трифазній системі генератор з приймачем енергії з'єднується шістьма провідниками; внаслідок великої кількості сполучних провідників такі системи практично не застосовуються.

Скорочення числа сполучних провідників досягається у зв'язаних системах, де обмотки генератора, як і окремі фази приймача, електрично зв'язані між собою і утворюють трифазні кола. У техніці та на виробництві

а) б)

Рисунок 7.4 – Незв'язана трифазна система електричних кіл

застосовуються схеми з'єднання трифазних кіл зіркою і трикутником.

Сполучення «зіркою» при симетричному навантаженні

На рис.7.5 показана зв'язана система при сполученні фаз джерела енергії і приймача «зіркою».

Рисунок 7.5 – Зв'язані трифазні системи електричних ланцюгів при сполученні зіркою

При такому з’єднанні кінці обмоток джерела X, Y, Z з'єднуються в загальну точку N, т.зв. нульову точку або нейтраль.

У випадку зв'язаної чотирипровідної системи нульові точки джерела енергії і приймача сполучаються провідником, який називається нульовим або нейтральним (рис.7.5, а).

У випадку зв'язаної трипровідної системи, яка реалізується при симетричній системі Е.Р.С. та струмів, струм у нульовому провіднику відсутній за визначенням і у наявності самого провідника немає потреби (рис. 7.4, б).

Фазні та лінійні напруги

Різниця потенціалів між лінійними затискачем і нейтраллю, тобто між початком і кінцем фази, визначає фазну напругу (UA, UB, UС) яка відрізняється від Е.Р.С. на величину падіння напруги у відповідній обмотці. Якщо опором обмоток можна нехтувати, то фазні напруги джерела співпадають за величиною із Е.Р.С. (рис. 7.6, а).

Різниця потенціалів між кожною парою лінійних дротів називається лінійною напругою (), яка безпосередньо визначається через фазну напругу (рис. 7.6, б):

 

а) б)

Рисунок 7.6 – Векторні діаграми напруг при сполученні обмоток джерела «зіркою»

З діаграми рисунка 7.6, б можна одержати співвідношення між лінійними і фазними напругами для симетричної системи:

Комплекси фазних та лінійних напруг визначаються наступним чином:

,

.

Фазні і лінійні струми

Струми у фазах джерела і приймача називають фазними, а у лінійних провідниках – лінійними.

При сполученні зіркою в точках переходу з джерела в лінію розгалужень немає, тому фазні і лінійні струми однакові між собою в кожній фазі:

.

Схема сполучення фаз приймача «зіркою» приведена на рис. 7.7, а.

Розрахунок трифазного кола у симетричному режимі (трьохпровідна система) зводиться до розрахунку однієї фази і виконується аналогічно розрахунку ланцюга однофазного синусоїдального струму. Так, при сполученні приймача зіркою рівняння першого закону Кірхгофа (для нульової точки) має вигляд:

.

а) б)

Рисунок 7.7 – Схема сполучення фаз приймача зіркою (а) і векторна діаграма для комплексів фазних і лінійних напруг на опорах приймача (б)

Струм у фазі «а» визначається за законом Ома:

.

Для решти фаз значення модулів струмів такі ж самі, а початкові фази мають зсув на 120°.

Для чотирьохпровідної системи (при несиметричному навантаженні) за схемою «зірка» з нульовим дротом потенціал загальної точки фаз приймача залишається рівним нулю і для цієї точки виконується рівняння першого закону Кірхгофа:

.

Векторна діаграма для комплексів фазних і лінійних напруг та фазних струмів приведена на рис. 7.7, б.

Струми у фазах навантаження при цьому визначаються таким же чином, як і для симетричного режиму:

При з’єднанні генератора з приймачем «зіркою» без нульового провідника і виникненні несиметрії навантаження в одній з фаз, потенціал нейтральної точки приймача відрізнятиметься від нуля (рис. 7.8). Наприклад, в трифазному навантаженні, що складається з активних опорів Ra, Rb, Rc, із зменшенням Ra (при Rb=Rc) нейтральна точка фаз приймача на векторній діаграмі зміщуватиметься вгору по напряму напруги аж до точки «а» діаграми при КЗ (Ra=0). Напруга Ua при цьому зменшиться до нуля при одночасному підвищенні напруг на фазах Ub і Uc до лінійних напруг Uab и Uca (проміжні значення цих напруг позначені штриховими лініями).

Рисунок 7.8 – Потенційна діаграма напруг в приймачі, сполученому «зіркою», при виникненні несиметрії

Якщо ж, навпаки, Ra буде поступово збільшуватися від початкового симетричного навантаження аж до ХХ (), то нейтральна точка «n'» зміщуватиметься від точки n вниз до точки nx. Напруга Ua збільшиться при цьому до значення:

,

а напруга Ub і Uc зменшаться до значення .

При обриві лінійного провідника А струм у фазі «а» відсутній (Ia=0) і трифазна система перетворюється на однофазний ланцюг з послідовним з'єднанням елементів Rb і Rc і струмом .

Потужність в трифазній системі визначається як сума потужностей, споживаних фазами приймача.

Сумарна активна потужність:

,

де – кути зсуву фаз між векторами фазних напруг і струмів.

Сумарна реактивна потужність:

.

Повна потужність:

SΣ = PΣ + QΣ /

 

7.4 Порядок виконання роботи:

1. Зібрати в програмі Electronics Workbench електричну схему відповідно до рис. 7.1.

Вольтметри V1…V3 призначені для вимірювання лінійних напруг джерела трифазної напруги, вольтметри V1.1…V3.1 призначені для вимірювання фазних напруг приймача трифазної напруги; вольтметр V4 вимірює падіння напруги на нульовому провіднику схеми. Амперметри А1…А3 призначені для вимірювання лінійних струмів джерела трифазної напруги; амперметр А4 вимірює струм в нульовому провіднику схеми.. Резистори R1f…R3f, R0 імітують лінію зв'язку джерела з приймачем, а резистори R1…R3 – приймач.

2. Для дослідження симетричного трифазного приймача встановити значення резистора R3 рівним номінальному (1кОм). Для зміни величини опору резистора натиснути на клавіатурі комп'ютера клавішу R (зменшення) або Shift+R (збільшення). Ключі К1 і К2 замкнуті (зміна стану ключів реалізується натисканням на клавіатурі, відповідно, клавіші В чи А.

3. Включити схему за допомогою перемикача , або натиснувши на клавіатурі Ctrl+G. Дочекатися стабільних показань вимірювальних приладів і записати їх показання у таблицю 7.1. Побудувати векторну діаграму напруг.

4. За результатами вимірювань побудувати векторні діаграми струмів і напруг.

таблиця 7.1 Результати дослідження симетричного трифазного приймача

Режим роботи Значення фазних струмів і напруг
V1.1, В V2.1, В V3.1, В V4, В I1, А I2, А I3, А I4, А
симетричний                
Аварійний (обрив фазного провідника, нульовий провідник присутній)                
Аварійний (обрив фазного провідника, нульовий провідник відсутній)                
Аварійний (коротке замикання у фазі навантаження, нульовий провідник відсутній)                
Аварійний (коротке замикання у фазі навантаження, нульовий провідник присутній)                

 

5. Для дослідження роботи схеми в аварійному режимі (обрив фазного дроту, нульовий провідник присутній) перевести ключ К1 у розімкнений стан, ключ К2 замкнути. Виконати дії згідно п.3.

6. Для дослідження роботи схеми в аварійному режимі (обрив фазного дроту, нульовий провідник відсутній) перевести ключ К1 у розімкнений стан, ключ К2 розімкнути. Виконати дії згідно п.3.

7. Для дослідження роботи схеми в аварійному режимі (коротке замикання в навантаженні однієї фази, нульовий провідник відсутній) перевести ключ К1 у замкнутий стан, ключ К2 розімкнути. Встановити величину опору резистора R3 рівним нулю. Виконати дії згідно п.3.

8. Для дослідження роботи схеми в аварійному режимі (коротке замикання в навантаженні однієї фази, нульовий провідник присутній) замкнути ключі К1 і К2. Встановити величину опору резистора R3 рівним нулю Виконати дії згідно п.3.


74 Зміст звіту:

До звіту заносять:

- тему та мету роботи;

- результати вимірювання лінійних струмів і лінійних та фазних напруг на окремих ділянках кіл досліджуваної схеми при симетричному та аварійни режимах роботи.

- векторні діаграми струмів і напруг при різних режимах роботи схеми;

- висновки.

7.5 Контрольні питання:

1. яка кількість сполучних провідників у трифазному колі зі з'єднання „зірка - зірка”?

2. яке співвідношеня лінійних і фазних напруг у схемі «зірка-зірка»?.

3. які кути зсуву фаз між фазою А та фазами В і С?

4. чому при симетричному навантаженні і з'єднанні «зірка-зірка» допускається відсутність нульового провідника?

5. як визначити струм через нейтральний провідник, якщо відомі фазні струми.

6. які бувають режими роботи трифазних ланцюгів при з'єднанні „зірка - зірка”?

7. які наслідки обриву лінійного провідника?

8. які наслідки обриву нейтрального провідника?

9. які наслідки при короткому замикання у фазі і обриву лінійного провідника?


Лабораторна робота № 8
ДОСЛІДЖЕННЯ ТРИФАЗНИХ КІЛ ЗМІННОГО СТРУМУ, З'ЄДНАНИХ ЗА СХЕМОЮ «ТРИКУТНИК-ТРИКУТНИК»

8.1 Мета роботи: Дослідження особливостей роботи і властивостей трифазних ланцюгів при з'єднанні трикутником фаз джерела і приймача.

8.2 Зміст роботи:

Для заданого електричного ланцюга (рис.8.1):

- встановити задані параметри джерел живлення електричного ланцюга;

- дослідити роботу трифазного ланцюга, сполученого за схемою «трикутник-трикутник», у різних режимах;

- провести необхідні вимірювання величин напруг і струмів; при оцінці похибок електровимірювальних приладів взяти в якості межі вимірювань Iмах= 1 А (для амперметрів) та Uмах = 500 В (для вольтметрів), за клас точності вважати δ = 0, 1 для всіх приладів;

- побудувати векторні діаграми струмів і напруг при різних режимах роботи схеми.

Рисунок 8.1 – Електрична схема для дослідження режимів роботи трифазного ланцюга, з'єднаного за схемою «трикутник-трикутник»

8.3 Теоретичні відомості

При з'єднанні трикутником із трьох обмоток джерела та із трьох фаз прий

а) б)

Рисунок 8.2 – Зв'язана трифазна система електричних ланцюгів при з'єднанні трикутником

мача утворюються замкнуті контури (рис.8.2, а). Загальні точки двох фаз джерела і двох фаз приймача з'єднуються між собою лінійними провідниками і утворюють зв'язану трифазну трипровідну систему.

Фазні і лінійні напруги

З'єднання декількох обмоток джерела у замкнутий контур можливо лише в тому випадку, якщо сума всіх Е.Р.С. цього контуру дорівнює нулю. Ця вимога виконується при такому порядку з'єднання, коли кінець попередньої обмотки з'єднується з початком наступної (рис. 8.2, б):

.

У цьому випадку при холостому ході джерела струм в його обмотках відсутній.

При несиметрії системи Е.Р.С. їх сума не рівна нулю, тому вже при холостому ході в обмотках джерела утворюється струм, який може бути значним, оскільки опір обмоток за визначенням малий.

При неправильному включенні обмоток, коли дві сусідні фази сполучені початками або кінцями (рис. 8.3), сума Е.Р.С. в контурі дорівнює подвоєній величині Е.Р.С. фази.

Рисунок 8.3 – Неправильне з'єднання трикутником обмоток джерела

Із схеми з'єднання трикутником (рис. 8.2) видно, що фазні і лінійні напруги співпадають:

.

Векторна та топографічна діаграми напруг приведені на рис. 8.4.

Рисунок 8.4 – Векторні діаграми напруг при з'єднанні обмоток джерела трикутником

Фазні і лінійні струми

Кожна фаза приймача при з'єднанні трикутником знаходиться під лінійною напругою..

Точки А’, B’, C’ приймача, так само як і точки А, В, С джерела, є електричними вузлами із відповідними розгалуженнями, тому фазні струми відрізняються від лінійних. Для вузлових точок А, В, С можна написати рівнянні в комплексній формі за першим законом Кірхгофа:

.

При симетричному навантаженні струми у всіх фазах однакові. «Зірка» векторів лінійних струмів зсунута щодо «зірки» фазних струмів на 30° проти обертання векторів (при прямій послідовності фаз, рис. 8.5, а).

а) б)

Рисунок 8.5 – Векторні діаграми струмів при з'єднанні приймачів трикутником

Діюча величина лінійних струмів визначається за векторною діаграмою із рівнобедреного трикутника, утвореного векторами двох фазних і одних лінійних струмів (трикутник ANC на рис. 8.5, б):

,

Тобто .

У схемі з'єднань фаз приймачів розрізняють симетричний (комплексні опори всіх фаз навантаження однакові) і несиметричний режими. Розрахунок трифазного ланцюга у симетричному режимі зводиться до розрахунку однієї фази і виконується аналогічно розрахунку ланцюга однофазного синусоїдального струму.

Струм, наприклад, у фазі «bc»:

,

у решти фаз значення модулів струмів ті ж, а початкові фази зсунуті на 120°.

8.4 Порядок виконання роботи

1. Зібрати в програмі Electronics Workbench електричну схему відповідно до рис. 8.1.

Вольтметри Vab, Vbc1, Vac1 призначені для вимірювання лінійних напруг приймача трифазної напруги, амперметри Аа, Аb, Ас - для вимірювання лінійних струмів джерела трифазної напруги, амперметри Ааb1, Аас1, Аbс1 - для вимірювання фазних струмів приймача. Резистори Rа, Rb, Rс імітують лінію зв'язку джерела з приймачем, а резистори R1…R3 – приймач.

2. Для дослідження симетричного режиму роботи схеми замкнути ключі К1 і К2 3. Включити схему, натиснувши на клавіатурі Ctrl+G. Дочекатися стабільних показань вимірювальних приладів і занести величини лінійних і фазних струмів до таблиць 1, 2.

Таблиця 8.1 – Результати вимірювань струмів

Режим роботи Значення фазних і лінійних струмів
Ia Ib Ic Iab1 Iac1 Ibc1
Симетричний            
Аварійний (обрив лінійного дроту)            
Аварійний (обрив фази приймача)            

Таблиця 8.2 – Результати вимірювань напруг

Режим роботи Значення фазних напруг
Uab Ubc Uca Uab1 Uac1 Ubc1
Симетричний            
Аварійний (обрив лінійного дроту)            
Аварійний (обрив фази приймача)            

3. Для дослідження аварійного режиму роботи схеми (обрив лінійного провідника) розімкнути ключ К1, натиснувши клавішу F на клавіатурі. Результати вимірювань занести до таблиць 1 і 2.

3. Для дослідження аварійного режиму роботи схеми (обрив фази приймача) замкнути ключ К1, а ключ К2 розімкнути. Результати вимірювань занести до таблиць 1 і 2.

4. За результатами вимірювань побудувати векторні діаграми струмів і напруг для різних режимів робіт схеми.

5. Розрахувати лінійні і фазні струми ланцюгів в аварійному і симетричному режимах і порівняти їх з експериментальними даними.

8.5 Зміст звіту

До звіту заносять:

- тему та мету роботи;

- результати вимірювання лінійних та фазних струмів і лінійних напруг. ……..при симетричному та аварійни режимах;

- векторні діаграми струмів і напруг при різних режимах роботи схеми;

- висновки.

8.6 Контрольні питання

1. яка кількість сполучних провідників у трифазному колі при з'єднання „трикутник - трикутник”?

2. яке співвідношення лінійних і фазних напруг у схемі «трикутник - трикутник».

3. який кут зсуву між фазами (А і В), (А і В), (В і С)?

4. які бувають режими роботи трифазних кіл при з'єднанні „трикутник - трикутник”?

5. які наслідки обриву лінійного провідника?

6. які наслідки обриву навантаження.

7. які наслідки короткого замикання у фазі і обриву лінійного провідника?

 

 

Підписано до друку ______200__р. Формат 60х84 1/32. Папір офсетний.

Умовн. друк. арк. 0, 6. Наклад 100 прим.

Замовлення № ________.

 


Поделиться с друзьями:

mylektsii.su - Мои Лекции - 2015-2026 год. (0.682 сек.)Все материалы представленные на сайте исключительно с целью ознакомления читателями и не преследуют коммерческих целей или нарушение авторских прав Пожаловаться на материал