Студопедия

Главная страница Случайная страница

КАТЕГОРИИ:

АвтомобилиАстрономияБиологияГеографияДом и садДругие языкиДругоеИнформатикаИсторияКультураЛитератураЛогикаМатематикаМедицинаМеталлургияМеханикаОбразованиеОхрана трудаПедагогикаПолитикаПравоПсихологияРелигияРиторикаСоциологияСпортСтроительствоТехнологияТуризмФизикаФилософияФинансыХимияЧерчениеЭкологияЭкономикаЭлектроника






Загальні відомості про вивчаємі механізми і вузли






В залежності від виконуємих агрегатом сільськогосподарських процесів потужність тракторного двигуна реалізується шляхом буксирування машини, знаряддя або причепа, передачі частини потужності робочим органам буксируємої машини через ВВП, приводу стаціонарних машин від приводного шківа або валу відбору потужності.

Основними пристроями, які складають робоче і додаткове обладнання є гідравлічна начіпна система, причіпні пристрої і гаки, вали відбору потужності і приводний шків.

Роздільно-агрегатна гідравлічна система (рис. 8.1) трактора призначена для управління начіпними, напівначіпними і гідрофікованими причіпними сільськогосподарськими машинами.

Масляний насос служить для нагнітання робочої рідини в гідросистему трактора.

Розподільник служить для розподілення потоків масла в відповідні порожнини гідроциліндрів, автоматичного перемикання системи на холостий хід по завершенні робочої операції і запобігання гідросистеми від перевантаження.

Масляний бак служить резервуаром для робочої рідини гідросистеми трактора.

Гідроциліндри служать для підняття і опускання начіпних машин і управління робочими органами причіпних гідрофікованих машин. Трактор комплектується на заводі (по замовленню) основним і двома виносними циліндрами. Виносні циліндри установлюються на машинах, які агрегатуються з трактором. Основний і виносні циліндри по конструкції ідентичні і відрізняються тільки розмірами деталей, ходом поршня і вантажопідйомністю.

Запірний пристрій запобігає витіканню масла із маслопроводів і попадання бруду в систему при їх роз'єднанні.

Розривні муфти служать для запобігання рукавів високого тиску від розривів при виникненні випадкових ривків (від'єднання причіпних гідрофікованих машин).

Маслопроводи, рукави високого тиску і арматура з'єднують насос, розподільник, силові циліндри і бак і підводять до них масло. Нерухомо закріплені на тракторі агрегати гідравлічної системи зв'язані маслопроводами, які представляють собою тонкі стальні труби, прикріплені до агрегатів гідросистеми при допомозі штуцерів і накидних гайок.

Рукави високого тиску призначені для з'єднання нагнітальних порожнин агрегатів гідросистеми тоді, коли металеві трубопроводи не можна застосувати внаслідок відносного переміщення агрегатів. Рукав високого тиску являє собою гумовий гнучкий трубопровід з металевими та гумовими обплетеннями. У гідравлічних системах тракторів застосовуються одно- і двообпліточні рукави високого тиску. З обох боків рукави армуються наконечниками, які дозволяють приєднувати їх до металевих маслопроводів або з'єднувати між собою.

У начіпних машин і начіпних механізмів тракторів є елементи, які мають свої спеціальні назви.

Приєднуючі місця - місця шарнірних з'єднань начіпної машини з тягами начіпного механізму. Під місцями мають на увазі геометричні місця, які являються центрами шарнірів, вмонтованих в кінці верхньої і нижніх тяг.

Приєднуючий трикутник - фігура, яка утворюється шляхом умовного з'єднання верхньої і нижніх приєднувальних місць на начіпній машині. Всі начіпні машини приєднуються до тяг начіпного пристрою, який має індивідуальні розміри в залежності від класу трактора.

Висота а приєднуючого трикутника для всіх тракторів класу 6...20 кН з роздільно-агрегатною гідросистемою прийнята рівною 450 мм, для тракторів класу 30 кН – 900 мм, для тракторів 50 кН — 1050 мм.

Основа б приєднуючого трикутника, що являє собою довжину осі начіпної машини між місцями приєднання шарнірів, для машин, що агрегатуються з тракторами класу 6 кН складає 600 мм з тракторами класу 9 і 20 кН - 600 і 800 мм з тракторами класу 30 кН – 800 мм і 1000 мм і з тракторами класу 50 кН – 1200 мм.

Стійкою начіпної машини або знаряддя називають висоту приєднуючого трикутника.

Вісь навішування являє собою причіпний брус машини, на якому монтуються шарніри нижніх тяг начіпного механізму. З геометричної точки зору - це основа приєднуючого трикутника. Начіпні механізми тракторів класів 6, 9, 14 і 20 кН належать до три точкових, оскільки тяги начіпного механізму (дві нижні і верхня) прикріплені до трактора у трьох точках, розміщених по трикутнику.

Начіпні механізми тракторів класів 30 кН і вище приєднуються до тракторів за три точковою і дво точковою схемами. При дво точковій схемі нижні тяги приєднані до трактора в одній точці. На знаряддях нижні і верхня тяги кріпляться як при три точковій так і при дво точковій схемах у трьох точках.

Можливі різні варіанти розміщення начіпних машин і відповідно їх розміщення в тракторному агрегаті:. фронтальне (перед трактором), заднє (знаряддя розміщене за ведучою віссю трактора), переднє (між осями трактора), бокове (збоку трактора), ешелоноване (знаряддя навішене секційно в різних місцях), шеренгове (кілька знарядь розміщені шеренгою за ведучою віссю трактора) і комбінована (коли одночасно виконується кілька технологічних операцій, наприклад, культивація, посів і підживлення мінеральними добривами), застосовують одночасно два варіанти навішування, наприклад фронтальне і заднє.

Для агрегатування тракторів з причіпними сільськогосподарськими машинами, які працюють на швидкості до 12 км/год, використовуються причіпний пристрій або маятниковий причіпний пристрій. Необхідну висоту причіпного пристрою над поверхнею землі установлюють зміною довжини розкосів начіпного механізму. Рекомендується установлювати причіпну вилку на такій висоті, при якій лінія тяги співпадала б з площиною розміщення поздовжніх тяг для зменшення зносу деталей начіпного механізму.

 

Рис.8.1. Розміщення складальних одиниць гідро начіпної

системи на тракторі:

1 – масляний бак; 2 – маслопроводи низького тиску; 3 – шестеренний насос;

4 – розподільник; 5 – золотник; 6 – важіль керування розподільником; 7 – маслопроводи високого тиску; 8 – силовий циліндр; 9 – начіпний механізм; 10 – плуг

 

Рис.8.2. Причіпний пристрій маятникового типу трактора ЮМЗ.

1 - палець; 2 - поперечина; 3 - тяга; 4 - шворінь; 5 - скоба; 6 - кільце; 7 - ланцюжки.

 

 

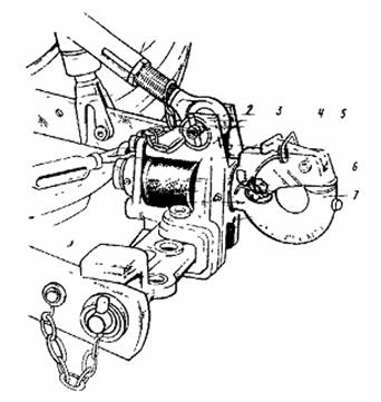
Рис.8.3. Тягово-зчіпний пристрій.

1 – центральна тяга; 2 – корпус; 3 – упор; 4 – стопор; 5 – собачка;

6 – защіпка; 7 – гак.

 

Застосування маятникового причіпного пристрою (рис. 8.2) дає можливість працювати, при необхідності, із зміщенням осі причіпного знаряддя від осі трактора, а також з машинами, маючими привід від валу відбору потужності трактора без переобладнання начіпного механізму. При експлуатації цього пристрою вертикальне статичне навантаження не повинне перевищувати 1 кН (1000 кгс).

Для агрегатування трактора з двовісними причепами використовують тягово-зчіпний пристрій, а з напівпричепами гідрофікований причіпний гак.

Тягово-зчіпний пристрій (рис. 8.3) може застосовувалися для агрегатуван­ня з дво вісними причепами, які мають приєднуючий отвір під гак пристрою діаметром 50 мм.

Робочому положенню цього пристрою відповідає відстань 290… 315 мм від опорної поверхні трактора до осі буксируємого причепа, (для трактора ЮМЗ-6АКЛ), а при під'єднанні центральної тяги тягово-зчіпний пристрій можна спустити до 35 мм. Максимальне вертикальне навантаження на гак не повинне перевищувати 10 кН.

На більшості колісних тракторів (по замовленню споживачів) установлюється гідрофікований гак, який забезпечує швидке з'єднання і роз'єднання трактора і причепа з робочого місця водія, а також запобігає повному розвантаженню передніх коліс трактора при роботі його з напівпричепами.

На тракторах іноземних фірм установлюються поздовжні і центральна тяги начіпного механізму, які мають закінчення у вигляді гаків, з допомогою яких здійснюється автоматичне зчеплення сільськогосподарської машини з трактором.

 

 

 

Рис.8.4. Приводний шків:

1 – рукав шківа; 2 – регулювальні прокладки; 3 – вал приводу шківа з ведучою конічною шестернею; 4 – пробка масло заливного отвору; 5 – корпус шківа; 6 – пробка контрольного отвору рівня масла; 7 – вал шківа з веденою конічною шестернею; 8 - вантаж для балансировки шківа; 9 – шків; 10 – регулювальні прокладки

 

Привідний шків (рис. 8.4) використовується для приводу стаціонарних машин за допомогою пасової передачі. Він установлюється на кришці редуктора заднього валу відбору потужності і приводиться в обертовий рух за допомогою заднього ВВП.

Для покращення приводу механізмів сільськогосподарських машин, які розміщуються попереду або з боків, на тракторах передбачається боковий вал (рис. 8.5) відбору потужності, який установлюється зліва в середній частині трактора і приводиться від коробки передач. Вмикають і вимикають боковий ВВП при вимкнутій муфті зчеплення за допомогою тяги 3, розміщеної над поликом кабіни (з лівого боку сидіння).

Додаткове робоче обладнання трактора використовують при виконанні спеціальних робіт або при специфічних умовах експлуатації. Воно не входить в комплектацію трактора і поставляється по замовленню споживача і може бути установлене на заводі. В додаткове робоче обладнання трактора МТЗ – 80 входять: пневматична система гальм причепа, передпусковий підігрівач двигуна, ходозменшувач, напівгусеничний хід, гідрофікований причіпний гак, виносні гідроциліндри гідросистеми і інші.

 

 

 

 

Рис.8.5. Боковий вал відбору потужності:

1 – корпус; 2 – рухома шестерня; 3 – тяга керування; 4 – важіль; 5 – фіксуюча пластина; 6 – поводок; 7 – вал відбору потужності

До допоміжного обладнання (рис. 8.6) трактора і автомобіля входять системи опалення і вентиляції, склоочисники і склопідіймачі.У автомобіля маються пристрої обдуву і обмиву стекол кабіни, тягово-зчіпні, підйомні (у самоскидів) і деякі інші.

 

 

 

Рис.8.6. Схема підйомного механізму автомобіля-самоскида:

1 – рама кузова; 2 – важільний механізм; 3 – силовий циліндр; 4 – шток;

5 – поршень; 6 – клапан; 7 – насос; 8 – кран управління

 

Зміст звіту:

1. Привести схему роздільно-агрегатної гідросистеми трактора і коротко описати призначення її основних вузлів і агрегатів.

2. Привести схему начіпного механізму або одного із причіпних пристроїв використовуємих на вантажних автомобілях.

Контрольні запитання:

1. Перечисліть відомі Вам способи регулювання глибини обробітку грунту при роботі трактора з начіпними грунто обробними знаряддями.

2. Користуючись плакатом поясніть роботу начіпного механізму при три точковому і дво точковому його настроюванні.

3. На яких тракторах застосовується три точкова і дво точкова схеми начіпних механізмів?

4. Із яких основних вузлів складається роздільно-агрегатна гідросистема трактора?

5. Розкажіть про способи довантаження ведучих коліс трактора.

6. З якою метою використовується вал відбору потужності?

7. Розкажіть, що входить у допоміжне обладнання трактора і автомобіля?



Поделиться с друзьями:

mylektsii.su - Мои Лекции - 2015-2026 год. (2.444 сек.)Все материалы представленные на сайте исключительно с целью ознакомления читателями и не преследуют коммерческих целей или нарушение авторских прав Пожаловаться на материал