Студопедия

Главная страница Случайная страница

КАТЕГОРИИ:

АвтомобилиАстрономияБиологияГеографияДом и садДругие языкиДругоеИнформатикаИсторияКультураЛитератураЛогикаМатематикаМедицинаМеталлургияМеханикаОбразованиеОхрана трудаПедагогикаПолитикаПравоПсихологияРелигияРиторикаСоциологияСпортСтроительствоТехнологияТуризмФизикаФилософияФинансыХимияЧерчениеЭкологияЭкономикаЭлектроника






Счетчик

Практическая работа №12

Тема: Исследование комбинационных схем

Цель: Исследование принципа функционирования комбинационных схем. Счетчик.

Теоретическая часть

Счетчик

 

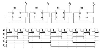
Счетчиком называется устройство, подсчитывающее число входных импульсов. Число, представляемое состоянием его выходов по фронту каждого входного импульса, изменяется на единицу. Счетчик состоит из n последовательно соединенных счетных триггеров, причем выход одного счетного триггера соединен с тактовым входом следующего триггера. Счетчики бывают суммирующими (прямой счет) и вычитающими (обратный счет). В суммирующих счетчиках каждый входной импульс увеличивает число на его выходах на единицу, в вычитающих счетчиках уменьшает это число на единицу. Для того чтобы построить суммирующий счетчик, необходимо счетный вход очередного триггера подключить к инверсному выходу предыдущего (рис. 34).

 

Рис. 34. Суммирующий счетчик и диаграмма его работы

 

Для того чтобы изменить направление счета (реализовать вычитающий счетчик), необходимо счетный вход очередного триггера подключить к прямому выходу предыдущего, при
этом изменяется последовательность переключения триггеров (рис. 35).

 

Рис. 35. Вычитающий счетчик и диаграмма его работы

 

Счетчик характеризуется числом состояний в течение одного периода (цикла). Для двоичных счетчиков полный цикл счета N =2 n от состояния 0..000 до состояния 1…11. Число состояний называется коэффициентом пересчета K сч, равным отношению числа импульсов Nс на входе к числу импульсов NQ ст на выходе старшего разряда за период:

.

Если на вход счетчика подавать периодическую последовательность импульсов с частотой fс, то частота fQ на выходе старшего разряда счетчика будет меньше в K сч раз: K сч= fс / fQ. Поэтому счетчики также называют делителями частоты, а K сч – коэффициентом деления. Для увеличения величины K сч нужно увеличить число триггеров в цепочке. Каждый дополнительный триггер удваивает число состояний счетчика и число K сч.

 

<== предыдущая лекция | следующая лекция ==>
Описание используемых контрольно-измерительных приборов | Организация памяти.
Поделиться с друзьями:

mylektsii.su - Мои Лекции - 2015-2026 год. (1.209 сек.)Все материалы представленные на сайте исключительно с целью ознакомления читателями и не преследуют коммерческих целей или нарушение авторских прав Пожаловаться на материал