Студопедия

Главная страница Случайная страница

КАТЕГОРИИ:

АвтомобилиАстрономияБиологияГеографияДом и садДругие языкиДругоеИнформатикаИсторияКультураЛитератураЛогикаМатематикаМедицинаМеталлургияМеханикаОбразованиеОхрана трудаПедагогикаПолитикаПравоПсихологияРелигияРиторикаСоциологияСпортСтроительствоТехнологияТуризмФизикаФилософияФинансыХимияЧерчениеЭкологияЭкономикаЭлектроника






Краткие сведения из теории. Тема: Исследование арифметического сумматора






Практическая работа № 7

Тема: Исследование арифметического сумматора

Цель работы – исследовать арифметический сумматор, полусумматор и полный сумматор.

Краткие сведения из теории

Арифметические сумматоры – составная часть арифметико-логических устройств (АЛУ) микропроцессоров (МП). Арифметический сумматор состоит из двух устройств: полусумматора и n полных сумматоров. Полный сумматор имеет три входа: A, B – входы суммируемых операндов, Ci – вход переноса из предыдущего разряда сумматора и два выхода: S – выход полного сумматора и C 0 – выход переноса. Полусумматор отличается от полного тем, что у него нет входа переноса из предыдущего разряда. Полусумматор используется в качестве первого разряда арифметического сумматора, а в качестве остальных разрядов – полные сумматоры (рис. 47). Полусумматор – одна из простейших комбинационных логических схем.

 

Рис. 47. Четырехразрядный арифметический сумматор

 

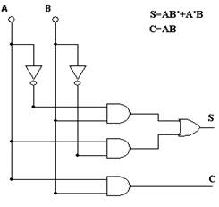
Рассматривая таблицу истинности полусумматора (табл. 12) можно заметить, что выход S полусумматора выполняет функции элемента «ИСКЛЮЧАЮЩЕЕ ИЛИ», а выход переноса С полусумматора – элемента «И». Таким образом, логические выражения для функций S и C равны:

S=AB+AB, C=AB.

Т а б л и ц а 12

Входы Выходы
А В S C
       
       
       
       

 

Схема полусумматора представлена на рис. 48.

Рис. 48. Структура полусумматора

 

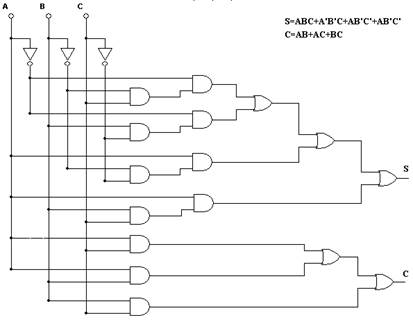
Из таблицы истинности полного сумматора (табл. 13) можно получить логические выражения для S (суммы) и C (переноса в следующий разряд). Логическое выражение для S будет иметь четыре слагаемых, соответствующих строкам таблицы, в которых выход S равен единице (стоки 4, 5, 7, 10),

S= ABCi- 1 +A′ BCi- 1+ABCi- 1+ABCi- 1.

Т а б л и ц а 13

Входы Выходы
А В Ci -1 S Ci
         
         
         
         
         
         
         
         

 

Логическое выражение для C также будет иметь четыре слагаемых (строки 6, 8, 9, 10):

Ci=ABCi- 1 +ABCi- 1+ABCi- 1+ABCi- 1.

С помощью законов булевой алгебры (см. лаб. раб. №1) это выражение можно упростить, тогда оно будет иметь вид

Сi=ACi- 1 +BCi- 1 +AB.

Схема полного сумматора изображена на рис. 49.

 

Рис. 49. Структура полного сумматора


Поделиться с друзьями:

mylektsii.su - Мои Лекции - 2015-2026 год. (1.405 сек.)Все материалы представленные на сайте исключительно с целью ознакомления читателями и не преследуют коммерческих целей или нарушение авторских прав Пожаловаться на материал