Студопедия

Главная страница Случайная страница

КАТЕГОРИИ:

АвтомобилиАстрономияБиологияГеографияДом и садДругие языкиДругоеИнформатикаИсторияКультураЛитератураЛогикаМатематикаМедицинаМеталлургияМеханикаОбразованиеОхрана трудаПедагогикаПолитикаПравоПсихологияРелигияРиторикаСоциологияСпортСтроительствоТехнологияТуризмФизикаФилософияФинансыХимияЧерчениеЭкологияЭкономикаЭлектроника






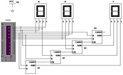
Последовательность выполнение работы. 1. Собрать (нарисовать) схему четырехразрядного ариф-метического сумматора (рис






1. Собрать (нарисовать) схему четырехразрядного ариф-метического сумматора (рис. 50). Поместить на схему три
16-ричных индикатора и генератор слова.

2. Открыть генератор слова и задать суммируемые числа. Четыре младших разряда каждого генерируемого слова составляют первое слагаемое (операнд). Следующие четыре разряда составляют второе слагаемое (операнд).

3. Запустить процесс моделирования и следить за показаниями индикаторов. Записать суммируемые числа и результат суммирования.

Рис. 50. Схема исследования четырехразрядного сумматора

 

4. Собрать схему, изображенную на рис. 51, и с помощью логического анализатора, последовательно нажимая кнопки Circuit to Truth Table (таблица истинности цепи) , Truth Table to Boolean Expression (булево выражение по таблице истинности) , Boolean Expression to Circuit (создание схемы по булеву выражению) , получить:

· таблицу истинности полусумматора,

· логические выражения для выходов S и C,

· схемную реализацию логических выражений для выходов S и C.

а б

Рис. 51. Схема исследования полусумматора: a – выход S, б – выход C

5. Собрать схему, изображенную на рис. 52, и с помощью логического анализатора получить таблицу истинности полного сумматора, логические выражения для выходов S и C и схемную реализацию логических выражений (см. п. 4).

а б

Рис. 52. Схема исследования полного сумматора: a – выход S, б – выход C

 


Поделиться с друзьями:

mylektsii.su - Мои Лекции - 2015-2026 год. (1.352 сек.)Все материалы представленные на сайте исключительно с целью ознакомления читателями и не преследуют коммерческих целей или нарушение авторских прав Пожаловаться на материал