Студопедия

Главная страница Случайная страница

КАТЕГОРИИ:

АвтомобилиАстрономияБиологияГеографияДом и садДругие языкиДругоеИнформатикаИсторияКультураЛитератураЛогикаМатематикаМедицинаМеталлургияМеханикаОбразованиеОхрана трудаПедагогикаПолитикаПравоПсихологияРелигияРиторикаСоциологияСпортСтроительствоТехнологияТуризмФизикаФилософияФинансыХимияЧерчениеЭкологияЭкономикаЭлектроника






I I i I

Аааааа

$$$ 100

АВ тармактағ ы токты анық таң ыз, егер Е=100В, J=6А, R=25 Ом.

B) I = 1 А,

$$$ 136

Айнымалы кернеудің бұ рыштық жиілігі 628 рад/сек тең. Т период неге тең?

C) 0, 01сек;

$$$ 155

Айнымалы ток тізбегінде кернеу мен ток В, заң дылығ ы бойынша ө згреді. Активті қ уатты анық таң ыз.

D) P=500 Вт

$$$ 179

Айнымалы ток тізбегінде кернеу мен ток келесі заң дылық пен ө згереді , . Тізбектің реактивті қ уатты анық таң ыз.

А) Q=866 ВАр;

$$$ 294

Айнымалытокты тү зетуге арналғ ан диод

D)

$$$ 91

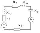
Амперметрдің кө рсеткішін анық таң ыз, егер

D) 1 А.

$$$ 109

Амперметрдің кө рсеткішін анық таң ыз, егер U= 10 B, R1=7 Ом, R2 = 8Ом, R4=4 Ом, R3 = R5 = 2 Ом.

B) 1 A,

$$$ 215

Амперметрдің кө рсетуің анық таң ыз, егер В, Ом.

C) 10 А,

$$$ 268

Асинхронды қ озғ алтқ ыштың синхрондық жылдамдығ ы деген не?

В) Статордың айналмалы магнит ө рісінің жылдамдығ ы.

$$$ 269

Асинхронды қ озғ алтқ ыштың роторы неліктен айналысқ а келеді? Толық жауапты кө рсетің із.

С) Статордың айналмалы магнит ө рісі мен ротордың магнит ө рісінің ө зара ә рекеттесуінің нә тижесінде.

$$$ 270

Асинхронды қ озғ алтқ ышты жү ргізіп жіберу кезінде не себепті ү лкен ток – жіберу тогы жү реді?

С) Ротордың салмағ ы ү лкен болатындық тан.

$$$ 271

Асинхронды қ озғ алтқ ышты жү ргізіп жіберерде қ олданылатын жіберу реостаты не ү шін керек?

Е) Жү ргізіп жіберу тогын азайту ү шін.

$$$ 272

Асинхронды қ озғ алтқ ышты жү ргізіп жіберу реостаты қ айда жалғ анады?

В) Ротор орамасына бірізді.

$$$ 274

Асинхронды қ озғ алтқ ыштың жү гі ө скенде ротор орамасының ЭҚ К-і қ алай ө згереді?

А) Ө седі.

$$$ 275

Асинхронды қ озғ алтқ ыштың жү гі ө скенде ротор орамасындағ ы ЭҚ К-тің жиілігі қ алай ө згереді?

А) Ө седі.

$$$ 276

Асинхронды қ озғ алтқ ыштың жү гі ө скенде ротор орамасының тогы қ алай ө згереді?

А) Ө седі.

$$$ 277

Асинхронды қ озғ алтқ ыштың жү гі ө скенде статор орамасының тогы қ алай ө згереді?

А) Ө седі.

$$$ 280

Асинхронды қ озғ алтқ ыштың айналдырушы моменті кернеуден қ аншалық ты тә уелді?

D) Екі дә режелі кернеуден тә уелді.

$$$ 281

Асинхронды қ озғ алттқ ыштың айналу бағ ытын ө згерту ү шін не істеу керек?

А) Берілген кернеудің реттілігін ө згерту.

Ббббб

$$$ 23

Балама жұ лдызша сұ лбаның кедергілері r1, r2 , r3 неге тең, егер ү шбұ рыштың

кедергілері болса?

 

В) r1 = r2= r3 = 3 Ом

$$$ 198

Бейтарап сым не ү шін қ ажет?

E) Фазалық кернеуді реттеу ү шін.

Берілген: Вольтметрдің кө рсеткішін анық таң ыз.

 

B) 380 В;

 

$$$ 193

Берілген: Амперметрдің кө рсеткішін анық таң ыз.

B) 38 A;

 

$$$ 194

Берілген: Вольтметрдің кө рсеткішін анық таң ыз.

A) 220 В;

 

$$$ 195

Берілген: Аспаптың кө рсеткішін анық таң ыз.

 

D) 22 A;

$$$ 196

Берілген: Аспаптың кө рсеткішін анық таң ыз.

A) 38 A;

 

 

$$$ 197

Берілген: Амперметрдің кө рсеткішін анық таң ыз.

D) 22 A;

 

$$$ 190

Берілген: Амперметрдің кө рсеткішін анық таң ыз.

А) 22 А;

$$$ 188

Берілген: Амперметрдің кө рсеткішін анық таң ыз.

 

 

С) 22 А

$$$ 181

Берілген: . Амперметрдің кө рсеткішін анық таң ыз.

 

D)

$$$ 182

Берілген: Аспаптың кө рсеткішін анық таң ыз?

 

E) 0 А.

 

 

$$$ 176

Берілген сұ лбалардың қ айсысында кернеу резонансын байқ ауғ а болады?

С)

$$$ 172

Берілген: В, В, В. Қ ысқ ыштардағ ы кернеуді анық таң ыз ?

D) 100 В;

$$$ 165

Берілген сұ лбаның активті қ уаты қ андай формуламен анық талады?

 

В)

$$$ 166

Берілген: А. анық таң ыз.

С)

 

$$$ 158

Берілген: А, А. анық таң ыз.

А) 2 А;

 

$$$ 159

Берілген: А, А. анық таң ыз.

В) 10 А;

$$$ 160

Берілген: А, А. анық таң ыз.

 

 

В) 10 А;

$$$ 154

Берілген: U=120 B; IR=3 A; IL=6 A; IC=2 A. I анық таң ыз.

 

С) 5 А;

$$$ 149

Берілген: В, Ом, Ом, Ом. Амперметрдің кө рсеткішін анық таң ыз.

А) 2 А;

$$$ 150

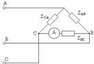
Берліген векторлық диаграммағ а қ ай сұ лба сә йкес келеді?

 

 

С) ;

$$$ 151

Берілген: А, Ом, Ом, Ом. Вольтметрдің кө рсеткішін анық таң ыз.

С) 10 В;

$$$144

Берілген: Ом, мкФ, В. Тізбектің активті жә не толық қ уаттарың анық таң ыз.

 

 

E) Вт, ВА;

$$$139

Берілген: Ом, Гн, рад/с. Тізбектің толық кедергісін жә не ток пен кернеудің арасындағ ы фаза айырымын -ді анық таң ыз.

 

 

A) Ом, ;

 

$$$ 140

Берілген: В, Ом, Гн. Тізбектің активті қ уатын анық таң ыз.

 

E) Вт;

$$$141

Берілген: Ом, Гн, В. Тізбектің реактивті жә не толық қ уттарың анық таң ыз.

 

 

B) Вт, ВА;

$$$142

Берілген: Ом, мкФ, В. Тізбектің реактивті жә не толық қ уатын анық таң ыз.

 

 

A) ВАр; S = 7, 1 BA

$$$ 134

Берілген: .Осыларғ а қ андай векторлық диаграмма сә йкес келеді?

А)

$$$ 79

Берілген: Е1 = 10 В, Е2 = 20 В, Е3 = 80 В, R1= R2= R3=10 Ом вольтметрдің кө рсеткішін анық таң ыз.

D) 40B.

$$$ 69

Берілген: E=200 В, R1=1 Ом, R=50 Ом. Амперметрдің кө рсеткішін анық таң ыз (rА=0).

С) 200 А;

 

$$$31

Берлілген: Тармақ тағ ы I5 тогын анық тың ыз.

C) 6A

$$$ 32

Берілген: Тармақ тағ ы I3 тогын анық тың ыз?

 

 

A) 12A

$$$ 29

Берілген: I1 = 3A, I2 = 2, 4A, E1 = 70 B, E2 = 20 B, R1= 8Ом, R2=5 Ом. Uаб анық таң ыз.

 

Е)

$$$ 115

Бірізді жалғ анғ ан элеметтердің кедергілері . Комплекстік кедергісі неге тең?

A) ;

Ввввв

$$$ 201

Векторлық диаграммасы бойынша тізбектің сипатын анық таң ыз.

 

A) активті

$$$ 202

Векторлық диаграммасы бойынша тізбектің сипатын анық таң ыз.

 

B) индуктивті

$$$ 203

Векторлық диаграммасы бойынша тізбектің сипатын анық таң ыз.

 

 

C) сыйымдылық ты

$$$ 81
Вольтметрдің кө рсеткішін анық таң ыз, егер

B) 10 B.

$$$ 85

Вольтметрдің кө рсеткішін анық таң ыз, егер

 

E) 20 B.

$$$ 92

Вольтметрдің кө рсеткішін анық таң ыз, егер

C) 50 B.

$$$ 102

Вольтметрдің кө рсеткішін анық таң ыз, егер Е=20В, R=10 Ом.

E) 0 B.

ГГГГГ

$$$ 187

Генератордың фазалық ЭҚ К-нің лездік мә нінің қ осындасы неге тең?

B) 0;

$$$ 297

Германийдің кристаллына қ андай элементті Менделеевтің кесте тобынан қ осымша ретінде қ олдануғ а болады «р» типті шала ө ткізгіштікте

С) 3;

$$$ 298

Германийдің кристаллына қ андай элементті Менделеевтің кесте тобынан қ осымша ретінде қ олдануғ а болады «n» типті шала ө ткізгіштікте

Е) 5.

$$$ 257

График тү рінде берілген кернеудің ө рнегін жазың ыз.

D) .

ЕЕЕЕЕЕ

$$$ 22

Eгер жұ лдызша сұ лбаның кедергілері болса, онда балама ү шбұ рыштың қ абырғ аларының кедергілері неге тең?

 

E) r31 = r12 = r23 = 18 Ом

$$$ 51

Eгер Е123=10 В, R1=R2=R3= R4=10Ом болса, кернеуді анық таң ыз.

B) 2, 5 B.

$$$ 67

Егер қ осқ ышты тізбекке қ осқ анғ а дейін амперметр 9 A кө рсетсе, онда қ осқ ышты тізбекке қ осқ аннан кейін амперметрдің кө рсетуі қ алай ө згереді, егер - тұ рақ ты кернеу.

C) 13, 5 A

$$$ 101

Егер Е=20В, J=10А, R1=R2=10Ом болса, онда тn тармағ ындағ ы токтың мә ні жә не бағ ыты қ андай болады?

B) I = 4 A,

$$$ 240

Егер Е123=40в; R1=R2=R3=R4=2 ом болса, онда тізбектің тармақ тарындағ ы токтар неге тең?

 

C) I1=I2=I3=5 А; I4=15 А; I5=10 А;

$$$ 242

Егер синусоидалы ток тізбегіне қ осылғ ан V1 вольтметрі 48 В, V2 вольтметрі 64 В кө рсетсе, онда V вольтметрінің кө рсетуі неге тең?

C) 80 В.

$$$ 246

Егер тізбектегі r = 18 ом, хс = 24 ом, ал кернеудің ә рекеттік мә ні U = 72 В болса, онда амперметрдің кө рсетуі қ андай болады?

D) 5 А.

$$$ 252

Егер тізбекке берілген кернеу u = 141× sinwt В болса, ал кедергілер xL = xc = 10 Ом болса, онда тізбектің тармақ талмағ ан бө лігіндегі токтың лездік мә ні (i1) неге тең?

B) i1 = 0.

$$$ 285

Екі полюсті, синхрондық жылдамдығ ы nс=3000 айн/мин, айналу жылдамдығ ы n=2850 айн/мин асинхронды қ озғ алтқ ыштың роторындағ ы токтың жиілігі f2 неге тең?

D) 2, 5 Гц

$$$133

Екі синусоидалы шамаларды қ осқ ан кезде шығ атын синусоидалы шаманың ө рнегін жазың ыз.

A)

ЖЖЖЖ

$$$ 114

Желіліқ кернеумен фазалық кернеудің қ атынасы қ андай болады, егер ү ш фазалы генератормен жү ктеменің қ осындысы ү шбурышша болса?

А) .

$$$ 183

«Жұ лдызша» жалғ анғ ан симметриялық ү ш фазалы жү йенің фазалық кернеуі 127 В. Сызық ты кернеу неге тең?

C) 220 В;

$$$ 278

Жү к ө скенде асинхронды қ озғ алтқ ыштың айналу жылдамдығ ы қ алай ө згереді?

В) Кемиді.

 

$$$ 279

Жіберу реостатының кедергісін ө сірсе, асинхронды қ озғ алтқ ыштың жіберу моменті қ алай ө згереді?

А) Ө седі.

ИИИИ

$$$ 36

Идеалды ток кө зіне қ аң дай сұ лба сә йкес келеді?

C)

$$$ 47

Идеалды Э.Қ.К-не қ аң дай сұ лба сә йкес келеді?

B)

$$$ 112

Идеалды конденсатор кезінде кернеу мен токтың фазалық ығ ысу бұ рышы неге тең?

B)

$$$ 117

Идеалды орауштың кедергісі неге тең?

E) .

$$$ 143

Идеалды конденсатор. фазаның ығ ысу бұ рышы неге тең?

С)

КККК

$$$ 137

Катушканың индуктивтілігі мГн тең, Гц жиілігі кезінде индуктивті кедергі неге тең?

A) Ом;

$$$ 120

Кедергіде кернеу мен токтың фазалық ығ ысу бұ рышы неге тең?

E) .

$$$ 121

Кернеу резонансының жиіліғ і қ алай ө згереді, егер сыйымдылық тың мә нін тө рт есе қ ө бейтсе?

С) екі есе азаяды,

$$$ 110

Кернеу комплексі В, ток комплексі А. Тізбектің комплекстік кедергісін анық таң ыз.

В) Ом.

$$$ 72

 
 

Кернеу кө зінің параметрлері (E, ) жә не жү ктеменің кедергісі r белгілі. Осы шамалар арқ ылы жү ктемеде бө лінетін қ уатты P ө рнектең із.

E)

 

$$$ 199

Кернеуі U=40 B, ток кү ші I=5 A, кернеу мен токтың фазалық ығ ысу бұ рышы φ =300 тізбектің толық қ уаты неге тең?

 

 

E) 200 BA

$$$ 200

Кернеуі U=40 B, ток кү ші I=5 A, кернеу мен токтың фазалық ығ ысу бұ рышы φ =300 тізбектің активті қ уаты неге тең?

В) 173, 2 Bт

$$$ 122

Кернеудің ә серлік мә ні , кернеудің амплитудалық мә нін анық таң ыз.

E) 141 B

$$$ 228

Кернеудің лездік мә нін жазың ыз, егер комплестік ә серлік мә ні В.

C)

$$$ 212

Кернеудің ә серлік мә нінің комплексі В. Кернеудің лездік мә нін анық таң ыз.

A) B,

$$$ 292

Кернеудің стабилизациясына қ олданатын диод

А) стабилитрон

$$$ 119

Кернеулер резонанс кезінде резонанс жиіліғ і неге тең?

A) ,

$$$ 169

Комплексті қ уат қ андай формуламен анық талады?

В)

$$$ 227

Комплекстік ә серлік мә нін анық таң ыз, егер лездік мә ні В:

A) В.

$$$ 116

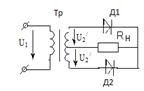
Комплекстік ток , токтың лездік мә ні неге тең?

B) ;

$$$ 138

Конденсатордың сыйымдылығ ы мкФ, Гц жиілігі кезінде сыйымдылық ты кедергі неге тең?

C) Ом;

$$$ 124

Конденсатордың кедергісі неге тең?

D) ,

$$$ 312

Кө пірлі сұ лбаның ә р-бір диоды арқ ылы ө тетін токтың тү рі

C)

$$$ 98

Кү рделі тізбектің қ ұ рамына кіретін контур ү шін Кирхгофтың екінші заң ы бойынша тең деу қ ұ рың ыз.

A) E1– E4+E3– E2=I1R1– I4R4– I3R3+I2R2

$$$ 99

Кү рделі тізбектің қ ұ рамына кіретін контур ү шін Кирхгофтың екінші заң ы бойынша тең деу қ ұ рың ыз.

E) E4+E1– E2+E3=I1R1+I2R2+I3R3-I4R4

 

$$$ 93

Кирхгофтың заң дары бойынша қ ұ растырғ ан тең деудің саны неге тең.

E) бір тең деу бірінші заң ы бойынша жә не екі тең деу екінші заң ы бойынша.

 

$$$ 78

Кирхгофтың екінші заң ы бойынша тең деу қ ұ рың ыз.

A)

$$$ 45

Кирхгофтың екінші заң ың а сә йкес тең деу қ алай жазылады?

С)

$$$ 40

Кирхгофтың бірінші заң ың а сә йкес келетің тең деу қ алай жазылады?

В)

Қ Қ Қ Қ

$$$ 186

Қ абылдағ ыштың А фазасының активті қ уатын анық таң ыз, егер

В) $$$ 299

$$$ 103

Қ андай тең деулердің жү йесі тармактардағ ы токтарды есептеу ү шін.

C) I1+I2-I3=0

-E1+E2 = I1R1-I2R2

-E2+E3 = I2R2+I3R3

 

$$$ 104

Қ андай тең деулердің жү йесі тармактардағ ы токтарды есептеу ү шін.

A) ;

$$$ 171

Қ андай аспаптар арқ ылы кернеулер резонансын анық тай аламыз?

С) Амперметр жә не ваттметр;

Қ андай қ уаттың кү шейткіш коэффициенті кіші немесе бірге тең?

D) барлық жағ дайда ол бірден ү лкен

$$$ 311

Қ андай тү зеткіш сұ лба ү шін ток жә не кернеу графиктері кө рсетілген?

В) бір жарты периодты бір фазалы

$$$ 118

Қ андай тізбекте кернеулер резонансын байкауғ а болады?

С) активті, индуктивті жә не сыйымдылық ты элементтер параллель жалғ анғ ан;

 

 

$$$ 46

Қ андай тең деулердің жү йесі қ олайлы тармактардағ ы тоқ тарды есептеу ү шін?

 

B)

$$$ 54

Қ андай тең деулердің жү йесі тармактардағ ы токтарды есептеу ү шін?

B) - I1+I2+I3 = 0

I2 R2 + I1 R1 = E1 +E2

- I2 R2 +I3R3 = - E2

$$$ 41

Қ арапайым тізбеғ інің бө лігіне сә йкес келетің Ом заң ың жазың ыз.

А)

$$$ 66

Қ осқ ышты тізбекке қ осқ ан кезде амперметрдің қ ө рсетуі қ алай ө згереді, егер - тұ рақ ты кернеу.

E) Ө згеріссіз қ алады.

$$$ 53

Қ осқ ышты тізбекке қ осқ ан кезде амперметрдің қ ө рсетуі қ алай ө згереді, егер - тұ рақ ты кернеу.

A) Екі есе ө седі.

$$$ 146

Қ ысқ ыштардағ ы кернеу В, тізбектегі ток А. Тізбектің комплексті кедергісін анық таң ыз.

D) Ом;

ЛЛЛЛ

$$$ 226

Лездік ток А, кернеу В. Кернеу мен ток арасындағ ы фазалық ығ ысу неге тең?

А) -900

НННН

$$$ 286

Номинал қ уаты Pн=11 кВт, номинал кернеуі Uн=220 В, номинал тогы Iн=21, 04 А, номинал қ уат коэффициенті cosjн=0, 9 асинхронды қ озғ алтқ ыштың номинал пайдалы ә рекет коэффициенті hн неге тең?

D) 0, 88

$$$ 287

Номинал қ уаты Pн=0, 75 кВт, номинал пайдалы ә рекет коэффициенті hн=78, 5% асинхронды қ озғ алтқ ышта қ уаттың шығ ыны DP қ анша?

С) 205 Вт

$$$ 288

Номинал моменті Мн= 39, 79 Н.м, синхрондық жылдамдығ ы nс=750 айн/мин, сырғ уы sн=4% асинхронды қ озғ алтқ ыштың номинал қ уаты Pн неге тең?

В) 4 кВт

$$$ 282

Номинал айналу жылдамдығ ы nн=1470 айн/мин, сырғ уы sн=0, 02 асинхронды қ озғ алтқ ыштың синхрондық жылдамдығ ы nс неге тең?

А) 1500 айн/мин

$$$ 284

Номинал айналу жылдамдығ ы nн=960 айн/мин, сырғ уы sн=0, 04 aсинхронды қ озғ алтқ ыш неше полюсті? Жиілік f1 =50Гц.

В) 4

ОООО

$$$ 235

Определить величину тока в ветви mn, если Е=20В, J=10А, R1=R2=10Ом.

B) I = 4 A,

$$$ 236

Определить ток I3 , если U = 120 B, R1 = R2 = R3 = 20 Ом.

 

C) 2 A,

$$$ 237

Определить ток I2 , если U = 120 B, R1 = R2 = R3 = 20 Ом.

A) 2 A,

$$$ 238

Определить ток I1, если U = 120 B, R1 = R2 = R3 = 20 Ом.

B) 4 A,

 

$$$ 239

Определить показание амперметра, если U= 10 B, R1=7 Ом, R2 = 8Ом, R4=4 Ом, R3 = R5 = 2 Ом.

B) 1 A,

$$$ 266

Орамалары Y/D жалғ анғ ан, номинал біріншігә р кернеуі U =10 кВ, номинал екіншігә р кернеуі U =0, 4 кВ трансформатордың трансформация коэффициенті неге тең?

В) 25

$$$ 300

Ортақ эмиттермен қ осылғ ан сұ лбаның кіріс сипаттамасы қ андай болады?

С) егер

$$$ 301

Ортақ эмиттермен қ осылғ ан сұ лбаның шығ ыс сипаттамасы қ андай болады?

D) егер

$$$ 302

Ортақ базалы транзистор сұ лбасындағ ы тоқ тың (), кернеудің () жә не қ уаттың () кү шейткіш коэффициенттерін анық таң ыз.

D)

$$$ 303

Ортақ эмиттерлі транзистордың сұ лбасындағ ы тоқ тың (), кернеудің () жә не қ уаттың () кү шейткіш коэффициенттерін анық таң ыз.

С)

$$$ 305

Ортақ базалы транзистордың сұ лбасын қ осқ ан кезде токтың кү шею коэффициенті α =0, 97 тең. Токтың кү шею () коэффициентін анық тау керек, егер сол элементтер ортақ коллекторлі сұ лба бойынша жалғ анса.

С) 33, 3

$$$ 306

Ортақ базалы транзистордың сұ лбасын қ осқ ан кезде токтың кү шею коэффициенті α =0, 97 тең. Токтың кү шею коэффициентін () анық тау керек, егер сол элементтер ортақ эмиттерлі сұ лба бойынша жалғ анса.

В) 32, 3

$$$ 307

Ортақ базалы транзистордың сұ лбасын қ осқ ан кездетоктың кү шею коэффициенті α =0, 96, кернеудің кү шею () коэффициенті . Есептеу керек қ уаттың кү шею коэффициентін.

С) 576

РРРРР

$$$ 216

Реактивті кедергіні анық таң ыз, егер .

D) 40 Ом,

$$$ 164

Резонанс кезінде тізбектің сипаттын анық таң ыз.

С) Активті;

$$$ 256

Резонанс кезінде тізбектегі кернеулердің арасындағ ы байланысты кө рсетің із.

E) U = Ur.

$$$ 273

Ротор орамасындағ ы ЭҚ К-тің жиілігі не себепті статор орамасындағ ы ЭҚ К-тің жиілігінен ө згеше болады?

D) Айналмалы магнит ө рісі статор мен роторды ә ртү рлі жылдамдық пен қ иып ө теді.

СССС

$$$ 283

Синхрондық жылдамдығ ы nс=750 айн/мин, ал номинал айналу жылдамдығ ы nн=720 айн/мин асинхронды қ озғ алтқ ыштың сырғ уы қ анша?

С) 0, 04

$$$ 245

Синусоидалы ток тізбегіне ү ш амперметр қ осылғ ан. Егер А амперметрі 10 А, А1 амперметрі 6 А кө рсетсе, онда А2 амперметрінің кө рсетуі неге тең?

C) 8 А.

$$$ 128

Cинусоидалы шаманың а=30*sin(157 t+30°). бастапқ ы фазасын жә не периодын анық таң ы.

A) 300; 0, 04 cек

$$$ 129

Синусоидалы токтың бұ рыштық жиілігі 628 рад/сек. Период Т неге тең?

В) Т =0, 01 сек.

$$$ 130

Синусоидалы токтың бұ рыштық жиілігі 500 рад/сек. Период Т неге тең?

C) Т @ 0, 0125 сек.

 

$$$ 131

Сунисоидалы шаманың

жиілігін жә не периодын анық таң ыз.

С) 100 Г ц; 0.01 сек.

$$$ 132

Синусоидалы шаманың фазасын жә не бастапқ ы фазасын анық таң ыз.

B)

$$$ 125

Синусоидалы токтың А бұ рыштық жиілігін жә не бастапқ ы фазасын анық таң ыз.

A) 157 рад/ с,

$$$ 126

Синусоидалы токтың бұ рыштық жиілігін жә не жиілігін анық таң ыз.

D) 25 рад/сек; 157 Г ц

$$$ 123

Синусоидалы токтың лездік мә ні A. Ә серлік мә нін анық таң ыз.

A) 100 A,

$$$ 178

Синусоидалы кернеудің амплитудасы В, жиілігі Гц, бастапқ ы фаза . Лездік кернеудің тең деуін жазың ыз.

А)

$$$ 258

Синусоидалы токтың суретте берілген уақ ыттық диаграммасы бойынша оның лездік мә нінің ө рнегін жазың ыз

C) .

 

$$$ 308

Суретте тү зеткіш сұ лбасы келтірілген.

В) бір жарты периодты бір фазалы

 

 

$$$ 309

Суретте тү зеткіш сұ лбасы келтірілген.

А) екі жарты периодты орта нұ ктемелі

$$$ 310

Суретте тү зеткіш сұ лбасы келтірілген.

Е) екі жарты периодты кө пірлі

$$$ 289

Суретте кө рсетілген

А) стабилитрон

$$$ 290

Суретте кө рсетілген

D) варикап

$$$ 291

Суретте кө рсетілген

С) тунельдік диод

$$$ 249

Суретте кө рсетілген тізбекте I1 = 6 А; I2 = 8 А. Электромагниттік амперметрдің кө рсетуі неге тең?

B)

$$$ 250

Суретте кө рсетілген тізбекте I1 = I2 = 10 А. Электромагниттік амперметрдің кө рсетуі неге тең?

 

C) .

$$$ 243

Суретте қ абылдағ ыштағ ы токтың, кернеудің жә не қ уаттың уақ ытқ а тә уелді ө згерістерінің қ исық тары кө рсетілген. Жү ктеменің Z сипатын анық таң ыз.

B) Таза активті.

$$$ 241

Суретте кө рсетілген тізбектің параметрлері: r = 16 Ом, хс = 12 Ом. V1 вольтметрі 24 В кө рсетеді. V вольтметрінің кө рсетуі неге тең?

B) 40 В.

$$$ 204

Cуретте кө рсетілген тізбектің параметрлері: E=200В; r1=8, 66О м; xL1=5О м; r2=10О м; xL2=17, 32О м; r3=1, 34О м; xc=7, 32О м. Электромагниттік амперметрдің кө рсетуі неге тең?

 
 

B) 8 А.

$$$ 205

Суретте кө рсетілген тізбектің параметрлері: E=200В; r1=8, 66О м; xL1=5 О м; r2=10 О м; xL2=17, 32 О м; r3=1, 34 О м; xc=7, 32 О м. Электродинамикалық вольтметрдің кө рсетуі неге тең?

 


D) 58, 56 В.

$$$ 206

Cуретте кө рсетілген тізбектің параметрлері: R=10 Ом, C = 10 мкФ, L=100 мГн.

Тізбек ү шін резонанстық бұ рыштық жиілікті анық таң ыз.

C) 103 рад/сек

$$$ 207

Cуретте кө рсетілген тізбектің параметрлері: R = 20 Ом, L=20 мГн, С= 50 мкФ.

Тізбек ү шін резонанстық бұ рыштық жиілікті анық таң ыз.

D) 103 рад/сек,

$$$ 88

Суретте кө рсетілген тізбек ү шін қ уаттар тепе - тең дігін қ ұ рың ыз:

 

B)

$$$ 84

Суретте кү рделі тізбектің бө лігі кө рсетілген, Uаб кернеуді ө рнектең із.

 
 

 

 


D)

 

$$$ 73

Cуретте кү рделі тізбектің бө лігі кө рсетілген: I1 = 3A, I2 =2, 4A, E1= 70B, E2 = 20B, R1 = 8Oм, R2 = 5Oм. Uаб кернеуді анық таң ыз..

 

 

 

 

E) UAB=86 B.

$$$ 71

Суретте кө рсетілген тізбек ү шін: E=204 В; R1=1 Ом; R2 = 50 Ом. Егер жә не нү ктелерін, кедергісі нө лге тең сым арқ ылы тұ йыктасақ, онда амперметрдің кө рсетуі неге тең?

A) 0

$$$ 52

Суретте келтірілген потенциалдық диаграммағ а қ аң дай тізбек сә йкес келеді?

А)

$$$ 38

Суретте кү рделі тізбектің бө лігі кө рсетілген. кернеуді ,

арқ ылы ө рнектең із.

 

C) =-E1- E2-I1R1-I2R2

 

$$$ 30

Суретте кү рделі тізбектің бір бө лігі кө рсетілген. Берілген: I1 = 3A, I2 = 2, 4A, E1 = 70 B, E2 = 20 B, R1= 8Ом, R2=5 Ом. Uаб анық таң ыз?

D)

$$$ 39

Суретте кү рделі тізбектің бө лігі кө рсетілген. кернеуді ,

арқ ылы ө рнектең із.

B) U= - E1-I1R1+I2R2

$$$ 244

Сұ лбадағ ы r1 = 3 Ом болса, онда r2 кедергісі неге тең? Амперметрлердің кө рсетулері сұ лбада кө рсетілген.

B) 12 Ом.

$$$ 44

Сұ лбадағ ы амперметрдің кө рсетуі неге тең, егер .

A)

$$$ 173

Сұ лбағ а қ ай векторлық диаграмма сә йкес келеді?

С)

$$$ 174

Сұ лбағ а қ ай векторлық диаграмма сә йкес келеді?

A)

$$$ 108

Сұ лбаның эквиваленттік кедергісін анық таң ыз, егер

R1=R5=20 Ом, R2 = R3 = R4 = 10 Ом.

C) 10 Ом,

$$$ 80

Сұ лбаның эквиваленттік кедергісін анық таң ыз, егер R1=13Ом, R2=R3=R4=R5=20 Ом.

А) 25 Ом.

$$$ 24

Сұ лбаның эквиваленттік кедергісін анық таң ыз, егер ә р элементтің кедергісі R тең болса.

B) Rэкв= R;

$$$ 25

Сұ лбаның эквиваленттік кедергісін анық таң ыз, егер ә р элементтің кедергісі R тең болса.

D) Rэкв = 1, 25R

$$$ 26

Сұ лбаның эквиваленттік кедергісін анық таң ыз, егер ә р элементтің кедергісі R тең болса.

B) Rэкв= R

$$$ 27

Сұ лбаның эквиваленттік кедергісін анық таң ыз, егер ә р элементтің кедергісі R тең болса.

C) Rэкв= R

$$$ 28

Сұ лбаның эквиваленттік кедергісін анық таң ыз, егер ә р элементтің кедергісі R тең болса.

С)

$$$ 11

Сұ лбаның эквиваленттік кедергісін анық таң ыз, егер ә р элементтің кедергісі R тең болса.

 

D) Rэкв.

$$$ 12

Сұ лбаның эквиваленттік кедергісін анық таң ыз, егер ә р элементтің кедергісі R тең болса.

В) Rэкв. = R

$$$ 13

Сұ лбаның эквиваленттік кедергісін анық таң ыз, егер ә р элементтің кедергісі R = 10 Ом болса.

A) =30 Ом

$$$ 14

Сұ лбаның эквиваленттік кедергісін анық таң ыз, егер ә р элементтің кедергісі R тең болса.

 

В) Rэкв. = R

$$$ 15

Сұ лбаның эквиваленттік кедергісін анық таң ыз, егер ә р элементтің кедергісі R тең болса.

В) Rэкв. = 0

$$$ 16

Сұ лбаның эквиваленттік кедергісін анық таң ыз, егер ә р элементтің кедергісі R тең болса.

В)

$$$ 17

Сұ лбаның эквиваленттік кедергісін анық таң ыз, егер ә р элементтің кедергісі R=2 Ом тең болса.

А) Rэкв. = 2 Ом,

$$$ 18

Сұ лбаның эквиваленттік кедергісін анық таң ыз, егер ә р элементтің кедергісі R=20 Ом.

Е) RЭ = 5 Ом.

 

$$$ 19

Сұ лбаның эквиваленттік кедергісін анық та&

<== предыдущая лекция | следующая лекция ==>
C) 103 рад/сек | Требования к результатам освоения дисциплины. Башкирский государственный педагогический университет
Поделиться с друзьями:

mylektsii.su - Мои Лекции - 2015-2026 год. (0.827 сек.)Все материалы представленные на сайте исключительно с целью ознакомления читателями и не преследуют коммерческих целей или нарушение авторских прав Пожаловаться на материал