Студопедия

Главная страница Случайная страница

КАТЕГОРИИ:

АвтомобилиАстрономияБиологияГеографияДом и садДругие языкиДругоеИнформатикаИсторияКультураЛитератураЛогикаМатематикаМедицинаМеталлургияМеханикаОбразованиеОхрана трудаПедагогикаПолитикаПравоПсихологияРелигияРиторикаСоциологияСпортСтроительствоТехнологияТуризмФизикаФилософияФинансыХимияЧерчениеЭкологияЭкономикаЭлектроника






Лғаю термометрі






1. Сұ йық шыны термометрлер

Сұ йық шыны термометрлердің жұ мыс істеу принципі термометрлерге қ ұ йылғ ан термометрлік сұ йық тың жылулық ұ лғ аюына, яғ ни осы сұ йық тың кө лемінің ө згерісіне негізделген. Термометрлік сұ йық ретінде сынап, толул, этил спирті, эфир т.б. пайдаланылады.

Сұ йық шыны термометрлер -90 С-тан 600 С-қ а дейінгі температураны ө лшеуге пайдаланылады, ішіне шкала орнатылғ ан таяқ ша тү рінде жасалынады. Батырылатын ұ шы шкаласы бар термометрлерде тік жә не бұ рышты болып келеді.

2. Дилатометрлік термометрлер.

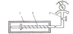
Бұ лардың жұ мыс істеу принципі тү тікше мен стерженнің сызық тық температуралық ұ лғ аю коэффициентінің ә ртү рлі болуына қ арай қ ыздырғ ан кездегі ұ зындық тарының ө згеру айырымын пайдалануғ а негізделген (10.4 сурет).

 

 

10.1 Сур. Ө зекті дилатометр

Биметалды термометрлер деп бір-бірімен тұ тас дә некерленген, сызық тық температуралық ұ лғ аю коэффициенті ә ртү рлі болатын екі ә ртү рлі металл пластинкадан, мысалы болат пен инвардан (10.2-сурет) жасалғ ан ө лшеуішқ ұ ралдарын айтады. Қ ыздырғ анда биметалл пластинка деформацияланып, сызық тық температураның ұ лғ аю коэффициенті кішірек

 

10.2 Сур. Биметалды термометр

металл жағ ына (инварғ а) қ арай иіледі. Биметалды термометр ө лшеу қ ателігі % болатын -100 С-тан 600 С-қ а дейінгі температураны ө лшеуге арналғ ан.

Манометрлік термометрлер.

Жұ мыс істеу принципі тұ йық герметикалық терможү йеде жұ мыстық термометрлік заттың қ ысымы мен температурасы арасындағ ы тә уелділікке негізделген. Жұ мыстық термометрлік заттың тү ріне қ арай, манометрлік термометрлер газды, сұ йық ты жә не конденсациялы болып бө лінеді. Осы термометрлердің кө мегімен -60 С-тан 600 С-қ а дейінгі температура ө лшенеді. Дә лділік класы .

Газды манометрлік термометрлер -60 оС-тан 600оС-қ а дейінгі температураны ө лшеуге арналғ ан.

Сұ йық манометрлік термометрлерде жұ мыстық зат ретінде сынап (-30оС-тан 600оС-қ а дейін) не ксилол (-40оС-тан 200оС-қ а дейін) қ олданылады.

Сұ йық манометрлік термометрлердің шкаласы бірқ алыпты болады жә не -150оС-тан 300оС-қ а дейінгі температураны ө лшеуге арналғ ан.

 


Поделиться с друзьями:

mylektsii.su - Мои Лекции - 2015-2026 год. (0.671 сек.)Все материалы представленные на сайте исключительно с целью ознакомления читателями и не преследуют коммерческих целей или нарушение авторских прав Пожаловаться на материал