Студопедия

Главная страница Случайная страница

КАТЕГОРИИ:

АвтомобилиАстрономияБиологияГеографияДом и садДругие языкиДругоеИнформатикаИсторияКультураЛитератураЛогикаМатематикаМедицинаМеталлургияМеханикаОбразованиеОхрана трудаПедагогикаПолитикаПравоПсихологияРелигияРиторикаСоциологияСпортСтроительствоТехнологияТуризмФизикаФилософияФинансыХимияЧерчениеЭкологияЭкономикаЭлектроника






Расчет выходной согласующей цепи






  • Общая схема выходной согласующей цепи будет подобна входной, то есть с n = 4 элементов. Значения для g будут те же. Схема имеет вид:

g0=1

g1=1.3028

g2=1.2814

g3=1.9761

g4=1.8468

g5=1.5386

Где g0 = Rэ, g5 = ρ, а g1 и g2 должны равняться выходной емкости и индуктивности транзистора соответственно.

  • Денормировака по Δ ω и R:

Предполагается взять верхнюю граничную частоту больше, чем дано в задании, тогда увеличится и Δ ω.

Пусть Δ ω = 502, 7*106 рад/с.

Сопротивление нормировки будет равно:

Rнор = ρ *g5 = 115, 35 Ом

Тогда имеем:

g0=Rэ=3, 6 Ом

g1 = C1 = Cвых = 60 пФ

g2 = L2 = Lвых = 0, 5 нГн

g3 = C3 = g3/Rнор* Δ ω =34, 08 пФ

g4 = L4 = g4*Rнор/Δ ω =194, 1 нГн

g5 = R5 = ρ = 75 Ом

 

  • Преобразование ФНЧ в ППФ:

Схема будет иметь вид:

ω 0 = (ω в* ω н)^1/2 = 3, 699*109 рад/с

Исходя из условия, что на резонансной частоте должно выполняться равенство:

1/ ω 0*C = ω 0*L

находятся значения емкостей и индуктивностей:

C2 = 146, 2 пФ

C4 = 0, 3765 пФ

L1 = 12, 18 нГн

L3 = 2, 145 нГн

  • Трансформация сопротивления:

Так как Rэ меньше ρ, то необходимо ввести 2 трансформатора с коэффициентами связи, выбранными из условия:

Rнор * k12/k22 = Rэ

k2=17

k1=3

Тогда схема примет следующий вид:

 

Где

C1 = C1* k22/ k12

C2 = C2* k22

C3 = C3* k2*(k2-1)

C4 = C3*k2

C5 = -C3*(k2-1)

C6 = C4

L1 = L1*k1*(k1-1)/ k22

L2 = L1*k1/ k22

L3 = -L1*(k1-2)/ k22

L4 = L2/ k22

L5 = L3

L6 = L4

 

С1=0, 187 пФ

С2=42250 пФ

С3=9270 пФ

С4=579, 4 пФ

С5=-148300 пФ

С6=0.486 пФ

L1=-0.253 нГн

L2=0.0026 нГн

L3=-0, 0008753 нГн

L4= 0, 0000091нГн

L5=1, 23 нГн

L6=9, 245 нГн

 

  • Расчет сумматора:

Эквивалентная схема сумматора представляет собой источник напряжения с внутренним сопротивлением, равным сопротивлению тракта, двух параллельно соединенных микрополосковых линий, нагруженных на сопротивления нагрузки, равные также сопротивлению тракта. Для развязки в линии включено балластное сопротивление, равное удвоенному сопротивлению нагрузки.

Схема имеет вид:

Параметры схемы:

Rг = 75 Ом

Rн = 75 Ом

Rб = 150Ом

Волновое сопротивление линии ρ = (2* Rг* Rн)1/2 =106 Ом

Электрическая длина отрезка микрополосковой линии θ = 90º.

  • Структурная схема усилителя мощности:

 

 

 

Фильтр

Фильтр представляет собой состыкованные по уровню -3 дБ ФНЧ и ФВЧ.

Для предотвращения возбуждения усилителя мощности входное сопротивление фильтра должно быть 75 Ом (сопротивление тракта, данное в задании).

Требование к фильтру: подавление третьей гармоники на 30 дБ.(L=30)

Расчет:

· Требуемая неравномерность не должна превышать 0, 25 дБ. Выбираем δ = 0, 2 дБ.

· Количество элементов в фильтре рассчитывается по формуле:

 

n = arch [(10L/10 – 1)/(10δ /10 – 1)] 1/2 /arch [ω / ω ср]

где ω – частота подавления = 3ω н

ω ср = ω в

После округления n = 4

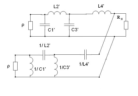
Схема фильтра четного порядка для n = 4 имеет вид:

 

· Денормировка по частоте и сопротивлению:

C1= C1’/ ρ * ω в

L2 = L2’* ρ / ω в

C3= C3’/ ρ * ω в

L4 = L4’* ρ / ω в

 

C1’=0, 7717 1/ C1’=1, 2958

L2’=1, 4798 1/ L2’=0, 6758

C3’=1, 7893 1/ C3’=0, 5589

L4’=1, 4561 1/ L4’=0, 6868

 

C1 = 1, 84 пФ L1 = 40 нГн

L2 = 39, 6 нГн C2=1, 85 пФ

C3 = 4, 26 пФ L3 =17, 24 нГн

L4 = 38, 98 нГн C4 =1, 876 пФ

 

 

 

Заключение

 

В данной работе были описаны и рассчитаны принципиальные схемы основных блоков транзисторного широкополосного передатчика. Рассчитаны характеристики и построена схема опорного кварцевого генератора. Кроме того, на уровне структурной схемы была разработана система синтеза частот с ФАП в требуемом рабочем диапазоне и шагом сетки частот. Для обеспечения заданного уровня мощности отдаваемой в нагрузку потребовалось соединение 4 усилительных элементов с согласующими цепями. Рассчитан фильтр с чебышевскими характеристиками. Также рассчитаны номиналы элементов принципиальных схем и построена общая схема передатчика.

 

 

Список использованной литературы

1. А. В. Митрофанов, В. В. Полевой, А. А. Соловьев. Устройства генерирования и формирования радиосигналов. Учебное пособие. Санкт-Петербург, 1999, ЛЭТИ

 

2. А. А. Соловьев. Автогенераторы гармонических колебаний и синтезаторы частоты. Учебное пособие. Санкт-Петербург, 2000, ЛЭТИ.

 


Поделиться с друзьями:

mylektsii.su - Мои Лекции - 2015-2026 год. (1.183 сек.)Все материалы представленные на сайте исключительно с целью ознакомления читателями и не преследуют коммерческих целей или нарушение авторских прав Пожаловаться на материал