Студопедия

Главная страница Случайная страница

КАТЕГОРИИ:

АвтомобилиАстрономияБиологияГеографияДом и садДругие языкиДругоеИнформатикаИсторияКультураЛитератураЛогикаМатематикаМедицинаМеталлургияМеханикаОбразованиеОхрана трудаПедагогикаПолитикаПравоПсихологияРелигияРиторикаСоциологияСпортСтроительствоТехнологияТуризмФизикаФилософияФинансыХимияЧерчениеЭкологияЭкономикаЭлектроника






Следящий импульсный радиодальномер






Для автоматического сопровождения целей по дальности служат ВУ со следящими измерителями времени (рисунок 3.13).

 

Рисунок. 3.13 – Обобщённая структурная схема следящего измерителя времени импульсного дальномера

Временной дискриминатор (ВД) сравнивает временные положения отражённого импульса и селекторных импульсов или временные интервалы tR и tM (рисунок 3.14) и в зависимости от величины разности x= tR – tM вырабатывает сигнал ошибки – два биполярных импульса с разной длительностью при временном рассогласовании x≠ 0.

 

Рисунок. 3.14 – Сигналы в различных точках дальномера

 

Информация об x преобразуется экстраполятором (Э) в управляющее напряжение Uупр и подаётся на синтезатор задержки (Синт) (временной модулятор). Под воздействием Uупр синтезатор изменяет задержку tM селекторных импульсов. Равновесие в замкнутом кольце регулирования наступает при x=0, а следовательно, tM =tR.

В этом режиме Uупр ~R. Временной дискриминатор (рисунок 3.15, а) представляет собой две схемы И, на каждую из которых поданы отражённый сигнал и один из селекторных импульсов. Полярности снимаемых с дискриминатора сигналов совпадения импульсов (рисунок 3.15, б) противоположны.

Экстраполятор в простейшем случае – это интегрирующая цепочка. Процессы перезаряда ёмкости экстраполятора представлены на рисунке 3.15, б. (рисунок. 3.13).

Синтезатор (рисунок 3.15, в) представляет собой генератор селекторных импульсов (ГСИ), запускаемый задержанным по отношению к импульсу синхронизатора сигналом с амплитудного компаратора (АК). В компараторе сравниваются уровни управляющего сигнала Uупр и быстро нарастающего пилообразного напряжения генератора (Г), запускаемого импульсами синхронизатора (Синх).

 

Рисунок 3.15 – Упрощённая структура временного дискриминатора (ВД) и экстраполятора (Э) (а); графики напряжений в точках 1 и 2 (б); ь схема синтезатора (в)

 

Особенностью работы измерителя времени дальномера является импульсный характер регулирования, что сказывается на условиях устойчивости замкнутой системы и характере переходных процессов.

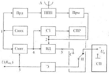
Для работы представленного на рисунке 3.16 следящего измерителя времени необходим предварительный поиск цели. В режиме поиска контакт реле схемы переключения режимов (СПР) (Рисунок 3.16) находится в положении П и схема поиска (СП) с помощью экстраполятора (Э) формируется медленно нарастающее пилообразное напряжение поиска, которое вместо управляющего напряжения подаётся на синтезатор (Синт) и изменяет задержку селекторных импульсов (рисунок 3.17) [2].

 

Рисунок 3.16 – Структурная схема следящего импульсного дальномера

 

Схема захвата (СЗ), на которую приходят отражённые импульсы с приёмника (Прм) и селекторные импульсы от синтезатора, переключает контакт реле в положение С и переводит дальномер в режим сопровождения при совпадении отражённого и селекторных импульсов (рисунок 3.18).

 

Рисунок 3.17 – Иллюстрация работы синтезатора задержки селекторных импульсов

 

Скорость поиска выбирают такой, чтобы отсутствовал пропуск цели в двух соседних периодах повторения. При скорости поиска ( / ) . Однако, при захвате по одному совпадению слишком велика вероятность ложного захвата шумового выброса.

Рисунок 3.18 – Сигналы в характерных точках схемы

 

На рисунке 3.19 показана схема захвата, в которой эта вероятность сведена к минимуму. Сигнал совпадения отражённого и селекторных импульсов (СИ), прошедший через первое пороговое устройство (ПУ1), запускает генератор стандартных импульсов (ГСтИ), работающий в ждущем режиме. Полученные таким образом стандартные импульсы подаются на накопитель совпадений (НС) в n следующих подряд циклах повторения, где n – не больше числа импульсов в пачке. В результате накопления сигнал на выходе НС достигает уровня срабатывания ПУ2, а при случайном шумовом выборе ПУ2 сработать не сможет.

 

Рисунок 3.19 – Схема захвата импульсного следящего дальномера

 

Для схемы захвата с накопителем необходимы, чтобы селекторные импульсы сместились, не более чем на за n периодов повторения: ( / ) . С учётом изменения при движении цели со скоростью окончательное условие выбора скорости поиска принимает вид:

(3.13)

 

Схема захвата должна иметь так называемую память, необходимую для удержания следящего дальномера в режиме сопровождения на время пропадания отражённого сигнала из-за его флуктуаций. На рисунке 3.20 показаны диаграммы движения селекторных импульсов (СИ) при пропадании отражённого сигнала (ОС) в следящем измерителе с астатизмом первого порядка и идеальным 1 и реальным 2 интеграторами в экстраполяторе.

Во избежании потерь времени на переход в режим поиска необходима «память по положению» (рисунок 3.20, а) и «память по скорости» (рисунок 3.20, б). время памяти должно быть достаточным для удержания системы сопровождения в режиме слежения на время, большее интервала корреляции флуктуаций отражённого сигнала.

 

Рисунок 3.20 – Диаграммы движения селекторных импульсов при пропадании отражённого сигнала


Поделиться с друзьями:

mylektsii.su - Мои Лекции - 2015-2026 год. (1.246 сек.)Все материалы представленные на сайте исключительно с целью ознакомления читателями и не преследуют коммерческих целей или нарушение авторских прав Пожаловаться на материал