Студопедия

Главная страница Случайная страница

КАТЕГОРИИ:

АвтомобилиАстрономияБиологияГеографияДом и садДругие языкиДругоеИнформатикаИсторияКультураЛитератураЛогикаМатематикаМедицинаМеталлургияМеханикаОбразованиеОхрана трудаПедагогикаПолитикаПравоПсихологияРелигияРиторикаСоциологияСпортСтроительствоТехнологияТуризмФизикаФилософияФинансыХимияЧерчениеЭкологияЭкономикаЭлектроника






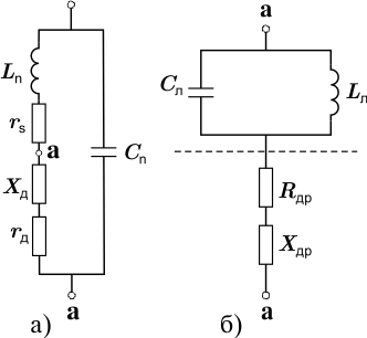
Эквивалентная схема ЛПД






Приведённые выше рассуждения позволяют понять принципы построения эквивалентной схемы ЛПД. Геометрические размеры полупроводниковой структуры настолько малы, что практически во всём СВЧ диапазоне она может быть представлена схемой на сосредоточенных элементах, входное комплексное сопротивление которой

(6.3)

Эквивалентная схема ЛПД определяется электронными процессами в диодном промежутке. При воздействии на диод высокочастотного электромагнитного поля конструктивные элементы корпуса создают дополнительные реактивные сопротивления, поэтому полное сопротивление диода определяют обычно на основании эквивалентной схемы диода в корпусе.В этой схеме параметры р–n -перехода представлены через реактивное сопротивление X д и активное сопротивление r д (а–а). Активное сопротивление потерь в полупроводниковой структуре и выводах представлено rS. Параметры L п и C п — эквивалентные индуктивность и емкость корпуса и выводов.

В соответствии с рассмотренной моделью эквивалентная схема полупроводниковой структуры ЛПД представляется последовательным соединением двух участков: слоя умножения и области дрейфа. Слой умножения при малой амплитуде поля может быть представлен эквивалентной схемой — параллельным колебательным контуром, содержащим индуктивность лавины L л и эквивалентную емкость слоя умножения C л.

 

 

Эквивалентная схема ЛПД: а — в корпусе; б — представленная последовательным соединением двух участков

Полное сопротивление слоя

(6.4)

где ω л = 1 / — собственная резонансная частота контура, называемая лавинной частотой.

Эквивалентная схема области дрейфа при малой амплитуде поля. Полное сопротивление области дрейфа сводится к виду

(6.5)

 

где r др — активное сопротивление области дрейфа;

 

  x др — реактивное сопротивление области дрейфа.

Активное сопротивление области дрейфа отрицательно на всех частотах ω = ω л, кроме частот, на которых R др = 0, (при θ = 2 π n, n = 1, 2, …).

Зависимость R др от угла пролёта θ др.

 

 

Зависимость активного сопротивления слоя дрейфа ЛПД от угла пролёта

Максимум отрицательного сопротивления наблюдается вблизи θ др = π. При дальнейшем увеличении θ др до 2 π сопротивление R друменьшается до нуля. Видно, что диапазон частот, в котором может быть обеспечено ОС, велик.

Однако обычно считают, что ЛПД хорошо работает лишь на частотах, соответствующих углу пролёта

(6.6)

Таким образом, контур L л C л характеризует процессы в слое умножения, а R др и X др — процессы в слое дрейфа. Полное сопротивление ЛПД Z = R + jX.

Примерная зависимость активного R и реактивного X сопротивлений от частоты.

 

Зависимость активной и реактивной составляющих полного сопротивления ЛПД от частоты

На частотах ниже лавинной ω л активное сопротивление ЛПД положительное, а реактивное имеет индуктивный характер. На частотах выше ω л активное сопротивление отрицательное, а реактивное становится ёмкостным. Область отрицательных сопротивлений соответствует широкому диапазону частот. Наличие отрицательного сопротивления и позволяет использовать ЛПД для создания генераторов и усилителей СВЧ.


Поделиться с друзьями:

mylektsii.su - Мои Лекции - 2015-2026 год. (0.663 сек.)Все материалы представленные на сайте исключительно с целью ознакомления читателями и не преследуют коммерческих целей или нарушение авторских прав Пожаловаться на материал